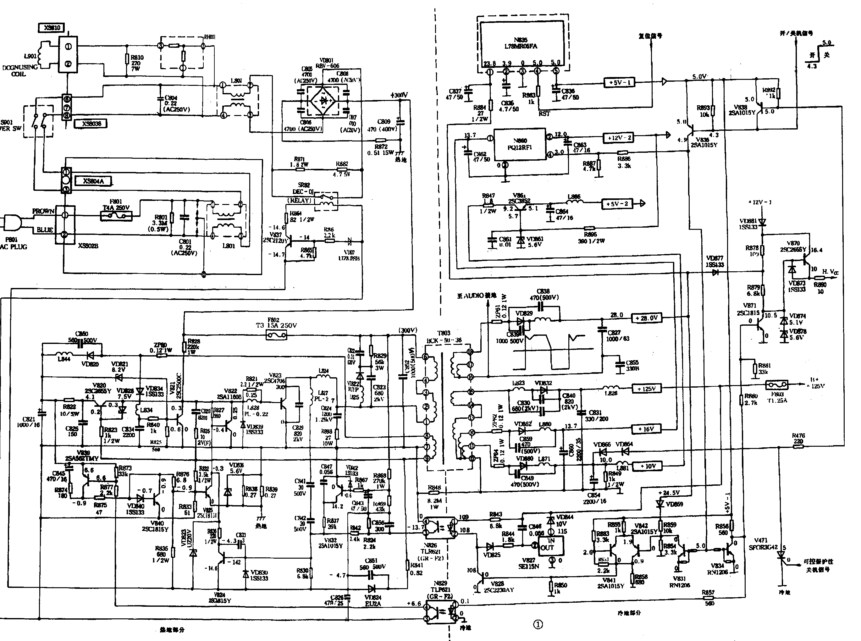
康佳29英寸、34英寸、38英寸画中画彩电(含画中画镜面彩电及16:9宽屏幕数码彩电)的开关稳压电源,是变压器耦合并联型开关稳压电源,电路原理图见图1。它适应范围宽,在110V~240V都能正常工作。它效率高,耗电功率仅190W。它设有完善的保护电路,一旦出现故障,立即进入自动保护性关机状态。该开关稳压电源不另设遥控系统电路供电专用电源,在待机状态时它不关闭主电源,而是使主电源改变工作状态,维持遥控系统的5V供电不变,降低其它电路的工作电压使其停止工作。这样可以随时接收遥控开机信号而重新启动。晶体管各极电压值及对地电阻值见下表,供维修检测时参考。



注:
1.被测机型为康佳T2988P型机。
2.所有电压参数均用MF-47型普通万用表DC电压挡测试。
3.所有电阻参数均用MF-47型普通万用表 R×1k挡测试。
4.测试电压时应特别注意黑(红)表笔接冷/热地点,千万不得搞错。开机状态下,如表笔接热地去恻CPU任一脚都可能造成CPU损坏。
5.测试对地电阻时应将电源关断(最好拔下电源插头),略等几分钟(电容放电后)再测试。
说明:
1:康佳画中画大屏幕彩色电视机开关稳压电源的电路相同,图2示出该类机“三无”故障的检修流程图,它适于康佳下列机机型:T2988P、T3488P、T2998NI、T2998ND、T3888NI、T3888ND、T2998N、T3488N、T3888N、T3289W/T3289W1(16:9宽屏幕彩电)、P2993N(镜面彩电)等。

2.康佳P2993N是29英寸镜面彩色电视机,具有高频画中画及“全球通”丽音接收功能。(张传轮)