上期趣味实验室思考题解答:
1.由于光电三极管具有信号放大作用,所以在同样情况下,光电三级管的灵敏度要大于光电二极管(如光电流,光电二极管是μA级的,而光电三极管是mA级的)。另外,光电二极管的响应时间快、线性度好。
2.在光电二极管未接收到红外信号时,其暗电流极小(小于30nA),所以红色LED不亮;当接收到红外信号时,光电流增加,经9013放大后,红色LED亮。
光电三极管在未接收到红外信号时,其内阻极大,在R1上压降极小,9013截止,红色LED不亮;当光电三极管接收到红外信号时,其内阻下降,R1上的电压大于0.7V,9013导通,红色LED亮。
3.可看本文介绍。
我们已介绍过4种光电器件,通过实验掌握了它们的主要性能及其基本电路。本文将通过综合实验加深理解这些器件在实际电路中的作用;并进一步介绍由这些光电器件组成的派生器件(光电耦合器、光断续器、光电传感器)的具体应用。
综合实验
图1是一种卫生间灯光自动控制实验电路。人进入卫生间时,灯自动亮;人走出卫生间,灯自动灭,并且只有在天黑时这种控制才起作用,白天灯不会亮。该电路由4部分电路组成:Ⅰ为光电检测人体进出电路;Ⅱ为微分电路(触发电路);Ⅲ为双稳态电路;Ⅳ为驱动电路。

电路Ⅰ是由红外发光二极管、光电二极管及三极管VT1组成的人体进出检测电路(装在卫生间进门口)。无人遮挡红外线时,PD接收到红外线,光电源使VT1导通,其集电极呈低电平;当有人进出遮挡红外线时,VT1截止,其集电极呈高电平。当人进入或走出卫生间时,集电极输出一个正脉冲。
电路Ⅱ是微分触发电路,当人体进出遮挡红外线时,VT1集电极产生一个正脉冲。由于C1的电压不能突变,在R3上形成一个尖脉冲,它使VT2触发导通,其波形如图2所示。

电路Ⅲ是由NE555及外围电路组成的双稳态电路。在天黑时,VT2每触发导通一次,NE555的③脚电平变换一次(高电平时,灯亮;低电平时,灯灭);白天,由于光敏电阻阻值减小,双稳态电路不起作用,③脚呈低电平。
电路Ⅳ是驱动电路,由VT4驱动继电器K。当③脚输出高电平时,VT4导通,K吸合,灯亮;③脚输出低电平时,灯灭。
图1中S为手动开关,当手动开关合上时,灯亮,控制电路不再起作用。
图1中Ⅳ部分也可改成图3,采用双向晶闸管来驱动灯泡。MAC97A6的引脚如图3下部所示(要注意:不同型号的双向晶闸管,引脚排列可能不同)。

实验提示:1.各主要元器件在面包板上的安排可参考图4;2.先搭好Ⅰ、Ⅱ、Ⅲ部分电路,按图3虚线左部接上1kΩ电阻及LED,经检查电路安装无误后可接通+5V来实验,用手遮挡红外线一次,LED状态应变换一次(注意电路Ⅲ部分的光敏电阻R\(_{cds}\)先不装上或用不透光笔套套上);只有当Ⅰ、Ⅱ、Ⅲ部分电路正常才可按图1或图3全电路做实验。由于采用220V市电,特别要注意安全,灯泡必须安装在灯座上,通电前要认真检查这部分电路,接上220V市电后,手不能再模有关元器件,电路有故障或工作不正常时必须断开220V市电再检查;若初学者没有足够经验,用图3虚线左边电路来作模拟实验就可以了(模拟天黑时可用不透光笔套套住光敏电阻即可,只有天黑时才有控制作用)。

光电耦合器
光电耦合器是一种实现电—光—电信号变换的器件。它的特点是体积小、寿命长、无触头、抗干扰能力强、输入和输出之间绝缘、可传输模拟信号及数字信号。
常见的光电耦合器的内部结构如图5所示。图5(a)的输出级是光电二极管,5(b)的输出级是光电三极管(有基极引脚的常用温度补偿),5(c)的输出级为达林顿结构,能直接驱动继电器等负载;5(d)的输入级由两个正反接的红外发光二极管组成,它可输入交流信号。

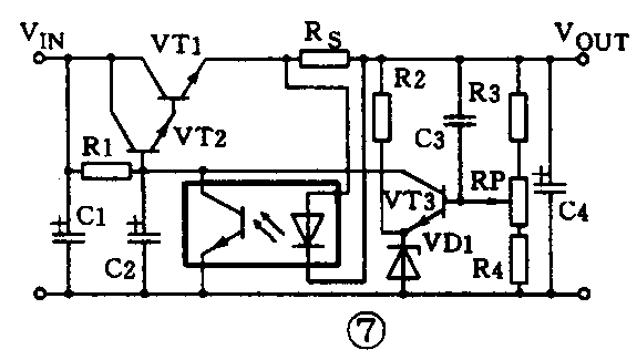
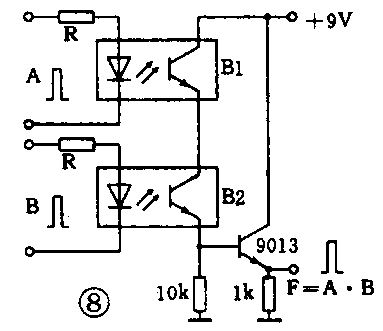
应用电路如图6~图8所示。图6是电平转移电路,输入脉冲幅值为5V,输出脉冲幅值可接近电源电压(12V),实现了电平转移,常用于数字信号传输装置。图7是稳压电源过流保护电路,读者可自行分析其工作原理。图8是由两个光电耦合器组成的与门电路。A、B脉冲同时输入时,输出才有脉冲;也可把A作为控制门来使用,即A输入高电平时,B的脉冲才能输出。



光断续器
光断续器是由红外发光二极管及光电三极管组成的光电组合器件。它有直射式与反射式两种结构,如图9所示。图9(a)的工作原理如下:槽中不遮断光路时,光电三极管接收到红外LED的信号;遮断光路时,光电三极管接收不到红外LED的信号。图9(b)是靠反射来工作的,当有物体接近光断续器时,光电三极管能接收到红外LED信号;或者有反差较大的黑色及白色的条纹码在作用距离d移动,它也能检测条纹码的信号。

图10~图12是几种应用电路。图10是三门公共电汽车关门告知电路。车门关好后有一铁片插入光断续器槽中,光路被切断,输出为高电平。若三个门都关好,则三输入与门电路4O73输出为高电平,绿色LED亮(表示三车门都已关好),可以开车。若有一个或一个以上的车门未关好,4073输出低电平,红色LED亮。司机可根据红、绿色LED的指示来发动车辆以保证安全。图11为测转速装置,其工作原理读者可自行分析。图12是卫生间洗手烘干器电路。当手接近烘干器时,利用手的反射,使光电三极管接收到红外信号而使9013导通,继电器K吸合,加热器及风扇工作,吹出热风来烘干手。



光电传感器
利用红外发光二极管及光电三极管可以做成多种光电传感器。图13是一种烟雾报警器传感器部分的结构图,红外LED与光电三极管安放不在一平面上,则光电三极管接收不到红外线,若发生火灾会产生大量烟雾,烟雾粒子将红外线反射到光电三极管,光电三极管接收到红外线信号经电路处理后发出报警信号。图14是液位传感器工作原理图。当液位未升到上限位置时,光电三极管可以接收到红外信号;当液位上升到上限位置时,金属环挡住光路,光电三极管接收不到红外信号,经电路处理后输出关泵电机的信号。


思考题
1.图15是一个防盗报警器电路。红外发光二极管与光电三极管安放在要警戒的通道或入口处。平时光电三极管PT能接收到红外线,当盗贼进入警戒线或入口处,阻挡光路,电路产生报警信号。请你分析一下此电路工作原理。请说明一下二极管VD的作用。若分析不出来,请做一个实验,用一根连接线代替二极管VD,其情况有何变化?

图中透镜的作用是增加作用距离,在做实验时可不用红外LED,用灯光来代替红外LED会更简单些。
2.你能否采用一个光断续器来设计一个抽屉防盗报警器电路及结构示意图。
提示:抽屉关好时,光路断;抽屉被盗贼打开时,光路通,电路发出报警声。
设计出来的电路要做一个模拟实验,祝你成功!
3.图16是由高亮度发光二极管、光敏电阻及双向晶闸管组成的固态继电器。它能实现低压直流来控制高压交流(如220V市电)。你能根据学过的光电器件知识说明该固态继电器的工作原理吗?如果你要实验一下要注意几点:1.发光二极管要串接限流电阻,工作电流20~30mA;2.发光二极管要靠近光敏电阻,并要用塑料笔杆封起来使其不透光;先不接双向晶闸管测一下光敏电阻值:LED亮时,R≈1kΩ,LED灭时,R≥1MΩ;最好用15~25W灯泡实验(作负载),要注意安全!(方捷)
