电学基础知识告诉我们:“把导线绕成螺旋形状的线圈,通入电流后,线圈的周围会产生磁场。”,“如果把线圈套在铁心上,当线圈通上电流时,放置在线圈中的铁心被磁化成磁铁,线圈的磁场会大大增加,这就是常说的电磁铁。”
电铃就是利用电磁铁的原理制成的。下面介绍自制直流小电铃的方法。
一、实验所需器材
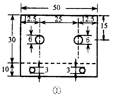
1.15cm×10cm的胶水板一块,厚度可在1.5~2mm间选取(如果你已经做过前两期介绍的电学小实验,你就可以利用原来的实验板进行实验)。
2.1.5mm厚,10cm×5cm的铁皮一块。
3.0.5mm厚的磷铜片(弹性较大的铜片),12mm×50mm一块(如找不到磷铜片也可用合金铝易拉罐代替)。普通铜片0.5~1mm厚,35mm×8mm一条。
4.M3×10平机螺丝9个,M3×6圆机螺丝一个,M3螺母15个;M6×35螺钉、螺母各3个;M5×20螺丝(应根据铃盖内螺扣确定)、螺母各一个。Ф1.5×3空芯铆钉2个。
5.直径60mm的自行车铃盖一个(新旧均可)。
6.直径0.5~0.6mm漆包线约30米。
7.5号电池两节和两节电池夹一个。
8.直径0.5mm左右的单股塑料接线若干。
二、直流小电铃制作方法
1.制作电磁铁铁芯
按图1锯一块1.5毫米厚的铁片,并按图中所示打两个Ф6和Ф3的小孔,再按图2把打好孔的铁片弯成直角,并拧上两只M6×35的螺钉,电磁铁铁芯就做好。


2.制作电磁铁线圈架
按图3(a)剪两条牛皮线(或挂历纸)并涂上胶水(或浆糊),然后在Ф6螺钉上裹上两层薄纸(衬纸),再把涂好胶水的纸条紧紧卷绕在薄纸外边,卷好后见图3(b),从螺钉上取下并取出里边的衬纸,就做成两个图3(c)所示的纸简。

照图3(d)剪4片直径24mm厚0.8~1mm的硬纸圆片(如牙膏盒等硬纸片)。用做好的纸筒放在硬纸圆片中心,见图3(e),用铅笔贴着纸筒外圈画一个圆圈,拿开纸筒,用小足刀沿着画上圆圈的内径把圆纸片刻成一个圆环,如图3(f)所示(刻去的部分宁小勿大,必须使圆环能与纸筒紧紧配合)。
把图3(f)所示圆环套在图3(c)所示纸筒上(纸筒卷好后应放置半小时左右让其变硬),纸筒两端应露出圆环5毫米,如图3(g)所示,然后把纸筒露出部分用剪刀剪成四瓣,涂上胶水弯成直角粘在圆环上,如图3(h)所示,线圈架就做好了。
3.绕制线圈
用0.5~0.6mm漆包线按图4a所示方向(顺时针)在线圈架上密绕200圈,线圈头和尾应留70~80mm。两只线圈绕的方向应相同。绕好两只线圈后应按图4(b)把两只线圈的线尾端的漆刮掉拧在一起。注意两个线圈串联时的线头不能接错否则电磁铁磁力受影响。

把串联好的两只线圈套在电磁铁铁芯上,电磁铁就做好了。如果想验证线圈串联是否正确,可绕线圈通上3V电源,然后把小指南针分别靠近电磁铁铁芯的两个螺丝柱,小磁针指向螺丝柱的极性应相反(注意通电时间不要太长,否则线圈会发热),如图4(d)所示。
4.制作电铃衔铁
根据电铃的大小,用1.5mm厚的铁片做一个带有小锤的衔铁,如图5(a)所示。按图5(b)用磷铜片做一个弹簧片(如没磷铜片,可用易拉罐铝皮折成双层代替,但要注意铝皮外层是绝缘的应在打好的Ф3孔和右边端部刮去绝缘层),把图5(b)和图5(a)用Ф1.5×3空芯铆钉铆在一起,并在衔铁右边Ф3孔上拧上一个Ф3×6的螺钉,一个带弹簧片的衔铁就做好了,如图5(c)所示。

5.电铃组装
(1)先安装电磁铁,位置在实验板左下角、再安装电池夹在实验板上部中间,如图6(a)所示。

(2)安装衔铁和铜接触片;
照图6(b)和图6(c)做一个衔铁支架和一个铜接触片,图中圆孔均为Ф3孔。
把衔铁靠近电磁铁铁芯用衔铁支架支好。注意衔铁位置应和铁芯相距3~4mm,然后把铜接触片紧靠衔铁弹簧片端部固定好。
(3)安装铃盖
先确定铃盖位置,当用手指把衔铁推向电磁铁铁芯时,当衔铁距铁芯2毫米左右时,让衔铁小锤能敲上铃盖的安装位置,然后用Ф5螺钉把铃盖在相应位置固定;如图6(d)所示。
6.电铃调试
电铃的接线结构可参考图6(d)和图7。 电磁铁线圈一个头直接接电池负极(图7中接点1),线圈另一头通过接点3(衔铁支架)、弹簧片4和铜接触点5,再和电池正极(接点2)连通。当电池接通时电磁铁线圈应有电流通过产生磁场,吸引衔铁,衔铁前边的小锤应敲在铃盖上,此时衔铁上的弹簧片和铜触点离开,切断电流通路,衔铁又回到静止状态使弹簧片又与铜触点接触,衔铁又被电磁铁吸引,小锤又敲在铃盖上,如此循环使电铃发出不断的响声。

如果接好电池电磁铁不吸引衔铁,可重点检查弹簧片和铜触点是否接触良好。如果电磁铁有电流通过,产生的磁力把衔铁吸引过来、说明弹簧片和铜触点靠得过紧,应调整弹簧片和铜接触片间的位置。
当衔铁能不断振动时,说明安装基本正确,然后再看衔铁小锤是否能有力地敲在铃盖上,否则可调整铃盖和小锤之间的位置。
如果你能把直流小电铃安装成功,你一定会对电磁铁有一个很深刻的认识,同时你在安装工艺上也会大大提高一步。 (沈长生)