编者按:初学者园地从本期开始推出具有参与性、实践性和趣味性的小栏目——“趣味实验室”。
1.内容:介绍几种常用的简单、有趣的传感器(简单地说,传感器就是将自然界中非电的信号,如声音、光、温度、磁场等转变成电信号,用电信号的变化来反映非电信号的变化的元器件或装置。):
①光电元件:光敏电阻、红外发光二极管、光电二极管、光电三极管、光电耦合器等;
②测温元件:热敏电阻、测温二极管、集成温度传感器等;
③磁性元件:干簧管、霍尔元件等。
2.形式:
①采用理论与实践相结合的方式,特别请福建泉州市新新电子器材有限公司根据本栏目文章中的电路实验配备了套件,供大家学习、试验。详细元件清单和邮购方法见本期广告1999-8-2页。本刊建议您购买此套件,以便能在实际动手中获得更多的乐趣,光说不练是学不好无线电的哟。
②开辟专门的信箱收集读者的反馈和问题,并集中在杂志上做出回答。无论您是有不懂的地方还是有什么建议,都可以给我们写信。来信请寄;(100061)北京市崇文区夕照寺街14号《无线电》编辑部趣味实验室栏目收。
3.实验室配置要求
①硬件:
除了购买套件外,您最好拥有以下工具、仪器和元器件:面包板一块、镊子一把、鳄鱼夹若干、各种颜色的硬接线(线径0.7mm左右)、5~6V(300~500mA)稳压电源一个,指针式或数字式万用表一个、各种阻值的电阻(1/4~1/8W)以及一些常用的电容。
②软件:
a.在您开始阅读本栏目之前,我们假定您已经了解了电阻、电容、二极管、三极管、继电器等常用元器件的作用和工作原理,并认识它们的电路符号,懂得555时基电路和运算放大器的工作原理和简单应用电路,会用万用表进行简单的测量。因为由于篇幅所限,本实验室将重点介绍传感元器件在实验电路中的特性和简单应用,而对以上常用元器件和集成电路的相关知识则不作介绍。如果您还不具备以上知识,可查阅本刊的其它文章或有关的书刊。
b.丰富的想像力;
c.创新精神。
4.目的:衷心希望大家能和我们一起动起手来,通过学习和试验,既获得了乐趣, 又增长了知识,培养了动手能力和创造能力,为今后的深入学习和发展打下一个良好的基础。
亲爱的朋友,你知道光敏电阻吗?光敏电阻是一种电阻值随外界光照强弱(明暗)变化而变化的元件。其外形和电路符号如图1所示。它是在陶瓷基座上沉积一层硫化镉(CdS)膜后制成的。CdS在光照增强时,电阻率会降低,CdS膜越长、面积越大,随光照变化的阻值变化越大,因而通常把CdS膜做成“弓”字形。CdS膜怕潮,所以在其表面涂有一层树脂防潮膜。

基本实验
为了对光敏电阻有一个感性认识我们先来做几个小实验。
1.光的强弱与阻值的关系
请先按图2用小型鳄鱼夹做两个万用表表笔的夹子,然后按图3用带夹子的表笔分别夹住光敏电阻的两条引脚,用R×1k挡测量在不同的光照下光敏电阻的阻值:在自然光条件下,将光敏电阻从屋内较暗处移向亮处,一直到阳光照射到光敏电阻上,观察万用表读数的变化;在夜间,用台灯或日光灯作光源,将光敏电阻从远处移到灯下,观察电阻值的变化。另外,同深色笔套套在光敏电阻上使它处在黑暗条件下,测一下这时的电阻值。


做过上面的实验我们会发现:光敏电阻的电阻值会随着光的亮度增加而减小。在完全黑暗处,光敏电阻的阻值可达几兆欧以上(万用表指针不动);而在光线较强处,其阻值可降到几千欧甚至1千欧以下。
2.光的强弱与电压的关系
在光控电路中,必须将光的变化变成电量的变化,才能在电路中起作用。图4是一种最简单的“光传感器”,它能把光的强弱转变成电压的变化。将100kΩ电阻及光敏电阻插在面包板上,加上5V电压后用带夹子的表笔测量光敏电阻上的电压(指针式万用表打在25V挡上,数字式万用表打在20V挡上)。在光敏电阻处于完全黑暗状态时,记录一下电压,在光照增加时及光照较强时记录一下电压。然后,将光敏电阻与100kΩ电阻的位置交换一下(见图5),按上述光照条件再测一遍电压。


实验结果告诉我们:在图4中,光线越强,输出电压越低;图5中的情况则相反,光线越强输出电压越高。
现在我们已经了解了光敏电阻的特性,请发挥您的想象力用5分钟的时间思考一下,光敏电阻可以应用到什么地方,并用纸记录下你的想法,然后和我们一起做下面的实验。
3.光控自动灯电路实验
航标灯(夜间引导船航行用)、无人管理灯塔、高速公路交通标志往往需要夜间自动点亮而白天自动熄灭,这些功能通常是通过光控电路实现的。图6a是一种实验光控电路。在光线较亮时,光敏电阻两端电压较低(低于1.4V),9013截止,LED不亮;用手挡住光敏电阻的光线(模拟天黑后),光敏电阻两端的电压会高于1.4V,使9013导通,LED随之点亮。图6b是一种控制用220V交流供电的自动灯电路。当光线暗到一定程度,9013导通,继电器吸合,电灯自动点亮。(由于图6b实验用到了220V市电,实验时要特别注意安全,初学者可不做此实验。套件中所配的继电器的引脚排列见图6c。)

4.停电报警电路实验
在实际生活中停电会带来很多麻烦,如电加热孵小鸡、初生婴儿保温箱等等。因此万一停电应发出报警,以便及时采取措施(如开动备用电源)。这里做一个停电报警电路实验。
请先按图7做一个光电耦合器(发光二极管采用红色高亮度的更好)。当LED点亮时,光敏电阻阻值约几千欧;LED熄灭时,其阻值在2MΩ以上。

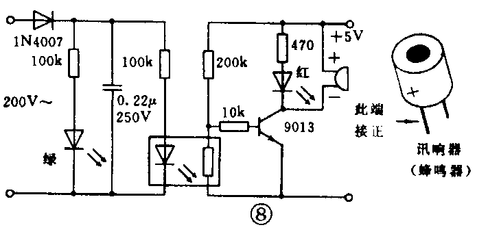
图8是一种停电报警电路。图中220V市电经1N4007半波整流及0.22μF电容滤波后变为直流电压,100kΩ电阻和绿色LED组成有市电指示(绿色LED点亮)。与此同时,光电耦合器中的红色LED也点亮,光敏电阻两端的电压低于0.7V,9013处于截止状态,蜂鸣器不响,红色指示灯LED不亮。当市电停电时,绿色LED熄灭,光电耦合器中的红色LED也熄灭,光敏电阻阻值大于2MΩ,使9013导通,红色LED亮,蜂鸣器发出停电报警声。

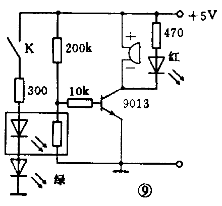
由于此实验要用到220V市电,初学者可做一下模拟试验,见图9。开关K合上模拟“市电”接通,K断开时模拟“市电”停电。实验的结果是什么呢?做过实验你就知道了。

总结
通过以上的几个简单实验我们了解了光敏电阻的特性:光与电阻的关系及光与电压的关系。利用这种关系实现光控自动灯及停电报警的实用电路。
相关知识
1.照度
物体单位面积上所得到的光的量称为照度,它用来表明物体被照亮程度,单位为勒克斯(Lx)。例如,国家教委规定学校课桌上的照度不低于100Lx(约相当距25W灯泡50cm处的亮度)。一般看书、写字较合适的照度是300~600Lx,光线太强也并不合适。照度可用专门的照度计来测量。
2.亮阻与暗阻
光敏电阻因材料成份及工艺不同,同样照度下阻值也不同,一般用亮阻与暗阻这两个参数来表达。亮阻指的是在100Lx照度下的电阻值,一般几千欧至几十千欧。暗阻指的是完全黑暗时的阻值,一般为2兆欧至几百兆欧。
3.光敏电阻的光谱特性
光敏电阻的光谱特性与人眼视觉特性很相似,图10画出了人眼视觉与光敏电阻的光谱特性。因此,光敏电阻非常适合于照相机的曝光装置、照度计、电视机对比度自动调节电路(随着环境光线强弱的变化自动调节其对比度)等。

思考题
1.在图4中,测量光敏电阻上的电压为什么不用5V挡而采用25V挡?
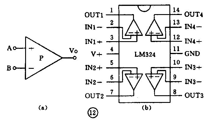
2.图11中是一种保护视力的自动灯电路。当照度低于200Lx时,灯会自动打开,而且即使灯光照射到光敏电阻上,使它阻值降低,灯泡也不会灭,请你分析一下电路的工作原理。

提示:①P为电压比较器,其工作原理如图12。A、B为两个待比较的电压,A输入同相端(+),B输入反相端(-)。若电压A>B,电压比较器输出端V\(_{o}\)输出高电平;若电压A<B,则Vo输出低电平。电压比较器可用LM324中的一个运放来做。②假设25W灯泡40cm左右处的照度为200Lx。

3.图11的电路中为什么不用9013三极管而用单向可控硅?
若你分析不出来,不妨做个模拟实验,在AB两端接入限流电阻及LED来代替继电器,并可模拟在200Lx时使LED亮即可(即在200Lx时,调节电位计RP使它从大变到小,直到LED亮)。在LED亮与不亮时,请分别测量一下电压比较器3脚的电压及2脚电压,并相应测一下电压比较输出端1脚的电压(大于2.5V为高电平,接近地电平的为低电平),这样可更好地理解电压比较器的工作状态。
若LED已亮,要使LED灭,必须断开电源一次。(方捷)