镍镉、镍氢充电电池的终止放电电压约为1V,若低于1V仍继续放电就会损害电池。由于一般电子产品上并无电池已到达终止放电的指示,因此经常发生电池过放的现象。本文介绍一种防止电池过放电路(见图1),该电路的特点是电池到达终止放电时会自动切断电源,并给出已达到终止放电指示;另外,该电路耗电极省,工作电流不大于2μA。该电路可供便携式电子产品开发人员及电子爱好者参考。

工作原理
IC1是电压检测器,它的②、③脚检测电池电压。当电池电压高于终止放电电压时,IC1的①脚输出高电平,LED不亮,功率场效应管VT导通,电源给负载电路供电;当电池电压到达或低于终止放电电压时,IC1的①脚输出低电平,LED亮(指示电池已到达终止放电电压),功率场效应管VT也因栅极为低电平而截止,电源被切断。
只要选择合适的低导通电阻(RDSCON)的功率场效应管,在VT上的管压降及损耗是极小的。
应用指南
1.电压检测器(IC1)的选择
便携式电子产品常用2~5节可充电电池,相应的电压检测器(IC1)选择如附表所示。

电压检测器有两种:TO-92封装(AN051系列)及贴片式SO-89封装(SN922系列),见图2。SN922系列电压检测精度为2.4%,AN051系列检测精度为5%,作为电池过放电压检测对精度选择并不重要,主要根据便携式电子产品的尺寸大小,选择贴片式可以使这部分电路尺寸做得很小。

2.功率场效应管的选择
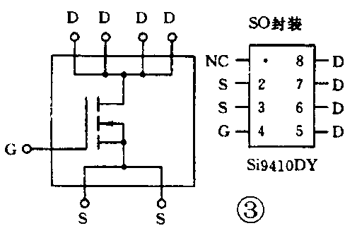
功率场效应管应选择导通电阻小的管子,这里推荐选用型号为Si9410DY功率场效应管。该管的导通电阻(R\(_{DSONC}\))仅为0.03Ω,ID可达7A,完全可满足一般电子产品的要求。例如,当负载电流在1A时,在功率场效应管Si9410DY上的压降仅0.03V。
Si9410DY为贴片式SO封装,其厚度尺寸仅1.5mm,其管脚排列见图3。

3.LED及限流电阻R的选择
LED可选择有引脚φ1~3mm(φ3的较容易买到)或贴片式的,可根据产品要求选择。这里介绍两种贴片式LED(见图4):图4(a)为红色;图4(b)为绿色。它们的特点是高度低、亮度大。

R的选择可参看附表。
AN051及Si9410器件供货消息可参看插页广告 1999-8-2第2个广告。 (凡文)