例1机型 NV-M8000
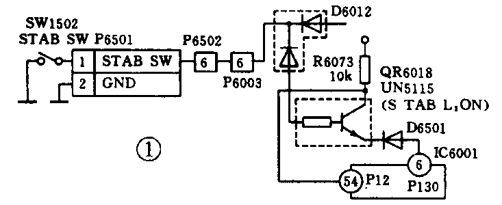
故障现象:按钮电源开关,插入带盒重放,电子导像器内黑白图像正常,将VTR/CAM滑盖置于CAM状态,操作面板上REC指示灯闪烁,磁带不加载。
分析与检修:能够正常重放,说明该机在VTR状态时工作正常,将VTR/CAM滑盖置于CAM状态,机器出现上述故障现象(正常时机器处于CAM状态,操作面板上REC、PLAY和PAUSE/STILL三只红色指示灯亮),进一步观察发现面板上REC指示灯闪烁时,电子寻像器内显示TAPE字符并闪烁。弹出带盒检查防误抹挡舌完好无损,换上一盒新的带盒插入带仓,上述故障现象仍然存在,说明故障在防误抹控制电路中,该电路见图1。拆开机器右边机壳,卸下操作面板,用500型万用表检查接插件P6501①脚对地电压为8.4V,正常值为插入未抠去防误抹挡舌的带盒时应为0V,说明故障在防误抹开关SW1502或连接导线上。卸出操作电路板检查,发现防误抹开关焊点上导线脱焊,重新焊好后机器工作恢复正常。

例2 机型NV-M1000
故障现象:按快进或倒带键机器能够正常卷带,将操作面板上VTR/CAM滑盖置于CAM状态磁带加载后接着卸载。
分析与检修:插入带盒能够正常快进或倒带,说明该机系统控制电路工作基本正常。由上述故障现象分析,初步判断故障出在机械驱动机构或伺服控制电路中,为了迅速确定故障所在的部位,拆开机器左右两边机壳,按下重放键,鼓电机立即转动,磁带加载到位后同样接着卸载。重新按下重放键,注意观察磁带加载到位时压带轮和张力臂还没有运行到位,磁带就接着卸载。检查磁带加载机构没有发现异常情况,卸出电池盒,用交流适配器多芯电缆插头与摄像机连接好,按下重放键,观察磁带加载到位后用手触摸加载电机皮带轮仍在正常转动,但皮带时转时停。卸出皮带检查发现已拉伸变质,因此造成磁带加载完毕,加载电机不能通过加载凸轮继续带动压带轮、张力臂和方式状态开关运行到记录或重放位置,于是出现上述故障现象。更换加载电机皮带后机器工作恢复正常。
例3机型NV-M9000
故障现象:插入带盒按重放键,磁带加载时机内发出“嘎嘎”声,有时能够加载重放,电子寻像器内有正常的黑白图像,有时加载中途停止,磁带卸载后处于停止状态。
分析与检修:能够快进或倒带,说明该机系统控制微处理器电路工作基本正常,按重放键磁带加载时机内发出“嘎嘎”声,磁带加载中途停止,估计故障出在机械传动机构内。弹出带盒,卸下带仓盖,用人工模拟带盒进仓(用黑胶布贴住固定在带仓两侧带头、带尾检测孔,并用黑套管套住底盘中间的带盒检测灯),按下重放键发现“嘎嘎”声是从加载齿轮附近发出的,进一步观察发现加载齿轮(塑料)与加载齿轮B(金属)旁边有一枚螺钉撒落其间,取出检查发现该螺钉是磁带盒上紧固螺钉撒落下来所造成的。解除带盒人工模拟进仓,插入带盒,按下重放键,机器工作恢复正常。
例4机型NV-M8000
故障现象:插入带盒重放,磁带加载完毕,电子寻像器内出现黑白图像,3秒钟后磁带自动卸载并切断电源。
分析与检修:重放3秒钟后磁带自动卸载并切断电源,说明上述现象属于停机保护故障。由故障现象分析,估计故障出在带盘旋转检测控制电路中,该电路见图2。拆开机器右边机壳,用示波器监测接插件P6007②脚,接通摄像机电源开关,按下重放键,观察磁带走带时无带盘旋转脉冲检测信号输出,用万用表检查接插件P6007的1脚(TREEL)电压为1.2V,2脚为3.8V(正常值应在0~3.8V之间摆动),卸下操作电路板和主电路板,从固定在底盘上VES0413印制板上焊下光敏三极管Q1503,检查已损坏,更换光敏三极管Q1503/ON2170后故障被排除。(黄福森)
