中国民间许多娱乐项目都要用到骰子。若按本文制作一个电子骰子,更会给娱乐活动增添一份情趣。

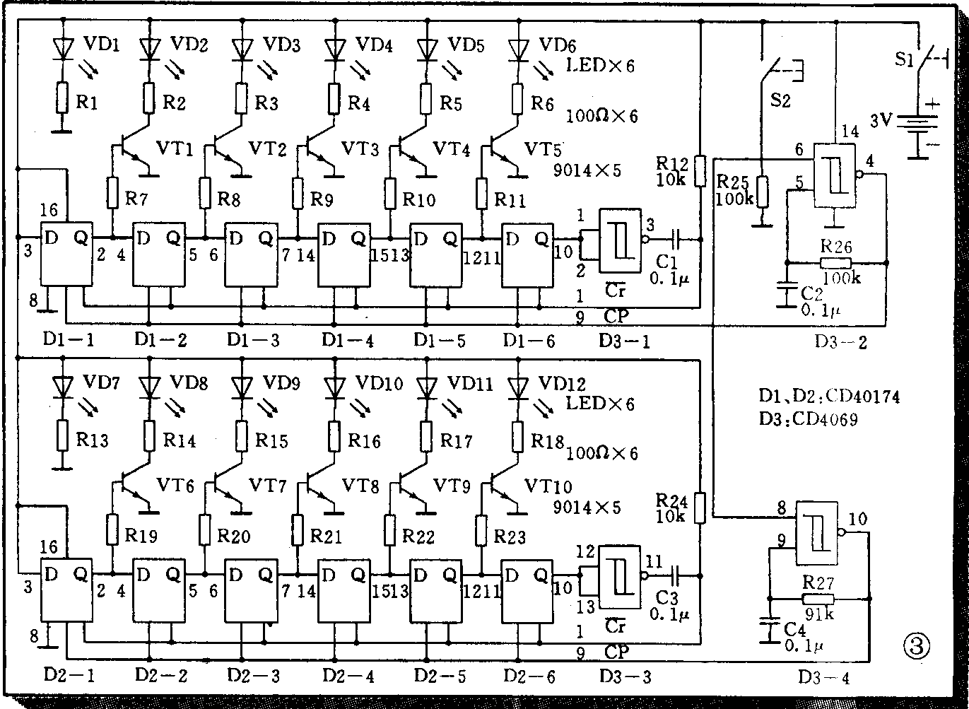
①电子骰子上装有12个发光二极管,左边6个为红色,右边6个为绿色,分别模拟两只骰子。上面还装有一个电源开关和一个投掷按钮。

② 每6个发光二极管组成一只骰子,用发光二极管点亮的个数表示骰子的点数。使用时,按下投掷按钮,发光二极管点亮的个数将按l→2→3→4→5→6→1……的顺序不断循环;松开投掷按钮时,发光二极管将会随机地停留在上述6个状态中的某一状态(某个点数),模拟了投掷骰子的过程和结果。

③电路图可分为两部分。左半部分为骰子电路,上、下各自组成一只骰子,右半部分是振荡电路,上、下各为一个脉冲源,分别向两只骰子提供时钟脉冲。

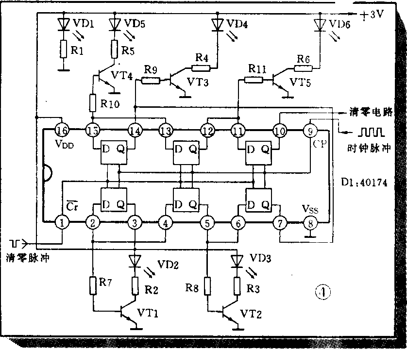
④每个骰子电路是由6个D型触发器(D1-1至D1-6)组成的移位寄存器。除VD1常亮外,其余5个发光二极管均受D型触发器控制,在时钟脉冲的触发下依次点亮,全亮后清零,再开始新的循环。在实际制作时,可选用数字集成电路CD40174,它的内部含有6个D型触发器。

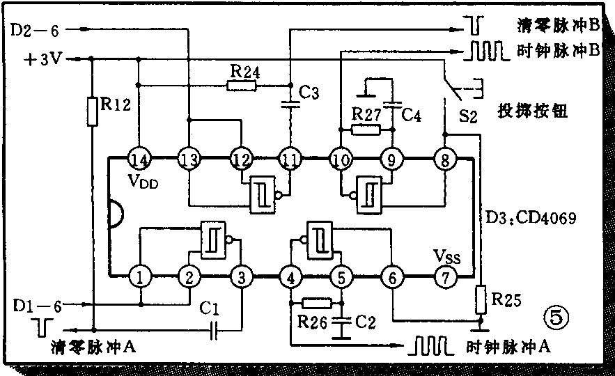
⑤振荡电路包括两个多谐振荡器(D3-2、D3-4),振荡频率分别为117Hz和129Hz,分别向两个骰子电路提供时钟脉冲。由于频率较高,两个时钟脉冲频率不同且不成整倍数,所以每按一次投掷按钮,两个骰子将分别随机显示各自的点数。D3-1、D3-3分别构成两个清零电路。D3-l、2、3、4包含在一块集成电路CD4069中。

⑥按图制作一块印制电路板。

⑦这是元件面排列位置图,所有元件都安装,焊接在印制电路板上。

⑧ 电子骰子的内部结构。制作时,集成电路、晶体管、电阻、电容等应控制安装高度;发光二极管顶端从外壳上方的孔中伸出,电源开关的拨柄和按扭开关的按柄也从外壳相应的孔中伸出;电池盒装在电路板的下方。本电路安装无误不需调试即可工作。(门宏)