一、门控多谐振荡器
图1和图2是分别采用集成电路或非门及与非门构成的门控多谐振荡器,其中D1的一个输入端作为控制端C,利用C端的逻辑电平控制振荡器的振荡与停振。图1采用CMOS或非门组成的门控多谐振荡器,当控制端C为高电平“l”时,电路停振;当C端为低电平“0”时,电路起振,输出1KHz方波信号。图2是采用CMOS与非门组成的门控多谐振荡器,当控制端C为低电平“0”时,电路停振;当C为高电平“l”时,电路起振,输出1kHz方波信号。CMOS电路的电源电压可在+(3~18)V范围内灵活选取。改变R2、C1的大小可以改变振荡频率。
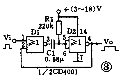
二、单稳态触发器


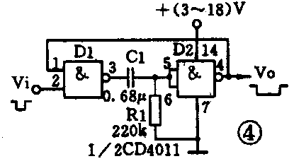
图3和图4是采用CMOS门电路构成的单稳态触发器,输出单稳脉宽100ms。图3是正脉冲触发,触发后输出一个正的矩形波,它由或非门电路构成。或非门D2的两个输入端并接后作反相器用,其输出端直接反馈至或非门D1的一个输入端,构成闭环正反馈系统。R1、C1的大小决定着单稳态输出矩形波的脉宽。D1的另一个输入端作为触发脉冲输入端。当正触发脉冲V1加至触发端1时,D1的③脚变为低电平“0”,由于C1两端电压不能突变,D2的⑤、⑥脚也是低电平“0”,经D2反相后④脚输出变为高电平“1”,电路进入暂稳状态,同时通过正反馈闭合环路使电路保持记忆,即触发脉冲消失后电路输出状态仍然维持不变。由于电源电压经R1对C1充电,在充电的过程中,D2的⑤、⑥脚电位逐渐上升,直至达到电路阈值时,输出端④脚由“1”变为“0”,暂稳态结束,电路恢复正常的稳定状态。
图4是采用负脉冲触发、输出为负的矩形波的单稳态电路,D1、D2采用与非门电路。
三、双稳态触发器


图5是采用主从型D型触发器构成的双稳态触发器,图6为采用JK触发器构成的双稳态触发器。两个双稳态电路均由时钟脉冲上升沿触发,均具有原码Q和反码Q-两个输出端。CP端每输入一个触发脉冲,电路输出状态就翻转一次。
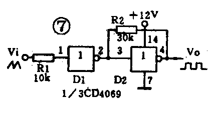
四、施密特触发器

图7是用反相器组成的施密特触发器,该电路可用于对脉冲波形进行整形,或把缓慢变化的模拟电压转换为阶跃变化的数字信号。反相器D1、D2直接级联,并通过电阻R2将D2的输出信号反馈至D1的输入端,构成正反馈闭合环路。R1与R2的比值决定着滞后电压值△V\(_{T}\)在电源电压中占有的比倒大小,适当进取R1与R2可获得所需要的上、下阈值电压,按图7所示元件参数,上阈值电压为8V,下阈值电压为4V。
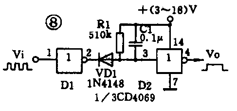
五、脉冲解调器

图8是由CMOS反相器构成电脉冲解调器,可用来对调幅脉冲波进行包络检波。该解调器仍是依靠RC网络的充放电原理,并利用二极管VD1使充、放电时间常数不一致,从而达到解调脉冲串的目的,即当有脉冲串输入时,输出为“1”(高电平);无脉冲串输入时,输出为“0”(低电平)。在输入脉冲串第一个脉冲到来时,反相器D1输出端②脚变为“0”,二极管VD1导通,C1迅速充电,同时D2输出端④脚变为“l”;第一个脉冲串结束后,D1的②脚变为“l”,VD1截止,C1通过R1缓慢放电,由于其放电时间常数与输入脉冲串的持续时间基本相同,所以在D2的③脚电压远未上升到D2阈值时,脉冲串中的脉冲即使到来,D2输出端④脚也始终保持为“l”,直至输入脉冲串结束,④脚才变为“0”。因此,D2输出端④脚保持“l”的时间与输入脉冲串的长度基本相同。
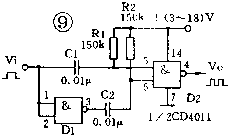
六、脉冲倍频器

图9是用CMOS与非门电路组成的脉冲倍频器,它的输出脉冲频率是输入脉冲频率的两倍,输出脉冲宽度约为1ms。R1、C1和R2、C2分别组成两个微分电路,阻容值的大小决定了输出脉冲的宽度。该倍频器的原理是利用输入脉冲的上升沿和下降沿,各自产生一个输出脉冲。输入脉冲的上升沿到来时,经与非门D1反相,R2、C2微分后,在与非门D2的一个输入端⑥脚产生一负脉冲,输出端④脚则输出一个正脉冲;输入脉冲的下降沿到来时,经R1、C1微分后,在D2的另一个输入端⑤脚产生一负脉冲,使输出端④脚再输出一个正脉冲。这样,每输入一个脉冲,便可输出两个脉冲,实现了倍频,且两个输出脉冲的前沿分别与输入脉冲的上升沿、下降沿同步。
七、脉冲展宽电路

图10为采用集成电路与非门构成的正脉冲展宽电路,可以将输入的正脉冲在原有宽度的基础上展宽10ms。在两个与非门D1与D2之间,接有一积分网络R1、C1,二极管VD1为C1提供快速放电通路。无输入脉冲时,D1输出端③脚为“1”,C1充满电,使D2两个输入端⑤、⑥脚均为“1”,故D2输出端④脚为“0”;输入脉冲加入时,D1的③脚变为“0”,使D2输出端④脚变为“1”,同时C1经D1迅速放电;输入脉冲结束后,虽然D2的⑤脚变为“1”,但因为C1经R1缓慢充电需要一定时间,D2的另一输入端⑥脚仍为“0”,使D2输出仍保持“1”;只有经过约0.69R1·C1时间,C1上的电压上升至⑥脚阈值,D2输出端才变为“0”,从而使输出脉冲比输入脉冲展宽了0.69R1·C1。图11为采用或非门构成的负脉冲展宽电路,输出负脉冲比输入负脉冲展宽了l0ms。(门宏)


