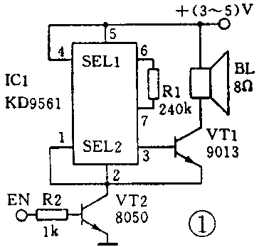
1.警笛声报警音源电路

图1是能够发出警笛声响的报警音源电路,采用KD9561模拟声响集成电路,该电路可发出四种模拟声响,由选声端SEL1和SEL2控制。SEL1和SEL2处在不同的状态组合,KD9561则发出不同的模拟声响,图1所示接法可发出警笛声,由③脚输出经VT1驱动扬声器发出报警声响。R1为外接振荡电阻,微调R1阻值可在小范围内改变音调。VT2为电子开关,作报警控制用,当控制端EN有高电平控制信号时,VT2导通,电路工作,发出报警声;当EN端无控制信号时,VT2截止,电路无声。控制信号可由各种报警探测电路提供。选用不同的报警探测电路,则可组成不同用途的报警器。
2.连续音报警音源电路

图2是可发出连续长音的报警音源电路。IC1采用时基集成电路NE555,构成可控多谐振荡器,振荡频率约为800Hz,NE555电路③脚输出端负载电流可达200mA,因此可直接驱动扬声器发声。NE555的优先置零端MR—(④脚)作为控制电路振荡与否的控制端使用,当MR—=0时,电路停振,无声;当MR—=1时,电路起振,发出报警声。报警探测电路发出的控制信号接至控制端EN1或EN2,当EN1或EN2为高电平时,电路发出报警声响。VT1、VT2等组成电平转换电路,当控制信号电平与本电路电源电压相等时,控制信号直接接至EN1端,VT1、VT2及R1~R3可免除;当控制信号电平与本电路电源电压不等,特别是较低时,控制信号应接至EN2端,才能保证可靠工作。
3.声光报警源电路

图3是可发出超响度报警声和强烈光源的报警源电路,该电路一旦被触发,即可发出响度达120dB的报警声响,同时打开强光源照明灯,将警戒区域照亮,因此特别适用于作防盗报警器。IC1采用高速电子开关TWH8778,控制灵敏度高、反应速度快,内部设有过压、过热、过流保护等功能。当控制端EN有≥1.6V的控制电压时,TWH8778内部电路导通,使接在①脚的电源电压从②和③脚(两管脚已在电路内部并联)输出,使超响度报警器BL发声,同时使继电器K1吸合,接通照明灯H的电源。因TW8778⑤脚控制电压极限为6V,故接入VD1作箝位用。BL为TWH11型超响度报警器,工作电压6~12V,电流200mA,响度120dB。继电器K1应根据电源电压和灯泡H的功率选用。
4.断续音报警音源电路

有些非防盗用的报警器(例如:下雨、停电、高温、光照不足报警器等),需要使用音量较小、悦耳动听的报警音源,图4就是适用于这些方面的断续音报警音源电路。电路被触发后,该电路发出“嘀嘀嘀”、“嘀嘀嘀”……的清脆提示音。图4电路中采用了一块CMOS四2输入与非门电路CD4011,D1、D2以及D3、D4分别组成两个门控多谐振荡器,前者振荡周期为2s,后者振荡周期为330ms,且后者受前者D2输出端④脚的控制,前者又受控制端EN电位控制。当EN端无控制电压时,电路停振,无声;当EN端有正控制电压时,电路起振,两个多谐振荡器共同作用的结果,使D4输出端⑩脚输出每三个正脉冲为一组的断续方波,经VT1驱动HA发声。HA为自带音源讯响器。
5.音乐声光报警源电路

图5是可以发出悦耳的音乐声和醒目的闪烁光的声光报警源电路。IC1为KD9300系列(也可用其它型号)音乐集成电路,其触发端TRI直接接至电源正极,通电即响。IC2为NE555时基电路,与外围元件一起构成多谐振荡器,驱动发光二极管VD2闪光。VT1为控制开关管,当控制端EN光控制信号时,VT1截止,电路不工作;当EN端接有高电平控制信号时,VT1导通,IC1和IC2得电工作,发出声、光报警信号。稳压管VD1的作用是降低IC1的供电电压以满足工作要求。若将IC1换成语音集成电路,则可发出语音报警信号。
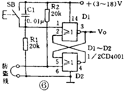
6.断线式防盗报警探测电路

图6为采用CMOS或非门构成的断线式防盗报警探测电路。或非门D1、D2构成RS触发器,⑥脚为置“1”的S端,①脚为置“0”的R端。防盗线实际上是一根极细的漆包线,用它将需要防盗的区域围起来,或缠绕在需要防盗的物品上。正常状态下,防盗线将⑥脚接地,①脚经R1接地,电路输出端③脚输出信号V\(_{o}\)=0。电容C1的作用是保证每次接通电源时Vo=0。当有盗贼闯入或偷盗物品而碰断防盗线时,⑥脚在上拉电阻R2的作用下变为高电平,使电路置“1”,V\(_{o}\)变为高电平,触发后续电路发出报警信号。由RS触发器特性可知,此时即使盗贼重新接好防盗线也不可能使报警声停止,直至停止按钮SB被按下时,报警声才会停止。
7.短路式报警探测电路

图7为短路式报警探测电路,由CMOS或非门D1、D2构成单稳态触发器,输出脉宽约3.2s。平时,电路处于稳态,输出端V\(_{o}\)=0,无控制信号输出。当A、B两点间所接探头被短路时,单稳态触发器被触发进入暂态,输出端Vo为高电平,控制后续报警音源电路发出报警声,每触发一次,报警3.2s左右。由于CMOS或非门电路输入阻抗极高,且D1的①脚下拉电阻R1阻值很大,因此,A、B两点间所接探头的短路电阻≤600kΩ均能可靠触发。该电路配以不同探头可制作成不同用途的报警器。例如:(1)用小块印板制成图7(a)所示形状探头,可作下雨报警、婴儿尿湿报警;(2)按图7(b)制作带风叶的探头,可作大风报警、水平物倾斜报警、地震报警;(3)用双股绝缘导线制成图7(c)状作探头,可作水塔或洗衣机的水位报警等。
8.光照不足报警探测电路

图8是采用CMOS反相器构成的光照不足报警探测电路,可用于保护中、小学生的视力,当光照不足时,该电路即输出一控制信号,触发后续电路发出报警声,提醒看书或做作业的学生开灯或转移到光照充足的地方,以免造成视力下降。R2为光敏电阻,其阻值与光照强弱成反比,即光照越强,阻值越小。光照充足时,R2阻值很小,R2上压降很低,D1输出为“1”,D2输出为“0” ,无控制电压输出。当光照不足时,R2上电压降增大至D1输入阈值以上,D1输出变为“0”,D2输出变为“1”,输出高电平控制电压触发后续电路报警。调试时,在临界正常光照下,调R1使④脚刚刚变为高电平,固定R1即可。
9.温度报警探测电路

图9(a)是采用运算放大器构成的高温报警探测电路,当被测温度高于设定值时,送出报警控制信号。运放IC1作为电压比较器,其正输入端接基准电压,基准电压由R2、RP分压取得。IC1的负输入端接热敏电阻RT,RT阻值与温度成反比,温度越高,阻值越小,RT上压降也越低。随着温度的上升, RT上压降(即IC1负输入端电位)不断下降,当降至基准电压值以下时,比较器输出V\(_{o}\)由0变为高电平,触发后续报警电路报警。调节RP可改变基准电压值,亦即改变了温度设定值。R3、R4的作用是使电压比较器具有一定的滞后特性,工作更为稳定。如将热敏电阻RT与R1互换位置,如图9(b)所示,则可构成低温报警探测电路,当被测温度低于设定值时报警。
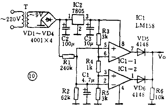
10.电源过压、欠压报警探测电路

图10是监测交流220V电源电压的过压、欠压报警探测电路,当电网电压大于240V或小于180V时,电路输出高电平控制信号V\(_{o}\),触发后续报警音源电路报警。IC1采用一块双运放,构成窗口电压比较器,其中IC1-1为上门限电压比较器,其负输入端接2.86V基准电压;IC1-2为下门限电压比较器,其正输入端接2.14V基准电压;两电压比较器输出端由VD5、VD6、R6组成的或门输出。电网电压取样电路包括220:9电源变压器、整流桥、分压取样电阻R1和R2等,R2上的取样电压同时送至IC1-1的正输入端和IC1-2的负输入端。如果电源变压器T的变压比不是220:9,则需重新调整R1与R2的比值。 (门宏)