一、光控电路
图1是采用555时基电路构成的光控电路,其中:(a)为正逻辑控制电路,即有光照时输出为高电平(+5V),无光照时输出为低电平(0V);(b)为负逻辑控制电路,即有光照时输出为低电平(0V),无光照时输出为高电平(+5V)。光电二极管VD1作光照检测、转换用,将可见光或红外光信号转换成电信号。IC1采用NE555时基电路构成施密特触发器,对接收到的光电信号进行整形和功率放大以驱动后续电路,驱动电流达200mA,可直接驱动继电器或直流微型电机。R2C1积分电路的作用是滤除干扰脉冲。电源电压范围+(4.5~15)V。调试时,根据用途需要,调节R1,使电路有适当的灵敏度。
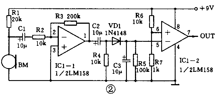
二、声控电路

图2采用双运放LM158构成的声控电路,包括拾音、放大、整流滤波、电压比较、驱动输出等单元。输出端OUT平时(无声音信号时)为0V,当接收到声音控制信号时则OUT端为+9V。声音控制信号可以是击掌声、口哨声、喊叫声、敲打声等任何声音。IC1-1构成200倍电压放大器,将微型驻极体话筒BM接收到的声音控制信号放大到一定幅值,经VD1整流、C3滤波后送入IC1-2构成的电压比较器。电压比较器的基准电压取自R6、R7的分压点,约0.8V。无声时,IC1-2⑤脚电压约为0V,小于⑥脚基准电压,输出端OUT=0;有声音控制信号时,⑤脚电压>⑥脚基准电压,OUT=+9V。调试时,调节R3,改变IC1-1的电压增益,使接收灵敏度符合要求;也可通过调节R7,适当改变IC1-2的基准电压,以兼顾灵敏度和抗干扰的要求。电源电压范围+(4.5~15)V。IC1也可选用其它型号的双运放。
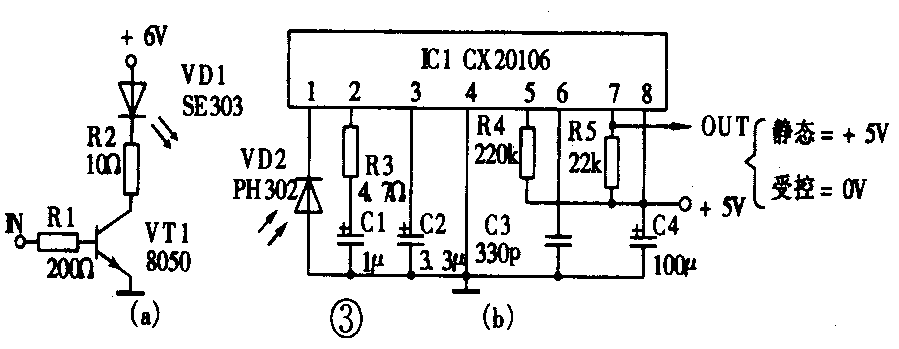
三、红外线遥控发射/接收电路

图3是红外线遥控发射/接收电路,其中(a)是发射电路,(b)是接收电路。发射电路采用SE303红外发射二极管,由VT1驱动,调制信号由IN端接入。调制信号可以是40kHz方波信号(单路控制),也可以采用数字或脉冲编码信号,以实现多路控制。发射电源电压可根据需要在+(3~15)V范围内选择,一般与调制电路取相同值。接收电路采用了专用集成电路CX20106,内部包含放大、限幅、解调、整形等单元电路,中心接收频率f\(_{0}\)=30~60kHz,典型值为40kHz。光电二极管VD2接收到的红外信号由①脚送入IC1,经放大、解调处理后,由⑦脚输出,送往后续解码或执行电路。调试时,首先调节接收电路中的R4,使准确接收发射部分发出的红外信号;然后调节R3,使电路有适当的接收灵敏度。本电路遥控距离约为8m。
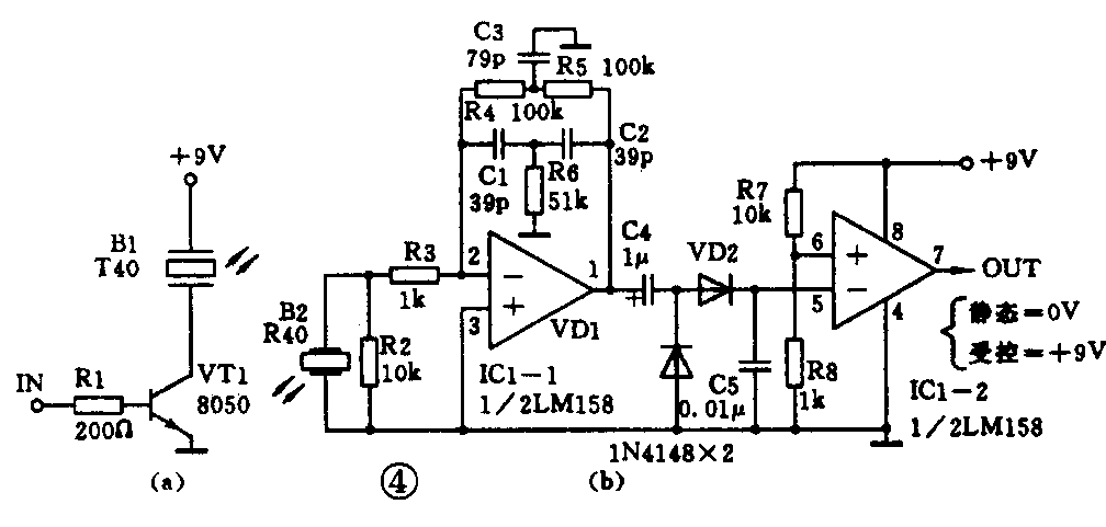
四、超声波遥控发射/接收电路

图4为超声波遥控发射/接收电路,超声波工作频率40kHz,遥控距离为5~10m。其中:(a)为超声波发射电路;(b)为超声波接收电路。发射的驱动/调制信号由IN端接入,如作单路遥控可采用40kHz连续方波作驱动信号;如作多路遥控则应由IN端输入经编码处理的40kHz方波。发射电路电源电压可根据驱动/调制电路的要求,在+(3~18)V范围内选取。图4(b)接收电路中,集成运放IC1-1构成选频放大器,其工作频率40kHz。晶体换能器B2接收到的40kHz超声波控制信号,经IC1-1选频放大器放大后,由VD1、VD2倍压整流、C5滤波后,送入IC1-2电压比较器进行比较放大,由⑦脚输出至后续解码电路或执行电路。IC1-2电压比较器基准电压由R7、R8分压确定,约0.8V,调节R8可改变基准电压,使接收灵敏度较高且无明显误动作。晶体换能器采用UCM-T/R4O型超声波传感器,B1(T40)为发射器,B2(R40)为接收器。
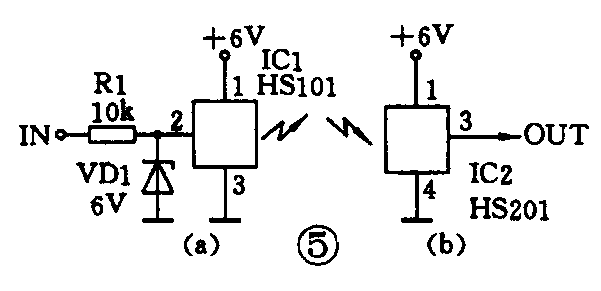
五、无线电遥控发射/接收电路

图5是无线电遥控发射/接收电路,采用内藏天线式无线电发射/接收模块。图(a)是发射电路,采用发射模块HS101,发射频率280MHz,工作电源电压范围+(1.5~18)V,工作电流约4mA,射频输出功率10mW。调制信号由IN端引入,调制信号电压范围+(1.5~6)V,当电路电源电压>6V时,应按图示在IC1输入端即②脚接入稳压管VD1,将调制电压限制在6V之内;当电路电源电压≤6V时,可省略VD1不用。图(b)是接收电路,采用接收模块HS201,其内部包含有超高频接收、解调、放大、整形等电路,接收频率280MHz,工作电源电压+6V,守候电流1mA。当接收到IC1发出的280MHz无线电信号时,IC2将由③脚OUT端输出经解调后的原调制信号,送往后续解码电路或执行电路。本电路遥控距离与发射头工作电压有关,为10~100m,工作电压越高,有效遥控距离越远。由于采用了发射/接收模块,因此本电路具有体积小、功耗低、遥控距离远、制作极易、无需调试的特点。
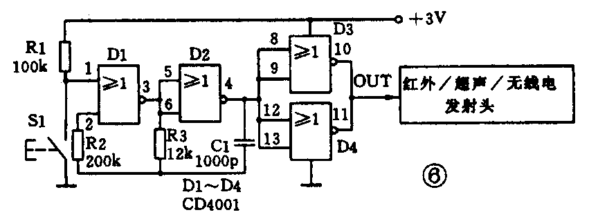
六、CMOS单通道调制电路

图6是采用CMOS或非门电路构成的单通道遥控发射调制电路。或非门D1、D2组成可控自激多谐振荡器,振荡频率40kHz。D1的①脚为控制端,当其为高电平(+3V)时,电路停振;当其为低电平(0V)时,电路振荡。S1为控制按钮,按下S1,D1的①脚即为低电平,电路起振,输出40kHz、占空比为50%的连续方波。改变R3或C1,可改变电路振荡频率。或非门D3、D4构成缓冲驱动级,采用两个或非门并联形式,目的是提高CMOS电路的驱动能力。电源电压范围+(3~18)V。一般取电源电压与后续发射电路一致,以简化电路。
七、555单通道调制电路

图7是采用555时基电路构成的单通道遥控发射调制电路。555时基电路接成无稳态电路,振荡频率40kHz,由③脚输出占空比为50%的连续方波去调制发射电路。控制按钮S1控制强制复位端MR-电位,按下S1,MR-端(④脚)为高电位,电路起振。调节R3,可微调振荡频率。电源电压范围+(4.5~15)V。
八、四路编/解码电路

图8是采用VD5026/VD5027集成编/译码器构成的遥控编/解码电路,具有4个独立的控制通道,可通过红外线、超声波或无线电发射/接收信道实现4路遥控,具有低功耗、高性能、可靠性高的特点。图(a)为编码电路,VD5026码器的⑩脚为4位数据码输入端,分别由控制按钮S1、S2、S3、S4控制。脚之间外接振荡电阻R5,其阻值大小决定了编码器的工作频率。编码信号由脚输出,去调制红外线、超声波或无线电发射电路。图(b)为解码电路,采用VD5027译码器,红外线、超声波或无线电接收头接收到的控制信号由送入VD5027解码,解出的数据由⑩脚输出,同时脚输出一个与发送信号同步的脉冲信号。R6为外接振荡电阻,应与编码电路相一致。IC3的作用是产生脉冲输出信号。当按下编码电路的S1(或S2、S3、S4)时,相应的解码电路的输出端D1(或D2、D3、D4)为高电平,D1~D4为锁存输出,D1′~D4′为脉冲(非锁存)输出。电源电压可用+(3~6)V。
九、六路编/解码电路

图9是六路遥控编/解码电路,采用专用集成电路LC2190/LC2200,具有操作方便、工作可靠、抗干扰性强、功耗低的特点,利用其与相应的发射/接收头相配合,可方便地实现红外线、超声波或无线电的六路遥控。图(a)编码电路的核心是LC2190,内部包含振荡、定时、编码脉冲产生、控制、输出驱动等单元电路。
R1、C1为外接阻容振荡元件,典型振荡频率为80kHz,经内部分频器二分频,由OUT端输出的是占空比为50%、频率为40kHz的脉冲方波。S1~S6为六路控制按钮,当某个按钮被按下时,内部电路便按预定模式对40kHz方波进行相应的脉冲编码。该编码电路电源电压可取+(3~6)V,静态电流仅1μA。VD3作工作指示用。图(b)为解码电路,由译码器LC2200构成,红外线、超声波或无线电接收头接收到的遥控信号由脚输入。电路具有D1~D6六路互相独立的输出,输出为自锁方式,即具有双稳态性质,当编码电路的S1(或S2~S6)被按下时,相应的解码输出端D1(或D2~D6)的输出状态翻转一次。解码电路电源电压范围+(3~9)V,静态电流5μA,每路输出驱动电流约2mA。
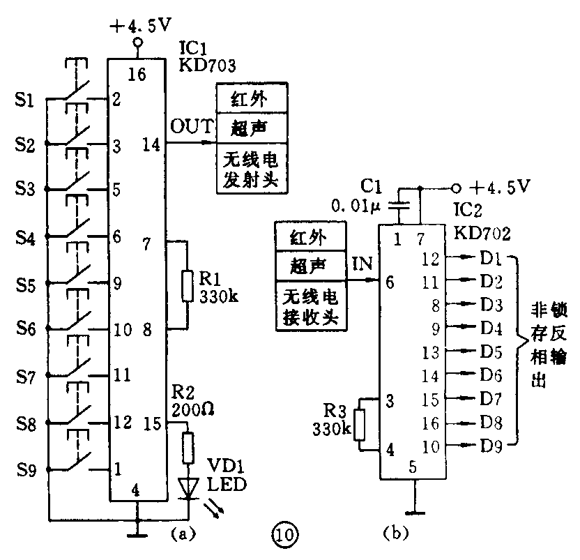
十、九路编/解码电路

图10是采用专用编/译码器KD703/KD702设计的九路编/解码电路,其显著特点是外围电路极为简单。图(a)是编码电路,由KD703编码器构成,R1为外接振荡电阻,适当改变R1阻值可微调电路振荡频率,应注意编/译码电路的振荡频率必须保持一致,即R1、R3应等值。S1~S9为控制按钮。VD1是工作指示发光二极管。图(b)是采用KD702译码器的解码电路,具有D1~D9九路输出端,输出方式为九路互相独立的非锁存反相输出,即D1~D9平时为高电平,收到相应控制信号时为低电平。S1~S9与D1~D9具有一一对应的关系。R3是解码电路振荡电阻。本编/解码电路电源电压范围+(3~5)V,静态电流1~10μA,工作电流2mA,解码输出端(D1~D9)吸收电流1mA。 (门宏)
