1.桥式正弦波振荡电路
图1是采用运算放大器构成的文氏电桥式正弦波振荡电路,它容易起振,输出波形较好,改变振荡频率也较为方便。由于集成运放具有极高的输入阻抗和很大的开环增益,所以比采用分立元件构成的振荡电路具有更高的性能。同步改变R1、R2及C1、C2,可改变电路振荡频率f\(_{0}\),图1所示数据f0=1kHz。IC1可选用LM318、LF351、TL081等运放。电源电压范围±(5~15)V。如电路不起振,可适当调节R4、R5。

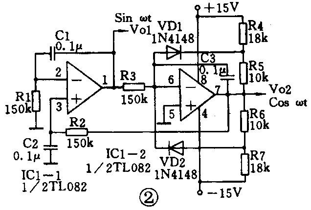
2.正交正弦波振荡电路
图2是采用双运放构成的正交正弦波振荡电路,它的突出优点是可以同时得到正弦波和余弦波输出,性能也比较好。IC1-1和IC1-2分别构成同相输入积分器和反相输入积分器,在V\(_{0}\)1和V02端分别输出正弦振荡信号和余弦振荡信号。图2电路所示数据f\(_{0}\)=100Hz,该电路最低振荡频率可达20Hz以下。IC1可采用TL082、LF353、LM158等双运放。电源电压范围±(5~15)V。调整时,使R2稍大于R1,电路起振,由限幅二极管VD1、VD2将振幅稳定在一定数值。

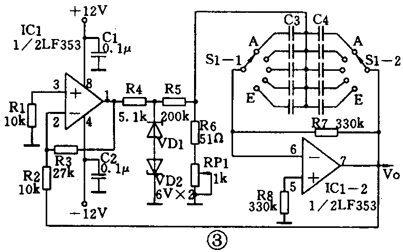
3.可变频率正弦波振荡电路
图3是采用双运放构成的频率可连续改变的正弦波振荡电路,振荡频率范围为18Hz~38kHz,分为5挡连续可调,失真度<1%。这是一个典型的单T网络振荡器,与文氏电桥振荡器相比,具有易起振、振荡幅度大、波形好、连续改变频率方便的优点(调节频率只需使用单联电位器,而文氏电桥振荡电路则需使用双联电位器)。图3中,S1是频率波段开关,RP1是频率调节电位器。RP1滑臂移至最上端时振荡频率高,移至最下端时振荡频率低。为保证电路能可靠地振荡,采用了稳压二极管VD1、VD2进行限幅,使输出振幅稳定。改变R5的阻值,可调节输出振幅和稳定度。

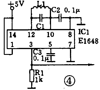
4.高频正弦波振荡电路
图4是采是单片振荡集成电路E1648构成的高频正弦波振荡电路,它具有电路简单、容易起振、振荡频率范围宽、频率稳定度高的特点。E1648内部设计有输出缓冲电路,可将负载与振荡回路很好地隔离,减小了负载对振荡回路的不良影响。最高振荡频率可达225MHz,且受环境温度的影响很小,振荡频率的温度稳定度约为3×10\(^{-}\)4/℃。

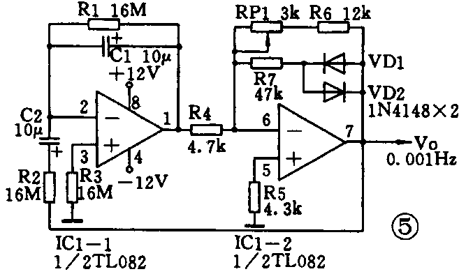
5.超低频正弦波振荡电路
图5是采用双运放构成的超低频正弦波振荡电路,振荡频率低至0.001Hz。一般文氏电桥振荡电路,因为运放输入电阻的限制,R、C取值不能无限制地增大,所以不可能振荡在极低的频率。为解决此问题,图5超低频正弦波振荡电路将并联的R、C支路改接到运放的反馈支路上,减小了运放输入电阻的影响,实现了超低频振荡。为稳定振幅,采用了两只反相并联的二极管VD1、VD2,利用其非线性进行稳幅。当振幅变大时,VD1//VD2内阻减小,(VD1//VD2)+R7支路与RP1+R6支路的并联值亦减小,IC1-2放大倍数下降,使振幅变小;反之,当振幅变小时,VD1//VD2内阻增大,使IC1-2放大倍数上升,使振幅变大;最终结果,是使振幅稳定。同步改变R1、R2及C1、C2,可改变振荡频率。若取图5所示元件参数时,f\(_{0}\)=0.00lHz,非线性失真约为0.3%。

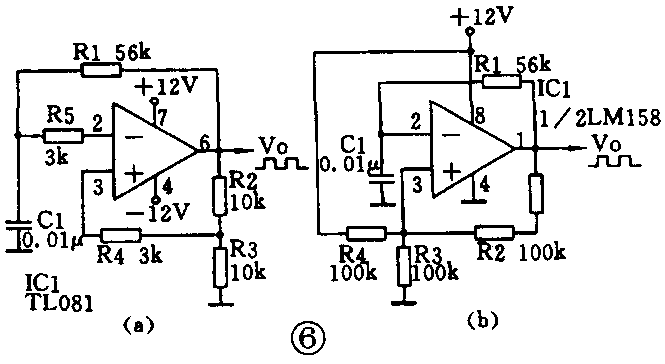
6.方波发生器
图6是采用集成运放构成的方波发生器电路,它能输出占空比为50%的方波信号。其特点是:(1)调节振荡频率方便,改变R1及C1即可改变振荡频率;(2)频率稳定度高,温漂小,振荡频率仅与R1、C1有关,而与所用运放的特性无关;(3)输出幅度大,可达正、负电源电压值。图6中,(a)为双电源电路,(b)为单电源电路。(a)的电源电压范围为±(2~15)V,电路(b)的电源电压范围为+(5~30)V。

7.占空比可调的方波发生器
图7是采用555时基集成电路构成的占空比可调的方波发生器电路。该电路输出的方波信号,占空比可在10%~90%之间连续调节,RP1为占空比调节电位器,当其滑臂向左移动时,占空比随之减小,当滑臂到达最左端时,占空比为10%;当滑臂向右移动时,占空比随之增大,当滑臂到达最后端时,占空比为90%;RP1应选用线性电位器。该电路T=8.5ms,f\(_{0}\)=120Hz,改变R1、R2、RP1及C1,可改变振荡频率。电源电压范围为+(4.5~15)V。

8.三角波发生器
图8是采用双运放构成的三角波发生器电路。IC1-2构成一个积分器,IC1-1构成一个带正反馈的电压比较器。电阻R1、R2组成分压电路,R2同时是IC1-1电压比较器的正反馈电阻。图8中,V\(_{0}\)2端同时输出占空比为50%的方波信号。电源电压范围±(5~ 15)V。

9.锯齿波发生器
图9为双运放TL082构成的锯齿波发生器电路。它是在上例三角波发生器电路的基础上增加了VD1和R4而成。当比较器IC1-1输出为负电压时,VD1截止,C1经R3缓慢放电(因R3较大)。如将二极管VD1反接,则获得上升时间快、下降时间慢的反向锯齿波。

10.CMOS晶体振荡器
图10是采用CMOS反相器构成的晶体振荡器,振荡频率f\(_{0}\)=32.768kHz,它具有频率稳定、线路简单、容易起振的特点。该晶体振荡器V01端输出波形近似正弦波,经反相器D2整形后成为方波(V\(_{0}\)2端)。更换不同的晶体,可得到不同的振荡频率。 (门宏)
