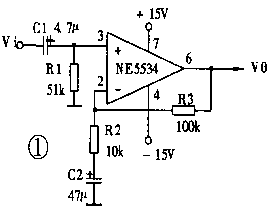
一、运放电压放大器
图1为采用NE5534运放设计的电压放大器,电压增益为20dB(10倍),输入阻抗为51kΩ,最大输出V\(_{P}\)-P=±12V。电源电压可根据需要在±(9~18)V范围内选取。改变R3可改变电压增益,电压放大倍数为R3/ R2。

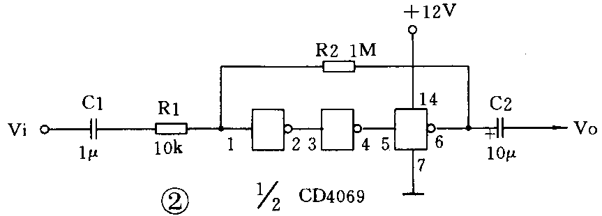
二、CMOS电压放大器
图2为采用三个CMOS非门构成的电压放大器,电压增益为40dB(100倍)。CMOS电压放大器的特点是线路简单、增益高、输入阻抗很高。单电源供电,电源电压取值范围较宽(3~18V)。电压放大倍数为R2/R1。

三、磁头放大器
图3为采用NE5532双运放设计的高保真磁头放大器,它具有标准的放音补偿曲线,τ\(_{1}\)=3300μ s,τ2=116μs,315Hz时的电压增益为51dB(360倍)。输入端接有高频补偿电路。重放频响f=20Hz~20kHz。输入阻抗51kΩ,输入灵敏度V\(_{i}\)≤-75dBV(0.18mV),输出电平Vo=20~80mV。R声道外围电路与L声道相同。电源电压范围为±(9~18)V。

四、话筒放大器
图4为NE5534运放构成的话筒放大器,电压增益为33dB(47倍),适用于一般动圈话筒,输出电平Vo=20~80mV,电源电压范围为±(9~18)V。本电路的运放也可用TL081、LF356等。如需改变电压增益,改变R3即可,电压放大倍数为R3/R2。

五、单3.5W功率放大器
图5为采用LA4265组成的OTL功率放大器,额定输出功率为3.5W,电压增益为50dB(310倍),满功率输出时的输入信号V\(_{i}\)=17mV。电源电压可根据需要在9~24V范围内选取。

六、BTL功率放大器
图6是采用双功放集成电路TA7232P构成的BTL功率放大器,额定输出功率为5.5W,电压增益为45dB(180倍),满功率输出时要求输入信号V\(_{i}\)=26mV。BTL电路的最大特点是可在较低的电源电压下获得较大的输出功率。电源电压范围为3.5~12V。

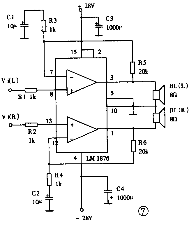
七、双20W功率放大器
图7是采用单片高保真音频功放集成电路LM1876设计的立体声功率放大器,最大不失真输出功率为2×20W,电压增益为26dB(20倍),通道分离度为80dB,满功率输出时要求输入信号V\(_{i}\)=603mV。电源电压为±(20~35)V,推荐电源电压±28V。

八、100W功率放大器
图8是用AMP1100傻瓜功放块组成的功率放大器,最大输出功率100W,电压增益为30dB(30倍),输入阻抗为47kΩ,满功率输出时的输入信号V\(_{i}\)=940mV。电源电压范围±(30~38) V,推荐电源电压±33V。采用两块AMP1100,可组成2×100W立体声功率放大器。(门宏)
