一、3V整流滤波电源
(门宏)图1所示电源电路可输出+3V、500mA的直流电源。VD5是电源指示灯,该电路简单易制,效率较高。缺点是输出电压V\(_{0}\)会随负载大小而上下波动,不够稳定。如需改变输出电压V0,则需改变电源变压器T的次级电压。VD5的限流电阻R亦应同时改变。

变压器功率P\(_{T}\)≥2V0I\(_{0}\)(W)
限流电阻值 R=(V\(_{0}\)-2)V/5mA(kΩ)
二、6V稳压电源
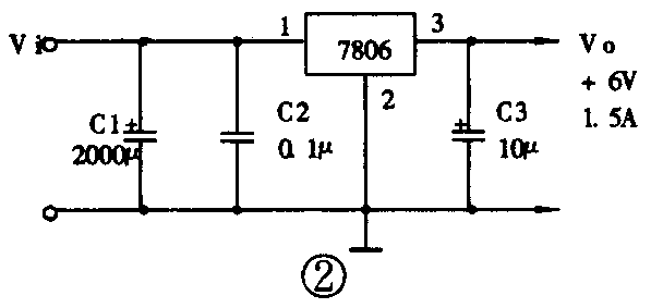
图2是采用三端集成稳压器7806组成的稳压电源电路,输出电压V\(_{0}\)稳定在+6V。输出电流I0>500mA时,7806应加散热板。78××系列集成稳压器具有5V、6V、9V、12V、15V、18V、24V等多种规格,可构成不同输出电压的稳压电源。因集成稳压器具有一定的压降,故其输入直流电压V\(_{i}\)至少要比输出电压V0高3V。

三、±18V稳压电源
图3是采用7818和7918组成的±18V稳压电源电路,最大输出电流可达1.5A(加散热板)。采用不同稳压值的78××和79××系列稳压器,可构成不同输出电压的正、负对称稳压电源。输入直流电压V\(_{i}\)的绝对值至少应比输出电压V0的绝对值高3V。

四、±15V有源伺服电源
图4为±15V高精度有源伺服稳压电源,有源伺服环节采用LF353型双运放。若需输出其它电压值,换用相应的78××、79××系列稳压器即可。为保证稳压精度,输入电压V\(_{i}\)的绝对值应高于输出电压V0的绝对值8V以上。

五、输出可调稳压电源
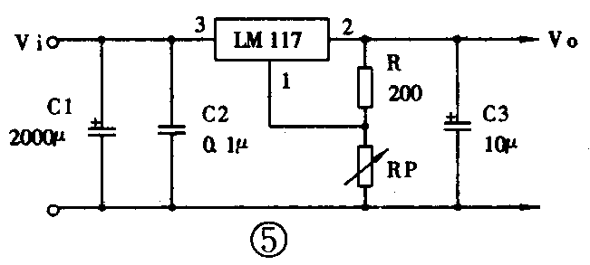
图5是采用三端可调稳压器LM117组成的输出电压可调稳压电源。调节RP,输出电压V\(_{0}\)可在1.25V~37V范围内改变。最大输出电流为1.5A(加散热板)。
V\(_{0}\)=1.25(1+RP/R)V
V\(_{i}\)≤40V

六、正、负对称输出可调稳压电源
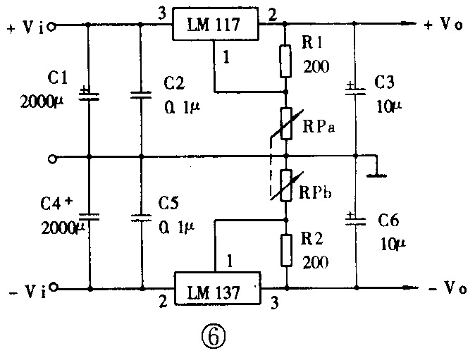
图6是LM117和LM137构成的正、负对称输出电压可调稳压电源。调节RP,±V\(_{0}\)可在±(1.25~37)V范围内变化。最大输出电流为1.5A(加散热板)。
±V\(_{0}\)=±1.25(1+ RP/R1)V
|V\(_{i}\)|≤40V

七、开关稳压电源
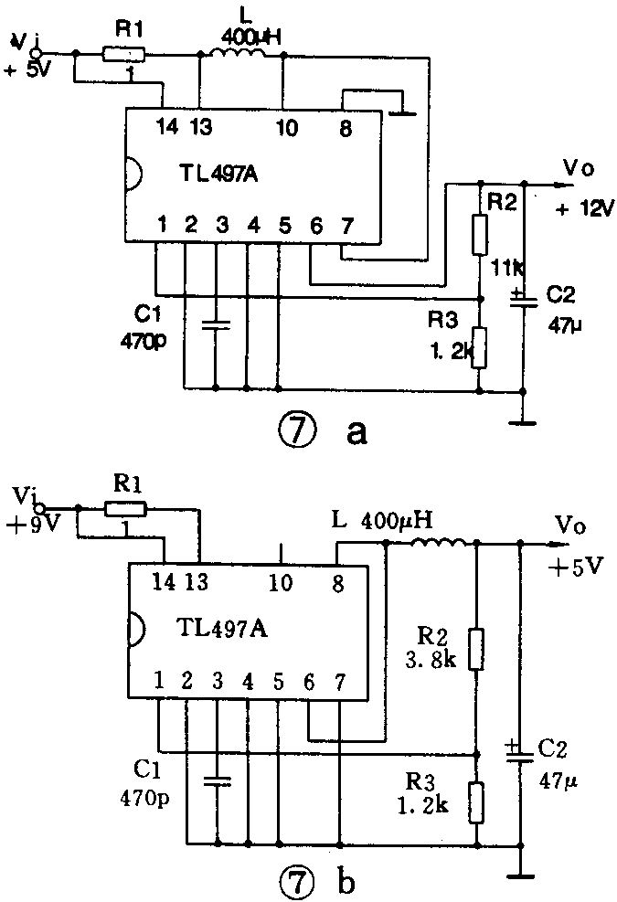
开关稳压电源具有体积小、效率高的突出优点。图7是采用频率调制型开关稳压器TL497A构成的开关稳压电源,最大输出电流I\(_{PK}\)=500mA。图7a用于升压;图7b用于降压。Vi取值范围:1.2V~12V;V\(_{0}\)取值范围:1.2V~30V; R2=(V0- 1.2)kΩ

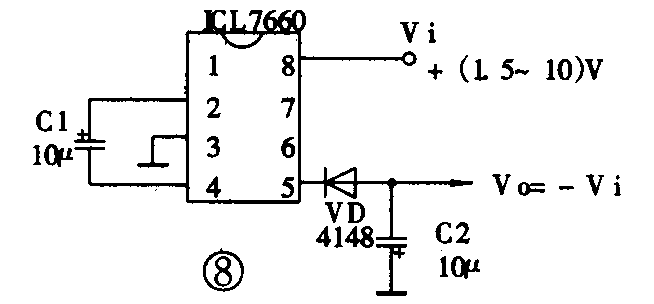
八、电压极性变换电路
图8是ICL7660构成的直流电压极性变换电路,可产生与输入电压V\(_{i}\)相等的负电压输出,输出阻抗为100Ω。Vi可取1.5V~10V,当V\(_{i}\)<6.5V时,VD可短接不用;当Vi<3.5V时,ICL7660的第6脚应接地。

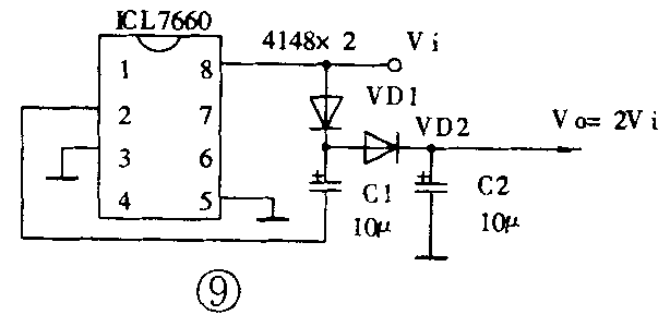
九、直流倍压电路
图9是采用ICL7660构成的直流倍压电路,忽略VD1、VD2的管压降,贝V\(_{0}\)=2Vi,V\(_{i}\)可取1.5V~10V。

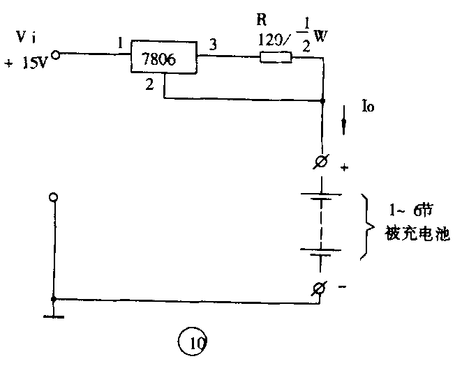
十.恒流充电电路

图10是采用三端稳压器和R构成的恒流源,它能为可充电池提供50mA的恒定充电电流,可以同时为1~6节电池(串联)充电。对于500mAh 容量的可充电池,充电时间为10~12小时。根据需要可以改变恒流电流I\(_{0}\)的大小。
I\(_{0}\)=78××稳压值/R