“智取明珠”是一种智力型电子游戏装置,游戏时由两人竞争,看谁足智多谋,最后夺得“明珠”。
电路原理
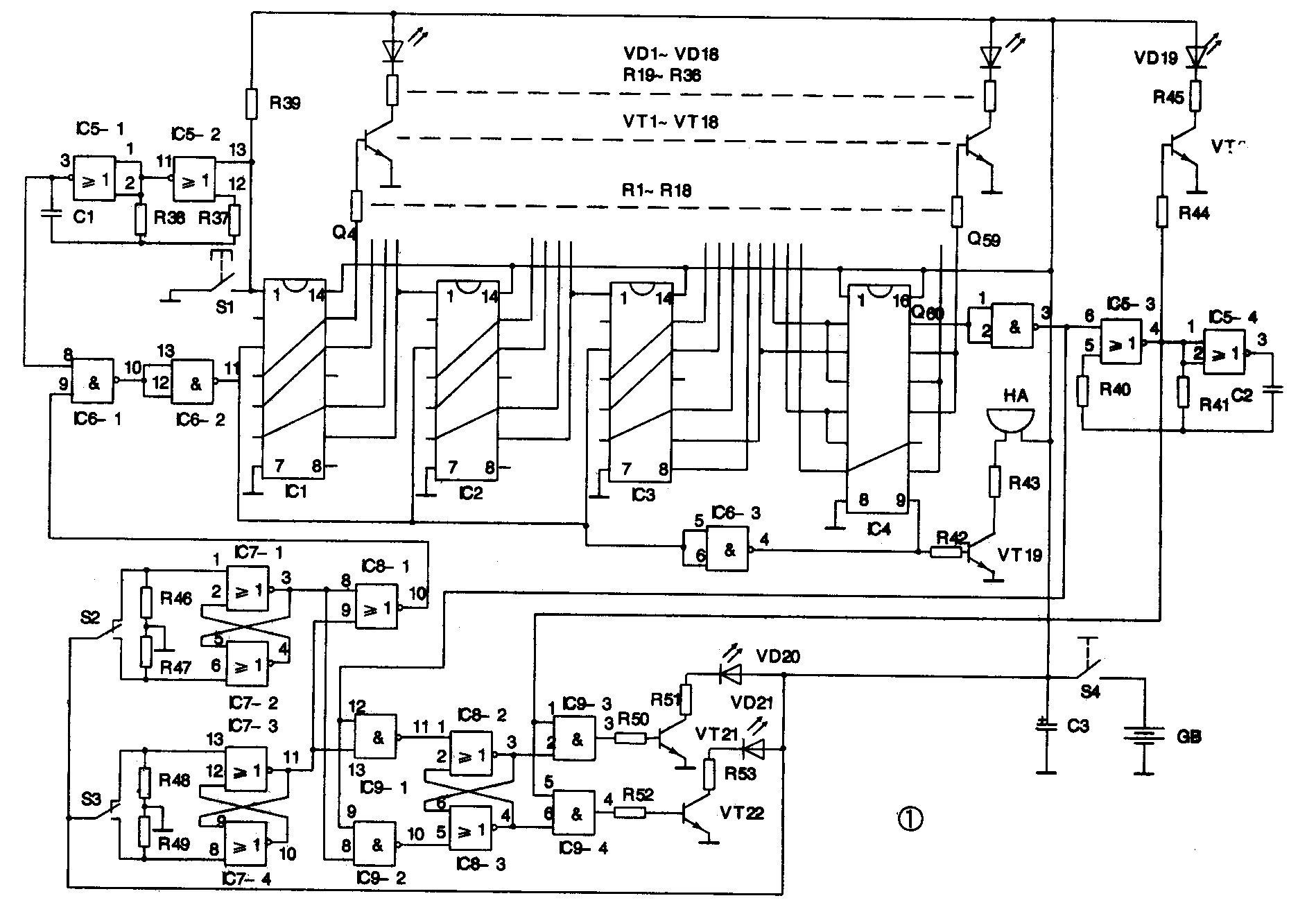
整机电原理图如图1所示,核心电路是由IC1~IC4构成的60位移位寄存器,每隔4~5位,以及最后的8位,接有18个发光二极管(VD1~VD18),作为状态指示。IC1的1脚为数据输入端,由R39为其提供“1”信号,在时钟脉冲cp的作用下向右移位,经60个cp后,在IC4的15脚输出“1”信号,使VD19(“明珠”)闪亮。游戏双方轮流按动S2、S3,经IC7构成的两个RS触发器消除抖动后,从IC8-1输出的信号即为时钟脉冲cp。每按动一下S2(或S3),讯响器HA即发声提示。最终当某一方按动S2(或S3)使VD19(“明珠”)闪亮时,则该方指示灯VD20(或VD21)亦同时闪亮,显示其为胜利者。IC5-1、IC5-2构成清零多谐振荡器,S1为清零按钮。IC5-3、IC5-4构成闪光多谐振荡器,为VD19、VD20、VD21提供闪光信号源。电路所用元器件的参数值见附表。


制作
焊接前元器件引脚要镀锡,焊接时要防止虚焊或相邻两脚相碰短路。因所用IC均为CMOS电路,为防止感应高电压造成损坏,焊接时电烙铁应接好地线。发光二极管VD1~VD21、开关和按钮S1~S4、讯响器HA直接固定在面板上(参见图2),用软导线与电路板连接好。

调试
整机焊接组装完毕,对照图1检查无误后,即可接通电源,按以下步骤调试:
1.示波器接IC5的10脚,按下S1,应能看到f=2.3kHz、V\(_{PP}\)=6V的方波信号。如无示波器,也可用高阻耳机接于10脚,应能听到2.3kHz的音频信号。松开S1,电路应停振。
2.示波器接IC5的4脚,用导线将IC5的6脚短路到地,应能看到f=3Hz、V\(_{PP}\)=6V的方波信号,同时VD19应闪亮。取消短路导线后,电路应停振,VD19熄灭。
3.按一次S1,所有发光二极管均应熄灭。
4.按动S2或S3累计59下时,VD1~VD18应全部点亮。第60下如是按动S2,则VD19和VD20闪亮;如是按动S3,则VD19和VD21闪亮。
5.按动S2或S3时,讯响器应发出声响。
以上步骤在实验时结果如有不符,应检查相应电路,主要原因多为虚焊、短路或元器件不良。
使用
“智取明珠”是一种两人对抗型智力游戏,外形如图2所示,面板上自外向内螺旋排列的VD1~VD18,分别指示的是第4、9、13、18、22、27、31、36、40、45、49、53、54、55、56、57、58、59位移位寄存器的输出状态,对游戏者作一定的提示,而又不是指示每一位移位寄存器的状态,增加了游戏的难度和趣味性。中间的大发光二极管VD19指示的是第60位(最后一位)移位寄存器的输出状态。S4为电源开关,S1为清零按钮,S2为甲方操作按钮,VD20为甲方胜利指示灯,S3为乙方操作按钮,VD21为乙方胜利指示灯。
游戏时,打开电源开关S4,先按一下S1进行清零,然后由甲、乙双方轮流按动自己一方的按钮,每次可按1~3下,同时讯响器发生相应的声响提示,看谁能通过巧妙的计算组合,使最后一下(第60下)落在自己手中,则“明珠”(VD19)会闪闪发光,自己一方的胜利指示灯(VD20或VD21)也会同时闪亮,显示自己已智取了“明珠”。(门宏)