电子爱好者在安装与调试电路时都可能犯这样的错误:刚做完了一个用12V供电的印制板调试,接着动手做下一个更有趣味的试验。不料刚一接通电源,就出现了意想不到的事故——原来这是一块供电电压不能超过5V的试验板,一时疏忽给它加上了12V电压,真是后悔莫及呀!
本文介绍的电路正是针对这一问题而设计的。每换做一个试验时,你都有可能忘掉先调节电源输出电压,但很少会忘记做完一个试验后便关掉电源。我们正是利用这一点实现了下述安全电源的设计。
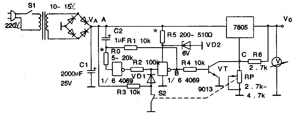
图1是这个安全电源的完整电路。如果忽略其它元器件,只看整流电桥、7805(三端稳压块)、电阻R6及电位器RP,读者会很容易看出这是一个大家熟悉的可调稳压电源。通过改变RP的阻值,就改变了R6和RP构成的分压器的分压比,也就是7805原接地端的电位,从而改变了7805的实际输出电压V\(_{0}\)。V0的近似值可以用公式来估算:V\(_{0}\)=5(1+RRP/R\(_{6}\))+IdR\(_{RP}\)≈5(1+RRP/R\(_{6}\))式中的RRP代表电位器RP当前被调定的阻值,I\(_{d}\)代表7805的漏电流。括弧外面的系数取5,是因为设计中使用了三端稳压集成电路7805,它的稳定输出电压为+5V。显然,如果RRP=0Ω,则V\(_{0}\)=5V;若把RRP调到0.9kΩ,则因R\(_{6}\)=2.7kΩ,所以RRP/R\(_{6}\)=0.9/2.7=\(\frac{1}{3}\),从而可算出此时的输出电压V0≈5(1+1;3)≈6.67V。

在图1的设计参数下,RP的标称值可为2.7kΩ~4.7kΩ,相应的最大输出电压将为10V~13.7V。但实际应用时,必须保证整流电桥的带负荷输出电压VA至少要比期望的稳压输出V\(_{0}\)高出2V~4V。
下面分析安全电源的核心即开机复位控制电路。
每次开启电源时,一个正的冲击电压将通过电容C2加到由两个非门组成的自锁电路的输入端上。这个电压使第一个非门的输出变为低电位,这个低电位又迫使第二个非门的输出变为高电位(V\(_{B}\)),VB反回去又加到第一个非门的输入端,将V\(_{B}\)锁定在高电平上。高电平的VB通过R4又使晶体管VT导通,VT导通后的低内阻将电位器RP短路,即将C点接地。因此每次开机后,不论原先(上一次试验完毕后)将电位器RP调在什么阻值,7805的输出电压(对地)都是5V。这就保证了即使任意换接了一块试验板,充其量只加了5V电压,一般就不会因电源电压过高而造成电路元器件损坏(如果想获得更低的初始输出电压,可将7805换成W117或W317,此时可从1.25V调起)。
通过跨接在电源输出端上的电压表,可以读出这个初始电压是否合适。如果达不到使用要求(例如需要6V或9V),可以将带·开·关·的电位器RP反时针方向转到0阻值,再稍稍用力转一下,使听到“嗒”的一声,这表示已经将原先一直闭合着的开关S2断开了。于是由V\(_{A}\)来的高电位将经过电阻R3及二极管VD1强加到第二块非门的输入端上,迫使其输出电压VB变为低电位,使晶体管VT截止,解除了它对电位器RP的旁路作用。此后,为了得到你所需要的供电电压,只需重新沿顺时针方向转动电位器RP(此时虽然开关S2又复接通,但由于二非门自锁电路的自锁作用,V\(_{B}\)仍会保持低电位。)直到输出电压达到预期要求为止。
笔者强调说明以下几点:
1.如果读者希望得到较宽的输出电压可调范围,固然可按前述公式估选较大阻值的电位器,同时还应提高整流滤波级在A点的输出电压V\(_{A}\),否则会事与愿违;到一定程度后,再继续调大电位器的阻值时,输出电压V0不仅不随着增大,反而还会回落!不过也不能过分增大V\(_{A}\)(当然是通过增加电源变压器的变比来实现),否则会加大7805的实际功耗,使其在高烧中“含冤丧命”。
2.电位器最好选用线绕式的,因为碳膜电位器在长期磨损后会导致接触不良,会使正在低压下正常工作的试验突然遭受到高压冲击而一命呜呼!
3.当所用的V\(_{A}\)过高(例如大于12V)时,应该在第一块非门的输入端串接一个限流电阻尼R0(5kΩ~20kΩ),以防其受电压冲击而损坏。
图中的其它元器件无特殊要求。VT最好选用9013等内阻较低的管子;稳压二极管VD2可选用6V的任何一种;电解电容C1的值根据电源的最大供电电流来选用,一般用2000μF/25V的已可满足大部分试验的需要;非门可选用CD4069六非门的任何两个非门担任。 (田进勤)