在无线电工程或业余制作中,常常需要使用多种仪器仪表,为此,笔者设计了这台无线电综合测量仪,它具有以下特点:(1)功能多,集交、直流电压表,交、直流电流表,欧姆表,晶体管β测试仪,数字频率计,电容电感测量仪,函数信号发生器,正、负直流稳压电源于一身;(2)测量范围宽;(3)测量精度高,电容、电感、频率的最小分辨率分别为1pF、1mH、1Hz;(4)显示直观易读,电压、电流、电阻、β各挡均为线性刻度,电容、电感、频率均为4位有效数字显示,(5)采用集成电路设计,电路结构简洁合理,工作稳定可靠。
技术指标
1.测量范围:
(1)交、直流电压:0.1mV~1000V,内阻3MΩ,共分11挡量程。(2)交、直流电流:0.1μ~1A,内阻O.01Ω/A,共分11挡量程。(3)电阻:0.1Ω~3MΩ,共分11挡量程。(4)晶体管β值:1~300。(5)电容:1pF~9999μF,共分3挡量程。(6)电感:1mH~9999mH。(7)频率:1Hz~9999kHz,共分2挡量程;输入灵敏度小于20mV。
2.测量误差:≤5%。
3.信号源:10Hz~100kHz,共分2挡,可输出方波、三角波、正弦波,输出电平可调。
4.电源:可外供±(1.2~30)V,1.5A,两路独立,连续可调。
电路工作原理
整机电路由模拟测量电路、数字测量电路、函数发生器和电源电路四大部分组成。
1.模拟测量电路部分
该部分包括测量交、直流电压,交、直流电流,电阻值及晶体管β值等功能,其电路图见图1。S1为量程选择开关,其各挡位Ω、V、A的满度值见表1。S2为测量选择开关。S3为交、直流选择开关。


该部分的核心已是由运放IC1构成的高输入阻抗(10MΩ)、高灵敏度(10mV)交直流两用电压表,微安表头PA接在IC1反馈回路中。其突出优点是表头内阻和整流二极管的温度特性对流过PA的电流无影响,保证了较高的测量精度。PA中的电流I\(_{PA}\)=Vi/R-,式中:Vi为输入电压;R-为IC1负输入端对地电阻,即R27(交流)或R28(直流)。该电压表设计为10mV满度(100μA),故测直流时R28=10mV/0.1mA=100Ω;测交流时,因PA反映的是正弦交流电的平均值,而常用量是有效值,需换算,故R27=0.9=10mV/0.1mA=90Ω。
测电压时,输入电压Vi经R3~R13构成的总阻值3MΩ的分压电阻串接地,通过改变10mV电压表从电阻串中截获电压的位置,即可实现不同挡位的电压测量。
测电流时,输入电流流经R14~R24构成的取样电阻串中的一节或多节,通过10mV电压表测量取样电阻上的压降,来间接测量电流。由于10mV电压表的高灵敏度,所以取样电阻阻值可选得极小(0.01Ω/A),对被测电路的影响几乎可以忽略。
电阻的测量采用了恒流测量法,VT1与R1或R2构成恒流源,提供1mA或1μA的恒定电流,通过测量该恒定电流在被测电阻Rx上的压降,即可间接测知Rx的电阻值。采用恒流法测电阻的突出优点是表头指示的电阻值为线性刻度,直观易读,并可与电压、电流挡共用刻度线。与普通万用表电阻刻度不同的是,阻值越大表头指针向右偏转角度越大,即0Ω在最左边(0V、0A位置),本量程最大阻值在最右边(满度)。
测晶体管β值时,由VT2恒流源(NPN管)或VT3恒流源(PNP管)向被测晶体管提供10μA基极电流,测量集电极电流即可得知其β值。
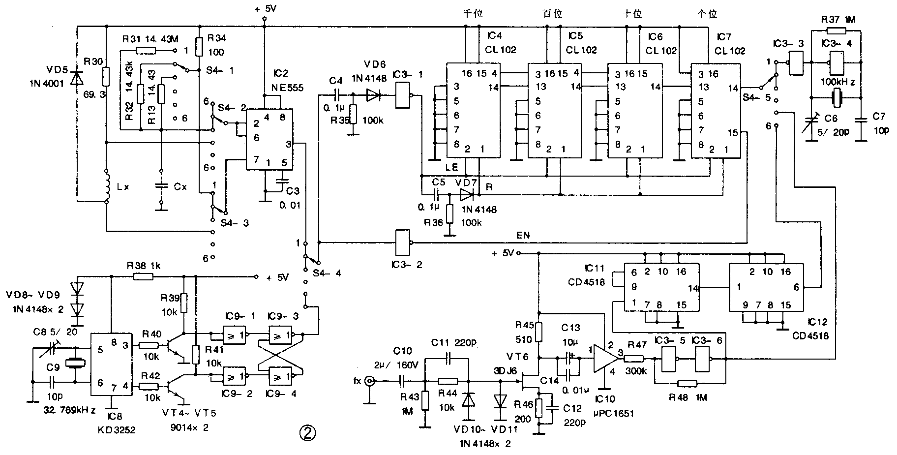
2.数字测量电路部分
该部分设计为4位有效数字显示,采用4块CMOS十进制计数/锁存/译码/驱动显示组合电路CL102构成,简化了接线,提高了可靠性。
IC8、IC9等组成秒脉冲发生电路,输出T\(_{1}\)=T0=1s的对称方波脉冲,经IC3-1、2以及C4、R35和C5、R36两套微分电路,形成包括EN(计数/保持)、LE(送数/锁存)、R(清零)等的闸门脉冲,去控制计数/显示电路,其波形如图3所示。

测频率时,被测信号fx经VT6、IC10、IC3-5、IC3-6放大整形后,送入计数/显示电路。IC11、IC12组成“÷1000”(三级10分频)电路,fx经“÷1000”电路分频后,计数显示值的单位即为kHz。
测电容、电感时,IC2与被测电容Cx或被测电感Lx构成多谐振荡器,其输出脉宽与Cx或Lx的值成比例关系。用该多谐振荡器的输出信号取代秒脉冲信号,形成与Cx或Ix相关的EN、LE、R等新的闸门脉冲,去对IC3-3、IC3-4产生的100kHz标准脉冲计数,即可直接显示出Cx或Lx的值。
3.函数发生器部分
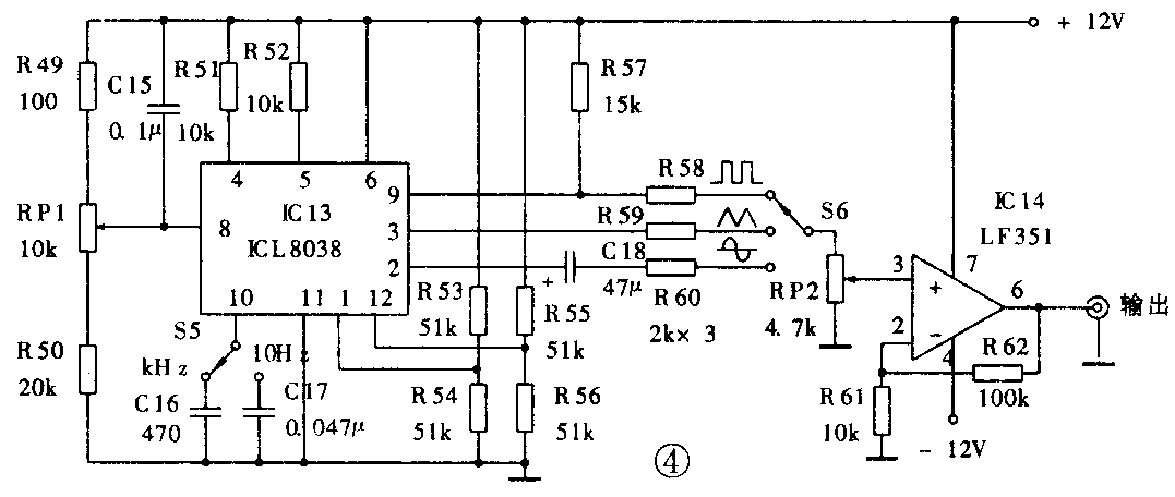
电路见图4,采用ICL8038专用集成电路,结构简洁,功能较全。产生的方波、三角波、正弦波信号经IC14放大后输出,提高了工作稳定性和输出电平。S5为频率粗调开关,RP1为频率细调,RP2为输出电平调节,S6为波形选择开关。

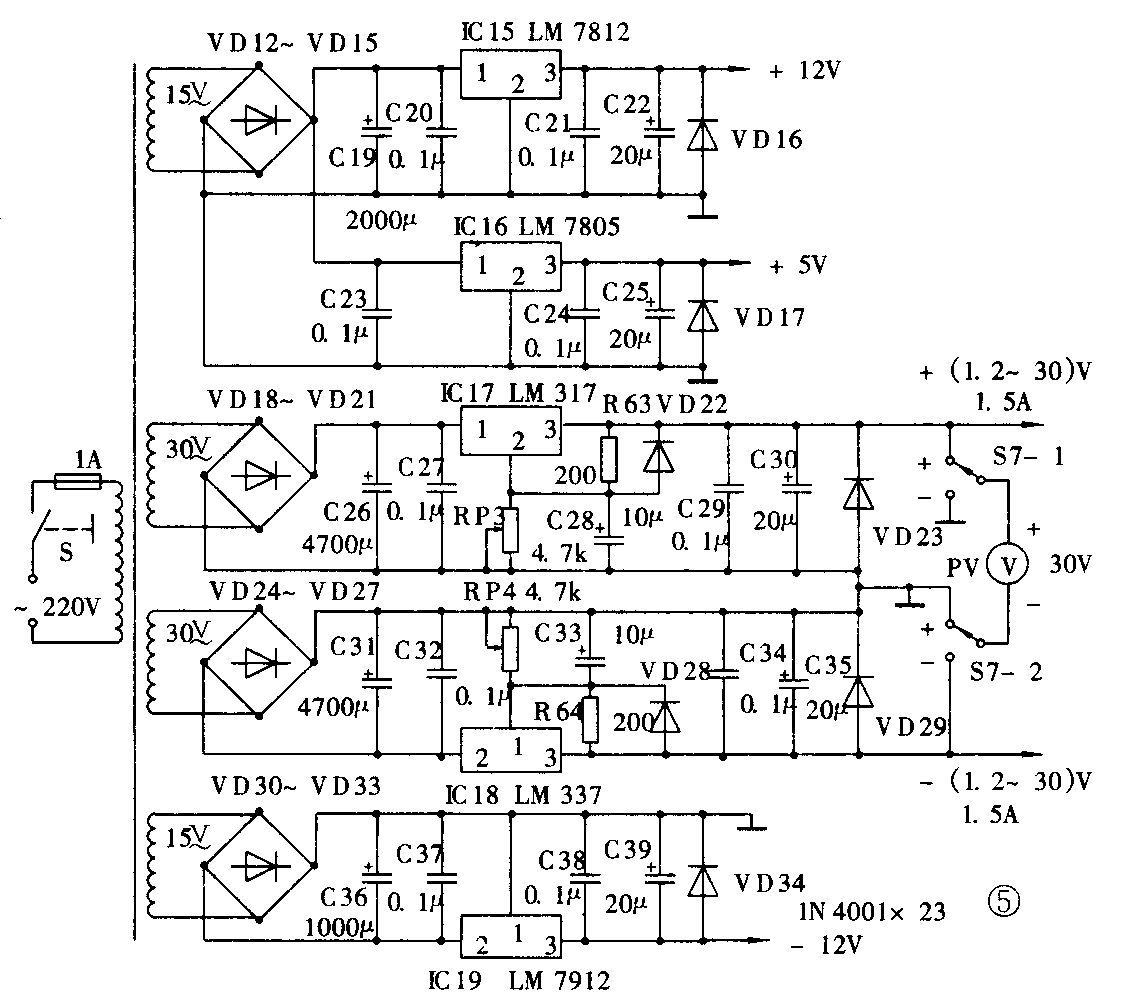
4.电源部分
电路图见图5,共产生正、负5种电源,其中:±12V、+5V供本机内部使用;±(1.2~30)V输出外供,电压连续可调,最大可供电流1.5A。RP3、RP4分别为正、负输出电源电压调节,S7为正、负电压指示选择开关。

制作与调试
1.元器件选择与自制
IC1、IC14为LF351或TL081单运放。IC2为NE555时基电路。IC3为CD4069六反相器。IC4~IC7为CL102十进制计数/锁存/译码/驱动显示组合电路。IC8为KD3252模拟石英钟电路。IC9为CD4001四2输入或非门。IC10为μPC1651宽带放大器。IC11、IC12为CD4518双十进制同步计数器。IC13为ICL8038函数发生器。IC15为LM7812正稳压器。IC16为LM7805正稳压器。IC17为LM317可调正稳压器。IC18为LM337可调负稳压器。IC19为LM7912负稳压器。PA为100μA电流表头,内阻不限。PV为30V直流电压表。电源变压器采用次级具有双30双15功率大于80W的。电阻R3~R13为1/2W,其余电阻均为1/4W。R20~R24等特小阻值电阻可用漆包线自制:R24用长约29cm的21号线(Φ0.8);R23用长约18cm的27号线(Φ0.4);R22用长约16cm的34号线(Φ0.23);R21用长约21cm的38号线(Φ0.14);R20用长约2cm的44号线(Φ0.08);以上线段均需用精密电桥准确测量阻值,然后对折绕成无感状即可。其余元器件的选择参见电路图。
2.制作
电阻串等与各波段开关相连的元器件直接焊在波段开关的引脚上,以减少有害杂散耦合。各信号输入、输出端应采用屏蔽线,以防干扰。4个计数/显示组合电路直接固定在面板上,数码面朝外。电源部分各集成稳压块需安装散热板。整机面板结构可参见图6。

3.调试
模拟测量部分:(1)S1置“1”挡,调R1使VT1源极对地电流为1mA;(2)S1置“6”挡,调R2使VT1源极对地电流为1μA;(3)调R25使VT2源极对地电流为10μA;(4)调R26使+12V对VT3电流为10μA;(5)S2置“V”挡,S1置“5”挡,S3置“直流”挡,表笔处输入1V电压,调R28使PA满刻度;(6)在上一步基础上,将S3改置“交流”挡,调R27使PA满刻度。
函数发生器部分:(1)调R51,使输出方波对称;(2)S5置“kHz”挡,RP1旋至最高端(动臂靠近R49),调R49使输出频率为100kHz;(3)RP1旋至最低端(动臂靠近R50),调R50使输出频率为1kHz;(4)反复调R54、R55,使输出正弦波失真最小。
其余部分无需调试。(门宏)

