(陈有卿)本文介绍一种新颖的声控音乐彩灯,它具有四路彩灯驱动功能,将彩灯在空间按一定规律排列可形成流水、追逐放射等动态图案。彩灯的流水或追逐放射速率会随室内音响设备播放的音乐旋律和响度而改变,当音乐响度大时,流水速率就快,反之则慢。由于本控制器采用声波直接控制方式,与音响设备无需专用导线连接,所以安装与使用都十分方便。
电路原理
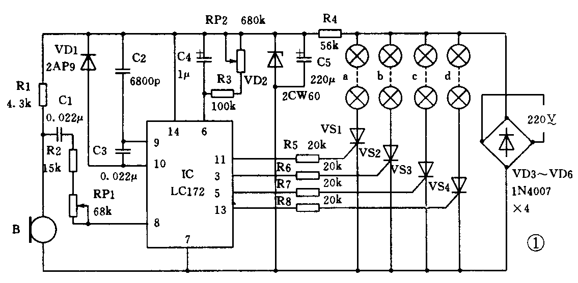
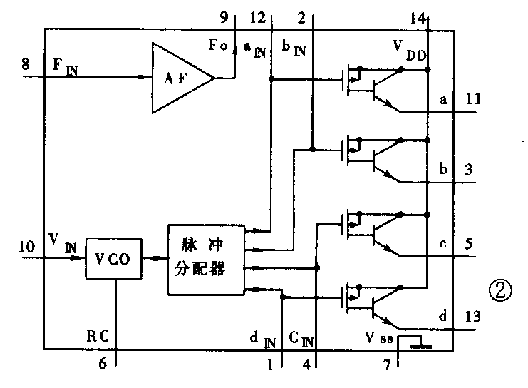
声控音乐彩灯的电路见图1。电路的核心器件是一块新颖的四相脉冲分配/驱动集成电路LC172,LC172是PMOS器件,它内含音频放大器(AF)、压控振荡器(VCO)、四相脉冲分配器和四个开漏输出驱动器,其内部功能框图见图2。


VCO输出的脉冲经四相分配器依次循环推动四个开漏输出器,使输出端a、b、c、d即集成块的第11、3、5和13脚依次输出高电平,输出波形见图3。第12、2、4和1脚为四个开漏输出器的输入端a\(_{IN}\)、bIN、c\(_{IN}\)和dIN,可外接电容到地,以防射频辐射干扰,如无干扰可悬空不接。VCO振荡频率一方面受6脚的外接振荡电阻、电容参数决定,另一方面又受到输入端第10脚的电平高低调制。10脚输入电平愈高(指绝对值),压控振荡频率就愈高,反之就愈低。8脚是AF的输入端,9脚为AF的输出端。LC172集成电路的主要电参数见附表。


220V交流电经VD3~VD6整流,VD2稳压输出约12V直流电压供集成块A用电。A输出端即第11、3、5和13脚依次输出高电平,经R5~R8加到可控硅VS1~VS4的门极,使其相继开通,彩灯串a、b、c、d点亮,当输出端输出低电平时,因交流电过零,可控硅关断,所以四组彩灯串能够循环点亮发光,只要将灯串在空间作适当排列布置就可以形成流动或放射动感。R3、RP2和C4是集成块内部压控振荡器的外接阻容元件,调节RP2可以改变VCO的振荡频率,因此能改变彩灯的流水速率。话筒B接收到环境声波信号,经C1、R2和RP1送入集成块的音频放大器AF的输入端F\(_{IN}\)即第8脚,放大后信号由第9脚输出经C3耦合到VCO的输入端VIN即第10脚,并经VD1整流变换成直流电平去控制VCO的振荡频率。因而能使彩灯串循环点亮的速率随室内环境声波场强的大小而变化,从而达到声控的目的。调节电位器RP1可改变AF的增益(增益可在20dB~35dB间进行变化),以达到调节声控灵敏度的目的。
当电源电压V\(_{DD}\)=12V,RP2+R3=250kΩ,C4=1μF,输入音频信号频率在1kHz~2kHz时,彩灯循环点亮频率被输入音频电压调制的特性见图4。

元器件选择
IC采用常州半导体厂生产的LC172四相脉冲分配/驱动专用集成电路。VD1应采用锗二极管,如2AP9型等。VD2为12V、1/2W稳压二极管,如2CW60、UZ-12B等。VD3~VD6可用普通1N4007等硅整流二极管。VS1~VS4可用MCR100-8等小型塑封单向可控硅,每路彩灯驱动功率可达100W。
RP1、RP2用WH5小型合成碳膜电位器,R4采用RJ-1W金属膜电阻器,其余电阻均用RTX-\(\frac{1}{8}\)W碳膜电阻器。C1~C3用CT4独石电容器,C4、C5用CD11-25V电解电容器。B用CRZ2-113F驻极体电容话筒。
安装与使用
图5是本音乐彩灯控制器的印制电路板图,印制板最好采用环氧树脂敷铜板制作,纸基极因易受潮使绝缘电阻变小,故不宜采用。做好的印制板要安装在用有机玻璃制作的绝缘小盒里。

彩灯串可用市售成品,也可自制。自制方法见图6,以制作80只彩灯串为例,每组灯串要用20只12V、0.13A节日灯泡串联,然后绞合在一起,每灯泡间距为40cm,总长为9m左右。灯泡颜色:a组为红色,b组为绿色,c组为黄色,d组为蓝色。当a、b、c、d四组灯串循环点亮时,就会形成流动感,若要制作140只灯串,每组要用35只7V节日彩灯泡串联起来,然后再绞合,总长为15m左右。使用时,将彩灯串a、b、c、d和公共线分别与控制器连接起来,灯串即能循环发光。调节RP1和RP2,就能使彩灯串随室内声波场强循环闪光。
