例1.TYC彩显
故障现象:开机冒烟,无显示。
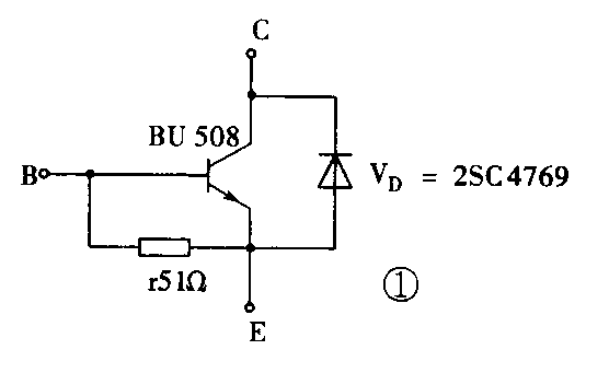
打开后盖查看冒烟之处,发现开关电源输出24V直流电压的那组滤波电容C322 100μ/35V外壳爆裂,所冒烟雾乃该电容电解液受热汽化所致,于是换上100μ/50V电解。此机曾送别处检修数次均遭退回,理由是行输出管2SC4769无法代换。本人即按图1组合代换原机行管Q304,通电后发现显像管灯丝异常亮,且电路板上显像管三个阴极放电管均点亮,说明电压太高,赶紧断电。于是将开关电源的四组输出电压全部与负载断开,且接上假负载,通电测量,原本输出为24V的直流电压竟高达60V,难怪C322爆裂,而正常为90V的那组输出竟升至155V(这组电压滤波电容未坏是由于耐压为200V),难怪灯丝及阴极放电管都工作异常!

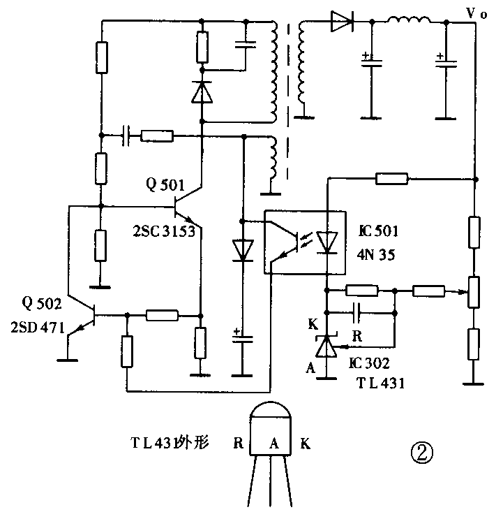
由于开机后测得的电压是逐步升高的,因此故障很可能出在开关电源的稳压调整环节中。图2是该机的稳压调整电路,分析其原理可知:当某种原因使输出电压V0上升时,IC302的R极电压上升而K极电位下降,于是流过IC501内部的两极管的电流增大,经过光电耦合作用,内部三极管的电流也增加,从而使误差放大管Q502的集电极电流上升,于是开关管Q501的基极电流的分流作用加大,基极电位降低,缩短了Q501的导通时间,达到了输出电压V0降低的目的,反之若V0下降,则通过调整环节使之上升。由于开关电源能正常输出电压,所以Q501没有问题。检查Q502 2SD471并换新,故障依旧,接着检查IC302TL431,用表一所示方法测量未损坏,也试换新的TL431,故障还是存在,这样IC501 4N35不良的可能性就大了,于是换去4N35,稳压电源四组输出电压均恢复正常,判断是IC501内部晶体管通电后逐渐损坏(电流逐渐减小),所以引起输出电压升至很高。IC501也可以用4N36、4N37代换,效果完全一样,它们均比4N35内部绝缘电压高,其余性能完全一致。


拆去负载电阻后接通机内负载,开机后在屏幕上出现一条亮线,这是场扫描电路有故障的表现,本机杨振荡集成块IC201采用TDA1175S,其电源端②脚是通过一个降压电阻R207 2.2Ω接到24V电压上去的,测IC201的②脚电压为零,估计R207断路,换新后通电2.2Ω电阻冒烟,判断IC201在电压升高到60V时已遭击穿,换上新的IC201,通电输入信号,帧幅能够拉开恢复正常。表二为TDA1175S的各脚正常电压值。TDA1175S的外形及管脚排列与TDA1170一样,如不能购到时可用TDA1170代替,不需作电路改动。

帧幅虽能拉开,但行中心位置偏左,以致字母起始端在右边开始,左边又有一部分内容直至结束,调行位移电位器无效,于是改变行位移调整电路的电阻值,使屏幕中心能够左右移动,但是还存在没有规律的行抖动现象,且屏幕左侧枕形失真,于是检查行扫描集成块IC304 TDA1180,发现其电源输入端②脚仅有5V电压,检查电路,该电压由稳压管ZD301提供,拆下测量,其正反向电阻几乎相同,可见ZD301也在高电压下被击穿,IC304的供电电压是由ZD301的限流电阻R与ZD301的击穿电阻r组成了分压电路,24V电压在r上得到了5V的分压,使TDA1180能勉强工作,但行位移偏左且行不规则抖动,左侧的枕形失真均是因为IC304的不正常工作所引起。由于IC304的输出电流的变化,使r上分得的电压也变化,因而不稳定的电压使行抖动无规律性,从拆下的ZD301上看,隐约有“11”字样,于是用12V稳压管代换,再将原换过的行相移电路电阻换回原数值,开机输入信号,行位移正常可调,行不再抖动。左侧枕形失真也消失,本机全部恢复正常。TDA1180各脚对地电压值及所测直流电阻见表三所示,可供参考。


总结本机修理过程,有两点值得注意,一是未查明电容爆裂原因而贸然换上行输出管通电,高压容易损坏行输出变压器及显像管;二是行中心偏左、行抖动、枕形失真均属行扫描电路故障,光去纠正行中心偏离而未测IC304的各管脚电压明显走了弯路。
例2 A X10N 彩显
故障现象:①开机后20分钟左右图像消失,须待一段时间才能重新启动,图像持续及待机时间均与季节有关,即冬天比夏天好。②使用不同软件时帧幅有变化,在DOS状态下帧幅正常且可调,一旦进入WIN-DOWS状态,帧幅立即缩为半屏,如同电视中放映宽银慕影片,且调节帧幅电位器无效。
先解决故障①,有三种原因可造成开机后图像消失:a.开关电源输出的110V电压中断;b行输出电路存在故障;c.视频信号消失。如何区分这三种情况呢?
在图像消失的瞬间测量开关电源输出的110V直流电压,发现正常。再以手掌贴向显示器屏幕,没有高压静电放电的感觉,可以判断是显示器没有产生24kV的高压,因此故障在行输出电路,考虑到故障现象与温度有关,而晶体管却是对温度相当敏感的器件,因此应该重点检查行输出管与行推动管。用冷却法,用蘸有酒精的棉团冷却行输出管,图像没有恢复。再冷却行推动管,片刻间只听“吱”一声,图像恢复了,于是换去行推动管,故障排除了。原来该管热稳定性差,时间稍长后,漏电流I\(_{ce}\)逐步增加直至该管处于饱和状态,使得行推动管不能输出推动信号,行输出管也就停振了,于是高压24kV不能产生。
②在运行不同软件时显示器帧幅会有变化,是什么原因造成的呢?经分析,在DOS状态下,屏幕上只有一些字母,光点稀少,而在WINDOWS状态下,屏幕上显示内容密集,光点连续布满荧屏,这就是区别。而光点的多少却是由场输出集成电路提供的输出电流大小所决定地,WINDOWS状态下的输出电流远大于DOS状态下的输出电流。
经查机中使用了TDA1175S场输出集成电路,它与外围元器件构成场逆程泵电流电路,TDA1175S的外形与管脚排列均与TDA1170相同,外围电路也一致,其③与⑤端所接的自举升压电容100μ/35V起着在场逆程期间由电路按两倍的电源电压向功放电路供电的作用,提高了场输出电路的效率,若该电容漏电或容量不足,均会影响场输出电路的功率,表二中有括号数字的管脚电压在本例帧幅缩小时测得,所以不必先贸然换去TDA1175S,而是将自举电容换新并提高容量至220μ~330μ/35V,以保证绝对有效。当然有时候TDA1175S的④端输出电容100μ/25V漏电或失效也会引起上述故障,为确保排除隐患,将其换成2200μ/25V,于是故障消失,在WINDOWS状态下帧幅不再缩小,而且可调节如常。
例3 COMPAQ TE14200彩显
故障现象:D0S状态下显示字母模糊,在WINDOWS状态下彩色拖尾。
显示的字母模糊,一般总认为是聚焦电压不正常。此机高压包未换,聚焦电位器用胶封死,聚焦系统亦无烧坏元件迹象。那是什么原因引起显示的字母模糊,图像色彩拖尾呢?先分别观察R、G、B三色各自的视放系统,将三色的视放输出端全都断开。为此只需拆下C401、C402、C403这三个R、G、B信号的输入电解电容47μ/16V。C401焊上,看红色字母,发现显示字母极清晰,红色视放通道应无问题。拆下C401焊上C402,看绿色信号通道,绿色字母极其模糊,绿通道问题显而易见。再拆去C402,焊上C403看蓝色通道,蓝色字母清晰度明显不如红色字母单色显示时那么高,但强于绿色字母,蓝通道也有问题存在。
为何三个通道的清晰度有如此大的差异?测各管电压,各通道一一对应均差不多,是否不正常通道的管子特征频率下降呢?细查三通道的各视放通道管,发现此机已换过视放管,但与原机型号不一样,换管之处正是绿、蓝通道。Q408 2SC3953换成 BUX85。查手册知BUX85特征频率仅20M,而2SC3953应该为300M。Q412 2SA1538也换成了特征频率f\(_{T}\)仅为3M的2SB945(只为原管特征频率的1/100)。这些管子对高频率的视频信号难以放大,故造成字母显示模糊。试用fT为60M的BF859代换2SC3953,以PNP的中功率国产管3CK3D代换2SA1538,结果获得成功。绿色字母显示也十分清晰。
有了绿通道成功的经验,观察蓝通道中,Q409与Q403发现均为BUX85代换,仍换用BF859,使蓝色字母同样清晰地显示。于是三个通道均能正常工作。
检查显示器各功能电位器时,偶将亮度电位器开大,发现字母的同行后面空白处拖有绿带,宽度犹如字母高度,每行均有,这是什么原因呢?百思不得其解,检查电路时发现,绿视放通道Q412 2SA1538的发射极与R442 47Ω之间没有焊牢,将其焊上后,故障消失。
这一例故障的检修告诉我们,对于视放通道放大管,光注意耐压与功率是不行的,还应注意代换放大管的特征频率是否达到要求。(张国华)