VCD影碟机中的伺服系统有数字和模拟两种类型。数字型的伺服系统其特点是伺服控制精细,寻迹的速度快,读碟能力强。典型的代表为飞利浦公司的V6001~V6003系列,以及新近推出的V7001系列。由于伺服系统采用数字化的控制方式,使得整个伺服系统的控制电路没有调整点,外围电路元件参数在一定范围内的变化对其性能的影响较小,可靠性也较好,故障查找和维修相对来讲比较简单,所以在此就不作讨论了。
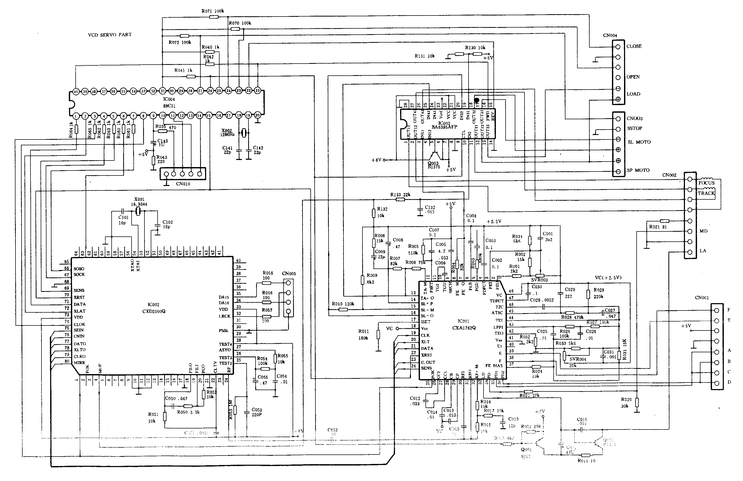
模拟型的伺服系统在VCD中应用较为成熟的有索尼的两片系列,附图为伺服部分电原理图。由一片伺服信号处理(SSP)和一片数据信号处理(DSP)构成。特别是其DSP采用CXD2500,这一处理器内置32KRAM,是同类处理器的一倍,具有极强的信号纠错及恢复能力。由于模拟型伺服系统的工作状态由外部的元件设定,所以这些元件的参数对其性能的影响很大。因此对模拟型伺服系统的设计和生产需要具有一定的经验和技术,比数字型伺服系统的难度要高得多。由于目前的一些小生产厂家缺乏这样的经验和技术,甚至有个别企业为追求低成本,往往选用价低质劣的元器件。这就是造成目前市面上采用模拟伺服系统的VCD出现的问题较多的一个主要的原因。所以在这里主要想通过对模拟伺服系统运作机理的讨论来分析目前模拟系统中常见的一些故障。

一、死机
接通电源打开VCD的电源开关后,VCD的莹光显示屏无正确的显示,前面板及遥控器的所有操作键失灵,VCD无图像及伴音输出,机心也不动作。
对于这类故障主要应注意两个方面。(1)VCD的电源供电电路。检测一下对主控板,伺服板,以及解压板的供电是否正常。(2)若电源正常则检查主控制器CPU的工作状态是否正常。这里要说明一下,目前有些VCD整机的解压板和伺服板是采用一片CPU控制的,有的整机则采用2片微处理器(CPU)分开来控制整机操作和伺服电路。对于两片CPU的控制方式,首先应检查整机控制CPU的状况,再去检查伺服控制CPU的状况。检测的重点,一是CPU的晶振电路,是否具有正常的振幅与频率。二是通过检测CPU的对外通讯接口(串行总线)来判定CPU的工作是否正常,(附图中的IC004是伺服控制的CPU,其串行总线由1、2、3脚接入。三是CPU的复位(RESET)端(IC004的9脚)相联的电路在电源开通时是否具有良好的复位作用。通过上述三方面的检查应能确定问题的所在。
二、伺服系统的故障分析
l.影碟机的光盘托盘控制电路
在一般的VCD影碟机中,光碟的托盘直接是由伺服的CPU控制的。在前开式的VCD机心上有两个托盘状态的检测点OPEN.POINT和CLOSE.POINT。两点平时被设为高电平,通过CN004分别接到伺服CPU的检测端23脚和24脚。当托盘全都伸出时,OPEN POINT会送出一低电平通知CPU,CPU会通过控制端(21脚)停止对托盘电机的伸出驱动。当托盘完全关闭时CLOSE POINT会送出一低电平。CPU会通过其控制端(22脚)未停止对托盘电机的收盘驱动,并控制聚焦及寻迹等控制部分开始下一步的操作。一旦托盘部分出现故障,我们可依据上述过程来查找和确认故障。
2.聚焦伺服电路
当托盘完全关闭之后,光学读取单元(光头)首先被径向移动电机移至最内侧的起始处,并使限位开关闭合,此开关通过图中的CN003向CPU IC004的检测端27脚送一低电平信号,之后CPU通过软件程序控制伺服处理器SSPIC001开始聚焦搜索操作。随着光头中物镜的上下移动,光头中射出的激光束在光碟信息面的聚焦状态在不断的变化,变化的情况通过IC001的1脚输出的聚焦误差信号FE反映出来。随物镜的移动,FE的输出信号形如“~”曲线。当FE聚焦误差信号处于中心零点位置附近时,IC001的25脚FOK端会向CPU发出一聚焦OK的信号。CPU会停止聚焦搜索,启动聚焦伺服电路对物镜的位置进行锁定。在聚焦伺服电路的控制下,聚焦误差始终保持最小,使光头在读碟操作时总是处以最佳的聚焦状态。
当聚焦伺服电路出现问题时,可能会出现,聚焦搜索不到,光碟没有旋转。荧光屏上显示“No.disc”。此时首先将光盘从机心中取出。分别作如下检查。
①在眼睛距光头30cm以外的地方观察光头内是否有红色激光。若没有,请检测IC001的33脚(LD)。在聚焦搜索过程中此端输出应为低电平。其次检测加Q001和Q002,若都正常请检测R014的电压,并由下式可计算出激光发射管的工作电流Ie。Ie=V\(_{R}\)014/R014,此电流Ie应在30~60mA之间,若相差过大说明激光二极管可能已损坏。
②若光头内红光正常,则注意观察物镜在聚焦搜索时移动的速度是否平稳和正常。若移动速度不平稳或是不动。说明聚焦搜索电路部分有问题。光头中的物镜是由聚焦和寻迹线圈托动的,聚焦线圈的激励信号来自IC001的6脚FEO端,经驱动器ICC3由1脚和2脚输出,再于CN002接到光头的聚焦线圈。聚焦搜索的速度由IC001的8脚所接的电容C005所设定,在聚焦搜索时IC001的6脚应能测得锯齿波信号,若无此信号,可能是C005损坏,或是IC001损坏。
若物镜动作正常但仍聚不到焦。可能有如下原因。
①观察物镜的移动范围是否严重偏上或偏下,使得聚焦搜索得到的误差总是大于锁定要求。使光头无法正常聚焦。
②检测聚焦误差信号FE是否已正常的馈入聚焦伺服系统控制输入端TE1(44脚)。
③检测IC001的25脚的FOK信号是否已接至CPU IC004的8脚检测端。
3.寻迹伺服电路
光头在选曲寻迹时的径向移动由两个部分完成。大范围的移动(粗调)由径向电机完成。小范围的寻迹(细调)由光头内的寻迹线圈来完成。寻迹伺服部分的控制也是来自两个方面。一是CPU直接控制。例如VCD要播放一指定的片断时,首先CPU从初始化读碟时得到的TOC(内容目录信息)记录中找出所指定的片断在碟上的物理位置。计算出光头的偏移量,控制径向电机将光头移至目标位置附近。在由就地读取的位置信息进一步计算移动量,控制寻迹线圈作精细的寻迹调整,直至将光束准确的照射到所指定的信息轨迹之上。二是由IC001的42脚TE端的寻迹误差信号e\(_{r}\),在软件的监控下做主控信号。这种情况一般是在寻迹伺服锁定之后在正常的(PLAY)操作过程中,er控制着寻迹伺服系统的操作,使得寻迹误差为最小,使激光束在读碟操作中始终能准确的照射在信息轨迹之上。
径向电机的控制信号来自IC001的15脚和16脚,径驱动器IC003后由CN003接至机心的(SL Motor)径向移动电机。寻迹线圈是负责物镜作小范围的径向调整的。其激励信号来自IC001的13脚TAO端。经驱动器IC003之后由CN002接至光头中的寻迹线圈。在IC001中寻迹伺服电路的平衡调整和增益调整都是由软件程序自动完成的。所以整个寻迹电路仅有一处调整,即寻迹伺服主控信号e\(_{r}\)的馈入量的调整SVR004。此调整端已在产品出厂前由仪器调好,所以维修时在没有证实故障所在时,不要轻易的去动它。
现举几个寻迹伺服电路的常见故障的例子进一步说明。
①寻迹伺服部分不工作。表现为光头已被聚焦锁定,光盘也已正常旋转,但光头长时间读不出数据,且光头也无寻迹伺服操作所产生的声音。此故障一般是由寻迹伺服电路无控制信号e\(_{r}\)所造成的。er=E-F。(E、F为寻迹检测的辅助光束)。e\(_{r}\)由IC001的42脚TEO端输出,至44脚TE1端做为寻迹伺服的控制信号,最后由IC001的13脚TAO端输出做为寻迹线圈的控制和激励信号。我们可据上述流程,从TEO端逆向查起,最终定可找到问题所在。
②光头朝一方向移动
此故障可能为寻迹伺服电路的平衡调整不当所引起。但在此电路之中伺服信号处理(SSP)采用的是CXA1782,平衡调整是在IC内部由软件自动完成的。故请仔细检查IC001的42脚、43脚相关联的电路。寻迹误差检测的E、F信号接触不良也会造成寻迹电路的误动作,使光头偏向一边。请检测IC001的38脚和39脚至CN001F、E端的联接情况,仔细的检查IC001的38、39脚是否有虚焊的情况。
③寻迹电路工作异常
故障表现为光头径向移动反复,调整频繁,寻迹移动断续。选曲速度非常慢。原因可能有:TE1端的e\(_{r}\)信号过强。加之er信号上可能加有其他的干扰信号。引起伺服电路不稳定。请检查e\(_{r}\)信号及IC001的42脚至43脚的相关网络;寻迹伺服电路的相位补偿峰值频率一般设在1.2kHz左右。这一峰值频率是由IC001的11脚FSET端所接的阻容元件的数值所决定的。若所接的阻容元件参数变化很大,也会影响伺服电路的稳定性,引发上述故障。
4.主轴电机(disc Motor)的伺服控制
VCD的主轴电机伺服方式同CD的方式相同,都是采用CLV恒线速的主轴伺服方式。首先主轴电机的伺服电路用从读取的数据流中提取的时钟信息同一特定频率进行比较,利用比较所得的差量作为主轴电机伺服电路的控制信号,对主轴电机的转速进行调整,使得光盘上相对于光头读取点处轨迹的转速为一恒定值。主轴电机伺服电路的输出端为IC002的4脚MOP端,经IC003的驱动后由CN003的SP Motor端接至机心上的主轴电机。
主轴伺服电路常见的故障主要有以下三种情况。
①主轴电机不转动。最常见的问题,机心的定位开关没有被闭合。请检查径向移动电机电路部分;聚焦伺服没能锁定,请检查聚焦伺服电路部分。
②主轴电机转速不稳,不能正常读碟。可能是RF信号(光头读入的主数据流)不正常使主轴伺服电路无法对其锁相。请检查IC002的24脚和22脚的RF信号的波形同幅度是否正常;请检查与IC002(DSP)相接的晶振电路是否正常。
③主轴电机运转正常,但VCD无信号输出又无显示。此故障多是出在寻迹伺服电路部分,请检查寻迹伺服电路。(徐录江)