随着电视画质技术水平不断提高,松下M16MV3(新画王,例如TC-29V32HN、TC-25V30R/H等)机心首先使用了新型的自动反差校正系统—AI电路。AI是英文Artificial Intelligence的缩写,即“人工智能”的意思,松下M17(三超画王)机心的图像AI电路进一步成熟。图像AI电路采用“模糊”理论自动控制图像的对比度和色饱和度。AI电路利用模糊逻辑对图像信号进行加工,针对输入信号的实际情况自动进行不同的适时处理,以达到最佳的视觉效果。普通电视机的校正电路,只能对图像的特定部分进行个别校正,或者按照预先确定的数值进行补偿。AI电路可对各个变换的图像进行最适度的调整,并保证图像的最佳画面平衡。它可以从逐个画面图像信号中单独提取亮度信息,并根据瞬时亮度信息迅速完成对比度和色饱和度的自动调整,确保各个时刻的彩色图像呈现真实色饱和度和高对比度。下边以松下M17机心为例说明AI功能。
一、图像对比度AI电路
图像对比度AI电路包括黑电平扩展、白电平扩展、黑色γ校正和总γ校正等,下边作些简单介绍。
(1)黑电平扩展。当整个画面含有小部分黑暗图像时,可将最暗部分进一步扩展成最黑的画面,从而增加整个画面的对比度。
(2)白电平扩展。当图像画面含有小部分高亮度(白色)图像,而且有一半以上的部位较暗时,通过对明亮部分进一步增强,可以增加整个画面的对比度。
(3)黑色γ校正。当图像画面大部分是黑暗图像时,若图像的微暗部分多于深暗部分,或者深暗部分多于微暗部分时,此时画面亮度反差不明显,可以用黑色γ校正法来增强数量多的部分来改善反差程度。
(4)总γ校正。该功能可以检测图像亮暗部分的比例,然后根据比例的大小,来增强比例中占有大部分的图像信号,从而提高大面积图像的对比度,这种校正就是总γ校正。它可使电路自动适应不断变化的图像,以保持最佳的画面。
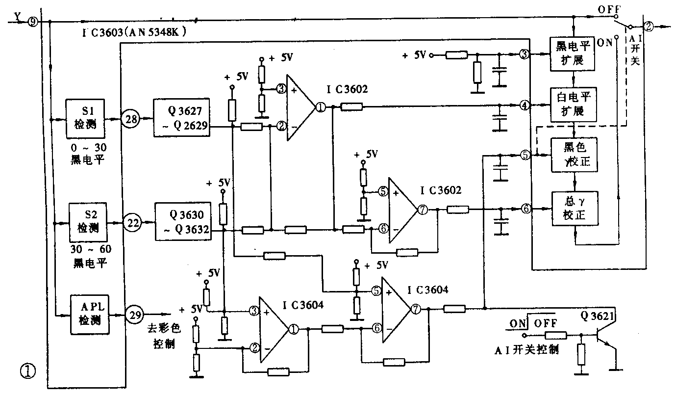
以上谈到的电路比较简单,但是通过模糊逻辑,可将它们组成最佳状态,通过模糊控制,可以实施复杂的、非线性的控制效果,显现理想的画质。图1是松下M17机心的图像AI电路图,它主要由集成电路IC3603(AN5348K)和4个运算放大器组成。运算放大器由IC3602、IC3604(均为XRA15218N)构成。下面具体说明电路内信号流通过程及有关控制电压。

(l)对比度AI电路的信号流通过程
由视频彩色全电视信号分离出来的亮度信号,经AN5348K的⑨脚进入图像AI电路。它有4条通路,信号分别送到S1检测器、S2检测器、APL检测器和黑电平扩展器。S1检测器可检测亮度信号的极暗部分,即0~30IRE部分(其中OIRE表示最黑的电平);S2检测器检测亮度信号的微暗部分,即30~60IRE部分;APL检测器检测亮度信号的平均电平,它用于图像彩色控制;而黑电平扩展电路可完成黑电平的增强任务,它后面还联接着AI电路的白电平扩展、黑色γ校正和总γ校正等电路。在该集成块②脚内接AI转换开关,它设置开和关两种状态,根据AI功能的指令,可决定AI转换开关置于“OFF”或“ON”状态。当AI开关置于“OFF”态时,电路处于规范化的图像菜单2状态,AI开关键指向“OFF”位置,亮度信号不通过AI校正电路,直接从②脚输出,然后将亮度信号送到后级清晰度增强电路作进一步处理。但是当AI开关置于“ON”态时,电路处于全自动的图像菜单1状态,此时AI开关键指向“ON”位置,亮度信号需要通过4个AI校正电路后,才能从②脚输出。
AI功能的ON/OFF开关控制,不是机械式转换开关,它是由黑色γ校正电路的输入控制电压来控制的,该控制电压又是由电视机内微处理器输出、经Q3621来控制的。使用遥控器也可控制Q3621的工作状态。若使用遥控器且选择图像莱单2(规格化)时,Q3621基极输入高电平,Q3621饱和导通,黑色γ校正控制电压为OV,该电压使AI开关置于OFF位置,即为亮度信号直通状态,不进行AI校正。反之,遥控器选择图像菜单1(全自动)时,Q3621输入低电平,AI开关置于“ON”位置,则亮度信号将受到AI电路的校正。
(2)对比度AI功能的控制信号
AI电路的有关引出脚,可以提供各个AI功能的控制电压。例如,③脚是黑电平扩展电路的引出脚,该脚的直流控制电压为1.7V,其值可由外接的分压电阻网络调整和决定。在③脚控制电压作用下,黑电平扩展电路可将图像内少量黑电平再增强。白电平扩展电路引出脚④的电压与输出电压有关。是S1检测器的电压输出端,S1检测亮度信号的极暗电平,并输出相应检测电压。是S2检测器的电压输出端,S2检测亮度信号的微暗电平,并输出相应检测电压。两脚输出的检测黑电平共同加到IC3602的②脚反相输入端,该合成电压与IC3602的③脚固定基准电压2.5V(由电阻分压值决定)进行比较,从而得出黑与白电平的比例,白电平扩展控制电压从IC3602的①脚输出,再送到IC3603的④脚,进入白电平扩展电路。
黑色γ校正电路的引出脚⑤的电压也与输出电压有关。输出S1极暗检测电平,22脚输出S2微暗检测电平,经过中间放大处理后分别送到IC36O4的⑤、⑥脚,并对S1极暗电平和S2微暗电平进行比较,黑色γ校正控制电压从IC3604的⑦脚输出,且送到IC3603的⑤脚,进行黑色γ校正控制和AI转换控制。
总γ校正电路的引出脚⑥的电压受IC3602的⑦脚输出电压所控制,⑦脚电压又是由IC3602两输入端⑤、⑥脚电平所决定,其中⑤脚接固定基准电压30V,⑥脚电压即白电平扩展控制电压。两电压比较后,由⑦脚输出总γ校正的控制电压,进入总γ校正电路。
在上述诸校正接制电压的作用下,人工智能图像处理电路通过模糊逻辑控制,自动适时地调整图像对比度,取得最佳画面。在荧光屏上显示深夜、正午或黄昏的画面时,都是那么层次分明,黑白反差清晰,一般电视机不可能达到这种画质水平。
二、图像色饱和度AI电路
前面谈到,AN5348K的内接APL检测电路,由该脚输出平均图像电平。利用该电压可以自动适时地控制包饱和度,有关电路见图2。该控制电压经过Q3624、Q3623放大,以及Q3603、Q3602控制,再传输至TA8880(IC601)的脚,去控制图像的色饱和度。大规模集成电路TA8880实行I\(^{2}\)C总线控制,可将各种控制信息由CPU通过总线传输及接口电路译码获得,实现各种控制功能,其中包括彩色特性和对比度特性控制。该脚既可作色度控制端,又可用于监视总线控制的D/A转换输出电压。

色饱和度的AI功能也分为关/开两种状态。当关断AI功能时,Q3621和Q3622基极均获得高电平,两晶体管集电极均输出低电平。Q3621输出的低电平送到AN5348K的⑤脚,使对比度自动控制电路停止工作;而Q3622输出的低电平,则可关断色彩控制电路。当接通AI功能时,Q3621和Q3622基极均获得低电平,两管均输出高电平,则可分别接通对比度和色饱和度AI电路。实际上,松下M17机心的图像AI开关信号,除具有上述各控制功能外,还通过彩色特性单元(CFU)电路,对色调及皮肤色调亮度进行AI控制,本文不再叙述。(董政武)