社会拥有量很大的中低档录音机,使用的都是普通机心。这类录音机不具有全自停功能,即在快进(或快倒)操作时,磁带运行终了不会自停,需人工操作复位键停机,使用不便。如磁带终了未及时按复位键停机,虽然机械传动系统可以打滑运转,但这时直流电机负荷加重,电流上升,对电机寿命有不良影响,也增加了机械传动系统的磨损。本文介绍一种全自停装置,可以加装在各种型号的录音机上,使其具有全自停功能。
工作原理

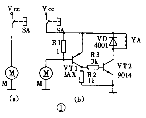
图1a是普通录音机电机电路图,M为直流电机,SA为机心开关;图1b是全自停电路图,在直流电机M供电回路中串入了检测电阻R1。在正常放音(或录音)工作状态时,电机M的工作电流I\(_{M}\)<150mA,由于检测电阻R1阻值极小,仅0.5Ω~1Ω,其压降UR1也很小,约0.1V,对电机M的正常工作无影响。因为U\(_{R1}\)小于VT1的发射结正向压降,VT1、VT2均截止,全自停电路不工作,所以也不存在电气干扰。在快进(或快倒)工作状态时,当磁带尚在运行过程中,电机工作电流IM<190mA,U\(_{R1}\)仍小于VT1的发射结正向压降,VT1、VT2截止,电磁铁YA不吸动。当磁带快进(或快倒)终了时机械传动系统阻力增大,使电机工作电流IM上升至250mA以上,检测电阻R1上压降U\(_{R1}\)大于VT1的发射结正向压降。VT1、VT2导通,电磁铁YA吸动,牵引机心上的半自停中间杠杆上端向左运动(见图2),其下端则绕轴向右运动,进入飞轮上自停凸块的运动半径之内。在飞轮自停凸块的撞击下,中间杠杆上端向右推动按键锁块,使快进(或快倒)键弹起复位,机心开关SA切断电源,实现自动停机。在磁带运行过程中,如因磁带质量或传动机械故障造成卡带,本装置也能自动使按键复位停机,以便及时处理。

这种全自停装置,由于巧妙地利用了原机心上的半自停机构和飞轮的惯性力量来实现按键的自动复位,所以电磁铁YA只需要几克的牵引力就足够了。与用电磁铁直接牵引按键锁块使按键复位的方式相比,电磁铁的体积和功率可以大大缩小,便于制作安装。
元器件选择和制作
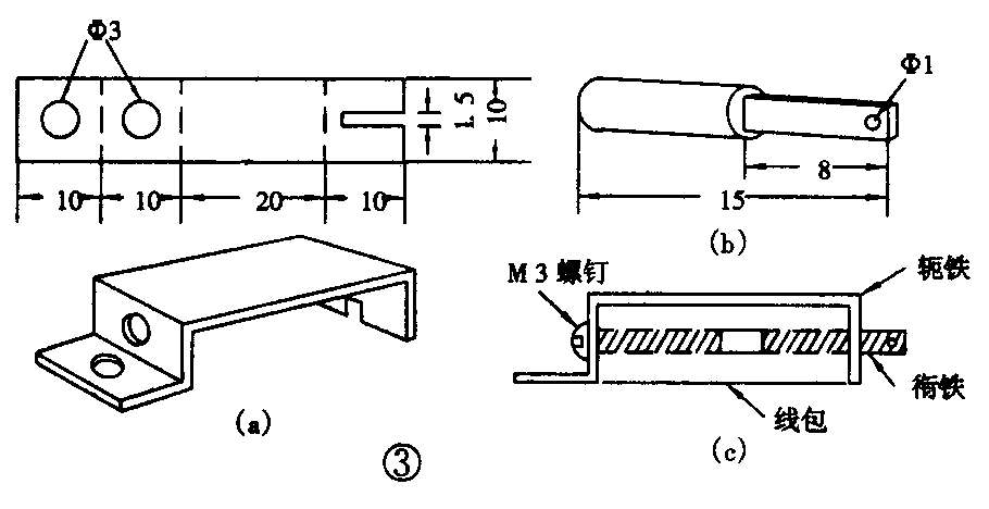
VT1选用3AX系列PNP型锗管,要求Iceo<20,β≥40;VT2选用S9014,β≥40,也可选用其它I\(_{CM}\)≥100mA、PCM≥400mW的NPN型硅管。VD选用1N4001或2CP系列。电磁铁YA制作方法见图3。用塑料或牛皮纸制一Ф3mm、长20mm的骨架,在其上用Ф0.1mm漆包线密绕2500圈。制成的线圈直流电阻约100Ω。轭铁兼作支架,用厚1mm左右的铁片制成(见图3a)。铁芯分为固定和滑动两部分,固定铁芯是一只长10mm的M3铁螺钉;滑动铁芯即衔铁,用Ф3mm、长15mm的粗铁丝制成,将一端长8mm的部分锉扁,头部钻一小孔(见图3b)。组装时,先将衔铁放入线包骨架中,再将轭铁卡在线包上,使衔铁锉扁的一端从轭铁右端槽口中伸出,最后将充任固定铁芯的M3螺钉涂上胶水穿过轭铁左端圆孔,紧紧旋入线包骨架即可(见图3c)。衔铁应保证在其中滑动自如并不会掉出来。

安装与调试
图2是安装示意图(以LX-80型机心为例)。在半自停中间杠杆上端钻一小孔,在中间杠杆左侧机心底板的空余部位钻一孔,用螺钉将电磁铁YA固定好,并使电磁铁的轴线与中间杠杆新打的小孔保持在一条直线上。再用两截细钢丝将电磁铁衔铁与中间杠杆连环起来,调整细钢丝长度,使其平时不松弛,衔铁吸入时能牵引中间杠杆使其下端进入飞轮自停凸块的运动半径之内。牵引钢丝采用两截式,主要是为了保证中间杠杆仍能转动自如。
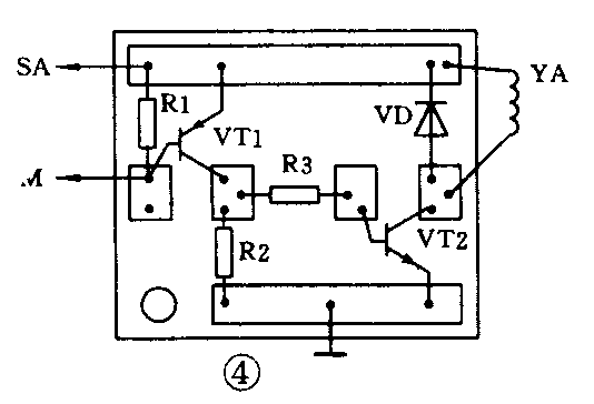
电路部分焊在一块小电路板上(见图4),固定在录音机内空处,按图1(b)连接好线路即可。开启录音机,调整检测电阻R1,使电磁铁YA在磁带快进(或快倒)过程中不动作,磁带终了时电磁铁YA吸动实现全自停。R1一般为0.5Ω~1Ω,可用电阻丝自绕。如R1过大或过小仍调不好,也可适当调整R2。(门宏)
