许多初学者对门电路的设计应用很感兴趣,为此本文列举几种用CMOS门电路设计的电子电路,并简单介绍工作原理,以满足初学者的要求。

图1是一个用两个非门构成的多谐振荡器,它只使用了一个6非门的1/3。外围元件只有3个,改变电阻R2就可以连续改变振荡频率,改变电容C的大小可以步级式地改变频率范围。试验证明,这个振荡器能够产生的频率范围很宽:从0.1Hz到1MHz以上都能满意地工作。

图2是用或非门设计的另一种多谐振荡器。它与图1不同的地方是,可以在或非门的一个输入端——即图中的控制端,加入一个逻辑信号(0或1)来控制振荡器的停止或启动。实际上图中是把或非门的两个输入端连接起来当做非门来使用的。

图3是用或非门构成的单稳电路。平时第二个或非门(此处连接成非门)的输入端通过电阻R置成高电位,所以它的输出是低电位。这个低电位又送到第一个或非门的一个输入端上,所以当图中的输入端为0电位时,第一个或非门输出高电位,从而电容C没有充电(因为它两端都是高电位)。当输入端上加上高电位时,第一个或非门的输出变成0电位,因为电容两端的电位不能跃变,所以第二个或非门的输入端也临时变成低电位,使得此时线路的输出变为高电位。但是这个状态不能持久——电源Vdd要通过电阻R给电容充电,当电容上的电位上升到超过了Vdd的一半时,线路的输出就又将变为0电位,不管输入端是否还加着高电位。这就实现了单稳电路的功能。这个单稳电路输出脉冲的持续时间是由RC的乘积(时间常数)决定的,时间常数越大,则输出脉宽也越大。

图4是用与非门构成的倍频器电路。其中第一个与非门连接成非门使用,起着对输入信号倒相的作用。这样当有一个方波脉冲输入时,由C1和R1组成的微分电路将在脉冲的前沿产生一个正向微分脉冲,使第二个与非门有一个输出脉冲;当输入脉冲的后沿来到时,由于第一个与非门(已接成非门使用)的倒相作用,它把这个脉冲的下降沿变成了上升沿,因此通过R2和C2的微分作用此时在第二个与或门的另一个输入端也送入了一个尖脉冲,使线路的输出端又产生了一个正脉冲。输入一个脉冲,能输出两个脉冲,所以这个电路就实现了倍频器的功能。

图5是用一块与非门组成的窗口电路。电位器W1调节下限电位VL,W2调节上限电位VH。这个电路的功能是,当输入电压低于WH,或者高于VH时,线路都没有输出,仅当输入电压的大小处在VL与VH之间(即进入窗口)时,线路才有输出。之所以能够完成这个功能,是因为电路中使用了上下箝位的措施(R1,RP1及R2,RP2),使得输入电压如果不在窗口范围之内,门电路就达不到改变状态的电位(详细分析从略)。

图6是用一个与门作成的特定脉冲发生器。在它的两个输入端上分别加入两个方波信号1和2,信号2的频率是信号1的一半(这可以用一个CMOS双D触发器来得到),由于与门只有当两个输入端上都是高电位时,才输出高电位,由图中的波形结构可以分析得知,输出波形3将是占空比为1/4的窄脉冲。这种脉冲常被用在模拟式电子乐器中来产生钢琴的音色。

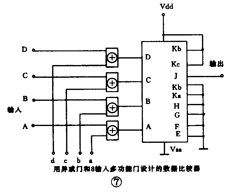
图7是用异或门设计的4位数据比较器电路。异或门的功能是,只有当其两个输入端的逻辑电平相异时,输出端才有高电位产生。由此可见,如果输入的4位数据DCBA(例如1001)和标准数据dcba完全相同时,每个异或门的输出端都是0电位。于是,由8输入多功能门CD4048构成的或门也没有输出。假如DCBA不等于dcba(例如dcba=1001而DCBA=1011),则输入端为B,b的那个异或门输出高电位。此时与或门也有输出,发出错误检出信号。由于异或门有这种功能,所以常被用在逻辑位检测线路中来判断逻辑故障,并发出报警信号。

图8是用或非门设计的简易电容测试仪。它由两部分组成:前一部分是一个多谐振荡器电路,后一部分是图3所示的单稳电路。此处以被测电容Cx取代了图3中的电容C。因为C值越大,单稳的输出脉宽或越宽,;从而流经电压表V的平均电流也就越大,所以从电压表的读数上就可以反映出被测电容的大小。为了测量准确,应该在测量大电容时,把振荡器的频率调得低些,在测量小电容时,则应该把其频率调得高些。
以上只是举例说明CMOS门电路的几种典型应用,实际上CMOS门电路的应用电路多得不可胜数。希望读者能举一返三,灵活多样地在设计中使用这些电路。(田进勤)