电子门铃是一个简单实用的小制作,通过这个小制作,我们将学习电容器的有关知识和晶体管阻容移相振荡器电路。
一、电容器
电容器通常简称为电容,是一种最常用的电子元件。电容器可分为容量固定的固定电容器和容量可变的可变或微调电容器两大类。不作特殊说明的电容器一般是反映固定电容器,本期我们要学习的就是固定电容器的有关知识。至于可变电容器和微调电容器,以后再向大家介绍。电容器的文字符号是“C”,图形符号及外形见图1,从图1可以看到,固定电容器又分为无极性电容器和有极性电容器两类。

电容器的种类很多。常用的无极性电容器有:CC型、CT型瓷介电容器, CY型云母电容器,CJ型金属化纸介电容器,CL型涤纶电容器,CI型玻璃釉电容器等。常用的有极性电容器有:CD型铝电解电容器,CA型钽电解电容器等。使用有极性电容器时应注意其引线有正、负极之分,在电路中,其正极引线应接在电位高的一端,负极引线应接在电位低的一端。如果极性接反了,会使漏电流大增并易损坏电容器。
1.电容器的主要参数:
电容器的参数很多,但在实际使用中,一般只考虑容量和耐压,只有在有特殊技术的电路中,才考虑容量误差、高频损耗等参数。
①容量。电容器储存电荷的能力叫做电容量,简称容量。容量的基本单位是法拉,用符号“F”表示。由于1法拉(1F)电容量很大,所以常用单位是微法(μF)和微微法(pF),它们之间的换算关系是:
1F=10\(^{6}\)μF;
1μF=10\(^{6}\)pF
容量在电路图中的标示方法是:数值为纯小数的微法级容量值,只标出该纯小数,单位μF略去不写,例如:0.01μF电容,在电路图中标为0.01;数值为整数的微微法级容量值,只标出该整数,单位pF略去不写,例如:1000pF标为1000;除以上情况外,则需标出单位,例如:1.5pF标为1.5p;10μF标为10μ。
在电容器上,一般按以上法则直接印出电容量值。也有采用数码表示法的,数码一般为三位,前两位是有效数字;第三位是倍乘数,0~8分别表示10\(^{0}\)~108,9表示10\(^{-1}\)。例如:103表示10×103=10000pF=0.01μF;229表示22×10\(^{-1}\)=2.2pF”
②耐压。指电容器在连续使用中所能承受的最高电压。使用中应保证加在电容器两端的电压不超过其耐压值,否则将会损坏电容器。耐压值一般直接印在电容器上。
2.电容器的主要作用:
电容器的基本结构是两块金属电极之间夹着一绝缘介质层(图2),因此,两电极之间是互相绝缘的,直流电无法通过电容器。但是对于交流电来说情况就不同了,交流电可以通过在两电极之间充、放电而“通过”电容器(图3)。归纳起来,我们可以用一句话来概括电容器的基本功能:隔直流通交流。电容器的各项作用都是这一基本功能的具体运用。


①旁路滤波作用。例如在图4滤波电路中,输入电压Ui是整流出来的脉动直流,其中既有直流成份也有交流成份,由于输出端接有滤波电容器C,交流成份被C旁路到地,输出电压Uo就是纯净的直流了。

②耦合作用。在图5所示的多级放大电路中,VT1集电极输出的交流信号通过电容器C传递到VT2基极,而VT1集电极的直流电位则不会影响到VT2基极,VT1与VT2可以有各自适当的直流工作点,这就是电容器的耦合作用。

③移相作用。我们知道,当交流电压加在电容器两端时,通过电容器的瞬时电流ic的大小仅仅与其两端电压Uc的变化率成正比,如图6a所示,在t0时刻,正弦交流电压Uc从零迅速增加,变化率最大,因此流过电容器的瞬时电流ic最大;t1时刻,Uc处于峰顶平坦部,变化率为零,ic=0;t2时刻,Uc由正值迅速下降至负值,反方向变化率最大,ic则为反向最大;依此类推。从图6中可以明显看出,电容器上电流超前电压90°,具有移相作用。

3.电容器的检测:
电容器的好坏可以用万用表进行检测。将万用表置于“R×1k”或R×10k”档,当两表笔与电容器引线接触的一瞬间,表针应向右偏转,然后缓慢向左回归(图7a),对调两表笔后再测,重复以上过程。电容器容量越大,表针右偏越大,向左回归也越慢。如果表针不动,说明该电容器已断路损坏(图7b);如果表针向右偏转后不向左回归,说明该电容器已短路损坏(图7c);如果表针向左回归稳定后,阻值指示<500kΩ,说明该电容器漏电较大(图7d),也不宜使用。对于容量<0.01μF的电容器,由于充电电流极小,几乎看不出表针右偏,只能检测其是否短路。

二、工作原理
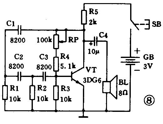
图8是电子门铃电路图,这是一个RC移相音频振荡器。我们知道,晶体三极管具有放大作用,在其基极输入一个信号电压Ub,在其集电极就会输出一个放大了的电压Uc,如果将输出电压反馈到输入端(正反馈)再进行放大,如此周而复始,电路便产生了振荡。但是,集电极的输出电压Uc与基极的输入电压Ub是反相的,请参看图9,如果基极输入电压Ub上升,集电极电流ic增大,集电极电阻R上压降亦增大,集电极电位(即输出电压Uc,Uc=E-ic·R)则下降, Uc与Ub互为反相(相差180°),必须设法将Uc再反相一次(移相180°),才能满足振荡的相位条件(正反馈)。


利用电容器上电流超前电压的特性组成的RC网络(图10a),具有移相作用。从图10b矢量图中可以看到,RC网络使输出电压Uo超前输入电压Ui一个相移角Φ,Φ在0°~90°之间,由C、R的值决定。图8中,C1、R1、C2、R2、C3、R3组成三节RC移相网络,每节RC网络移相60°,三节共移相180°。将三节RC移相网络接到晶体管VT的集电极与基极之间,使集电极输出电压经移相网络反馈给基极。我们已经知道,集电极电压Uc与基极电压Ub相差180°,现经三节移相网络将Uc再移相180°,共移相360°,使Uc与Ub同相,实现了正反馈,满足了振荡的相位条件。RC网络同时也决定了电路的振荡频率f,f≈1/(2π\(\sqrt{6}\)RC),图8电路f≈800Hz。

R5是集电极电阻。R4与RP是基极偏置电阻,改变RP可调整晶体三极管静态工作点。C4是耦合电容,将振荡信号耦合至扬声器发声。
三、制作与调整
1.元器件选用与自制:晶体三极管选有和3DG型或3DK型,也可选用进口NPN型硅管,β>40即可。C1、C2、C3选用小型瓷片电容器,C4选用小型电解电容器。R1~R5均选用1/8W金属膜或碳膜电阻器,RP选用小型微调电阻器。扬声器选用8Ω小型电动式扬声器。按钮开关可以自制,方法是:取一小块敷铜板,将铜箔中间刻断,再将一弹性铜片弯曲后,一端焊牢在左边铜箔上,另一端与右边铜箔相距约2mm(图11a),然后焊上引线,装入一软塑小盒即成(图11b)。

3.按下按钮SB,使电源接通,调整微调电阻RP,使声音响亮悦耳。
4.将印刷电路板连同扬声器、电池盒一起装入一塑料盒中,挂在门内,将按钮开关(软塑小盒)粘在门外,当按压软塑盒盖时,里面的弹性铜片与铜箔接触,电源接通,门铃便发出“嘟—”的声音。(门宏)

