(李中)随着DTMF信号在通信及密码电路中的广泛应用,DTMF信号的解调成为一个问题。市场上出现的DTMF信号专用解调器MT8870、YN9101由于价格昂贵,在业余制作中不能普及使用。本人在实验过程中,利用廉价的LM567、74LS08完整地解调了DTMF信号,能够驱动发光二极管、继电器等,从而达到检验DTMF信号,进行自动控制目的。DTMF信号的频率如附表所示。

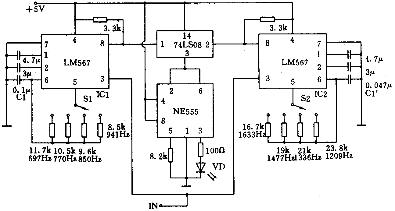
由于LM567锁相环中心频带窄,能够严格地区分DTMF信号中相邻频率信号,且其中心锁定频率可由5、6脚间电阻调整,故可采用两片LM567分别解调DTMF信号的低频群、高频群信号。
解调电路如附图所示。IC1、IC2分别解调低频群、高频群信号。IC1、IC2的5、6脚间分别跨接不同电阻,电阻对应中心锁定频率如附图所示。所需解调DTMF信号须先由S1、S2预置相应位置才能解调。当IC1、IC2接收到预置DTMF信号时,8脚输出高电位,通过74LS08二输入四与门,输入驱动电路,可驱动发光二极管、继电器、可控硅等。C1、C1′必选择性能稳定的电容器。
