(许棠)本文介绍用556双时基集成电路组成的数字密码控制器,具有保密性强、工作可靠、限时按码开锁及误按码自锁、功耗低和制作简单等特点,适合在各种电子密码锁或密码保险开关上使用。
工作原理:图1是由三块NE556双时基集成电路组成的四位密码控制器电路原理图,IC1的1~7端组成单稳态定时电路,用于限时按码控制,R2、C2为定时元件,IC1的8~12端、IC2、IC3的1~6端分别组成四个触发记忆电路,由IC3的5端输出控制电压,IC3的8~13端组成开锁闪光指示电路。

接通电源时,IC1的单稳定时电路5端输出低电平,同时低电平触发端8端输入低电平,高电平触发端12端输入高电平,故9端输出高电平且送到IC2的高电平触发端2端,而低电平触发端6端输入高电平,故5端输出低电平(此时若按下2键5端输出高电平,但放开键后又恢复低电平,即不能记忆高电平状态)。因IC2的8端输入低电平,12端输入高电平,故9端输出高电平且送到IC3的6端,因电容C11使IC3的2端在接通电源瞬间为高电平,故5端输出低电平,作为锁闭控制输出电压。
开锁时,按1键则IC1的5端输出高电平且送8端,按2键则12端输入高电平,故9端输出低电平且送IC2的2端,按3键则IC2的6端输入低电平,故5端输出高电平且送8端,按4键则12端输入高电平,故9端输出低电平送IC3的6端,2端的C11充电结束后为低电平,故5端输出高电平,作为开锁控制输出电压。按键开锁必须在规定时间Tw内完成.Tw≈1.1R2C2,若超过时间Tw,单稳电路5端输出低电平,使以下各触发记忆电路无法输入或记忆而无法开锁。当按下复位键时,IC3的2端输入高电平,此时6端已为高电平,故5端输出低电平,起复位作用。复位键同时又是“伪键”,误按“伪键”则电路复位(或自锁)。
IC3的8~13端组成振荡电路,复位端10端接输出端5端,当5端低电平时振荡器不工作,9端输出低电平,发光二极管VD5不发光;当5端输出高电平时振荡器工作,9端输出振荡电压,VD5闪光指示开锁状态。
密码控制器带负载能力较强,最大负载电流达200mA,可直接驱动继电器或可控硅(使用7556CMOS器件则负载能力较小,约为30mA)具体负载图中未画出。
上述是4位密码控制器,如果增加一块556集成块,则密码可增加到6位。所增加的IC接线形式与IC2相同。
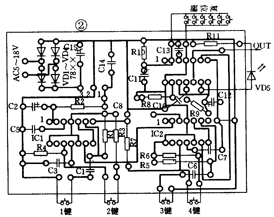
图2是四位密码控制器印制电路图。本电路对元件无特殊要求,在负载小于30mA时可选用7556器件以降低功耗。按图安装、焊接无误,一般无需调整,必要
