本文介绍的几种无线遥控机动车防盗器,根据不同型号,分别具有以下几个特点:1.所有防盗功能选择和解除可由无线电遥控器进行操作。2.具有高灵敏度,有震动(或雷达扫描感应)即报警,且灵敏度可根据需要进行调整,当设定在警戒状态时,机动车受轻微碰撞时(或有人接近时)即发出报警声。3.当设定在警戒状态时,任何钥匙也无法启动,如试图起动,即发出报警声并使发动机熄火。4.报警器设有延时装置,报警10秒后自动停止,恢复警戒状态。5.报警器喇叭响度声级大于120dB。6.遥控寻车时,能发出求救信号,也为在车丛中寻找车辆带来方便。7.万一忘记设定防盗,车被窃贼开启时,可遥控强制引擎熄火。8.采用高可靠TWH系列密码遥控电路,重复度为32万分之一。9.遥控距离大于100米以上,当采用F型远距离遥控器时,遥控距离高达3公里。
由于机动车的种类以及使用者要求防盗的功能不同,机动车防盗器分为多种型号,以供用户选择,下面以中山市达华电子厂的生产的TWH14型防盗器为例,介绍其内部结构和安装使用,供读者参考。
机动车防盗器由发射(可以随身携带的体积35×25×15mm匙扣式遥控操纵器)以及接收主机(安装在机动车内的密码接收控制器)和超响度报警器组成,其方框图如图1所示,内部电路如图2所示。


图2为发射机电原理图,由V1发射管及外围元件构成频率为265MHz超高频发射电路,此发射电路受到编码电路TWH9256的控制,通过对IC进行加密处理,使之组成特定的编码。当按动匙扣盒上不同的键时,TTH9256发出相应的编码对V1组成的超高频电路进行调制,将编码调制波通过匙扣盒内印板上微带天线向空中发射。本电路具有高效、省电的特点,一节A23型12VW微型电池可使用半年以上。

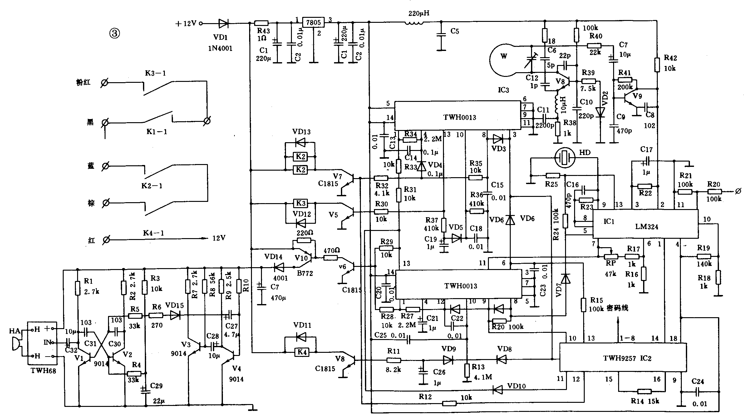
图3为防盗器主机电原理图,其工作原理如下:12伏电源经VD1后分为两路,一路供驱动电路及负载,另一路经7805三端稳压器后输出。由V8及外围元件组成超高频接收电路。当发射机发出的编码调制波被微带天线收到时,经V8调谐放大,检出低频成分,再经V9前置放大后送进IC1LM324运放进一步放大整形。该信号从LM324的1脚输出送进IC2,IC2是与发射机互相配对的解码集成电路,由它对信号进行判定、比较,核实确为对应发射机发出的密码信号后,根据密码内容,在不同的输出端输出控制电平去控制其它电路和执行机构,另外,在IC1运放9脚对地接有一只高灵敏度震动传感头HD,检拾外部机械震动,当按一下匙扣发射机设定键后(图2中S4键)带此键密码的信号使TWH9257的10脚输出控制电平,使TWH0013进入预备工作状态,打开震动传感器通道,此时如车辆发生震动,HD将检测出并将此变换成电信号,经运放IC1放大和比较后送IC4处理,使V7饱和导通,12V电源V7送到TWH11高响度报警器,发出报警声,并维持10秒后才停止。IC1的7脚电位器可改变受震报警的灵敏度,以满足不同需要。在设定状态下,如有盗贼用万能钥匙伸进锁孔欲盗车,同样会触发报警,而且触发IC1的12脚电路,经IC3处理,最后使K1、K2动作,切换车内点火引线,强迫熄火。当按一下发射机(S3)键后,接收机解出密码放大及处理后,也使V7饱和导通,发出报警声响,与前述不同之处是报警声不受延时时间限制,长响不停,直到按下发射机解除键方可停止。这一切能为车主寻车或求救带来极大方便。防盗器的其它功能,如遥控启动,静音锁定、微波设定、强制熄火、解除等,根据型号不同,分别由TWH9257解码后,通过TWH0013选择控制,这里不一一介绍。
不同型号的防盗器,其内部结构大体一致,但输出控制功能不一样,附表列出了各型号控制功能,图4、5示出A型及B型接线图,供读者参考。



防盗器主机必须选择无金属屏蔽且防水处安装,所有配线应避免外露以防破坏。防盗器主机工作电压分为12V及6V两种,安装时应需注意。
防盗器主机设有震动报警灵敏度调节,安装时可根据需要,用合适的起子缓慢调整后,将胶盖安回原处。接线时应特别注意其中黑色线(接地或负极)必须可靠,使用多年外壳发锈的车辆更应注意,否则会由于接触不良而失控。
机动车本身无电动启动发动机、电动门锁,不能作遥控启动引擎和锁门,这时部分接线免接入,其它功能不变。机动车已具备或可增加室外天线的,防盗主机的天线可引至室外天线,天线长度以14cm的倍数为佳。(蔡凡弟)