问:一台罗兰士ITT3304型51cm彩电无光无声,经检查发现,开关稳压电路的输出电压Ⅰ为48V左右,输出电压Ⅱ正常,为20V。若断开电压Ⅰ或Ⅱ的负载,则电压Ⅰ会升至140V以上,但查负载电路没发现有元器件损坏,这是什么经故?(齐齐哈尔 李云海)
答:这是开关电源电路中的电容C716(10μF)变质损坏后的典型表现。C716接在主电压(电压Ⅰ)输出两端,起储能和滤波作用,C716变质后,使主电压脉动明显增大,在开关输出管截止期间的输出幅度剧降,平均值也就明显降低,从而造成无光无声。只要换上新的C716就可排除故障。需注意:C716是该机易损件,应选用优质电解电容器作C716,以免使用不久又损坏。(德沅)
问:熊猫3631A彩电开机时只能处于待命状态,用遥控器和手动(STAND-BY)开关均不能工作,还有一种马达声。测电源输出的各路电压都很低,行输出管和行输出变压器均完好,S1端对地电阻也不小(约20kΩ),并没有短路。不知这是怎么回事?(湖北 万洪良)
答:这种现象说明电源处于保护状态,这也是松下系列机心串联型开关电源的优点。当S1(+111V)由于某种原因超压时,保护可控硅即导通,迫使输出电压降至很低,有效地保护电路不被损坏。检修时应先断开行输出电路,在C814(220μF/160V)两端并接一只500Ω/30W负载电阻,开机试验,如可控硅V804栅极电压升至0.8V以上,说明已经保护。拆下可控硅后如果电压升至150V上应该立刻关机,认真检查取样电路的R810、R811以及V803和VD807等。如果测出的电压不超过110V,或只有70~80V则应检查可控硅和C814。根据修理多台熊猫牌彩电的经验,C814损坏的居多,其特点是电解电容无容量,输出电压只有80V左右。用示波器测S1端有幅度很高的方波脉冲,由此造成可控硅进行保护,更换此电容后故障即排除。(于勇军)
问:一台维迪通TS5601-P型彩电,图像在垂直方向滚动不止,调节场频电位器P1可使其同步,但又出现图像上下抖动现象,请问如何检修?
答:这种故障多发生在场同步和场扫描电路中。该机场扫描电路以集成电路IC1(TDA1170S)为核心,应从外部有关元件入手检查。首先检查振荡频率是否正常,方法是断开与IC1⑧脚相连的场同步脉冲输入电容C2,调节场频电位器P1,使图像在无同步信号状态下在屏幕上基本稳定,若图像始终缓慢滚动,说明场频正常,否则应重点检查C1、R14、P1、R2等定时元件,然后将C2重新接入电路,使场同步脉冲输入到IC1⑧脚,观察图像是否稳定。若图像上下抖动,一般有两种原因:一是与8脚相连的场同步电路有问题,因为该电路出现故障后会使同步脉冲畸形或幅度变小,造成图像抖动,故重点检查积分电路元件R17、C10、R20、C12及C2是否变值。二是集成电路IC1质量有问题,若上述元件均正常,则应考虑更换IC1。(张文华)
问:一台乐声TC—1830DHN型彩电,伴音、图像正常时,在屏幕的上、下边缘各有一条宽约1.5cm,稍向右偏左倾斜的压缩黑带,其中上边缘黑带有半圆锯牙齿状。请问应怎样维修?(黄碧君)
答:这种故障是场输出集成块IC401或其外围元件有问题,查IC401各脚电位,若有的管脚电位不对,应认真检查该脚外围元件,无问题后,更换IC401。一般情况下C420损坏的情况较多。(刘松和)
问:一台彩色电视机上的集成电路D7680AP损坏,请问用什么型号的集成块可直接代换?(北京大兴 李燕旭)
答:可用CD7680AP、TA7680AP、KA2914、IX0718CE直接代换,它们的引脚排列、功能完全相同。 (邱慧远)
问:一台沙巴(SABA)T51SC32DTC彩电伴音正常,但只有黑白图像而无彩色,试换视频集成块U4606后故障不变,该如何检修?(河北 沙明)
答:根据维修经验,沙巴20英寸彩电黑白图像正常而无彩色基本上都是TL21损坏。三极管TL21原机采用BC548,可用最常见的3DG12、3DK4等直接代之,彩电立即可恢复正常。(汤志成)
问:有一台长城牌TJC-472型彩电,已经使用5年。每逢开停机,手指一触摸按键,便有电击的感觉,请问是何道理,如何解决?
答:该型电视机前脸呈银灰色,这是因为在制造过程中,喷涂过一层金属粉末,形成了一张金属箔板。中间以塑料绝缘并与显像管高压部件组成了高压电容器。当开停机时,人体触摸到导电的金属镀层,自然要引起对地放电,所以有一种电击的感觉。
解决的办法是,用一段2米长的塑胶软线,一端的铜丝用医用橡皮膏粘固在前脸侧面,另一端则用桌子腿压紧在水泥地面上即可解决。如果是木板地面,将其钉在墙面上也可。(冯万城)
问:一台金鸡牌888型双卡收录机发生无声故障,调幅波段收不到任何电台信号(本地无调频台,不知FM波段是否正常),经查发现集成电路TA7640AP脚对地连接的0.01μF电容漏电,换新件后能收到,但AM波段均为短波电台信号,无中波台信号。再查天线及振荡回路,更换四连及TA7640AP等元件也均没找到故障所在,不知问题出在何处?(江西 余为)
答:应在调幅本振电路,即TA7640AP③脚(本振电路外引端)外接LC回路中查故障。由于能收到短波电台信号,说明电路已能工作,只是本振频率明显偏离了正常值;又因为能够调谐电台,所以四连损坏的可能性较小,一般以垫整电容(330pF)脱焊或容量变小为常见,只要换新或重焊便可排除故障。(元沅)
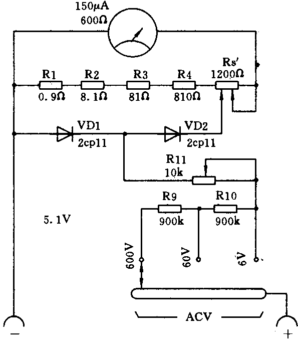
问:一块MF66型万用表在测量交流电压时,不慎拨错了量程开关而造成交流电压的所有测量档均不能使用,但其余各档仍正常。不知何故?应如何修复?(邯郸市 张倩峰)
答:除交流各档均有问题外,其余仍正常,这说明故障点在交流部分的最低量程档(6V~)电路,即如图所示的R11、VD1、VD2与R′\(_{s}\)的活动触点等处。对这些元件或连线及触点逐一仔细检查,然后予以更换或修复。(徐英豪)

问:一台爱华HS-J470型袖珍收录放机(随身听),调幅调频段均收不到台,反复按键调谐选台均无效,但录放音等功能基本正常,这是什么原因?怎样检修?(湖南 董长贵)
答:这种故障大都是DC~DC变换电路或LPF(低通滤波器)损坏所致。在HS-J470随身听中,调谐电路采用电调谐方式,由微控制集成电路IC201(TC9308AF-029)(DO1)送出调谐脉冲信号,加到由Q203、Q204组成的LPF上,转换为直流调谐电压VT,再分别送到调频高放、本振电路(IC101、TA8158F)和调幅高放、本振电路(IC103、TA8132F及Q102),实现电台选择。由IC202组成的DC~DC变换器将3V电压变换为15V电压,作为LPF的电源电压。若实测IC202②脚15V电压不正常,则故障在变换器;反之故障在LPF,应查Q203、Q204等。(申沅)
问:一台声宝6060型收录机,未外接音箱时收放音正常,当插上外接音箱后,扬声器发出有规律的“咕咚……咕咚……”声。拨下外接扬声器插头后,扬声器仍有“咕咚”声,收放音消失,不知何故?如何检修?(山东诸城 郭环宇)
答:这种故障是因插接音箱时引起线路板振动,使机内某组插接件接触不良所致。修理时应重点查看CNP102号插座及机内有关插接件。(邱慧远)
问:有一台DC-2A型晶体管四用电唱机,工作时“沙沙”声特别大,是何原因?应如何检修?
答:常见原因有以下几种:①某级管子穿透电流太大,特别是变频管和前置低放管。一般要求高频管的穿透电流在0.1毫安以下,低放管的穿透电流在0.5毫安以下,超过这个数值该管就不好用了。检修时应首先区分故障在高频部分还是在低频部分。放唱片就可区分出来。因为放唱片时高中频信号全部切断,只有低频放大器工作。这时如果“沙沙”声很大,证明故障在低放;反之,故障在中放及变频级。可依次用短路法将各管基极对地短路,若短路到某一管时“沙沙”声消失,则噪声就出自该管。②某级晶体管的偏流调得太大,可逐级检查各管集电极电流,如果超过规定值太多,必须查明原因重新调整。③变频管的偏流调得太高,使本机振荡很强,产生变频噪声,应进行变频级偏流的调整。(梁怀斌)
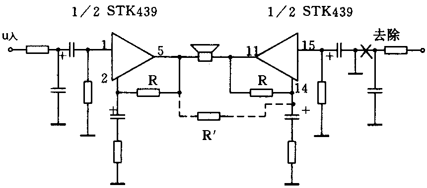
问:如何将厚膜电路STK439双声道扩音机改成BTL双声道动放?(广东 朱约强)
答:在电路上(参见附图);(1)将原输出端耦合电容去除,直接联到扬声器上。(2)将一个电路的输入电容接地,并在图中“×”处断开,去除不用的电阻电容。(3)如图中虚线所示,另加一个电阻R′,其阻值与电路中的R相等为12k。注意图中对电路外围元件未全画出,装制时应全部照接不误。(张国华)
