(赵文华 章新华)采用本文所述电路可将扩音机的输出功率以数字方式显示,并可起到一定过载保护作用。该电路是对组合音响原有扬声器保护电路和电平显示电路功能的扩充,因而可使高档组合音响功能更趋完善。另外,该电路模数转换部分,没有采用价格较贵的专用模数转换芯片,而是用了价格低廉的运算放大器,从而为广大音响爱好者动手仿制减少了经济负担,也减小了购买元件的难度。
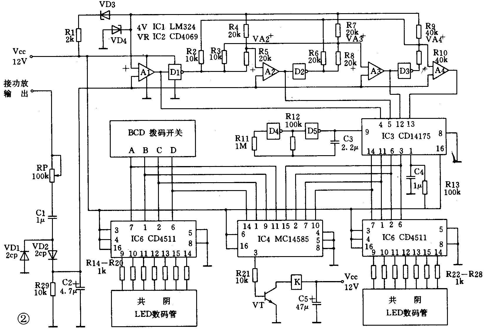
电路方框图如图1所示:功放输出信号后,一路通过原扬声器保护电路驱动场声器发声;另一路送至灵敏度调整电路选出合适电平输入模数转换电路,在模数转换中,功放输出的模拟信号被转换成二进制数。该二进制数一路送译码驱动电路以驱动LED数码管,使其以数字方式显示输出音量的大小;另一路进入过载检测比较电路将其与设定的预定保护值比较,一旦输出大于或等于设定的保护值,保护电路立即启动,断开扬声器达到保护目的。电路原理图见图2。


工作原理:
一、模数转换电路
功放输出信号经电位器RP衰减、电容C1耦合及二极管VD1、VD2整流后,进入由运算放大器A1~A4和反相器D1~D3构成的无时钟模数转换电路。设经VD1、VD2整流、R29、C2平滑后的功放输出信号为5.1V,此信号进入A1~A4的反相输入端。由图2可见,A1同相输入端参考电压VR由VD3、VD4处取出为4V,而反相输入端电压为5.1V,此处A1~A4均接成比较器,因反相输入端电压高于同相输入端电压,根据比较器原理可知A1此刻输出为低电平,经反相器D1反相后输出高电平(8V)。第二个运放A2同相输入端电压可由公式VA2\(^{+}\)=(R4VR+R5VD1)/(R4+R5)求出。将数值代入,VA2+=6V,大于反相端电压,输出为高电平,经反相器D2反相输出为低电平(OV)。当D1输出为高、D2输出为低时,A3同相输入端电压为5V(VA3\(^{+}\)=(R3R7V4+R3R8VD2+R7R8VD1)/(R3R7+R3R8+R7R8)),低于反相输入端电压,所以A3输出为低电平,经反相器D3输出为高电平。当D1、D3输出为高、D2输出为低时,A4同相输入端电压经计算得5.5V(VA4+=(R6R2R9VR+R6R9R10VD1+R2R9R10VD2+R6R10R2VD3)/(R2R6R9+R6R9R10+R2R9R10+R2R6R10)),高于反相端电压,故A4输出为高电平。综上所述,当5.1V模拟信号经模数变换后,得到“0101”的负逻辑二进制数。同理,功放输出瞬间为其他值时,其工作过程同上,此处不再重复。
二、数显驱动及保护检测电路
二进制数“0101”送到四D触发器IC3的4、5、12、13脚,经触发器触发锁存后,从反相端3、6、11、14脚输出,从而还原成正逻辑信号。在这里IC3的1脚加一个上电复位信号,使得刚加上电时触发器输出为全“1”,强制保护电路动作,避开开机的冲击,在9脚加上一个约2Hz的振荡信号,使触发器的锁存时间约0.5秒,以使显示字符相对稳定。IC3的输出信号,一路送到IC5BCD锁存、译码、驱动电路CD4511的7、1、2、6脚以驱动LED数码管显示字符“5”;同时信号又被送到IC4四位比较器MC14585的2、7、10、15脚,将IC3的输出信号和由BCD拨码开关设定的保护值信号在IC4中进行比较。比较中,一旦输入值大于设定值,IC4的13脚则输出高电平使三极管VT导通,保护继电器吸合,从而断开扬声器接线达到设定保护之目的。BCD拨码开关是一种用人工拨动号码盘而产生BCD码的机械开关,0-9每一号码位均印有相应数字,设定信号值时很方便。美中不足的是印刷的字符较小,不便于观察,所以在拨码开关的输出端又接一位数码显示电路IC6及相应LED数码管进行预定值显示。
三、元件选择与电路调试:
IC1为LM324,IC2为CD4069,IC3为MC14175,IC4为MC14585,IC5、IC6为CD4511,LED数码管选用两位数字共阴数码管,BCD拨码开关可根据音响面板选取适当尺寸的,电阻、电容、晶体管、继电器等元件无特殊要求。电源可与功放共用,但需经降压、稳压至12V方可使用。
本电路只画出一个声道,另一声道与此完全一样,如欲共用一个时,可经左右声道混合电路(需另行设计)后即可。接入电路时,先将灵敏度电位器调至最小,然后将功放音量调至适中位,再调灵敏度电位器RP,使LED数码管显示为4-5,此前应预先预置拨码开关数字至7-8。若音量显示值过大或过小,调RP无效时,可更换VD3、VD4稳压管至合适值。继电器接入时,其常闭接点串接在扬声器与原扩音机输出之间。IC3、IC4各脚功能见图3,其余集成块因广为人知,本文不再介绍。
