SC-W系统钟控插座,是把定时器件配上适当的接口电路及功率元件(可控硅或继电器)而成的有特色的自动化工具。见图1。

SC-W系列钟控插座的核心部件——钟控器,可使用SC-C1或SC-C3。SC-C1有一个控制输出端,每当设定的定时时刻到来,该端便产生高电平直流信号,延迟一小时后自动降为低电平。也可以通过按键手动置该端为高电平,以10分钟为单位设定延迟时间,最长1小时,延迟时间到,自动降为低电平。前者用于定时自动“开”和自动“关”,后者用于手动“开”,定时自动“关”。SC-C3功能更强,有6次任意设定的自动“开”、“关”输出信号。这6次可以一周一循环,也可以每天一循环。SC-W型插座把钟控制和市电输入输出连为一体,外观设计也十分精巧、别致,既是一个高性能的自控装置,又是一个高质量的数字式闹钟。闹鸣信号扬声器输出的宏亮乐曲,悦耳动听。
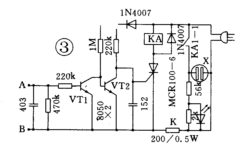
针对不同的需要,这种插座功率输出有两种。A型功率较小,内部电路如图2所示。该电路是固态继电器电路的变形,区别仅在信号输入端。图中A接钟控器输出端,B接钟电源负端。用TL366双向可控硅(3A/600V)、额定功率(阻性负载时为400W,最大600W)。X是用电器插座,插头接入市电。B型功率较大,内部电路如图3所示。它承受的功率由继电器触点KA\(_{1-1}\)决定。本产品选用经认证的240V交流继电器,触点最大电流10A,额定功率(阻性负载时)1kw,最大1.5kW。


SC-W型插座使用很方便。先用面板按键调整好正常走时和所要的定时时间,然后把要控制的电器电源插头插到钟控插座上并打开电器设备的电源开关待命,最后把钟控插座本身的电源插头插到市电插座上。当时钟走到定时时刻,市电就通过钟控插座向电路设备供电。一旦定时时间结束,电器设备的电源则被钟控插座切断。
钟控插座使用3节五号电池,一节是钟电源,另二节是音乐IC电源。这样在作闹钟使用时,才能保证触发音乐IC,这是由IC特性决定的。使用中要特别注意用电器插头与插座的良好接合,避免接触电阻引起发热使插座碳化。通电中途如要断电,要使用面板上相应按键,不要在带电情况下插上或拔下用电器插头,以免产生火花造成内部电路或部件的损坏。(林积荣 林书椿)