一、引言
我国现行的PAL制彩色电视广播制式是将亮度信号和色度信号采用频谱交错、共用频带的技术同时传送的,而在模拟电视接收机中对亮度信号(Y)和色度信号(C)的分离通常都是借助于普通带通滤波器和陷波器来完成的。具体来说,从复合视频信号中分离出色度信号的方法如图1( a)所示:中心频率为4.43MHz,具有±1MHz带宽的带通滤波器取出色度信号。这种分离方式一方面因带通滤波器会导致清晰度下降,另一方面用此法在取出色度信号的同时,使位于该频率范围的亮度信号也同时被取出,因而造成亮色分离不完善,引起不可避免的亮串色问题。从复合视频信号中分离出亮度信号的方法如图1(b)所示是在亮度通道中通过设置中心频率为4.43MHz、带宽为150kHz~250kHz的色副载波陷波器来减弱色度信号对亮度信号的干扰。这种方法一方面因陷波后的亮度信号中尚存在有色度信号分量尤其是高频分量,会造成“色串亮”;另一方面由于陷波电路对副载波衰减十几个分贝,会造成亮度信号高频分量受损,使图像清晰度下降。虽然设有高频补偿电路以补偿因此而造成的亮度信号清晰度的下降,但补偿量不能太大,否则它同时会使副载波分量随之上升。可见这种亮色分离方式虽然简单,但亮色分离不理想所造成的亮色互相串扰,在一定程序上损伤了图像的质量。

随着科学技术的不断发展,人们对电视图像质量的要求亦越来越高,因而上述传统的Y/C分离方法必须加以改进。这是因为从主观上看,用上述方案进行Y/C分离后,屏幕上图像的亮色互串现象有一定的可见度,特别是在大屏幕显示的情况下,上述缺陷就暴露得更加明显。当然,由于亮度通道内色副载波陷波器的存在,亮度信号在色副载波附近的分量也被陷掉不少,图像的清晰度所受到影响更加不能容忍。
目前,在一些数字彩色电视机及录像机中,采用了数字二维梳状滤波器,使Y/C信号能完善分离,不言而喻它是改善图像质量的好方法。其原理主要是,首先把模拟信号用A/D变换器变成数字信号,然后用数字二维梳状滤波器实行Y/C分离,再把分离后的Y/C信号经D/A变换成相应的模拟信号,分别送到亮度通道和色度通道。这种梳状滤波器通常采用视频随机存储器(VRAM)等作为延时器件,根据信号带宽在器件允许的最高工作频率下合理选择工作时钟和写入及读出时钟,即可获得所要求的带宽及延时量,工作简单可靠。然而由于这种方案需高速的A/D、D/A转换器件及高速的视频存储器,成本高,模拟接收中单改此部分是不合算的,故此方案只适于数字电视接收机中。模拟电视接收机中的二维梳状滤波器可考虑选用CCD作为延时器件,其工作原理类似于VRAM,但不需要A/D及D/A转换、它直接对模拟信号进行延时处理。然而目前国内生产的这种CCD延时器件在速度和带宽上尚达不到要求,价格也太高,故而现阶段尚不能应用于实际的电视机电路中。
实用方案采用由两行超声波玻璃延时线构成的二维梳状滤波器对模拟亮度信号和色度信号进行分离,它既可减小亮色互串,又不会丢失亮度细节,提高了重现图像的质量。
实用中,上述滤波器的滤波效果一般是较为满意的,但当图像内容在垂直方向变化较大时,即相邻行信号的相关性减弱时,频谱抵消便不能彻底,造成Y/C分离的效果在垂直方向图像内容变化较大的区域内变差。这个缺陷与消除高频亮色互串所带来的图像质量提高相比,还是可以接受的。如果采用自适应型3行梳状滤波器,则可克服上述缺陷,进一步提高Y/C分离的质量。
二、实验方案一:简单的二维梳状滤波器
首先在一块独立的小板上搭接图2所示的简单的二维梳状滤波器电路,其中关键器件——2H延迟线选用的是天津无线电元件六厂生产的2H超声波玻璃延迟线。
该延时线内部已装有一个2.4k的直通电阻,即已将直通信号送至输出端。
采用此延时线并设计制作了相应的外围电路,做成了一个10cm×8cm的独立小板,所用电感均单独制作调试。考虑到玻璃延时线有约10dB的插入衰减,小板上设计安装了一级色度放大器,把放大后的色度信号送入二维梳状滤波器,实验和测试是借助于一台日立CTP-236D型彩色电视机进行的,将该机色带滤波器后的C502处断开,串入本实验小板,经小板的二维梳状滤波器得出的色度信号返送回原电路即IC501的脚。另外,将亮度通道电路中的R302处断开,将经小板的二维梳状滤波器后的亮度信号运送回原电路中Q301的基极。仅作此改动后,彩色电视机的主观图像质量就有较明显的提高。
用BT-5扫频仪测试观察,所搭接的二维梳状滤波器的梳状特性非常明显。再用其收看标准彩条及其他测试图时,发现水平彩色交界处的亮串色现象比不接入实验小板时的主观感觉有明显减小。用示波器测量表明,实验小板接入后与接入前比较,亮串色成分减小了1/4(约减小12dB)。
本实验仅增加几十元的成本,便可使彩色电视机的图像质量有所改进(亮串色减小12dB),而且实验板与整机连接也方便可靠。如果配用其他机心的彩色电视机,只需根据具体电路稍加改变,便可达到改进图像质量的目的。可见,该方案具有一定的实际意义。但限于目前超声玻璃延迟线的带宽及插入损耗等指标的不理想,使实际Y/C分离效果还不能达到最佳,还有待于进一步的改进和提高。
三、实验方案二:自适应3行梳状滤波器
如前面所述,为进一步提高Y/C分离的质量,可采用图4所示的自适应型3行梳状滤波器,图中相关性检测电路可对当前行(第几行)与第前两行(第n-2行)和第后两行(第n+2行)的图像内容作相关性检测,并根据检测结果,随时在4个不同的滤波器中选出最理想的一个。图4中开关处于a时,为n行信号与n-2行信号相加;开关处于c时为n行信号与n+2行信号相加,其原理前面已分析过,此处不再重复。当开关k处于d时为普通带通滤波器,即第n行信号直接输出,无梳状分离特性。当开关k处于b时即为3行梳状滤波器模式,其梳状特性非常明显,可在不发生网纹干扰的情况下比较彻底地实现Y/C分离。该方案中相关性检测部分是设计制作的关键。

四、其它方案
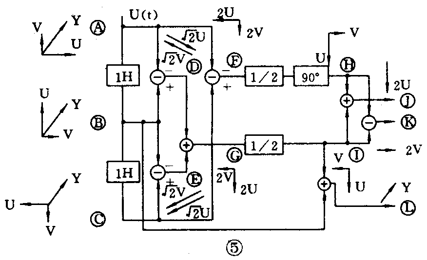
上面所列的简单二维梳状滤波器或自适应型3行梳状滤波器都是采用了两行延时线,因而进行相加或相减的两行信号的相关性通常要比相邻行信号的相关性弱,另外,Y/C分离后的C信号还要经过U/V梳状分离,使电路结构及信号处理途径相对复杂一些。实际上,用两个一行延时线也能够完美地实现PAL制信号的Y/C梳状分离并进一步完成U/V分离,其基本原理如图5所示。

为分析简单起见,图中略去了自适应相关检测的处理电路,电路中每一节点的信号都以矢量图给出。设当前行的信号矢量如图中示,考虑到1H(64μs)对应283075个副载波周期,且V信号矢量是逐行倒相的,则经一行及两行延时后的信号矢量分别如图中 所示。此三行信号矢量分别经若干加、减法器及其它相应电路后,即可在输出端别得到干净的U、V及Y信号。(高厚琴 杨磊 姚守恒)

