KD-9562是一种大规模CMOS模拟声集成电路,内部包括振荡器、控制器、选声电路和输出电路等。它能够发出8种不同的模拟声音。该电路具有以下特性:(1)工作电压范围宽,2.4~5V均可正常工作;(2)静态电流很低,典型值为2μA;(3)外接振荡电阻R,可通过改变R调整模拟声频率;(4)输出电流≥1mA,外接一个NPN型晶体管即可驱动扬声器。
一、基本使用方法
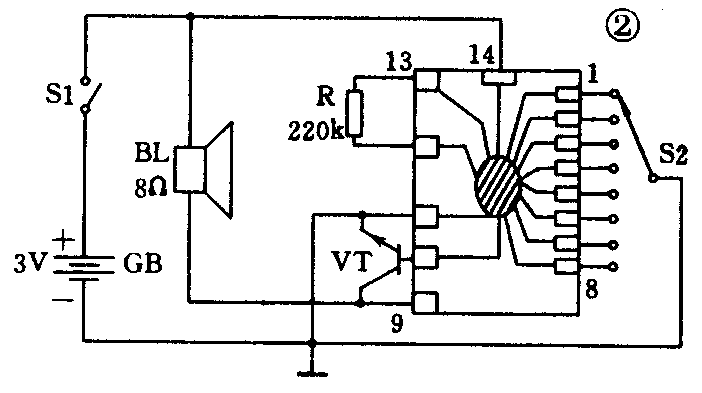
KD-9562采用小印板软封装,外形见图1。其典型应用电路如图2。VT是功放管,将IC产生的声音信号放大后驱动扬声器发声,采用NPN型小功率管,如进口9013、9014、国产3DG、3DX系列等,β≥20即可。R是外接振荡电阻,其阻值大小决定模拟声的频率,典型应用时R=220kΩ。晶体管VT与电阻R直接焊在KD-9562小印板上。选声开关S2为一单刀八位开关,当其分别将选声1~8端接地时,相应地产生8种不同的模拟声音,如表1所列。该电路无需调试,一装即成。


表1
选声端 声音
1 来福枪声
2 太空枪声
3 救护车声
4 双音门铃声
5 投弹声
6 爆炸声
7 机关枪声
8 冲锋枪声
二、怎样发出更多的声音
KD-9562除了发出上述8种声音外,还能发出其他的声音吗?答案是肯定的。KD-9562电路的结构形式(外接振荡电阻R、具有8个选声端),为我们创造性地运用该电路,使其发出更多的声音提供了可能性。下面介绍具体方法:
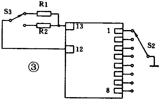
1.改变外接振荡电阻R的阻值
改变R的阻值,即改变了IC内振荡器的时间常数,使其振荡频率发生变化,其结果不仅改变了模拟声的频率和音调,而且派生出许多新的声音。如图3所示,将R改为一组电阻,其中R1仍为典型值220kΩ,R2可大于或小于典型值,由开关S3进行控制。当选声开关S2置于某一选声端时,S3接通R1或R2,电路便会发出两种不同的声音。例如:R1=220kΩ,R2=100kΩ,S2置于选声1端,当S3接通R1时,电路发出来福枪声;当S3接通R2时,电路则发出小鸡叫声。8个选声端共可发出8×2=16种声音,增加了一倍。取代R的一组电阻,其取值一般在20~800kΩ范围内,数量可以是2个,也可以是3个、4个甚至更多。电阻数量少,则阻值相差大,声音变化明显,但声音种数增加得少;电阻数量过多,则阻值相差过小,声音变化不大甚至无变化,也达不到增加声音种数的目的。一般应使各相邻电阻阻值有2~3倍的差距,可通过实验确定。在满足声音变化明显的前提要求下,电路发出模拟声的种数M=8×N(式中:8是选声端个数;N为一组电阻的个数)。

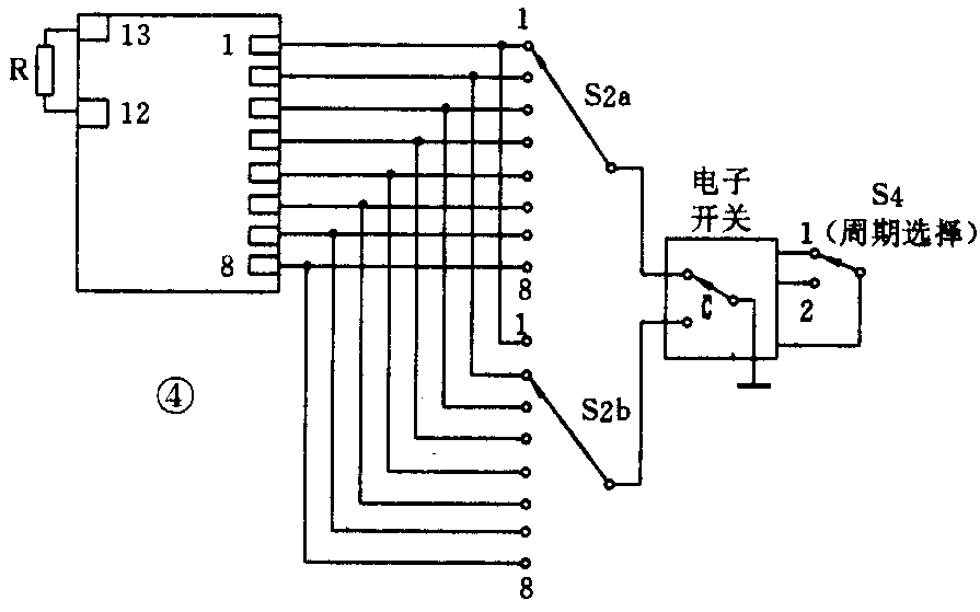
2.改变选声端控制模式:
KD-9562具有8个选声端,工作时其中之一接地,相应地产生一种声音。由于选声电路的内部特点,同时将2个或更多的选声端接地,不会产生新的声音。例如:1、2端同时接地,等效于2端接地;3、4、5端同时接地,等效于8端接地等等。但我们可以将其选声端接地方式由固定模式改为流动模式,使2个、3个……直至8个选声端快速轮流接地,其效果是组合产生了许多新的声音,有些声音美妙绝伦,甚至无法用文字来命名。各选声端快速轮流接地的任务,由电子开关来完成。电子开关周期不同,每次轮流的选声端的个数、序号、排列组合不同,所产生的声音效果也不同。图4是每次两个选声端轮流的示意图,S2a与S2b选择参加轮流的两个选声端,当S2a与S2b接到同一选声端时,等效于一个选声端接地。电子开关的周期一般在100~1000ms范围内选取,也可以设计若干个不同的周期,由S4控制选择。若干个不同周期在数值上应相差2~3倍以上,否则效果不明显。本电路产生模拟声的种数M=C\(^{2}\)\(_{8}\)×T+8(式中:C28是8个选声端中每次取2个不同的选声端的组合数;T为不同周期的个数;8是典型应用时产生的8种基本声音)。图4电路中,电子开关设计有2个不同周期,则可产生M=C\(^{2}\)\(_{8}\)×2+8=64种不同的声音。

3.综合运用
将改变外接振荡电阻阻值和改变选声端控制模式两种基本方法同时设计到KD-9562的外围电路中,便可以最大限度地开发IC的潜在功能,使其产生的声音种数远远超过典型应用的8种声音。图5是综合设计的示意图。图中,S2是选声控制模式选择开关,共有C\(^{1}\)\(_{8}\)+C28+C\(^{3}\)\(_{8}\)+C48+C\(^{5}\)\(_{8}\)+C68+C\(^{7}\)\(_{8}\)+C88=2\(^{8}\)-1种选择;S3是外接振荡电阻选择开关,共有N种选择;S4是电子开关周期选择,共有T种选择。根据图5设计方案,KD-9562电路理论上最多可发出不同声音的种数M=[(28-l-C\(^{1}\)\(_{8}\))×T+C18]×N。若设T=3,N=4,则M=2996种,超过了KD-9562本身的8种声音。

三、两个实例
①32声发生器:电原理图见图6。晶体管VT可用任何NPN型小功率管,β≥20。其余元件的数值如图所示,无特殊要求,本电路并可发出M=8×4=32种声音,由S2、S3控制,见表2。


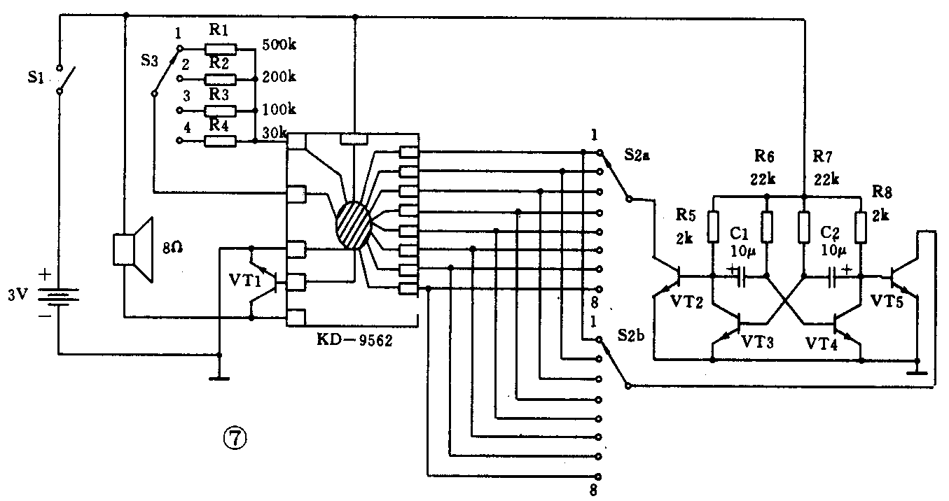
②144声发生器:图7为电原理图。VT1是功放管,型号选用9014、3DG、3DX等,β≥20。VT3、VT4组成多谐振荡器,周期300ms,为电子开关提供时钟脉冲,型号可选用9014、3DG、3DK等,要求两管放大倍数基本一致,β为40~100。VT2、VT5为电子开关,选用9014、3DG等,β≥30。电路组装完毕,先检查多谐振荡器是否起振,可用万用表直流10V档测VT3、VT4集电极电压,表针均应在1~2V范围内抖动,否则电路没起振,原因一般是C1或C2漏电、VT3与VT4的β值相差过大、电路有虚焊等。本电路产生的声音种数M=(C\(^{2}\)\(_{8}\)×1+8)×4=144种。(门宏)
