本文介绍的音乐走廊电路是一种特殊的自动随机音乐系统。将电路适当地安装在两边有墙、柱或栏的走廊的两侧,当有人在走廊里走动时,随着走向、位置及人数的不同,将产生永不重复的随机音乐声响。如果有意安排一些人站在相应的柱边,按预先约定的次序和方向走动。还会奏出优美的特定乐曲。在俱乐部、文化宫、游乐场、舞厅、茶馆等场所暗设这种电路,即可增加欢愉的气氛,又不失雅趣。

图1是音乐走廊电路的原理方框图。A\(_{1}\)n代表n个红外线发射器,分别固定在走廊墙壁的一侧(或柱子一侧)。它们发出的红外线分别照射到对面墙或柱上各自对应的红外线接收器B\(_{1}\)n上。这些接收器在有光照射时输出高电位。所以其后所接的施密特触发器C\(_{1}\)~Cn输出低电位,因此平时乐音源无输出。
当有人经过走廊或在走廊来回漫步时,某些红外光将被暂时遮断,相应的触发器将输出高压,驱动乐音源发出相应的音高。从而随着人的走动,可从扬声器中听到例如“5· 6· 1 2 3 2 1 2-“或”1· 6 5 6 3 2 3-”等乐句。几个人自由在走廊走步时,不仅“曲式”复杂,而且还经常会有和声(几个音同时作响)出现。

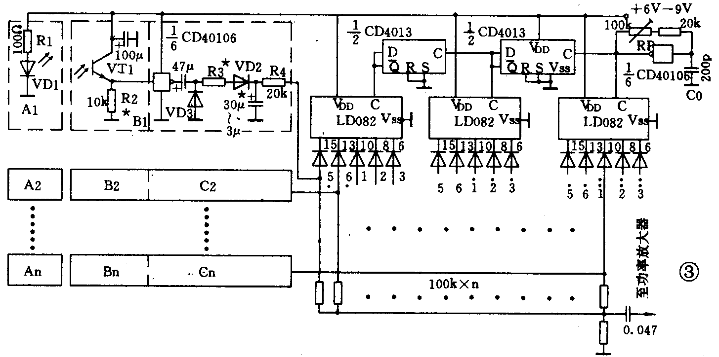
图2是音乐走廊一个通道的控制电路。HL为红外线发射二极管。它向红外线接收管VD1发射红外线。R1是VD1的限流电阻,在能可靠起作用的情况下,则应取大些,以节省电源消耗。
VD1受光照射时,其内阻较小。因此a点电压V\(_{a}\)较高(高于施密特触发器IC1的上限翻转电压),所以IC1输出端b为0状态(低电压,Vb=0V),总系统无乐音输出。当有人通过HL1和VD1之间时,红外光被遮断,VD1内阻变大,V\(_{a}\)下降到低于IC1的下翻转电压,故IC1翻转,使Vb变为1状态(V\(_{b}\)≈电源电压)。这一电压跃变被由C1R3组成的微分电路微分,取其前沿,经R4、VD2对电容C2充电,使其电压骤然上升。微分脉冲过后,C2经R5、R6、R7组成的分压器回路以指数规律缓慢放电,在e点形成了突起渐衰的弹奏音型电压。于是线性门控二极管VD3的导通程度也作相同的变化。这便使电子琴音源集成IC2输出一个相应音高的弹奏音型(钢琴感)的乐音,经R6R7分压后送至功率放大器。

图3是音乐走廊的电路总图。它是图2的扩展和补充:①将发射一接收对扩展为n个(例如10个),这可根据拟使用的音名数量或走廊的柱子数量来确定。在柱子不多时建议按5· 6· 1 2 3 5 6 1· 2· 3· 5·……的五声音阶关系选音。因为这样既节省音源数量,又符合典雅的中国古乐韵律,同时产生谐和和声的可能性也多。②补充了音源部分的具体电路。关于音源集成电路LD082的应用性能可参考《无线电》1987年第7期“LD082型复音电子琴音律集成电路”一文的介绍。本文只对电路的具体应用作必要的说明。LD082是仿意大利产品M082的国产IC。每块含13个半音阶音名。因此当使用五声音阶的音律关系时,只选其中有关的音源输出脚即可(已在图中注出)。假定所设计的音乐走廊取用5 6 1 2 3 5 6 1· 2· 3· 5· 6· 1·等13个音,因它包含了两个八度以上的音区范围,所以必须使用三块LD082来实现。每降低一个八度,其时钟频率也应降低一倍,故图中使用了一个由双D触发器CD4013构成的二级分频器来实现这个功能。并由一个施密特触触发器构成LD082的最高八度音时钟振荡器,其频率由R0和C0决定。可用将C0固定,只调整R0的阻值的办法实现。为了使高低音有相应的发音衰减时值(高音短些,低音长些),应相应改变图2中C2(决定余音长度)的数值。同样,为了使高音敲得清脆,低音敲得浑厚,图2中决定音头“刚度”的电阻R4也应作相应改变,高音支路R4小些,低音支路R4大些。(田进勤)