(门宏)音乐集成块通常用在音乐门铃、音乐贺卡以及电子玩具等方面。除此之外,通过开发其潜在功能,还可以在许多方面有新的用途。音乐集成块的开发应用,一般可分四个方面:①通过改变外接电阻而改变其时钟频率,从而产生新的节奏和音响。②改变其触发手段,如采用光、电、温度、湿度、感应控制等。③改变其终端负载,仅将音乐集成块作为振荡信号源使用。④在其典型电路中设置缺口,可检测相应的元器件。在具体设计时,可综合运用这四种方法。
下面以常见的9300系列音乐集成块为例,介绍一些开发应用实例。
9300系列音乐集成块系小印板软封装,见图1。

一、检测仪器类:
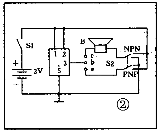
(1)晶体管快速检测仪见图2。有音乐声则为好管;无声或声音不正常则为坏管。

(2)二极管与电容检测仪见图3。测二极管:被测二极管正向接入A、B端应有声,否则为断路;反向接入应无声,否则为击穿。

二、电源变换电路类:
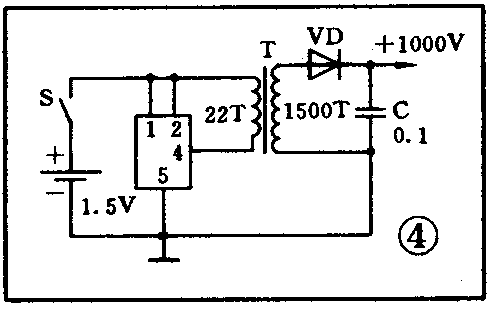
(1)兆欧表高压电源见图4。音乐信号经变压器T升压后,整流滤波成+1000V高压。升压变压器T铁芯用E7型铁氧体磁芯或磁罐,初级用φ0.41mm漆包线绕22匝,次级用φ0.07mm漆包线绕1500匝。整流二极管VD要求耐压>3kV、电流>10mA。滤波电容C耐压>2kV。

(2)直流升压电路见图5。其中(a)图为变压器升压电路,升压变压器T可用小型晶体管收音机变压器根据所需的变压比改绕。(b)图为二倍压电路,如需要也可设计成三倍压、四倍压电路等。

(3)电源极性变换电路见图6。正电源经音乐集成块振荡、负压整流滤波后产生负电源,可在需正、负电源的电路中取代负电源,简化电源种类。

三、信号源类:
(1)音频、高频信号发生器见图7。可输出音频信号、465kHz中频调幅信号、525~1605kHz高频调幅信号。VT1等构成高频振荡器,振荡频率由C3、L1决定。音乐集成块产生的音频信号一方面从插孔XS输出,另一方面经R2、C1去调制高频信号,产生调幅波。电位器RP用来调节音频输出信号的大小。中、高频信号由磁性天线直接辐射输出,可通过改变信号发生器与接收机的距离及相对位置来调节输出信号的大小。磁性天线中的磁棒为φ10mm、长140~200mm,顺向L1绕70匝,L2绕20匝。C3为调谐电容,改变C3应能覆盖460k~1610kHz,否则可增减L1匝数来达到。R3为偏置电阻,调节R3使VT1集电极电流为0.8~1.2mA即可。

(2)调频信号发生器见图8。VT1、VT2等构成88~108MHz高频信号振荡器(由C2调谐),音乐集成块产生的音乐信号经C1耦合至VT1集电极(VT2基极),使管子结电容随音乐信号变化,产生调频波,经C3耦合至天线辐射输出。L1用φ0.51mm漆包线在φ5mm圆棒上绕5匝脱胎而成。调谐C2应能覆盖88~108MHz,否则可调节L1匝间距离来达到。调节偏置电阻R2使I\(_{R2}\)=0.5~0.7(mA)即可正常工作。天线可用60~70cm长的软线。音乐块小印板上不用外接晶体管VT0。

四、定时器类:
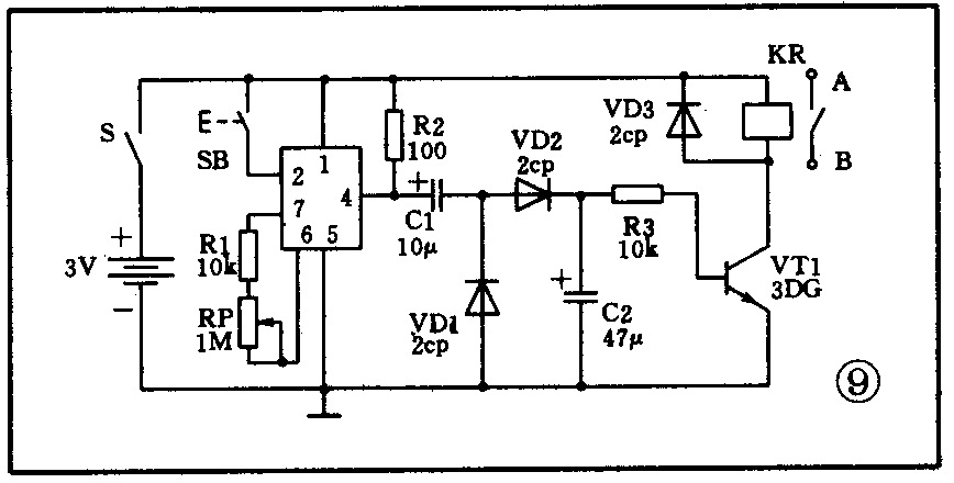
暗房曝光定时器见图9。可提供数秒至数分钟的定时控制。按一下启动按钮SB触发音乐集成块后,音乐信号经整流滤波为一直流电压,使开关管VT1导通,继电器KR吸合,负载工作;一曲终了,VT1因失去偏置电压而截止,K释放,负载停止工作。调节RP可改变音乐节奏,亦即调节了定时时间。VD3为保护二极管,防止VT1截止瞬间被继电器线圈的反压击穿。将继电器接点A、B端串入放大机(或印相机)电源回路即可实现自动定时控制。音乐块小印板上不用外接电阻R。

五、电子开关类:
1.触摸开关见图10。音乐块小印板上均不用外接晶体管VT0。图10中上半部分为“开”电路,当触摸“开”接触片时,IC1被触发,音乐信号正半周使开关管VT1导通,继电器KR吸合,接点kr1闭合,正电源经C、D和R1给VT1提供偏流,电路自保。接点kr2同时接通使负载工作。下半部分为“关”电路,当触摸“关”接触片时,IC2被触发,音乐信号正半周时VT2导通,致使VT1偏流被旁路,VT1截止,KR释放,接点断开,负载停止工作。

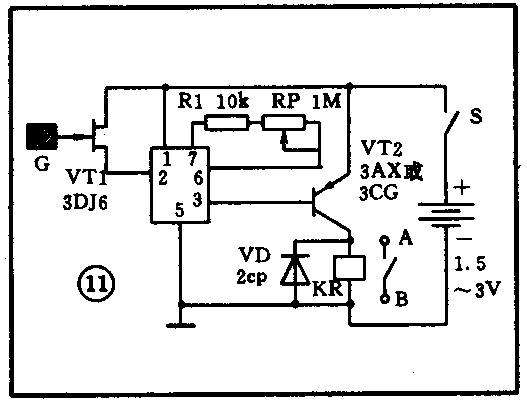
(2)感应自动开关见图11。可置于楼道入口处,当有人进来时,路灯自动点亮,经一定延时后自动关灯,延时时间可通过RP调节,范围在数秒至数分钟。感应片G为一金属片,面积越大灵敏度越高。音乐片小印板上不用外接电阻R。和外接晶体管VT0。

六、报警器类:
通用报警器见图12。(a)为主电路图在A、B端接入不同探头,可组成各种报警器。(b)为下雨报警探头。(c)为水位报警探头。(d)为水平仪探头。(e)为大风报警探头。(f)为地震报警探头。(g)为磁控报警探头。(h)为光控报警探头。(i)为温控报警探头,左边为高温报警,右边为低温报警,R为临界点调节电阻,可用于水开报警、霜冻报警等。
