目前可编程只读存储器(EPROM)的应用日趋广泛。它的最大优点是可以根据需要随时编制固定程序并可在必要时擦除另编。MC2716型EPROM的容量为2K×8,可在许多程序控制的场合应用。购买一台专用的EPROM编程器固然可靠,对于大量编制同一程序尤其便当。但对研究工作中时常需要改变程序内容而编制量并不大的单位或初次实践EPROM的人来说,如果能有一架造价低廉、使用方便的手动编程器则更为理想。笔者从此需要出发、装制了一台这样的编程器,经反复使用,效果良好,材料成本仅几十元。其原理如图1所示。

MC2716的编程条件及过程是:
(1)编程前EPROM本身各存储单元中的数据全部为1。
(2)先加低压电源V\(_{CC}\)(+5V)、再加地址码和欲存入的数据码。
(3)在V\(_{PP}\)上加入+25V高压,准备编程。
(4)在片选脚G-加入+5V片选电压。
(5)在编程脚P上送入脉定为45-55ms(可以略宽于此值)的+5V脉冲电压,一个地址的编程即告结束。
(6)使G-电压为0, 检验数据端的输出,应是所存贮的数据。
(7)转移至下一地址继续编程。
根据这些要求我们来查核一下图1电路的工作过程,同时说明电路的工作原理。
编程前先将K\(_{4}\)拨在r(读出)位,再给编程器先后接上+5V、+12V和+25V电源电压,然后:
(1)按动一下按钮开关K\(_{1}\),此时由6个CO13双D触发器组成的十一位二进制计数器即被清零。Q0~Q\(_{1}\)0均输出低电位,所以MC2716的地址端A0\(_{1}\)0均为0电位。因此可以在地址0中编码。
(2)根据要存入的数据,找出数据中的“1”,合上数据开关K\(_{3}\)-0~K3-7的对应开关,(此时如果轻按着K\(_{5}\),+5V电压就以二进码形式加到MC2716的数据端D0~D\(_{7}\))。
(3)将K\(_{4}\)由r(读出)位拨向P(编程)位。此时+25V电压加向VPP。
(4)按下K\(_{5}\)并立即松开,即将数据写入EPROM。这一动作的详细过程是:a,当K5上的触点a和舌片b接触时,+5V电源即加至片选端G-和数据开关K\(_{3}\)-0~K3-7,于是MC2716的数据端D\(_{0}\)~D7得到一组二进码电压。b,继续按下K\(_{5}\)时,触点a、b、c全部与+5V电源接通。MC2716的编程脚P上得到了一个突升的电位。 C,当放开K5时P端又复为低电位,等于将一个正脉冲加至P脚。由于是用手按动,所以这一脉冲一般都长于50ms,能够满足编程要求。
(5)通过发光二极管D\(_{do}\)~Dd7的指示可以读出所写入的数据,并核证是否与开关K\(_{3}\)-0~K3-7的状态相对应。如不相符,可不动地址再按一次K\(_{5}\)。
地址0编完后,按一下迁址开关K\(_{2}\),最前一个触发器(单次脉冲产生器)的Q端即向计数器的第0个触发器的时钟端C0送入一个正脉冲,使计数器的Q\(_{0}\)=1(对应的地址码变为00000000001)。同时地址指示灯DA0发光,表示MC2716已经“迁址”,可以编入该地址需要存入的数据。往下的步骤完全和前述(2)-(5)相同。
如果中途多迁了地址,或漏编了某个地址,或错编了某个地址的数据还可以改正(即应为0而误编为1的情况),可先用K\(_{1}\)将计数器全部清零,再根据地址码的特征用预置按钮开关K6-0~K\(_{6-1}\)0手动置位,添补这一地址码的存贮数据。
编程开关K\(_{5}\)除编程功能外,还有“全1检查”、“预贮数据检验”及“存贮结果读出”三个功能。它们是这样实现的:按动K5前,编程器处于读出状态,这时可以通过发光二极管D\(_{d}\)0~Dd7来查证被编程的EP-ROM在该地址是否处于全擦除状态。在全擦除状态MC2716数据端D\(_{0}\)~D7全都在“1”状态。因此,发光二极管D\(_{d}\)0~Dd7的每一个都应该发光。当K\(_{5}\)轻按着(a和b接触)时,G为高电位,MC2716处于禁止输出状态。数据端为高阻状态。内部数据(全1)不能输出,故Dd0~D\(_{d7}\)指示K3-0~K\(_{3}\)-7所设定的数据,据此可以检验被贮数据是否正确。只在完成了这项验证后才可以继续很快地按动一下K5,进行编程的最后一道程序。当K\(_{5}\)放开以后,编程器又处于读出状态,因此可以立即通过Dd0~D\(_{d7}\)看出是否编入了所欲存入的程序码。
如果读者还想简化电路的话,可以把地址计数器去掉,用11个通断开关去代替也可以。不过地址的迁移就很费时间,而且由于是二进码形式,在大序号地址(例如1387,1793等)上容易出错。一但编错,需要用紫外灯擦除的话,原来编好的程序就前功尽弃了(必须又从头编起)。
这个编程器是针对MC2716而设计的。但根据同样原理可以设计出其他型号的EPROM编程器。
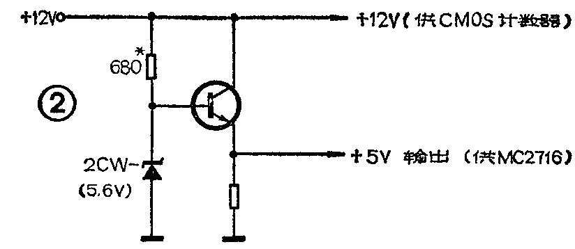
这个编程器要使用三种电源(+5V、+12V、+25V),但也可以简化为+12V和+25V两种电源,其中5V电压从12V中用电子稳压方法得到,如图2所示。晶体管和稳压管的性能必须非常可靠。如果稳压管开路或晶体管击穿,5V电源电压就会上升到12V,使EPROM损坏。

编程器中的发光二极管需用正品元件,否则,必需减小与之串联的限流电阻值才能有明显的亮度指示,而且将会加重CO13和EPROM及电源的负担。(田进勤)