“叨叨”音、“020音和今年第7期发表的“哇哇”音一样,也是电子乐器中的两种特殊音色,本文分别介绍这两种音色的形成电路。
一、“叨叨”音电路
“叨叨”音是个什么音?它是怎样合成的?在讲“哇哇”音时,我们曾近似地将它看成是由“乌”和“阿”两个音合成的。同样,“叨叨”音也可近似地看成是由“得”、“阿”、“乌”三个音合成的。用一个电路怎样产生“叨叨”音呢?基本思路和产生“哇哇”音一样,即借以某种规律改变声音频谱成分的办法来实现。因为用压控有源带通滤波器来改变声音信号频谱成分比较简单有效,所以本文仍利用实现“哇哇”音使用过的那种压控带通滤器来实现“叨叨”音。
我们知道,“哇”音是由“乌”到“阿”的渐变过程,而“叨”音中的元音“Ou”(近似于“阿乌”)却是反过来由“阿”到“乌”渐变的。因此产生这个“Ou”音时,要求带通滤波器的中心频率是由高频逐渐滑向低频端,并且带通滤波器的静止中心频率应该常处于低频端(因为“叨”音的延续尾音为“乌”)。那么开始那个“得”音如何产生呢?“得”音是气流受阻并突然冲破口腔障碍而形成的突发音。在本文中用电子电路去模仿它时,可用一个突强而后逐渐减弱的控制电压去调制压控有源带通滤波器的中心频率,即应向图1中BG\(_{3}\)基极加一个突然升起,然后按指数规律衰减着的缓变电压。这个电压的突升前沿将导致“得”音的产生,而随后的渐弱电压将使压控带通滤波器产生出“Ou”音。连贯起来听,就产生了“叨”(dou)音。

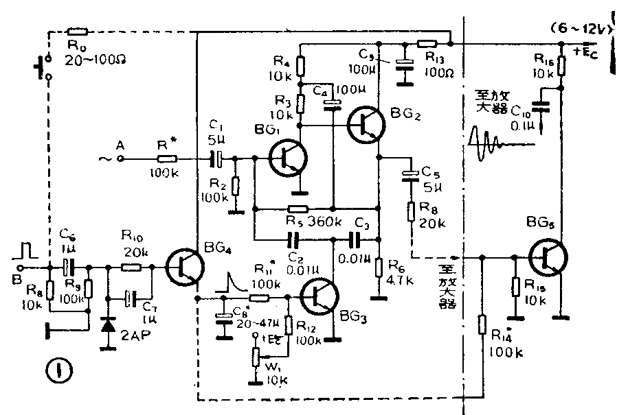
图1中,围绕BG\(_{1}\)、BG2和BG\(_{3}\)所构成的电路与“哇哇”音电路中所介绍的相应部分基本相同(BG1、RG\(_{2}\)和BG3等组成压控有源带通滤波器,改变BG\(_{3}\)的等效电阻即可改变其中心频率),只是围绕BG4所加的电路有所不同,因此我们着重介绍这部分电路。为了得到“叨”音,首先应该把压控滤波器的输出音色调在“叨”音的尾音“乌”上。因此必须把电位器W\(_{1}\)的动臂调到靠近地端,使BG3预先处于接近截止的部位。现在在图1电路的A点送入一个乐音信号,在R\(_{8}\)的右端则会输出一个“乌”音电信号。此时如果将一个幅度接近+EC的正脉冲送入B点,则电路将输出“叨”音。具体工作过程是:正极性的方脉冲加至B点后,由C\(_{6}\)和R9组成的微分电路将其微分为尖脉冲,并再通过并接着加速电容C\(_{7}\)的限流电阻R10,使BG\(_{4}\)迅速导通一次。此时电源电压+EC通过导通了的BG\(_{4}\)很快将大电容C8充电到接近+E\(_{C}\)的电压。尖脉冲过后BG4又恢复截止状态,此时C\(_{8}\)只能通过R11、R\(_{12}\)及BG3的b-e结按指数规律放电。因为C\(_{8}\)R11的时间常数较大,故B-C\(_{3}\)的内阻是突然变小后再逐渐增大起来的,这就使得带通滤波器经历了大致三个阶段:①突然由最低谐振频率变到最高谐振频率,产生了突发音“得”;②由最高谐振频率逐渐滑向较低谐振频率,产生了“阿—乌”的过渡音;③恢复到最低谐振频率并继续保持此状态,产生“叨”音的拖尾音“乌”。这三个过程连接起来就是“叨”音的听觉效果。改变C8的容量可以缩短或延长“叨”音的发音过程。
和R\(_{9}\)并联的那个2AP型二极管的作用,是当B点所加的正脉冲过后使 C6上所充的电荷得以较快地泄放,以便接受下一个脉冲的到来。否则当B点脉冲间隔较窄时,将不能使BG\(_{4}\)导通。
应该特别说明,“叨”音的产生只有和信号的幅度(即音量)的变化结合起来时才会有最好的效果,这一点是靠电子乐器的键控部分和其它电路(如包络电路或音型门电路)来保证的。例如,当按下某一琴键后,便会在B点给出一个正键控脉冲,同时也要求把一个幅度渐减的乐音信号送入A点。当滤波器变化到“叨”音的尾音时,总的输出音量也减小到接近结束,这样就会给人以自然圆满的音乐美感。
为了能使你对“叨”音的效果有一个更好的了解,可把图1中的有关电路再加以改进,即在压控带通滤波器的输出端加接一个弹奏音型门(如图1点划线右面部分电路),可使输出的“叨”音不仅在频率上连续变化,而且在幅度上也连续衰减。试验时在A点送入要处理的乐音(可来自普通电子乐器),临时在B点与+Ec之间接入一个限流电阻R\(_{0}\)和按钮开关AN(如图1左上角虚线所示),以模拟电子乐器在演奏时由琴键所提供的方脉冲键控信号。这样,当你没有按动AN时,尽管A点加着乐音信号,但因为音型门管BG5处于截止状态。故无声音输出,如果按动一下AN,C\(_{8}\)上将产生一个突起渐落的正向电压。这个电压一方面使带通滤波器输出一个“叨”音,另一方面又经R14作用于BG\(_{5}\),使其突然进入放大区,随后又逐渐退出放大区,于是就会产生具有弹奏效果的“叨”音。
“叨叨”音电路的调试要点:①先仿照调“哇哇”音电路的调试办法,把压控有源带通滤波器调好。②在A点送入乐音信号,调节电位器W\(_{1}\),使滤波器输出“乌”音。③把C8正端和电源正端瞬间短路一下,同时聆听滤波器的输出信号,看是否有“叨”音效果。如果不明显,可适当减小R\(_{11}\)阻值使效果最佳。④在B点送入键控脉冲,或经一个 100Ω电阻把B点与+EC端瞬间碰触,应有较好的“叨”音输出,否则应增大C\(_{6}\)容量,减小R10阻值或用更换BG\(_{4}\)的办法来调试。
二“020音电路
如果已经把“叨叨”音电路调试好,并且已经试验过了,则组装、调试“020音电路也就非常容易了。
“0音可以近似地由“阿”音和“乌”音相拼而成。从前面已经知道,“叨”音在发出了“得”音之后,紧接着就是发“阿、乌”音,“阿—乌”相连起来发就是一个“0(OU)音。所以只要把“叨”音的音头“d”“割”掉,就可以形成“0音。这一步骤是很容易实现的,只要在BG\(_{4}\)的发射极和C8正极之间串入一个适当的电阻(约1千欧~3千欧)即可。这个电阻可减缓电源对C\(_{8}\)的充电速度,从而消除了“得”音,剩下了“0音。
用“0音演奏乐曲时,有一种人声哼唱的幽默感,但不宜多用,否则会显得单调。
三 特殊音色电路与电子琴的“接口”

假如你的电子琴是一架单音色电子琴,你想让它发出特殊音色(包括第7期述及的“哇”音),可以按图2的原则去联接。这里唯一需要你自己去设计的是如何保证每按一次琴键时都能保证向压控电压波形变换器(即围绕图1中BG\(_{4}\)所组成的电路)送入一个合格的正向方脉冲(幅度接近+EC,脉宽不窄于100ms)。这要根据你的电子琴所采用的音调振荡器的形式来灵活设计。但如果你使用的琴键有多余的辅助触片,那就非常方便了,可利用这些触片把+E\(_{C}\)引向压控电压波形变换器的输入端(图1中B点)就可以了。如果你要把一架复音键盘琴的音色作上述特殊处理,就要求这架琴有弹奏音功能(每键一个弹奏音型门),接法同图2,但应不再使用图2中的弹奏音型门,否则因为整个键盘共用一个弹奏音型门,会造成一键触响时所产生的衰减音,在第二个琴键按下时又与第二个弹奏音一起重弹的现象,使听者产生不舒服感。(田进勤)