回荡音也叫回旋音,是电子乐器中的特殊声效装置之一。它能给听众一种置身于若干个流动声源中的奇异感觉。就好象有一个庞大的乐队从四面八方(包括头顶、脚下)包围着你,而这乐队的成员却还在飞快地运动着演奏乐曲一样。在电子乐器中使用这种装置,主要是用来表现在大礼堂或空旷的厅中合奏或合唱的艺术夸张效果,给人造成一种声源不定、幻若仙境的印象。这是在自然声场中很难完全体验到的一种特殊声效。下面介绍几种实现回荡音的方法。
一、回转扬声器法
这是一种效果最好但实现起来较为复杂的方法。其基本原则是将扬声器的尾部固定在一个可围一点作万向回转的支承座上,然后用电动机通过一套机械传动机构使扬声器以某种次声频率转动(注意:不只是只限于在某一固定锥体中转动)。在这种情况下,扬声器辐射的声波就不时地辐射到放音环境的墙壁或其它障碍物上。由于声源是运动的,所以不论从扬声器直接“扫”过人耳的声音,还是从障碍物反射回来到达人耳的声音,都能形成较强烈的回荡音效果。
用这种方法获得的回荡音效果虽然较好,但实现起来较困难,原因是:①为了使较低频段的声音也得到处理,扬声器必须有较好的低频辐射特性,否则就要求带着尺寸较大的助音板或整个音箱一起回旋,这显然是不太现实的;②为了获得较高的定向射束特性,要求扬声器最好是长号筒形的;③由于扬声器要作万向回转,拖动机构较为复杂,因此会产生机械噪音,干扰音乐效果。
二、导向音鼓法

这种方案是将扬声器和助音板固定成一体,但却在扬声器的放音纸盆前放置一个可旋转的特制音鼓,该音鼓的转动轴线与扬声器的轴线重合。如图1所示,音鼓上挖有一块缺空,这就是导音口。很清楚,当用一个电动机使音鼓以一定的速度旋转时,受导向口的约束,声音则会在助音板平面方向作不集中的圆周径向扫射,产生一定程度的回荡效果。
这种方法已在一些电子琴中得到采用,效果也比较显著,但对广大业余爱好者来说,仍有不便制作之处。
三、遮掩扬声器法

这种方法是在音箱的扬声器纸盆前面,离开纸盆20~50毫米处,安装一个如图2所示的螺旋浆形叶片。当叶片转动时,强迫声音绕行辐射,时而从放音孔的左边放出,时而又从右边射出,就能产生回荡音效果。此法简单易行,读者在制作时可通过适当调整叶片与助音板之间的距离、适当设计叶片的形状和尺寸、合理选择叶片的旋转速度等来达到较好的效果。叶片可用厚8~10毫米的整块木板加工制成,木板的质地以松软些为好。

另一种遮掩扬声器法如图3所示。它是将音箱的放音孔作成长条形,然后让一个条形的叶片平行于放音孔旋转,同样也可以得到回荡音效果。此法在现成的倒相式音箱上改装起来比较容易,这是因为大多数倒相式助音箱的倒相孔都开在音箱面板的下部,而且开口是长方形的。
四、电子回荡音电路

上面讲到的几种方法都是借助电动——机械方式来获得回荡音的。笔者根据双声道立体声音量均衡器的作用原理,实验出了一种较新颖的电子回荡音电路,其工作原理可通过图4方框图来说明。要处理的信号U\(_{S}\)从A端输入,左、右两个放大器输入端得到的信号大小,分别由R1和r\(_{1}\)(电位器W的上半段电阻)及R2和r\(_{2}\)(电位器W的下半段电阻)的比值来决定。为了使其对称,取R1=R\(_{2}\)=R,并且使两个放大器的增益尽量相等。当电位器W的动臂滑在正中间位置时,r1=r\(_{2}\)=r,两个放大器的输入电压均为U1=U\(_{2}\)=US·\(\frac{r}{R+r}\),故两个声道将输出相等的音量,当W的动臂处于图4中最上面位置时,左声道输出为零(输入信号被W动臂短路到地),而右声道输出最大音量(因为此时输入信号增大为U\(_{2}\)=US·r\(_{1}\)+r2;r\(_{1}\)+r2+R\(_{2}\) =US·\(\frac{R}{_{W}}\)RW+R);同理当W动臂滑到最下方时,左声道输出最大,右声道输出为零。这样当上、下来回调整W的动臂时,就会使人感到有一个声音在左、右两个扬声器之间飘游。如果是快速地反复旋动电位器W的动臂,则会使人感到声源在两个扬声器之间有穿梭不定的感觉,使人感到飘忽眩晕。当然,在实际使用时用手去控制电位器是很不方便的,下面介绍一种用电子电路自动控制的办法。

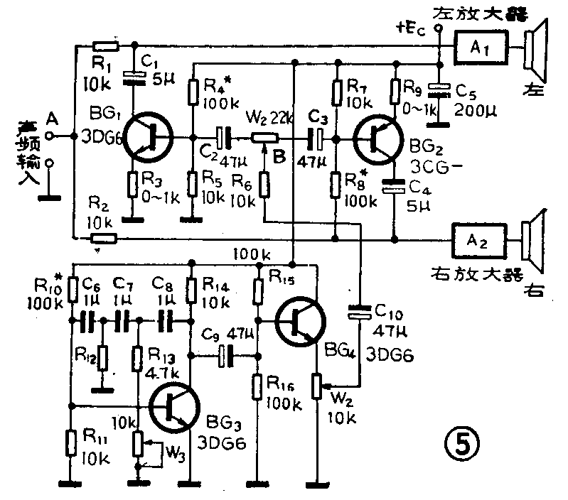
图5是一个较成熟的电子回荡音电路,它的特点是不需要任何电气动力设备和机械装置,只由两套放大器系统和一个超低频振荡电路组成。图中的R\(_{1}\)、R2电阻及A\(_{1}\)2两个放大器系统和图4作用相同。不同之处是它用两个晶体管BG\(_{1}\)、BG2代替了图4中的r\(_{1}\)和r2(图中的C\(_{1}\)、C2是两个耦合交流信号的电解电容)。为了使这两个晶体管的内阻呈互补性变化,即其中一个管子向导通方向进行时,另一个管子向截止方向进行。为此,电路中的BG\(_{1}\)应选用NPN管,而BG2应选用PNP管(3CG型)。图5中由BG\(_{3}\)及一些阻容元件组成了一级超低频正弦波振荡器(相移型),这种振荡器线路较简单,通过改变W3阻值,可以使其振荡频率在一个较宽的范围内变化。其振荡频率一般控制在4~7赫。超低频正弦信号通过由BG\(_{4}\)组成的射极跟随器,由W2取出后经过C\(_{1}\)0、R6、W\(_{1}\)等加在BG1、BG\(_{2}\)的基极。当图中B点对地之间的超低频正弦波电压为零时,BG1和BG\(_{2}\)分别被R4和R\(_{8}\)偏置到半导通状态,此时两管的集电极对其发射极的电压均约为0.1EC,因此两管有相等的等效内阻,即R\(_{BG1}\)=RBG2,约为13千欧。从A点送入的音乐信号,经R\(_{1}\)和RBG1分压(C\(_{1}\)对交流来说可认为是短路的),送至左声道放大器A1输入端,另一路信号经R\(_{2}\)和RBG2分压后送至右声道放大器A\(_{2}\)的输入端。此时两个声道输出相等的音量,听众会感到声象在两个扬声器的正中位置;当调整W2,使B点对地之间有一个超低频正弦波电压,且正弦波电压为正半周时,该电压通过W\(_{1}\)、C2使NPN管(BG\(_{1}\))的内阻减小,而经W1、C\(_{3}\)使PNP管(BG2)的内阻增大。结果会造成左声道A\(_{1}\)放大器的输入信号减小,而右声道A2放大器的输入信号增大,听众会感到声象向右移动;反之当B点的正弦波电压为负半周时,BG\(_{1}\)内阻变大,而BG2内阻变小,声象将向左移动。因为加在B点的是一个超低频正弦波电压,所以声象就会在两扬声器之间连续快速地反复游动,于是产生了类似于遮掩扬声器法所产生的声音效果。
在调试图5电路时需注意如下几点:①在调整R\(_{4}\)和R8的阻值以使BG\(_{1}\)、BG2的内阻分别为13千欧时,可用万用表的欧姆档直接测量管子c—e极之间的电阻值。测BG\(_{1}\)的内阻时可将万用表黑表笔接在集电极,红表笔接发射极;测BG2的内阻时万用表红表笔接在集电极,黑表笔接管子的发射极。②超音频控制电压的频率调整在4~7赫较好(可通过调整W\(_{3}\)来实现),频率如果太低则声象会有衔接不良的感觉。③BG1、BG\(_{2}\)两管的β值不一致时,可通过适当调整W1的动臂以使两管的内阻呈互补变化。④W\(_{2}\)不要开得太大,以免使两管轮换深饱和以致造成声音中断。⑤如果感到声音的“穿梭”感不明显,可试着换一下其中一个扬声器的相位(即倒一下接线)。⑥两路放大器的特性要尽量一致,否则形不成综合声象,也会缺乏“穿梭”感。(田进勤)