“业余自制电子琴”一文发表后,收到不少读者的来信。一些读者感到此琴制作难度较高,器件来源困难,希望再作一些简化;另一些读者则希望作些改进,使此琴更加完善。为此,笔者从这两方面再补充一些资料,供读者参考。
一、简化方案
为简化线路和结构,可以从以下几方面考虑:
1.把旋律键盘改为两组半或两组音,使音区缩减为5·—5—5·—1:或5·—5—5·。相应地,也把和声伴奏部分的音域压缩到6·—5·范围(23个音),这样可使琴体长度缩减6至8个键宽。
2.伴奏部分只使用一种音色,改为固定频谱,去掉频谱(音色)变换功能。这样就可以省去原文中的C514和机械开关K\(_{0}\)1~K04,只用三个振荡器直接实现伴奏音色。可将本刊第二期图4(以下简称№2图4并类推)中的C\(_{3}\)与BG1断开,将BG\(_{1}\)的发射极再引出一导线经一个O.047μ的电容和47~10OK的电阻串联接至BG3的基极,去掉C514及相关部分,其余部分不用变,并将原图中的C\(_{2}\)的容值增大为原来的2倍至4倍,变为0.02~0.04μ,以使伴奏部分的振荡频率比旋律部分的振荡频率低一个或两个八度。
3.去掉颤音频率控制电位器,将颤音频率改为固定的。为此,应先用电位器将颤音频率调到你认为满意的位置,然后再用阻值相近的固定电阻去代替这个电位器。
4.如果已有现成的扩音装置(不失真输出功率最好不小于5瓦,以减少互调失真),还可以省去功放级,可在№2图2音量电位器W\(_{6}\)的输出端加接一个输出插孔,通过带插头的金属隔离线直接送至扩音机的线路输入端去放音。
二、改进方案
1.使用LQ810集成电路代替分立元器件作音调源和颤音源。
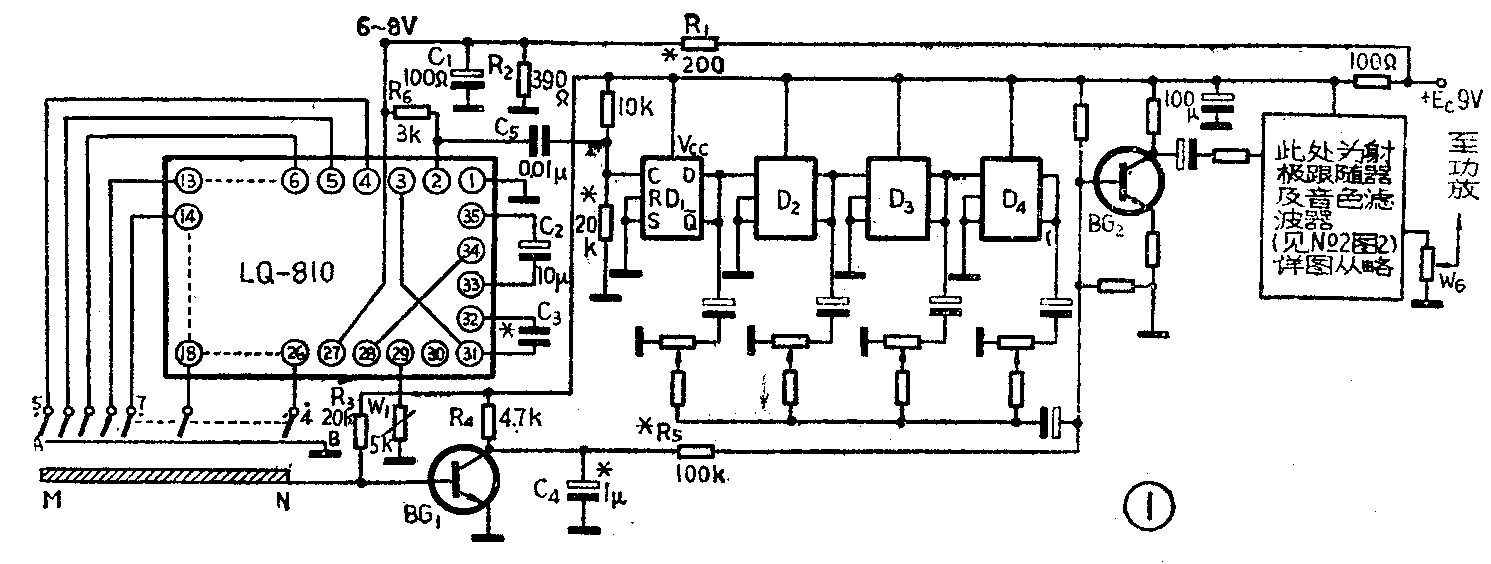
LQ810是一种小型电子琴专用集成电路,体积很小,内部包括了电源稳压、颤音振荡、音调源和功放等四部分。由于音调电阻已制作在集成电路中,所以一般就不要再作外部调试了。但由于LQ810只有23个半音阶,因此,在担任旋律部分的音源时,尚需接15个外加调音电阻(或电位器)才够37个半音。
图1给出了LQ810和№2图2(去掉原颤音源和音调源后)的“对接”线路图。由于LQ810的音调电阻只在接地后才能发音,而№2图2中的音型门必须有正压才能开启,为此,增加了反相晶体管BG\(_{1}\),并把№2图2中的导电弦线AB改成和地线接通,而导电板MN则和倒相管BG1的基极相连。


在LQ810中,C\(_{2}\)决定颤音频率,通过调整C2的容值来调整颤音频率。C\(_{3}\)和内部音调电阻决定各音阶的振荡频率,由于只有C3可调,因此校音时要仔细搭配这个电容。用C\(_{3}\)校音前,先调电位器W1(C\(_{3}\)临时用0.022~0.047μ的电容代替),并试奏音阶,特别是八度关系的音阶,边听边调,使相对音准符合要求。再细调C3使绝对音高也符合要求。
使用LQ810时,从相应焊脚直接向键盘触点引出键控线即可。接线时,从第④脚到第3(按C调唱名)顺次是5·\(^{#}\)5·6·#6·……3·4·等23个音调电阻的引出线端子。
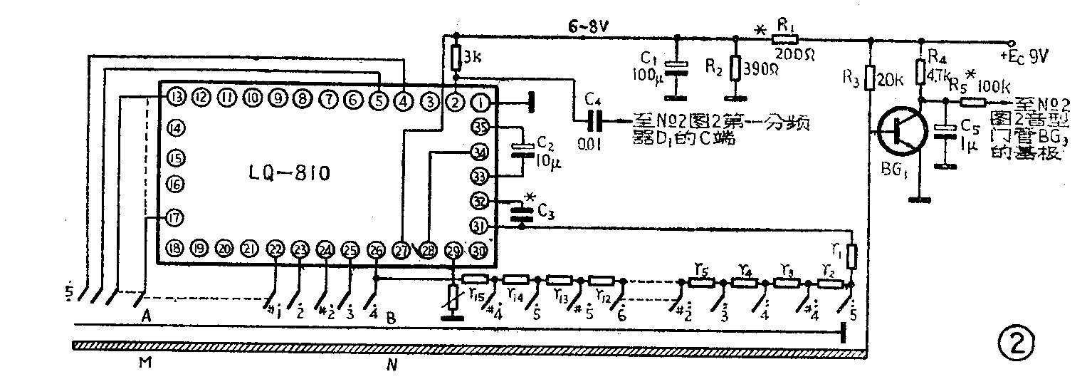
为了扩展音程,可以在LQ810的第3、4之间接入若干个串联的音调电阻(本文中为15个)。如果有1K或1.5K的半可变电阻(最高音的一个电阻要大些,约为5K)则只需要把它们串联起来(见图2),接在第3和4之间(此时把③脚与4的连线断开不用),然后再调整音准。由于通过前面的调试,已有准确的23个音了。这时把新接上的5:音(都按C调唱名)引出线与地短接(或即按下5:音键)调整可变电阻r\(_{1}\)使音高为5:。然后到地短路\(^{#}\)4:线头,调r2,使音高为#4:,照此方法依次调好4:3:2:1:……5·\(^{#}\)4·4·等15个音(4·音原来虽有,但现在需重调)。然后通盘演奏几次音阶,反复调几次,直至把音调准。
图2的印制线路见图3(1∶1),为了缩短到琴键的引线,可将此板安装在音阶板附近。

和声伴奏部分的音调源也可以作同样的改进,用三块LQ810就可以满足要求,如嫌音程不足,也用上述方法扩展。
2.增设音量控制踏板
由于原琴的音量控制电位器设置在面板上,因此演奏过程中无法随时控制音量。为了解决这一问题,我们把它稍加改进,用脚来控制,但又不能将原来的音量电位器(№2图2中的W\(_{6}\))用长线拖出来,否则会引起严重的交流声和噪声干扰,所以采用了直流遥控的办法来实现,如图4(a)所示。图中,当遥控电位器Wr的阻值为最小时,BG\(_{r}\)内阻很高,由W6来的信号直接经R\(_{r1}\)、Rr2加至功放级输入端去放大,此时为最大音量;当W\(_{r}\)阻值为最大时,它和Rr4形成的分压电路将向R\(_{r3}\)提供足够的正电压,使BGr饱和,内阻变小,与R\(_{r1}\)构成了衰减比很大的分压器,使得加到功放级的信号非常小。只要设计一个脚踏板带动电位器Wr作0~30°左右的旋转,就可以实现用脚来控制音量的目的。图中C\(_{1}\)起隔直作用,C2起缓冲和滤除交流干扰的作用;调R\(_{r3}\)可使Wr在较小的转角内获得大范围的音量变化。

这块电路板如图4(b)所示,可以放在旋律板的某一空角处。为携带方便,带W\(_{r}\)的脚踏板通过一副耳机插头、插座与琴体连接,不用时,将插头拔出,另外携带。Wr的拖线最好使用金属隔离线,长为1.5米左右。
注:本文介绍的电子琴集成电路LQ-810是西安国营延河无线电厂生产的。需要试用的读者可与该公司经销科联系购买事宜。(田进勤)