自动打击乐伴奏部分
这部分采用了环状分配器作的时序脉冲发生器。先简单地介绍一下环状分配器的工作原理。
我们知道,D触发器的控制端CP(简记作C)受一正脉冲或正阶跃电压激励时,其输出端Q究竟出现高电位(“1”)还是低电位(“0”),这主要看受激前预加在D端的是高电位还是低电位。如果当时D端为“1”,则脉冲激发后,Q端为“1”;若当时D端为“0”,则受激后,Q端就为“0”。可见Q端的电位总是与受激前D端的电位保持一样。利用这个特点,我们把几个D触发器的D、Q端串联起来,形成一个环(如图6),并用预先置位的方法,使其中一个触发器的Q端为“1”,其余触发器的Q端为“0”,再将所有触发器的控制端C并联起来,同时加入时钟脉冲(拍点脉冲),就可以实现脉冲的时序分配。

图6给出由4个触发器组成的环状分配器的原理示意图。人为地把第一个触发器置位端S\(_{1}\)接高电位,其余触发器的置位端S2、S\(_{3}\)、S4接低电位;把第一个触发器的复位端R1接低电位,其余触发器的复位端R\(_{2}\)、R3、R\(_{4}\)接高电位。这样,在送入拍点脉冲前,先按下按钮K,使S1、R\(_{2}\)、R3、R\(_{4}\)接地位。松开K后,Q1端为“1”,D\(_{2}\)端为“1”,其余各Q端均为“0”,这时环状分配器处于准备状态。当第一个拍点脉冲加至C1端时,电路状态就变为Q\(_{2}\)端为“1”,Q1、Q\(_{3}\)、Q4端为“0”,而D\(_{3}\)为“1”,D1、D\(_{2}\)、D4为“0”,即高电位“1”由Q\(_{1}\)端转移到了Q2端。同理,第二个脉冲输入时,电路就变为Q\(_{3}\)为“1”,其余Q端为“0”。此后,每输入一个拍点脉冲,高电位就向右移动一位,并不断循环,完成脉冲分配器的作用。
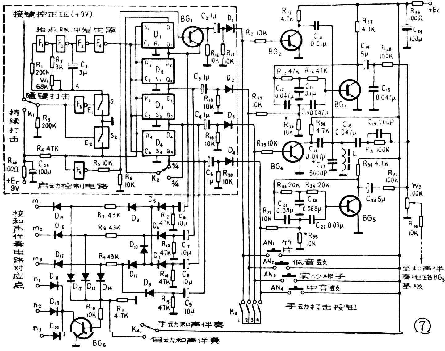
图7是自动打击乐伴奏部分的具体电路。环状分配器是由两块双D触发器组成的。该电路不加任何变动,就能打出4/4节奏。若想打出3/4节奏,就要断掉第4个触发器,使前3个触发器组成一个分配环。为此,加了开关K2,以完成4/4、3/4拍节奏转换。

为了使响点清晰分明,每个触发器的Q端都经过一个微分电路(C\(_{2}\)R17、C\(_{3}\)R18、C\(_{4}\)R19、C\(_{5}\)R20),将矩形的时序脉冲变为尖脉冲,这样就可以对各打击乐音色模拟电路实行瞬间“敲击”。使用二极管D\(_{1}\)~D4可以消除微分后负的尖脉冲所产生的冲击噪声。
图7左上方是拍点脉冲发生器和自动节奏启动控制电路。拍点脉冲发生器由CMOS非门电路F\(_{1}\)和F2 组成,时间常数(R\(_{2}\)+W1)·C\(_{1}\)取得较大,以便产生适当的拍点速率。为了可靠地触发环状分配器,其输出经过了两个串联的非门F3和F\(_{4}\),使拍点脉冲的前沿变得很陡。
非门F\(_{5}\)、F6和双向开关S\(_{1}\)、S2等组成启动控制电路。当打击方式选择开关K\(_{1}\)在图示位置时,是“随键打击”档。如果这时没按琴键,+9V没接到F5 的输入端,F\(_{5}\)的输出端为高电位,S1处于导通状态,S\(_{2}\)则处于关断状态。因A点经S1短路到地,所以拍点脉冲发生器不工作。这时+E\(_{C}\)(9V)经电阻R4加向环状分配器的置位端,使触发器的输出状态Q\(_{1}\)Q2Q\(_{3}\)Q4 为1000。这时如果按下任何一个琴键,高电位(+9V)便加向F\(_{5}\)的输入端,它把这个高电位变为低电位使S1阻断。A点与地断开,于是拍点脉冲振荡器开始工作。与此同时,键控高压也把S\(_{2}\)打通,使环状分配器的S、R端全部接地,并开始接受外来脉冲而作步进转移。因为只有连续按着一个琴键或无间隙地改按琴键时,分配环才能连续步进,所以每当断续击键时分配环都要从原始状态开始起步,这使打击花样更为增多,并保证了自动节奏与旋律演奏同启同停。晶体管BG1是用来防止停键“误击”的。如果没有它,每当旋律停奏时,将因分配环恢复“0”态而使Q\(_{1}\)的高电位冲出去打击第一个声模拟电路,发出不应有的“误击”响声。有了BG1以后,每当停奏时,因S\(_{2}\)阻断,F6 的输入变为高电位,输出变为低电位,通过电阻R\(_{5}\)、R6使BG\(_{1}\)的基极为低电位,于是BG1截止,阻断了Q\(_{1}\)高电位的输出,避免了“误击”响声。
当开关置于“持续打击”档时,非门F\(_{5}\)的输入端就接在+EC上,它的输出端为低电位,双向开关中的S\(_{1}\)阻断,A点不接地,拍点脉冲发生器工作。此时,+EC也使S\(_{2}\)接通,使环状分配器的S、R端全部接地,以便开始接受拍点脉冲并作步进转移。因为K1已与主旋律键控电路断开,所以不管按键与否,自动打击乐伴奏部分都工作,有自动打击节奏输出。若要停止这种持续打击,应将电位器W\(_{1}\)调到最小,使拍点脉冲发生器停振,或将打击音量电位器关死。
K\(_{3}\)是节奏配器开关,由一个自制的四刀组合开关担任。如果四刀都不接通,或只接通任意一个,则节奏器按“每器一击”的方式顺序作响。当按下某两个或三个开关时,就有几种声音在某些拍点上同时作响,使“敲击”花样发生了变化。
按键开关AN\(_{1}\)~AN4是手动打击开关。把W\(_{1}\)调到最小,使拍点脉冲源停振,这时就可以一边用右手演奏旋律,一边用左手配合打“鼓点”。此外,手动打击也可以和自动打击并用,在自动打击的基础上,增打各种响点。
图7右边是该琴所使用的四种打击乐器的音响模拟电路。低音大鼓(BG\(_{3}\))和中音鼓BG5是形式上完全相同的电路——双T型受激振荡器,只是振荡频率不同。振荡频率主要取决于双T电路参数。当R\(_{26}\)=R23/2=R\(_{24/2}\)=R/2、C\(_{11}\)=2C12=2C\(_{13}\)=2C14=2C时,振荡频率f=1/2πRC。当R\(_{26}\)>R/2时,电路将停振;当R26<R/2时,电路将起振。实际上由于分布参数和使用元件数值上的误差的影响,只有当R\(_{26}\)<R/2一定数值才起振,因此我们可以调节R26,使电路刚好不起振,这时若向BG\(_{3}\)的基极注入一正脉冲,电路将受激起振,并维持一段阻尼振荡过程后才停振,这就形成了鼓音声效。增大C或R,可使鼓音变低,反之则变高,因此用该电路可以得到多种鼓声。图中受Q2输出脉冲触发的是低音鼓电路,受Q\(_{4}\)输出脉冲触发的是小鼓(中音鼓)电路。
实心梆子和小竹片(类似于沙锤音色)不仅电路形式一样,而且还共用一个线圈,使制作方便。这个电路的基本原理是Q\(_{1}\)、Q3输出的触发脉冲加到BG\(_{2}\)、BG4的基极,放大后再经C\(_{1}\)0(或C16)加至L、C\(_{17}\)组成的谐振槽路,并形成衰减振荡,经C18输出。只要谐振槽路的频率适当就可以形成大、中、小板、空心梆子、实心梆子、小竹片等各种声效。
所有打击乐电路经隔离电阻R\(_{28}\)、R31和R\(_{37}\)汇集到音量电位器W2,再经R\(_{38}\)隔离后送至和声伴奏电路(图4)的末级放大器BG5的基极,放大后输出。电容C\(_{15}\)也可以不用,用它时,可将大鼓(低音鼓)声音变得柔润。
图7左下部分的二极管逻辑电路是用来实现自动和声伴奏功能的。K\(_{4}\)是和声伴奏方式开关。当K4在“手动伴奏”档时,分配环来的脉冲先通过时间常数较大的微分电路(C\(_{6}\)R12、C\(_{7}\)R13、C\(_{8}\)R14、C\(_{9}\)R15)微分成尖脉冲。这些尖脉冲一部分通过二极管D\(_{5}\)~D14、R\(_{11}\)到地,另一部分通过D15~D\(_{17}\)加到m1、m\(_{2}\)、m3点,因这部分信号较小,不足以改变图4中三个音型门的原来工作状态;这时由于图7中BG\(_{6}\)是处于截止状态,所以n1、n\(_{2}\)、n3点开路,不影响图4中电路工作。这时和声伴奏电路仍按手动键的规律进行和声。
当把图7中的K\(_{4}\)置于“自动和声伴奏”位置时,这时因+Ec接入到R\(_{11}\)的一端,BG6因有正常偏压而工作,并进入饱和状态。这时n\(_{1}\)、n2、n\(_{3}\)三点到地基本短路,于是把图4中的手动控制输出短路;另一方面由于二极管D12~D\(_{14}\)截止,所以自动拍点脉冲电压不会被二极管D12~D\(_{14}\)短路,而加到图4中三个音型门的输入端。这时和声伴奏手动键只控制和声音阶的选择,而和声伴奏节奏规律则受自动打击乐分配环的控制。按图7中的二极管接法,打出的和声节奏形式是单音及三和弦交替进行的。
图8是图7的印制板(1∶1)。

图9是本琴用的功率放大器和电源电路。为了得到较大的输出功率,功放电路用了24伏电源电压,这样同时也把演奏和声时的互调失真减小到了很低的程度。

电源用9伏供电,主要是照顾到使用次品CMOS集成电路。稳压电源使用了集成稳压块WB724HB电路,调整方便。

图10是这两部分电路的印制板(1∶1)。(未完待续)(田进勤)