(田进勤)本文介绍的是适合电子乐器爱好者制作和使用的自动节奏器电路。这种电路的特点是布线直观、思路简捷、易于安装,甚至可以照着打击乐谱直接编制出节奏程序电路。此外,这种电路还能保证节拍起步时没有延迟或“赶拍子”现象,因此不会因为中途使用而破坏乐曲进行的匀畅性。
设计原理浅述
为了便于理解自动节奏器的工作原理,我们先给图1(a)、(b)所示的两种4/4拍子的节奏形式设计一个最简单的节奏器电路,如图2所示。图2中的鼓、镲都由相应的模拟电路来担任。图2中,当电机转动时,带动电刷S在四个弧形导电片1'、2'、3'、4'内顺时针方向旋转。电刷同电源的正端连着,因此,当S旋转时,和导电片相连的四根横母线1、2、3、4上就依次有正脉冲输出,这就构成了一个模拟的“时序脉冲产生器”。

如果把四根横母线上的脉冲按着一定的程序编制送到鼓,镲模拟电路,就可以有相应的节奏产生。例如,若要产生图1(a)所示的节奏,可将互锁式琴键开关(K\(_{1}\)、K2、K\(_{3}\)……)的第一组开关K1按下,则a、b两根竖母线分别和鼓、镲模拟电路接通。这时设电刷S在1'位置,则母线1上有正电压,于是二极管D\(_{1}\)导通,将正压送至“鼓”电路,使它工作并将“鼓”音信号送至放大器,发出“崩”的一声(第1拍)。当S转至2'位置时,母线2和正电压接通,二极管D2导通,把正压送至b母线,使“镲”电路工作,经放大器发出“嚓”的一声(第二拍)。仿此,当S和3'、4'接通时,只有“擦”电路有输出,发出“嚓”音(第三、四拍)。这样,当S从1'转到4'并不断循环时,扬声器中就发出了“崩嚓嚓嚓、崩嚓嚓嚓……”图1(a)所示的打击乐节奏声响。
如果按下第2组开关K\(_{2}\)(K1自动弹起),竖线线c、d和“鼓”、“擦”电路接通。当S在1'位置时,横母线1有正压输出,二极管D\(_{5}\)、D6导通,“鼓”、“镲”电路同时工作,扬声器中有“鼓”、“镲”齐鸣的音响(第一拍)。当S经过2'、3'、4'时,D\(_{7}\)、D8、D\(_{9}\)导通,依次有“嚓”、“崩”、“嚓”音响输出(二、三、四拍),这就完成了图1(b)所示的节奏声响。如果还希望有其它形式的鼓点,只要在琴键开关K3……的e、f……线上安置对应的二极管就行了。这里二极管是不能省去的,否则用导线直接引出脉冲信号,那就只有一种打击音响输出。
引入逻辑电路

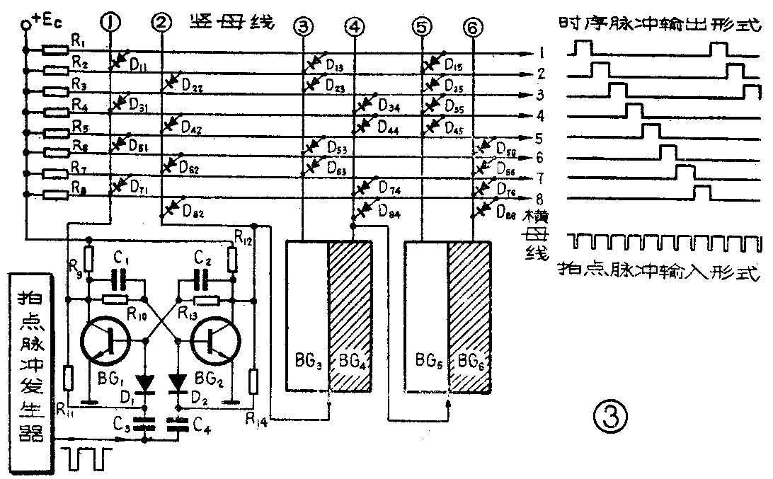
图2中产生时序脉冲的机电部分是不实用的,若把这部分用图3所示的逻辑电路代替,就成为一种自动节奏器了。电路中三个相同的触发器(BG\(_{1}\)、BG2,BG\(_{3}\)、BG4,BG\(_{5}\)、BG6)组成一个二进制计数器,也叫编码器。8只电阻R\(_{1}\)~R8、24只二极管、6根竖母线、电源线、8根横母线组成二极管矩阵译码器。下面简单地介绍编码器与译码器的作用。

编码器和译码器:编码器的作用是给每个脉冲打上“标记’或编上“码”,以区别谁是第一个脉冲,谁是第二个脉冲……。编码器是由触发器组成的,每当进来一个脉冲时,触发器就要改变一次状态,所以根据触发器的组合状态,就可以知道是第几个脉冲了。译码器的作用就是根据编码器的状态“辨认”出拍点脉冲的次序,并由矩阵电路中的二极管导通与否决定把它从那根横母线上输出。
在图3中,当触发器左边晶体管的集电极为高电位、右边管子为低电位时,我们称触发器的这种状态为“0”状态。反之,则为“1’状态。设开始时,三个触发器都是左边的管子(BG\(_{1}\)、BG3、BG\(_{5}\))截止,右边的管子(BG2、BG\(_{4}\)、BG6)导通,我们把计数器的这种状态记做“000”状态。此时,由于BG\(_{1}\)、BG3、BG\(_{5}\)的集电极为高电位,所以和它们相连的译码器电路中的二极管D11、D\(_{13}\)、D15因负极接高电位而截止,于是电源E\(_{c}\)便通过R1从第一条横母线上输出一个方波。由于BG\(_{2}\)、BG4、BG\(_{6}\)的集电极为低电位,和BG2相连的二极管D\(_{22}\)、D42、D\(_{62}\)、D82导通,把横母线2、4、6和8短接到地。同理,和BG\(_{4}\)、BG6相连的二极管D\(_{34}\)、D56、D\(_{76}\)导通,横母线3、5、7也被短接到地。由于这些被短接的横母线上没有输出,所以,当计数器为“000”状态时,只有第1横母线上有输出。
当拍点脉冲发生器向第一个触发器的输入端送入第一个负脉冲时,二极管D\(_{2}\)导通,将负脉冲导引到BG2的基极,促使BG\(_{2}\)由原来的导通状态变为截止,这一过程的迅速进行,使得BG1导通、BG\(_{2}\)截止,第一个触发器的状态变换一次,从“0”变为“1”。BG2截止时,它的集电极送出一个正脉冲给第2触发器。但是,由于这个正脉冲不能触发第2个触发器,第2、第3个触发器仍处于“0”状态,所以第1个负脉冲来的时候,计数器变为“100”状态。
计数器在“100”状态时,BG\(_{1}\)导通,二极管D11、D\(_{31}\)、D51、D\(_{71}\)导通,故1、3、5、7横母线上无输出。同理,由于BG4、BG\(_{6}\)仍导通,使得横母线4、6、8上亦无输出。此时只有第二条横母线上有输出。
当输入第二个拍点脉冲时,按照上述的道理,第一个触发器又翻转一次,恢复到BG\(_{1}\)截止、BG2导通的“0”状态。由于BG\(_{2}\)由截止变导通,它的集电极电位由高变低,这就相当于把一个负脉冲送至第2个触发器。促使第2个触发器翻转,BG3导通、BG\(_{4}\)截止,处于“1”状态。第3个触发器的状态仍不变,所以第2拍点脉冲来时,计数器变为“010”状态。
从译码器电路可以看出,计数器为“010”状态时,只有第3根横母线上有输出。
依此类推,当拍点脉冲继续来到时,译码器的状态依次变为“110”、“001”、“101”、“011”、“111”,第4、5、6、7、8根横母线上相继有正压输出。当第9个脉冲输入时,计数器又重新恢复到“000”状态。
为了便于读者了解,图3中给出了8根横母线上依次输出的方波。
从上面分析可以看出,有4根横母线的时序脉冲电路,在实现4/4拍子的节奏时,每拍最多只能“敲”一下,而有8根横母线时,每拍最多可以“敲”两下,就可以打出花样多些的鼓点。
比较完善的节奏器电路
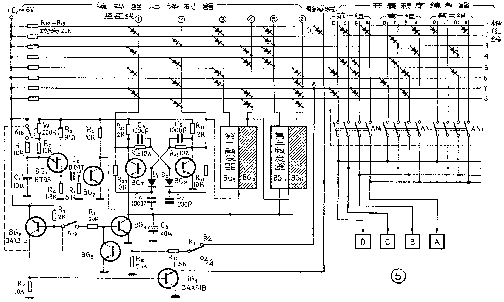
图3电路还不够完善。因为它不能保证每次开动时,都从第一拍开始,也不能实现3/4拍子的节奏,更不能保证一按起动按钮就立刻准确地起奏。为此,还必须增添“置零”电路、“拍型转换”电路和“静零”电路等。


图4、图5给出了一种较完善的自动节奏器的方框图及相应的电路图。下面简单地介绍一下各部分的工作。(未完待续)