本文介绍的吹奏式电子乐器可以近似地模仿箫、笛和单簧管的音色,并且还可以在一个八度之内发出特殊风味的“电子音色”。它的演奏手法和笛、箫几乎完全相同,因此,会吹笛子和箫的人可以很快地学会演奏。
工作原理

图1是吹奏式电子乐器的方框图。音调振荡器用来产生一个八度(实际为七度)内的音调(频率)变化,这就是高八度音区;用这个高八度音的输出信号去控制第一分频器,这个分频器输出的是中八度音;同理,第一分频器输出的中八度音信号去控制第二分频器,第二分频器输出的是低八度音。这样,这只电子乐器就可以演奏三个八度音域的乐曲了。
为了在演奏中迅速转换八度音区,并尽量和传统的萧、笛的“超吹”(用力吹)意识相一致,使用了由左手大拇指控制的音区转换开关。当大拇指完全放松时,演奏的是低音区;当大拇指适当压住开关时是中音区;当拇指再进一步用力压开关时,得到高音区。各音调再经“吹咀”控制音量并送至各音色滤波器稍加处理分别得到箫、笛、黑管等音色,由低频放大器放大后推动扬声器。
为了获得颤音效果,本机加了颤音振荡器,它输出的振荡信号经适当衰减后加到音调振荡器,通过对音调振荡器的振荡信号进行频率调制,得到颤音效果。

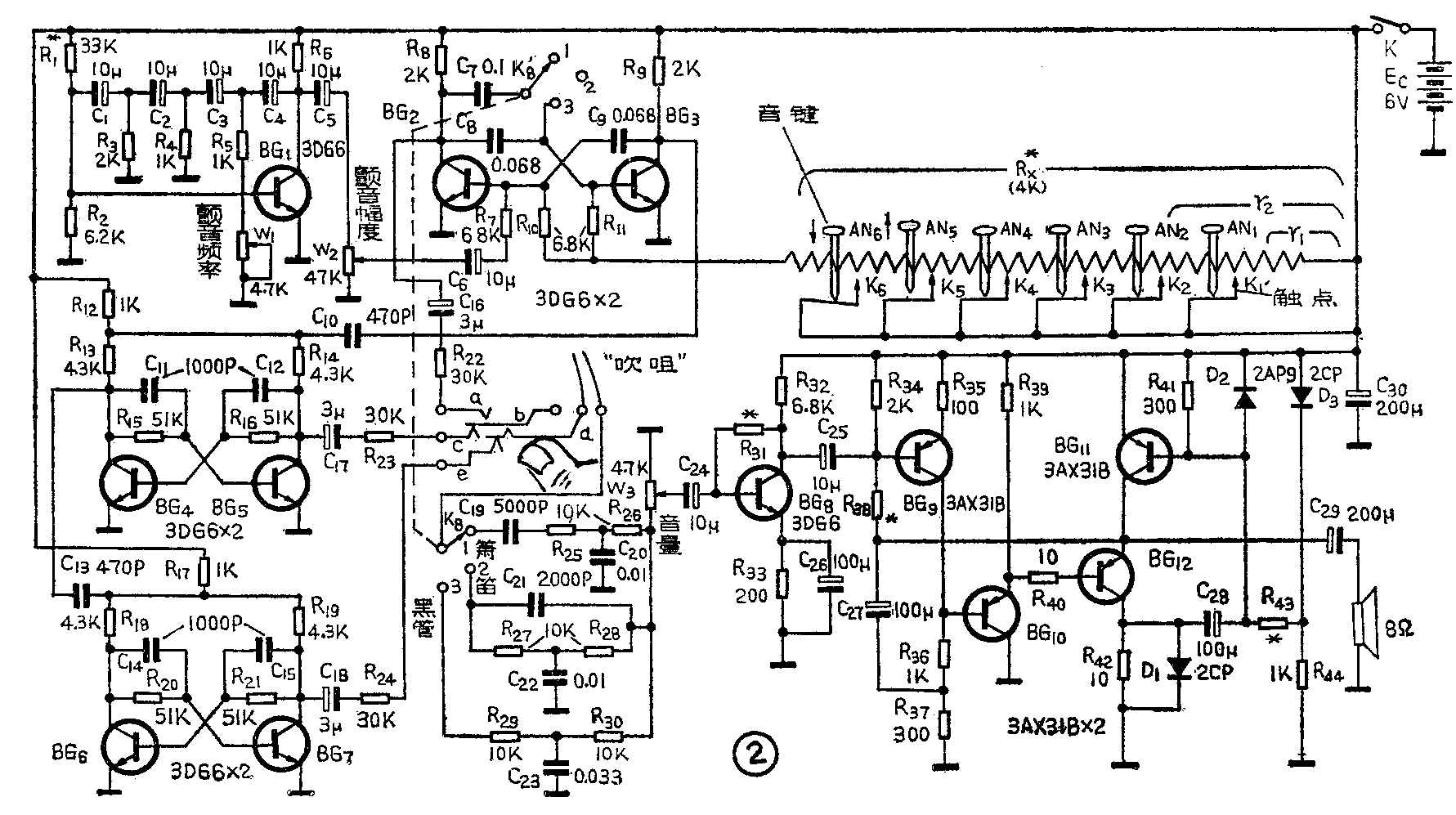
图2是具体的电路图。图中音调振荡器由BG\(_{2}\)、BG3等组成,这是一组多谐振荡器,它的输出的方波见图3(a)。由于这两只三极管的基极上偏置电阻(R\(_{1}\)0和R11)中接有控制音调变化的可变电阻R\(_{X}\),所以当RX阻值变化时,方波周期变化,即音调高低不同。图中,当所有的音键(AN\(_{1}\)~AN6)全部按下时,开关K\(_{1}\)~K6都与电阻R\(_{X}\)断开,这时RX阻值最大,振荡器产生的振荡频率最低,相当于笛子的“筒音5.”;当音键AN\(_{6}\)~AN2全部按下,而只松开AN\(_{1}\)时,由于RX上的一段电阻r\(_{1}\)被短路,RX阻值变小,这时方波周期变短,音调变高些,适当调整r\(_{1}\)阻值,可得到6.音。同样道理,依次松开AN2、AN\(_{3}\)、AN4、AN\(_{5}\)、AN6时,仔细调整各短路电阻,可分别得到7·、1:、2:、3:、4:各音调。这组音调为高八度音区。

为了得到中八度音区,音调振荡器输出的方波经电容C\(_{1}\)0与R12组成的微分电路后变成图3(b)所示的正、负向尖脉冲。这组尖脉冲经BG\(_{4}\)、BG5组成的分频器后,就变为一个中八度的音调。分频过程如下:先假设BG\(_{5}\)饱和、BG4截止。当正向尖脉冲加到两管集电极时,由于BG\(_{5}\)集电极上加的信号被短路,对BG4无影响;加在BG\(_{4}\)集电极上的尖脉冲则经C11、R\(_{15}\)加到BG5的基机,使BG\(_{5}\)更饱和,所以正向尖脉冲不会引起电路的翻转。当负的尖脉冲到来时,经C11、R\(_{15}\)加至BG5后,促使BG\(_{5}\)开始退出饱和区,集电极电流减小,它的集电极电压增高,通过C12、R\(_{16}\)加到BG4,BG\(_{4}\)开始导通,BG4集电极电压减小,使BG\(_{5}\)电流进一步减小,这一正反馈过程的进行,使BG5截止,BG\(_{4}\)饱和,电路翻转。由于每输入两个负脉冲,BG4、BG\(_{5}\)的状态才翻转一次,这就相当于把输入信号的频率降低一倍(波形见图3(c)、3(d)),经过一次分频后得到一组5 6 7 1· 2· 3· 4·中八度音区。
同理,BG\(_{6}\)、BG7也组成分频器,它将第一分频器(BG\(_{4}\)、BG5)输出的音调又降低了一倍,得到一组52 6· 7· 1 2 3 4低八度音区。
开关K\(_{7}\)是八度音区转换开关。当左手大拇指虚按簧片d时,d和e接通(接第二分频器),输出低八度音调;当适当用力时,簧片d与簧片b、c将接通(簧片b比d短,弹力大),而d与e断开,此时将第1分频器接入电路,输出的是中八度音调;再进一步用力按时,b、d与c脱开,而与b、a接通,即与音调振荡器接通,输出的是高八度音调。
这就是说,K\(_{7}\)起着普通管乐器上“超吹”或“高音键孔”的作用,可以使演奏音阶跨入另一组八度音区。而AN1~AN\(_{6}\)相当于管乐器上的音孔或音键,用以演奏旋律。
两刀三掷开关K8是用来转换音色的。当它在第“1”档位时,模仿的是箫的声音。箫音的特点是静穆,含蓄,如泣如诉,用C\(_{19}\)R25R\(_{26}\)和C20组成的T形电路实现。C\(_{19}\)用来削减信号中的基波成分,相当于使箫管略为变细(否则近似单簧管)。R25C\(_{2}\)0和R26组成的T形电路是一低通滤波器,用来滤去信号中的高次谐波,使箫音沉静柔和。读者如欲模仿粗管箫,可适当增大C\(_{19}\)和C20的容量。
K\(_{8}\)在第“2”档时,模仿曲笛。曲笛的发音特点是优美、明亮、清脆、饱满。这是由于曲笛管身较粗较长以及有笛膜参与振动造成的。为了使笛音饱满,且获得笛膜效果,使用了由C21R\(_{27}\)C22R\(_{28}\)组成的T形滤波电路。这一电路能显著提升4000-8000赫以上的高频。从而得到笛膜的发音效果。该电路在低音区接近一低通滤波器(因为C21容抗很大可以视为开路),在高音区接近一高通滤波器(由于C\(_{22}\)容抗很小),因此既能保证低音区的优美丰满,又能体现高音区的清脆明亮。适当选择C21和C\(_{22}\)的大小可以获得各人所偏爱的音色。
K\(_{8}\)的第“3”档模仿单簧管(即黑管)。它的音色特点是浑厚、沉静、优美、柔和,低音区有神秘、恐怖或沉思等多种复杂意境的表现力。因此仅仅使用滤波器而不向低音端扩充音域是不行的。为了方便地降低音域,我们在两刀三位开关的另一刀K′8的第三位上连接了一个降调电容C7,选择这一电容的大小,可以使整个音域全部下降五至八度,这样乐器就接近了单簧管的音区,再使用简单的低通滤波器电路(R\(_{29}\)R30C\(_{23}\))使高次谐波大量衰减,就可得到较为真实的音色。
经滤波器润色之后的信号由音量电位器W\(_{3}\)适当控制送至由BG8担任的低频前置放大器和由BG\(_{9}\)—BG12组成的自倒相功率放大器,放大后从扬声器输出。
为了得到频率及幅度可谓的颤音效果,使用了由BG\(_{1}\)担任的超低频振荡器。这是一种由四节RC移相电路组成的移相振荡器。按照图2中所用的数据可以通过改变W1得到5~8赫的颤音频率。颤音电压从BG\(_{1}\)集电极输出经C5至电位器W\(_{2}\)控制,再经R7C\(_{6}\)加至音调振荡器,使音调频率作周期性的变化,实现颤音效果。
电路调试
电路的调试并不复杂,功放级的调试请参考本刊1978年第10期和第11期有关内容进行。前置放大器只要将BG\(_{8}\)的集电极电压调到3伏左右即可。颤音电路有时起振较难,建议将电压表接在BG1的集电极与地之间测量电压,同时用一只100千欧电位器串一只10千欧电阻代替R\(_{1}\),调整电位器,使BG1集电极电压在2.5~4伏变化,此时可看到表针作周期性的摆动,调整W\(_{1}\)时摆动频率应有变化。然后选择振幅较大的一点(UC1约为3伏),测量电位器的电阻值,然后用同阻值的电阻换入。
音调振荡器及分频器只要元器件合格、焊接可靠无误,一般无需调整即能正常工作。
琴体结构
琴体设计上可以有很多种方案。图4是去掉外壳后的琴体形状,图中还给出了各部分的名称及大体相对位置,也把一些主要结构件的详图引离琴体画出。音调按键和音区转换开关K\(_{7}\)都是用0.3~0.5毫米厚的磷铜皮作成的。前面板、背板和八度音区转换开关板都是用单面敷铜板做的。六个音键的尾端在接焊在背板的铜箔上,它的另一端弯成凸勾状作为触点,安装后使这个触点靠着簧片的弹性和前面板内侧的铜箔紧密接触,当音键按下时,才脱离接触,见图4中的侧面示意图。前面板及音区转换板的铜箔均须照图4所示刮去相应部分的铜箔,分割成几部分,以便在铜箔上焊出相应的引线。

前面板和背板是靠两个铁皮支架固定在一起,为了“使铁架和面板、背板绝缘,铁架接触部分的铜箔周围应刮去一条铜箔,使这部分与整个敷铜板隔开。
发音咀(哨片)用两根直径约1毫米的铜丝作成,在“吹咀”部位套上绝缘套管。
为了使单簧管档低音丰富,我们把音箱另外配置在琴体之外,电源也装在音箱里面。如果读者有好的收音机也可以将本机的音量电位器的输出接到收音机的拾音器插孔,直接用收音机放音。

图5是印刷电路板图。为了准确的调音,音调电阻R\(_{X}\)用14个1千欧、10瓦的滑动式线绕电阻做成,因为有7个音阶,所以需要6个触环,移动触环位置才能得到7个音阶。市售的滑动式可变电阻只有一个触环,所以还必须照样仿制两个触环,调音时套在适当的电阻部位上。这四只电阻可以借本身两端的两根引线固定焊接在背板内侧的铜箔上。焊接时应注意,焊点周围的铜箔应刻出一个环隙来,以免短路。
音准的校正
乐器的关键首先是音准。在整机全部调试完毕能够正常发音后就可以进行调音。其步骤是:先将吹咀短接,使乐器连续发音,再将所有音键全部按下,K\(_{7}\)保持d与e接通状态,这时得“筒音5.”,以这个5.音为标准,仅放开AN1(右手无名指),仔细调节音调电阻上控制6.音的触环(见图4),调节触环时先松开锁紧触环的小螺钉,使触环在电阻上移动,直到听准了6.音为止(可以不断地与5.相比较,定准6.音)。然后依次放开AN\(_{2}\)、AN3、 AN\(_{4}\)、 AN5, AN\(_{6}\)等,照上述方法顺序调整相应的各触环位置,分别得到7. 1 2 3 4各音。这时再用小螺钉把触环锁紧,就不再动了。然后去掉“吹咀”上的短路线,就可以使用了。
演奏方法
演奏前先熟悉一下各旋钮及吹阻对发音性质的影响。先将吹咀用导线短接使琴连续发音。旋动音量电位器音量大小应能变化。将颤音幅度旋钮开大,应该有足够强的颤音,并随着旋钮的转动颤音幅度逐渐减小至零(不颤)。将颤音幅度旋钮调至一定位置,旋动颤音频率旋钮,应能听出颤音快慢的连续变化,拨动音色转换开关K\(_{8}\),应能听出箫、笛、单簧管的音色特点。然后去掉吹咀上的短路线,练习一下吹咀的使用。将吹咀平放进口里(吹咀顶端两根粗铜丝的距离保持在3~5毫米),口含深度约20毫米左右。当唾液湿润了绝缘套管以后,随着口含深度的减小或嘴唇夹持力的增加(它们接触面增加),使吹咀电阻变小,声音就相应变大,反之亦然。经过一段练习之后,可以达到下意识控制音量的程度,演奏效果就比较动听了。
再一个需要强调练习的是八度音区转换开关K\(_{7}\)的使用。演奏时左手拇指前端轻压在拇指托垫上,不按动触片d,便得低音区;指面稍加用力时则得中音区;再用力时得高音区。经过反复练习,也可以作到类似传统管乐器上“超吹”的下意识动作——每当应该吹奏高音时,左手拇指就不由自主地适当用力,自然转换音区。演奏姿态如报头所示。如果转换音区时有“断音”和“超位”现象时,应仔细调节K7的各弹片之间的距离。
这些练习进行以后,就可以象传统的箫、笛一样流利地演奏乐曲了、本乐器可以演奏速度很快的乐曲,可以同其它乐器合奏。但这时需要用定调乐器作标准,耐心地增减C\(_{8}\)、C9的容值及调整R\(_{X}\),使它成为有标准音高的电子乐器。
值得指出的是,如果左手拇指不是按着触片d而是用力按着e,使e、d、b与a接通,这时引出的信号是音调振荡器和第二分频器的综合信号,得到了特殊的“电子合成音色”。此时,如将颤音频率及颤音幅度适当加高,则发音更加新颖别致,但此时它也只有一个八度的演奏范围。
最后指出一点,就是当电池电压降低时音调也发生变化,因此最好使用稳压电源供电,或者将低放部分和其它电路分别用两组电池供电,以便延长乐器功能部分电路的稳定工作时间。(田进勤)