当BG\(_{1}\)输入一个同样幅度的正半周信号时,BG1完全截止,使I\(_{c1}\)=0,Uc1=E\(_{c}\)。因为忽略各管的Uces和U\(_{be}\),故Ue2(U\(_{b3}\))及M点对地电压均增大到Ec(忽略R\(_{0}\)上的压降)。M点电压从原来的UM上升到E\(_{c}\),即变化了一个电压数量(Ec-U\(_{M}\)),那么通过电容CL,也将在R\(_{L}\)上得到(Ec-U\(_{M}\))的输出电压。这就是我们希望的负半周满幅正弦电压。但这是达不到的。因为BG1截止后将引起BG\(_{2}\)、BG3充分导通。BG\(_{2}\)导通时的基极电流Ib2是从电源正端经R\(_{4}\)、BG2的e-b结和R\(_{3}\)回到电源负端,这将在R3上产生一个下正上负的电压降U\(_{R3}\),它将使Uc1≠E\(_{c}\),而是比Ec低一个U\(_{R3}\)的值,这将影响M点电压同样达不到Ec,R\(_{L}\)上也得不到满幅输出。结果,尽管输入信号以对称的两个半周激励BG1,但在R\(_{L}\)上输出的信号却是不对称的,正半周是满幅,负半周欠幅,结果从示波器上看到负半周是短而肥胖的波形。
为了克服这一缺点,我们使用了由R\(_{J}\)和CJ组成的自举电路,如上篇图5中虚线所示。改后如图6。在无信号时,经BG\(_{4}\)的e、c极、CJ和R\(_{J}\)给大电容CJ上充好数值为(E\(_{c}\)-UM)的直流电压。当给BG\(_{1}\)送入正半周信号时,BG1截止,U\(_{c1}\)增加了某一数值ΔU,并通过BG2和BG\(_{3}\)促使UM也增加了同一数值ΔU。因为大电容C\(_{J}\)上的电压不能跃变,而a点(图6R3上端)电压U\(_{a}\)是UCJ和M点电压之和,又U\(_{CJ}\)=Ec-U\(_{M}\),而M点电压增加为UM+ΔU,故
U\(_{a}\)=Ec-U\(_{M}\)+UM+ΔU=E\(_{c}\)+ΔU
这说明U\(_{a}\)比电源电压Ec还高出一个量ΔU,这就是所谓“自举作用”。这个自举起来的电压ΔU就足以抵消I\(_{b2}\)流过R3时造成的电压降,于是使U\(_{c1}\)能够接近Ec,从而保证了输出负半周电压幅度不致减小,也能输出完好的满幅正弦波。
R\(_{J}\)的作用是防止电源的低内阻引起CJ快速放电而使自举失败。
可以看出,M点电压通过C\(_{J}\)反馈到a点,并通过R3反馈到BG\(_{2}\)基极时,是与基极信号电压同相位的,因此自举电路实际上是一个正反馈电路,它还可以提高放大器的增益,并且由于射极跟随器的增益小于1,故不会有自激的危险。
为了提高自倒相电路的效率和输出功率,要求尽量减小自倒相电阻R\(_{o}\)上的损耗,Ro要小,但R\(_{o}\)太小则不足以提供BG4必要的激励电压。为此我们在一般低电压小功率电路中选用阻值较大的R\(_{o}\),如采用10~20欧,同时给它并联一个2CP型二极管,如图6所示。这样,当BG3得到正半周信号时,I\(_{c3}\)减小,Ro上的压降也减小,D\(_{2}\)不通,Ro上有一定的压降去激励BG\(_{4}\);当BG3得到负半周信号时,I\(_{c3}\)增大,Ro上的电压降也增大,到一定幅度时D\(_{2}\)导通,其正向电阻和Ro的并联总阻比R\(_{o}\)要小,于是大部分功率输出到RL上,而使电路的效率和输出功率提高。

在用电池供电时,为了保证电池电压逐渐降低时电路工作性能稳定,需要采用稳压的偏置电路。
根据上面的讨论,可得出一个实用的自倒相RC推挽电路,如图6所示。图中各管全部使用3AX型晶体管。二极管D\(_{1}\)起放电作用,用2AP型。D2是为提高功率和效率用的辅助二极管。D\(_{3}\)是利用正向特性起稳压作用的二极管,它和限流电阻RW一起组成BG\(_{4}\)的偏置稳压电路。D2和D\(_{3}\)都用2CP型管。RJ和C\(_{J}\)组成自举电路。RM用来调整M点的电压。R\(_{a}\)用来调整推挽级的静态电流。虚线所示的R5的作用,在后面叙述。
三、调整方法
自倒相推挽级的两只功放管虽然像普通OTL电路一样,也是串联供电的,但因为多了一只自倒相电阻R\(_{o}\),它上面要分去一部分电压,所以输出M点的直流电压UM就不能取电源电压的一半,即U\(_{M}\)≠Ec/2,而是根据R\(_{o}\)的大小、扬声器RL的阻抗大小和推挽管的饱和压降来确定的。在使用锗管、扬声器阻抗为8欧时,U\(_{M}\)约为(0.42~0.45)Ec。在电源电压用得很高,例如12~30伏时,由于BG\(_{4}\)激励电压并不需要太多地增加,故Ro上压降(通过静流I\(_{o}\)控制)也没有增大很多,所以Ro上分配的电压在总电源电压中所占比例相对减小,分配给BG\(_{3}\)和BG4的电压就相对增大,此时U\(_{M}\)可以接近电源电压的一半,即UM≈E\(_{c}\)/2。
在元器件质量完好的情况下,图6所示电路只要调整两个参数就可以工作。一个是输出M点的电压U\(_{M}\);一个是推挽级的静态工作电流Ic3,即I\(_{c4}\)。但据我们的实践,一般用不着单独测量推挽级的电流,只要在电源开关处测量总电流约为8~15毫安就合适了;UM接近2.6~2.7伏较合适。调整步骤如下:
1.断开R\(_{a}\),接通电源,用47千欧电位器串一个5~10千欧电阻临时代替RM,调节电位器使U\(_{M}\)≈2.6伏。此时Uc1≈3伏;U\(_{e2}\)≈2.8伏。
2.用5千欧电位器串联一个300欧电阻代替R\(_{a}\),调5千欧电位器使总电流为10~15毫安。
3.临时串接一个5~10千欧电阻R\(_{S}\)到电路输入端,通过它送入音频信号(例如1千赫)。由小到大逐渐增加信号幅度,同时用示波器观察RL上输出的波形。若发现信号由小变大的过程中,输出信号不能连续增大,而在中途出现“平顶”,有时当输入信号继续增大时,平顶又自动消失,变为正弦波继续加大,这是由于BG\(_{4}\)的β太小,或BG3、BG\(_{4}\)的静流太小造成的。此时应稍稍减小5千欧电位器,以增加静流,就可消除。如仍不能消除,或静流很大时才能消除,则说明BG4的β太小,应换β=50~100的管子试验。然后继续加大输入信号,直到输出波形发生限幅(削顶),此时,如正、负半周的削顶不能同时发生,则应微调代替R\(_{M}\)的电位器,使同时发生。至此,电路的工作状态已全部调好,可以将代换的两个电位器连同所串电阻焊下,分别测量各自的总阻,用等于总阻的两个固定电阻换上去。
4.送入信号,重新测量输出功率、最大电流、静流和U\(_{M}\)。一般情况下,最大正弦波功率可达280~320毫瓦;不失真功率(失真度为10%)大于400毫瓦;最大饱和功率可达500~700毫瓦。最大电流约110~130毫安。静流约为8~15毫安。UM=2.5~2.7伏。
在业余条件下,不用示波器,用听声音和检查U\(_{M}\)电压变化的办法,也可以调整。这就是当输入信号连续增加时,听输出信号有无不连续增长的情况,按上述办法处理。另外,可以从UM变化来约略估计两个半周的削波是否对称,即当信号增大时,如发现U\(_{M}\)增大,则说明负半周先削;反之则为正半周先削,可调节RM使当信号增大时,U\(_{M}\)基本不变即可。
在调试中临时加接R\(_{S}\)的目的是为了提高信号源内阻,以防止通过RM的交流负反馈作用被信号源的低内阻所短路,而使输出波形变坏。实际使用时则不必加,因前级输出阻抗总是高的。
四、主要电气性能和对元器件的要求
我们对这种电路在3、4.5、6、9……到27、30伏电源的条件下进行了一系列的试验,结果表明:电源电压在3~6伏时,推挽管可以用3AX31一类小功率管工作;9~18伏时宜用中功率管3AX62等;15~30伏时可用3AD6等大功率管在3~12伏之内用电池供电时,都可使用图6所示的小功率典型电路。电压不同时,只需换用耐压和功耗较大的晶体管和耐压较大的电容,并调整影响工作点的电阻R\(_{M}\)、Ra和R\(_{W}\)即可,其余元件均可通用。
附表列出在几种不同电源电压、信号频率为1千赫时,在标称阻抗为8欧的扬声器上测得的数据。由于扬声器阻抗有一定误差,故表中数据仅供参考。E\(_{c}\)为9伏以上的数据是在Ro=2.2欧的条件下测得的。

一般情况下,最大正弦波输出时的电源效率可以做到45~65%。10%失真时的效率可到70%左右。电频响不均匀度在45赫~20千赫范围内小于3分贝。当使用4欧扬声器时,输出功率约为使用8欧扬声器时的1.5倍。电路达到不削波输出时,从BG\(_{1}\)基极对地实测得的信号电压约为3~8毫伏。
下面简单谈谈对元器件的要求。
除调整工作点的电阻外,其余电阻允许有较大的误差。大功率电路中的倒相电阻R\(_{o}\)要用1~2瓦的,其余均可用1/8瓦的。推挽管应选用集电极耗散功率参数Pc足够大的,可取P\(_{c}\)≥Po/2;要求反向击穿电压BV\(_{ceo}\)≥Ec。BG\(_{4}\)的电流放大倍数β应取高些,例如大于100,50以上也可。BG3的β值要求在20以上。BG\(_{2}\)管要求稍特殊,除要求β>20,BVceo>E\(_{c}\)外,还希望用Vces稍大些的。这是为了防止强信号时BG\(_{3}\)过饱和而提出的,否则当输入信号很大时,BG2充分导通,其内阻很小,将使BG\(_{3}\)的基极电位Ub3接近电源电压E\(_{c}\),而Uc3因有R\(_{o}\)存在不能接近Ec,致使BG\(_{3}\)的c-b结加有正向偏置,其基极信号不倒相地从BG3的集电极输出,使饱和输出时的方波顶部呈现下凹,最大输出减小。也可不管这一要求,仍采用V\(_{ces}\)较低的管子,但要人为地在BG2集电极电路或BG\(_{3}\)基极电路串入一个10~50欧电阻,以限制BG3的基极电流,防止BG\(_{3}\)过饱和(如图6虚线所示的R5)。BG\(_{1}\)的β值大于50即可,BVceo>E\(_{c}\)。所有三极管的穿透电流Iceo都应尽可能小。
五、应用电路举例

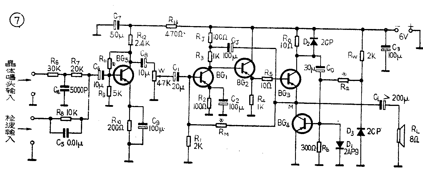
1.小功率电路:作为便携式收音机或小型台式收音机的功放级,可以使用图6的典型电路。或者再增加一级前置级构成图7所示的低放电路,其灵敏度可达1毫伏,还有相当的增益余量,可以加些阻容元件来改善音质。本电路的印刷电路板是图8。

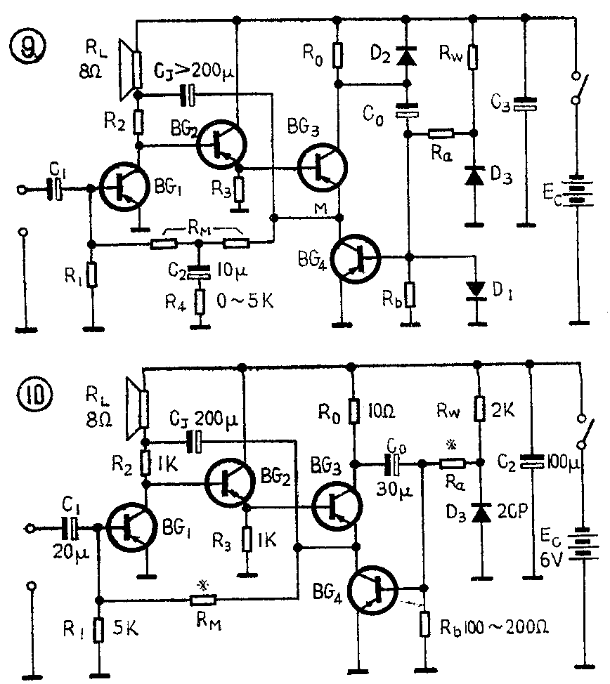
为了节省元件,还可用扬声器代替自举电阻R\(_{J}\),而用输出电容CL代替自举电容C\(_{J}\),变成图9的电路。

在允许失真较大的简单收音机中,可以用两个电阻串联起来代替R\(_{M}\),并在串联点到地跨接一个10微法以上的电解电容,再串一个电阻。这就取消或减小了交流负反馈,从而使灵敏度大为提高。此时不用前置级也有够大的音量。在此电路中,当输入信号为负半周时,BG1导通,BG\(_{2}\)和BG3截止,BG\(_{4}\)导通,电流通过BG4、C\(_{J}\)和RL回到电源负端,给C\(_{J}\)充电,同时在RL上输出正半周信号。输入为负半周时,BG\(_{1}\)截止,BG2和BG\(_{3}\)导通,BG4截止,电容C\(_{J}\)通过BG3、R\(_{o}\)和RD2、R\(_{L}\)放电,在RL上输出了负半周信号。图9的电路可以使用3~6伏电源。
还可以用增加R\(_{M}\)的办法来减轻交、直流负反馈,以提高灵敏度,但此时R1要相应地增大,以保持工作点不变。如再省去两个二极管,同时把和它并联的电阻适当减小,以利C\(_{o}\)放电和减小Ro上的功率损失,便可得到一个零件更少的简易低放级,如图10所示。这个电路能输出200毫瓦以上的不失真功率。最大输出可达500毫瓦,静流约10~15毫安。

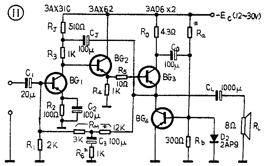
2.大功率电路:图11是一个输出功率较大的扩音机电路。推挽管用大功率管3AD6。如果E\(_{c}\)较低,BG2可用3AX81B或3AX31B。为了稳定性和失真小,R\(_{1}\)和RM用得较小,以增强交、直流负反馈。加前置级时,不可使用输出阻抗过低(<1千欧)的前置级,否则将减弱交流负反馈,使失真增大。必须使用时,可串接一个1~10千欧电阻后送入信号,或增加一级共发射级。大功率管应装在散热片上。这种电路还可以用在小型电影扩音机,电视伴音功放级或电视帧扫描输出级等处。(田进勤)