自1975年本刊介绍了“9寸电视机混合式扫描电路”以来,收到不少来信,询问有关问题,现综合归纳解答如下。
“行”幅度小
1.本电路行输出变压器采用的是MXO-600U\(_{14}\)型磁心,其初始导磁率比较低,只有600高斯,行输出变压器高压线圈为1000圈,高压约8~9千伏。如果采用导磁率比较高的MXO-1000U12型或MXO-2000U\(_{16}\)型磁心,高压线圈也绕1000圈,所得高压就比较高,有的可达11千伏。因为行扫描幅度,随着加到显象管(23SX5B)第三阳极上的电压的增高会降低,所以行幅度小。遇到这种情况,可将高压线圈减少到700圈。如果整机已装好,在调试中发现这种情况,可以用加大电容器C23(见1975年第2期电路图)的容量来解决,其容量可从2200p~0.01μ之间选取。
如果行频在15625H\(_{Z}\)左右时,行幅度比荧光屏小1/4左右,可将行输出变压器低压线圈按图①所示数据改绕。如不易改动,可以将行偏转线圈的圈数减少到170圈或160圈。

2.当高压正常(8~9千伏),而行幅度小时,应用万用表100毫安档检查行输出管屏流,测量方法如图②所示,其电流应在30~40毫安之间。如果电流太小,可减小R\(_{3}\)0电阻的阻值,R30的阻值可在1K~10K之间调整。

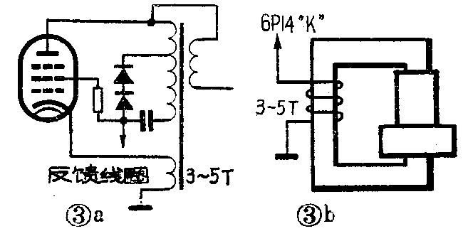
3.为了使行输出变压器的层间绝缘容易处理,降低层间电压,其绕组的总圈数选取的比较多,相应地也使行输出管的屏流小了些。这样一来,使得行输出变压器阻抗高、分布电容大,再加绕制不合适,使有的整机安装完后,行幅度达不到要求。虽经前述两种方法处理,也感不足。根据再生反馈的原理,这时可在行输出级加正反馈线圈。具体方法是:用φ0.1×7的多股细塑料软皮线,在行输出变压器的磁心上绕3~5圈,其中一端接地,另一端接行输出管阴极(原阴极接地的线拆除)如图③。采取这样的措施以后,会使行幅有明显增大。若行幅反而减小,说明是反馈线圈接反,可将两引线头对调一下。如果屏幕上出现许多亮线中间交叠如图④那样,同时变压器磁心发出吱吱的叫声,说明反馈太强造成自激,应减少1~2圈试试。


高压偏低图象较暗
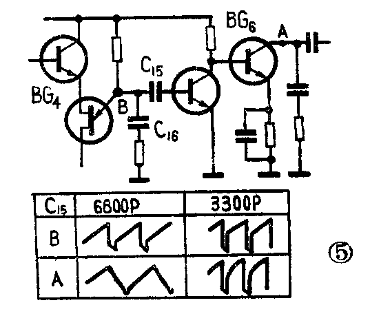
一般来讲是由于行振荡产生的锯齿波脉冲成份太小,主要是单结晶体管特性所引起。但是C\(_{15}\)对锯齿波脉冲成份也有影响,可换一只3300p的电容试试。如有示波器,可用示波器观察BG4发射极锯齿波形的变化。C\(_{15}\)对锯齿波脉冲成分的影响如图⑤所示。一般脉冲成分应占1/2左右,C15可在3300~6800p之间选取。

“行”同步稳定性差
本电路采用单结晶体管作振荡器,并在同步分离电路中设有双脉冲平衡鉴相器,以提高行同步的稳定性。如果行同步稳定性还比较差,可在单结晶体管BG\(_{4}\)的发射极加上一个辅助LC稳频振荡电路。具体方法如图⑥所示。这样可进一步提高行同步的稳定性。

行振荡电路的改装
由单结晶体管组成的锯齿波发生器,线路简单,并易获得锯齿波脉冲信号。但是,也可用两只晶体三极管对接起来,组成“再生环式电路,作为振荡器,如图⑦所示。这种电路是由一只PNP型三极管和一只NPN型三极管组成。两管均选用小功率高频管,要求BV\(_{ceo}\)> 12伏。其中PNP型管β值应在30~70范围内选取。NPN型管选用β值较小的管子(最好β<10)。另外还可以用电感三点式振荡器代替单结晶体管作振荡器。电路联接要保证为正反馈,反馈要足够强,易于起振。要有可调磁心,能连续改变电感量,使行频在15625HZ的同步范围内改变。具体方法如图⑧所示。三极管选用β值为80~100的PNP型高频管。线圈用φ0.2毫米的漆包线,在直径为8毫米的骨架上密绕或乱绕750圈,在300圈处抽头,宽度为20毫米。用MXO~200,M\(_{6}\)×0.75的磁心作调整电感量用。线圈骨架也可以用儿童塑料铅笔杆,用M6×0.75的丝锥套丝代用。


元、部件的代换
1.行偏转线圈的代换:
用全晶体管电视机的行偏转线圈代替混合式扫描电路的行偏转线圈时,要进行适当的改接,才可以使用。其方法是将原偏转线圈的并联引头改接成串联,改接时要注意头尾相接。因为混合式扫描电路的行偏转线圈是用φ0.35毫米的漆包线每只绕180圈,而全晶件管电视机的行偏转线圈一般是采用4股漆包线并绕40~45圈,将并联引头改接成串联时,就成为160~180圈。

2.阻尼管的代换:
本电路是采用八只反向击穿电压大于500伏的晶体二极管串联组成阻尼管。但是也可以用电子管6Z19或6Z4代替晶体二极管做阻尼管,其接法如图⑩所示。用6Z4做阻尼管时,其灯丝必须单独供电,不能与行输出管6P14共用一个灯丝电源,而且灯丝要与地良好绝缘。在机器工作时,不要带电断开行偏转线圈,以保护6Z4灯丝与阴极不被击穿。为了保护6Z4,可在阴极与+250伏供电线路之间接入一个10~30Ω,\(\frac{1}{4}\)瓦的电阻,如图⑩所示。

3.场输出管的代换:
原电路是用PNP型晶体三极管做帧输出管的。如果要用NPN型三极管代换也可以。值得注意的是电路极性不能接错。由于帧输出是锯齿波脉冲电压,用NPN型代替PNP型三极管做输出管时,其激励脉冲电压极性必须与原电路极性相反才行。可用两种方法与帧振荡级联接,一种是从BG\(_{9}\)发射极引出,把BG9改接成射极跟随器,R\(_{35}\)改成帧幅电位器,如图所示。除电路进行改接外,图中电阻、电容值均不变。另一种是在BG9输出耦合电容C\(_{3}\)0后加上一级放大器进行倒相,其电路及印制板图如图所示。同时在发射极加上负反馈,把偏转线圈接在反馈电阻上,使输出电压反馈到所加放大器上,以改善波形,提高稳定性。为了进一步提高电路的稳定性,还在激励级BG10集电极加上了热敏电阻。其它电阻、电容数值参看图。


4.显象管的代换:
由于本扫描电路行、帧输出功率富裕量都比较大,可以推动31厘米和35厘米显象管行与帧的偏转。因此可用31厘米或35厘米的显象管代换23厘米的显象管。当换用31厘米的显象管时,因其偏转角(90°)、管径(φ20毫米)与23厘米显象管都相同,一般来讲可以直接使用,偏转线圈也可以用原偏转线圈。若高压低于9千伏时,可将高压线圈适当增加一些圈数。当换用35厘米显象管时,因其偏转角(70°)、管径(φ35毫米)都与23厘米显象管不同,所以偏转线圈要重新绕制。行偏转线圈每只用φ0.35毫米的漆包线绕180圈左右,帧偏转线圈直接绕在磁环上,每只用φ0.23毫米的漆包线绕600圈。行线性校正线圈和C22可以不用。如果行幅不够,可将行输出变压器按图所示圈数重新绕制。

其他问题
1.当图象中间出现交越失真时,如图示,应调整R\(_{27}\)(用一只50K电位器调)。如果交越失真仍不消失,可用一只470Ω或100Ω的电位器代替R22,与R\(_{27}\)配合起来调整,直到消除为止。

2.图象中出现一条宽度约4厘米左右的暗黑竖带,如图示,这是由于本机未加入行消隐的原因。一般来讲不加行消隐也可以观看图象,如果暗黑竖带较明显时,可以加上行消隐电路,其方法如图示,用多股塑料线在行输出磁心上绕5~10圈,然后经2AP9晶体二极管引出。


3.23厘米显象管的电子枪比较小,其静电聚焦系统较好,但其阴极寿命比35厘米显象管差。为了有效地延长显象管的寿命,应注意各极工作电压的范围,特别要注意显象管阴极与控制栅极之间的负电压,其绝对值最小不能小于10伏(包括31厘米和35厘米显象管在内)。显象管各级工作电压参考表1。

4.显象管是电视机的重要部件,其灯丝又是阴极发射电子的热源,因为23厘米显象管灯丝是低功率灯丝(灯丝电流为85毫安),所以灯丝冷热电阻相差很大。通电前冷电阻小,刚开机,瞬时流过灯丝的电流较大,很容易烧坏,可在灯丝上串一只25伏的小灯泡,以保护灯丝。
5.由于帧振荡电路阻抗较低,虽然加进了射极跟随器,但对同步分离电路影响仍较大,为了进一步减弱帧振荡电路对同步分离电路的影响,可在帧振荡电路中加上两个隔离电阻。如图示。

6.图象顶部十几毫米范围内出现较密的回扫亮线如图示,或者图象除这一部分被压缩外,其它部分帧线性都比较好,调整其它有关帧线性调整元件虽然有所改善,但其他部位的线性又变差,此时可在D\(_{4}\)上并联一个1μ或1.5μ的电容,如图示。


7.本扫描电路对通道有两个要求,一是同步信号要求1伏左右的负向同步信号(全电视信号为正极性),此信号可从其它外差式电视机的视预放级发射极取得;二是,显象管调制信号要求是大于40伏的负极性视频信号。满足这两个条件,本扫描电路就可以与其它外差式电视机的通道配合使用。(工人 林永恩)