作用和要求
图象中频放大器是超外差式电视接收机的重要组成部分,电视机的主要质量指标如灵敏度、选择性、通频带等在很大程度上取决于中频放大器的性能。
在高放级中得到放大的高频信号,经过混频级变成固定频率的图象中频信号和伴音中频信号,中放将此二信号进行不同程度的放大,使之达到检波器正常工作所需要的数值。图象中放的主要指标如下:
1.增益。当天线输入为75Ω阻抗时,图象通道极限放大灵敏度不劣于100μV。一般高频头的总增益约26分贝。为使检波效率高,非线性失真小,中放给视频检波器输入端的图象信号电平不得小于1~2V(有效值)。可见从中放输入端到检波输入,整个信号电压增益应在60分贝以上。

2.频率特性。图1为中放频率特性曲线。①通频带:从特性曲线的低频端的70%处至高频端的中频载频处需要有约5兆赫的宽度,才能使图象中频信号的各个频率分量得到均匀地放大。以一个由黑到白跳变的信号(即脉冲方波)为例,如图2a,如果中放通带不够宽,就可能使这个信号在检波之后由图2a变成图2b形状,在图象上表现为有拖尾现象。②选择性:为了防止邻近低频道的伴音载波和邻近高频道的图象载波的差频干扰,需要通过陷波电路将其衰减掉。以接收北京黑白电视台信号(第二频道)为例,它的图象载频为57.75兆赫,伴音载频为64.25兆赫,本振频率为92兆赫,经混频,图象中频为34.25兆赫,伴音中频为27.75兆赫。从电视频道划分可知,第一频道的伴音载频为56.25兆赫,经与92兆赫差频后得伴音中频为35.75兆赫,它与要接收的频道图象中频(34.25兆赫)只差1.5兆赫;第三频道的图象载频为65.75兆赫,经差频后的图象中频为26.25兆赫,离要接收频道的通频带约2兆赫。因此,如果不把以上这种邻近频道载频干扰吸收掉,它们就会产生干扰。另外,对本频道伴音信号的放大量也应限制在中频最高增益的5%左右。若不采取这种限制,图象信号会对第二伴音中频(6.5兆赫)造成寄生调幅,严重时会出现“蜂音”;其次在视频检波输出产生的6.5兆赫的伴音中频也会在图象上形成干扰。③特性曲线的形状应能适应接收用残留边带方式传输的电视信号,即图象中频载波频率要位于频率特性曲线斜边高度为50%的地方,且在它左右0.75兆赫处,有斜率一致的特性。电视信号在发送时,采用残留边带传输方式,在0.75兆赫以下的低频分量以双边带发送,而0.75兆赫以上的高频分量是单边带发送。因此我们在接收过程中,如果把发送的信号全部接收下来,检波以后的视频信号就会出现低频分量过度的情况,引起图象失真。如按照图3a特性曲线来接收,视频检波输出的图象信号频率特性就是平坦的,如图3a′;当本振频率不稳而使混频输出的中频载频发生偏移时,图象就要失真,如果载频位置向下移,如图3b,图象低频分量减少如图3b′,图象对比度变淡,伴音增强,并可能出现多边多影或黑白镶边现象,甚至引起不同步,加载频位置向上移动,如图3c,图象信号低频分量增加,如图3c′高频分量减少,图象对比度变浓,黑白之间的过渡变得模糊,伴音音量减小。


3.自动增益控制。在正常情况下,检波器输入端要求图象中频信号电压有效值为1~2V,如果信号过强,中放末级将产生信号的切割现象,造成图象失真或同步破坏。为此,在强信号时,应使中放增益自动降低,以使检波器输入电压基本保持不变。一般图象中放自动增益控制范围在20分贝到40分贝之间,即输入电平变化20~40分贝时,输出电平只变化±1.5分贝。
4.稳定性。中放工作稳定性是指直流偏置状态、晶体管参数和电路元件性能发生变化时,放大器主要特性的稳定性。常见的不稳定现象有增益变化、谐振曲线畸变、通频带变化等。如果不稳定引起放大器自激,整个电视机就无法工作。在消除自激的过程中,就可发现高增益和稳定性是图象中放的主要矛盾。
5.中频频率选择。目前我国电视图象中频有两种:一是正在使用的图象中频为34.25兆赫,伴音中频为27.75兆赫。另一种是将要采用的图象中频为37兆赫,伴音中频为30.5兆赫。中频的选择,主要考虑:①对镜象频率的抑制能力。中频选得高一些,镜象频率离得越远,越容易被高放选择性回路所抑制掉。②视频检波器上产生的谐波频率不要落在其他电视频道内,如34.25兆赫的二次谐波是68.5兆赫,正落在第三频道(64.5~72.5兆赫)范围内,在接收第三频道信号时,容易造成电视机自身干扰。③尽量防止本振频率落在通道内,如用37兆赫中频时,第一频道的本振频率(86.75兆赫),正落在第五频道内,第六频道的本振频率(205.25兆赫),正落在第十频道内,形成电视机互相干扰。但这个中频克服了自身干扰,例如它的二次谐波是74兆赫,正好落在第三频道(64.5~72.5兆赫)与第四频道(76~84兆赫)之间的空档内。
电路类型
要达到增益高、频带宽和选择性好的要求,单级放大器是不能实现的,一般采用多级放大器的办法。目前用得较多的图象中放电路有以下几种。
图4a是三参差调谐放大器。它是三个单回路谐振放大器的级联,将调谐频率和Q值各不相同的三个调谐电路予以适当配置,就可得到增益、频带和选择性都比较好的中放总特性曲线。

图4b也是一种参差调谐放大器,它是由双调谐放大器与单调谐放大器混合组成的电路。在混频输出和末级中放输出用双调谐回路,其他级电路按参差方式配置。一般中放一、二级受自动增益控制,它的集电极电流是变化的,造成晶体管输入、输出阻抗的变化,其电抗部分将影响调谐频率,电阻部分影响回路Q值,带来调谐频率和通频带的变化,为减少这种影响,通常用加大回路电容和在回路上并接电阻的方法,来减小自动增益控制对回路的影响,但这样使增益变低,选择性变差,因此要靠混频输出和中放末级的双回路来满足总的选择性要求。

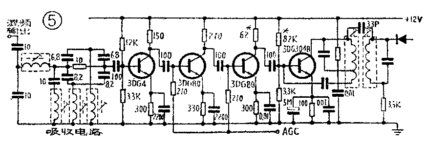
图5是集中调谐阻容耦合方式放大器。在混频输出和中放末级输出用双调谐回路,以达到选择性要求,中间用三级阻容耦合宽频带放大器,自动增益控制加在阻容耦合级,避免了自动增益控制对中放频率特性曲线的影响,调试比较简单,通频带容易满足要求。但阻容放大器增益较谐振放大器低,故一般用四级级联。由于级数加多,如元件排列或布线不良,就容易引起自激。

图6为混合式放大器。由双调谐回路、单调谐回路和阻容耦合等混合组成的图象中放电路。它用调谐放大器来保证用三级中放达到所要求的增益,靠混频级输出与中放末级输出的双调谐电路获得较好的选择性,自动增益控制加在阻容耦合级上,使因自动增益控制电流的变化带来频率特性曲线的变化减小。
电路分析
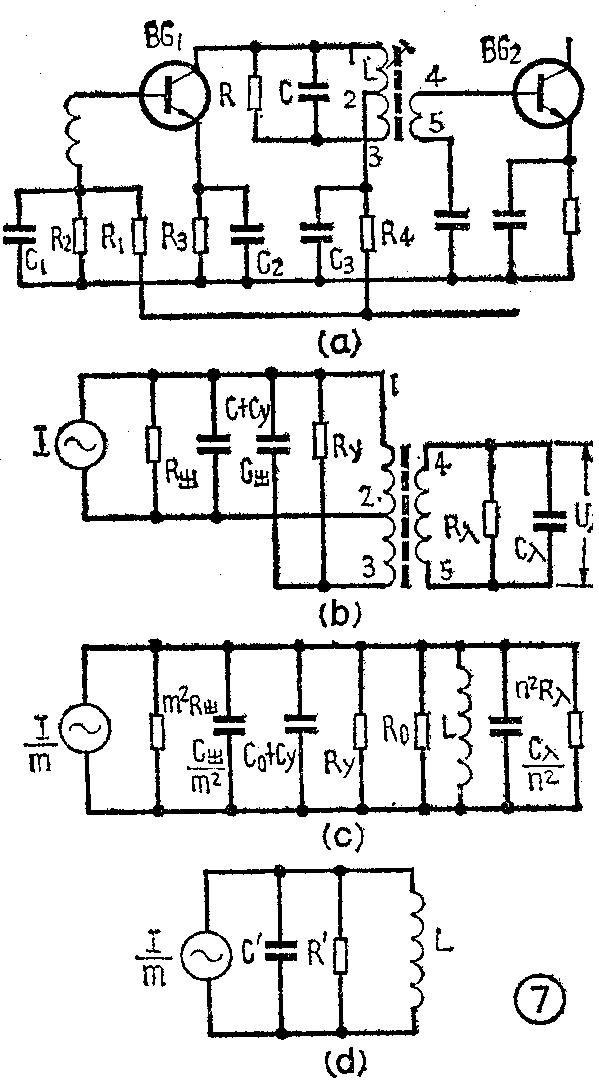
1.单回路调谐放大器。上述电路中都用到单回路调谐放大器,它是用一个简单的并联谐振回路作负载的调谐放大器如图7a。放大管BG\(_{1}\)接成共发射极电路,放大器输入端用变压器耦合;R1、R\(_{2}\)是直流偏置电阻;R3是用来稳定工作点的直流负反馈电阻;C\(_{1}\)、C2、C\(_{3}\)为交流旁路电容;电容C和中频变压器的初级(L)组成并联谐振回路;回路以自耦变压器方式与BG1耦合,以保证回路的Q值和匹配。
在中放电路中,由于晶体管输入、输出阻抗都较小,如果直接并联到调谐回路上,将使回路Q值大大下降,通频带增宽,对抗干扰不利。另外,这样“部分接入”和变压器形式传输,还可以通过选择合适的初级抽头和初次级匝数比来实现前后级之间的电路匹配。
如果把直流偏置元件和直流电源撇开,将晶体管BG\(_{1}\)用电流源I及输出电阻R出、输出电容C\(_{出}\)代替,下一级晶体管BG2用输入电阻R\(_{入}\)、输入电容C入代替,并认为电路完全中和,不考虑晶体管内反馈参数的影响,就得到图7b的等效电路。如果将电流源、输出电阻电容和输入电阻电容都换算到调谐回路两端,则图7b成了图7c形式。图中R\(_{0}\)为线圈损耗电阻。Ry为外接并联电阻,C\(_{0}\)为分布电容,Cy为外接电容,m=\(\frac{N}{_{1}-3}\)N1-2,n=N\(_{1}\)-3;N4-5。再将各电阻电容合并,即得图7d电路。C′为C\(_{出}\)/m\(^{2}\)、C0、C\(_{y}\)、C入/n2并联总电容;R′为R\(_{y}\)、R0、n\(_{2}\)R入、m\(_{2}\)R出等电阻的并联值。这时回路的谐振频率f\(_{0}\)=\(\frac{1}{2π}\)\(\sqrt{LC′}\)。因此除了改变线圈磁心位置,改变初级线圈圈数和外接电容值外,更换晶体管或改变m及n值都会影响回路谐振频率。回路的有载品质因数Q载=R′;2πf\(_{0}\)L=R′2πf0C′,通频带B=f\(_{0}\)Q载=f\(_{0}\);R′·2πf0C′=\(\frac{1}{2πC′R′}\)。可见除了改变外接并联电阻R\(_{v}\)值可改变通频带宽度之外,用同时改变C′与L数值的办法,也可以在f0不变的情况下改变通频带的宽度。

2.参差调谐电路。它的谐振曲线形状取决于每个回路相对于中心频率f\(_{0}\)的失调量fa和有载品质因数Q\(_{载}\)。以一组三参差调谐放大器为例,第一个回路调谐在f0-f\(_{a}\),第二个回路调谐在f0+f\(_{a}\),第三个回路调谐在f0。电路主要考虑的参数是Q\(_{载}\)与fa。用三参差调谐的目的是展宽通频带,并获得好的选择性。要得到图8那样的总曲线,要求第一级回路和第二级回路的Q\(_{载}\)要大,使频带边沿下降快,若Q载1与Q\(_{载2}\)相等,就可得到对称的合成谐振曲线。为保证曲线在通频带内平坦,以便得到均匀的增益,就要求第三级回路Q载3要小一些。如果图象中放所需的通频带为B,就应使第三级的通频带等于整个通频带宽度,即B\(_{3}\)=B,则Q载3=f\(_{0}\)B;第一级与第二级的Q载1和Q\(_{载2}\)都应是Q载3的两倍。在电视机中,三参差调谐电路的第一、二级,往往是加自动增益控制的地方。由于控制电流的变化带来晶体管输入、输出阻抗的变化,将严重地影响调谐回路的Q值。为了减小这种影响,常在回路上并以电阻,预先降低回路的Q值,以减弱控制电流的变化对频率特性的影响。这时三参差调谐总曲线就没有想象那样的选择性了。失调量f\(_{a}\)的选择,决定了三参差调谐电路的通频带,fa选得太小时,频带太窄,f\(_{a}\)选得过 大,曲线会出现明显的三峰,平均增益也将降低。实践证明,一般取fa=0.43B,就可得到通频带内最大的平坦曲线。

3.稳定性与中和。中放增益越高,接收机灵敏度也越高。但增益又受稳定性的限制。增益太大时容易产生自激。在中放制作过程中要采取各种措施,使放大器尽可能在远离自激状态下工作。产生反馈的途径之一是输出输入端的寄生耦合,如寄生电容、寄生电感耦合及电源去耦不良等。所以公共电源应有好的去耦电路,特别是末级电源应采用LC组成的去耦电路与前面各级隔开;印刷板应有大面积接地的布局,尽量减小高频电流在地线上形成的电位差;各级晶体管要尽可能排成一直线,切忌把各级排成“L”形或“П”形;其他元件排列应整齐,引线要短,必要时可将第一级和末级(包括检波器)分别加屏蔽罩。产生反馈的另一途径是晶体管内部反馈,即通过给电容C\(_{c}\)把输出信号部分地反馈到输入端。由于内反馈的存在,还带来输入阻抗受输出阻抗的互相牵制,在调整输出回路特性曲线时,会对输入回路特性曲线产生影响。为了消除或削弱晶体管内部反馈,常用的方法是采用中和电路。
中和法是在中放输出和输入之间引入人为的外部反馈,其相位与内反馈的相反,用来抵消内部反馈的影响。我们常见到中频放大器输出回路的下端用一个很小的电容C\(_{N}\)(一般2—3PF)与晶体管基极相接,如图9a所示。它的等效电路如图b。
从图中可看出,为一个电桥,C\(_{n}\)、Cc、L\(_{1}\)及L2为此电桥的四个臂。根据电桥的原理,只要电桥平衡时,即两对边的阻杭乘积相等时,则C、D两端的电压,不会反应到A、B两端,也就是说,只要C\(_{n}\)值选择合适,C、D两点的电压)(晶体管输出端电压)就不会反应到A、B端(即晶体管输入端),达到中和的目的。
我们也可以从电流方向来看,C\(_{c}\)产生一反馈电流I′,Cn也产生一反馈电流I″,但这两反馈电流的方向相反。只要C\(_{n}\)选取适当,可使I′等于 I″,结果总反馈电流就等于零,达到抵消内反馈的目的。另外,由于高频管质量不断提高,Cc可以做得很小,故有的机中可不用中和。(待续)(电视接收技术讲座编写组)