行振荡级的工作原理
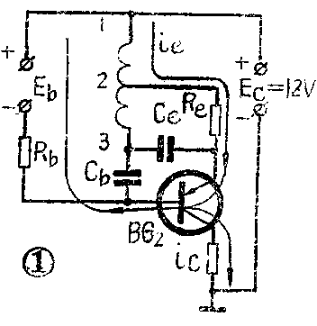
行振荡级是一自激振荡器,它是行扫描电路的心脏,产生频率为15625赫的脉冲电压,以控制整个行扫描电路的工作。行振荡级目前采用的电路形式有间歇振荡器和自举电感三点式振荡器两种。间歇振荡器的原理已经在“场扫描电路”一讲中作了介绍,这里仅介绍自举电感三点振荡器。图1是这种行振荡器的原理电路图。我们按照它所产生的脉冲电压波形,对行振荡级的工作过程分段加以说明。图2是行振荡管BG\(_{2}\)各极对地电压波形图。
1.脉冲前沿的跳变过程:接通电源E\(_{c}\)和Eb,E\(_{b}\)是通过Rb加到行振荡晶体管BG\(_{2}\)的基极的,BG2导电, 各极电流的流向已示于图1中。发射极电流i\(_{e}\)流过电感线圈L12,在L\(_{12}\)上产生极性如图3所示的感应电压U12。根据变压器原理,在L\(_{23}\)上产生极性和U12相同的感应电压U\(_{23}\),U23=nu\(_{12}\)(n是L23与L\(_{12}\)的匝数比)。u23分别通过C\(_{b}\)、Ce加到BG\(_{2}\)的基极和发射极,产生电流iCb、i\(_{Ce}\),iCb除被R\(_{b}\)分流外其余部分ib流入基极,使BG\(_{2}\)基极电流ib增加,并进而使i\(_{c}\)、ie增加。i\(_{e}\)增加又使U12、U\(_{23}\)增加,又使ie继续增大,这是个正反馈的过程,并由于带铁氧体磁心的变压器,频率响应较宽将导致BG\(_{2}\)由截止迅速跳变到饱和,形成较陡峭的脉冲前沿。这里要说明二点:①感应电压U23通过C\(_{b}\)加到BG2的基极,同时又通过C\(_{e}\)加到BG2的发射极,这样正反馈的作用似乎被抵消,但从原理电路上不难看出,基极与电感线圈抽头“2”点之间的阻抗比发射极与“2”点之间的要大得多。所以实际上,加到BG\(_{2}\)基极的感应电压,比加到发射极的要大,因而保证了强的正反馈。②虽然iCb流经C\(_{b}\),但由于脉冲前沿的跳变时间很短,在Cb上来不及建立电压。另外虽然L\(_{12}\)、L23中有电流i\(_{e}\)、iCb、i\(_{Ce}\)流通,但根据变压器原理ie和i\(_{Cb}\)、iCe所产生的磁通互相抵消,所以在脉冲时间内,变压器中磁能也建立不起来。

2.脉冲的平顶过程:当晶体管BG\(_{2}\)一进入饱和状态,便失去了放大能力,因而正反馈过程就不能继续下去了。这时电感L12、L\(_{23}\)上的跳变电压V12、U\(_{23}\)达到固定值,U23将维持L\(_{23}\)中的电流为iL(i\(_{L}\)=iCb+i\(_{Ce}\))。iCb流经C\(_{b}\),不断给Cb充电,并使BG\(_{2}\)继续维持饱和状态,Ue也不断给C\(_{e}\)充电。随着Cb和C\(_{e}\)上的充电电压不断上升,电流iL不断减小。根据变压器原理,L\(_{23}\)中电流iL的变化反映到L\(_{12}\)中,使L12中的电流ni\(_{L}\)也不断减小,就会使BG2发射极电流i\(_{e}\)减小。但是L12上的跳变电压U\(_{12}\)却使L12中的磁化电流i\(_{m}\)不断增加,它阻止了niL的减小,因此使得发射极电流i\(_{e}\)大致保持不变。同时因Ic也基本不变,所以在BG\(_{2}\)集电极形成电压脉冲的平顶。图4是这一过程的电流流通图。
3.形成脉冲后沿的跳变过程:i\(_{L}\)的不断减小,就使iCb、i\(_{Ce}\)不断减小,也就使BG2基极电流i\(_{b}\)不断减小,直到ib·β≤i\(_{Cs}\)(iCs是BG\(_{2}\)的集电极饱和电流),BG2就由饱和状态转入放大工作状态。这时i\(_{b}\)再继续减小就会使ic、i\(_{e}\)跟着减小,ie一减小,在L\(_{12}\)上就会产生极性如图5所示的感应电压U′12,如前所述在L\(_{23}\)上产生与U′12极性相同的感应电压U′\(_{23}\)。U′23的作用又进一步使i\(_{b}\)、ic、i\(_{e}\)减小,这又是正反馈过程,它导致BG2迅速地由饱和经放大到截止的跳变,形成脉冲的后沿。

4.休止期: 在脉冲后沿跳变过程中,因时间很短,C\(_{b}\)上的电压来不及变化。当BG2一截止,C\(_{b}\)上储存的电荷通过Rb放电,放电电流i′\(_{Cb}\)在Rb上产生一反向偏置电压,它维持BG\(_{2}\)截止。另一方面在后沿跳变过程中,变压器线圈中的磁能也不能突变。BG2一截止在L\(_{23}\)中将产生感应电流iL′,去阻止由于BG\(_{2}\)的截止在变压器中引起磁能的变化,如图6所示,电流i′L通过L\(_{23}\)、Re给C\(_{e}\)充电。充电过程中,电感中的磁能转化为电容Ce上的电能,直到电容C\(_{e}\)上电压达最大值时,电感中的磁能及i′L等于零。随后,C\(_{e}\)上的电荷又通过L23、R\(_{e}\)放电,这是个谐振过程,Ce上产生谐振电压,这个电压和C\(_{b}\)上放电电压一起加到BG2的发射结。合成电压的变化(如图2④所示)使BG\(_{2}\)的发射结由反向偏置变成正向偏置时,BG2重新开始导通,下一个振荡周期又重新开始。这种振荡电路也可以由NPN型晶体管组成,原理是相同的。
自举电感三点振荡器特点
由于它具有很强的正反馈,在集电极形成的脉冲电压具有陡的跳变沿。很容易由振荡器直接形成占空系数约为30%的宽脉冲,以满足采用反向激励的行扫电路的需要。

由于L\(_{23}\)和Ce组成的谐振回路谐振时,在导电点处,电压U\(_{be}\)的波形和导电电平的交角趋于垂直(如图7①),所以就减弱了电源电压、晶体管特性等因素变化对振荡频率的影响。这种振荡器产生的振荡电压Ube的波形比一般间歇振荡器U\(_{be}\)的波形不容易受外来干扰脉冲触发(图7①、②),振荡器的频率稳定度(约为3×10\(^{-}\)3)和抗干扰性比一般间歇振荡器好。

振荡器的电压—频率控制特性示于图8a,图中β为振荡器控制灵敏度。在实际电路中是通过调节L\(_{1}\)-3的磁心或用电位器改变基极偏压来实现行同步调节的。同时用鉴相器输出的直流控制电压加到振荡管基极来实现频率自动调整。
这种行振荡器结构简单,调试容易,在近来生产的电视机中几乎都采用这种电路。
行振荡线圈绕制参数
线圈L\(_{1}\)-3磁心可采用M6×0.75×16锰锌螺纹磁心,骨架为M6×0.75×30聚乙烯圆形骨架,用直径φ0.2毫米漆包线共绕750圈在300圈处抽头,总电感量(不加磁心时)约为2.8毫亨,可采用蜂房式绕线,也可以乱绕。
自动频率调整电路工作原理


为了在显象管屏幕上,重现电视摄像机摄取的景物,就应使显象管中电子束的扫描和摄像机中电子束的扫描同步(即步调一致)。实现扫描同步的最简单的方法是用一串行同步脉冲直接去触发行扫描振荡器。但采用这种同步方式的行扫描振荡,很容易受窜入同步电路的干扰脉冲触发,使同步遭到破坏。因此一般不采用这种方式,而采用具有一定抗干扰性能的,称为自动频率调整的行同步方式(简称AFC)。特别是在晶体管电视机中,由于晶体管开关工作时特有的延时效应,行扫描各级又都处于开关工作状态。因此,由行振荡到行输出的工作过程中,行扫描锯齿电流对行同步脉冲产生相位延迟,会使显象管屏幕上的画面左移。采用自动频率调整电路就能校正这种相位延迟。自动频率调整电路种类很多,在晶体管电视机中大都采用性能较为优良的锯齿波自动频率调整电路。其原理方块图示于图9。它包括鉴相器、比较锯齿波形成电路、滤波电路。它的工作过程是:当无同步脉冲输入时,鉴相器输出的直流控制电压为零,行振荡器处于自由振荡状态。当有行同步脉冲输入时,其频率(或相位)低于(或滞后)行扫描锯齿电流的频率(或相位),由图10①可知,鉴相器将输出正的直流控制电压,去控制行振荡器,使行频下降(参看图8a),行扫描锯齿电流的频率也下降,直到和行同步脉冲同频同相,自动调整结束。若行同步脉冲的频率(或相位)高于(或超前)行扫描锯齿电流的频率(或相位),鉴相器输出负的控制电压,使行扫描电流频率提高,直到同频同相为止。
实际上,行扫描锯齿电流和行同步脉冲的同频同相,只有当二者同频而仅有相位差时,通过自动频率调整电路才能实现。在一般情况下,若有频率差时,通过自动频率调整电路的调整使其同频是由于鉴相器输出一个直流电压,去控制行振荡器,改变振荡频率的结果。要保持同频,就要保持这个电压,也就是比较锯齿波(或行扫描锯齿电流)与同步脉冲要保持一个相位差φ。“φ”称为“剩余相位差”。自动频率调整电路实际上是处于动态平衡中。频率差越大,保留的φ也越大,频率差的符号改变,φ也跟着变符号。反映在电视机屏幕上的画面如图11所示,或是向左,或是向右,总有些偏移。
鉴相器
鉴相器是用来鉴别行同步脉冲和比较锯齿波的频率和相位的,由于比较锯齿波与行扫锯齿电流的频率和相位一致,所以鉴相器也可以说是用来比较行同步脉冲和行扫锯齿电流的频率和相位的。若二者的频率或相位不等,则输出一控制电压,控制电压的大小取决于频率、相位相差量的大小,控制电压的正负取决于频率、相位差的符号。

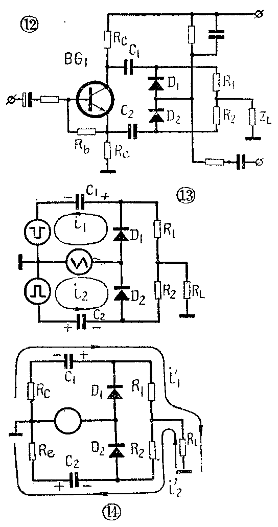
图12所示的电路,可看成由一个分相电路和一个比相电路构成。分相电路包括R\(_{b}\)、Rc、R\(_{e}\)及晶体管BG1组成。在无同步脉冲输入时,BG\(_{1}\)截止,当有同步脉冲输入时,BG1由截止变为饱和,因R\(_{c}\)与Re相等,并且其后接入的交流阻抗也对地对称,所以在BG\(_{1}\)的集电极和发射极就产生极性相反、幅度相等(约为\(\frac{EC}{2}\))的一对同步脉冲加到比相电路。图13是鉴相器的等效原理图。在比相器上加有两种信号,分相器输出的一对同步脉冲和一个比较锯齿波。当无同步脉冲,而仅有比较锯齿波作用在比相器上时,锯齿波的正半周使二极管D1导电,导电电流流过D\(_{1}\)、R1、R\(_{L}\),锯齿波的负半周使D2导电,电流流过D\(_{2}\)、R2、R\(_{L}\)。因D1、R\(_{1}\)、RL分别与D\(_{2}\)、R2、R\(_{L}\)相同,因此在RL两端不产生直流控制电压(图14)。当有行同步脉冲和比较锯齿波共同作用于比相器上时,其工作有如下几种情况:

1.同频同相情况如图15①所示,每个行同步脉冲都位于比较锯齿波逆程的中点,这时电视屏幕上画面的中心和屏幕的中心重合。在鉴相器上除了比较锯齿波作用外,负同步脉冲通过D\(_{1}\)给C1充电,正同步脉冲通过D\(_{2}\)给C2充电,由于负、正同步脉冲位于比较锯齿波逆程中点,给C\(_{1}\)、C2充电的脉冲幅度相等,因D\(_{1}\)、C1分别与D\(_{2}\)、C2相同,所以充电电流i\(_{1}\)与i2相等,C\(_{1}\)、C2上充得的电荷相等(如图13)随后。C\(_{1}\)、C2上储存的电荷分别通过R\(_{1}\)、RL,R\(_{2}\)、RL放电。因R\(_{1}\)全同于R2,所以放电电流i\(_{1}\)′和i2′相等如图14所示,又因i\(_{1}\)′和i2′在R\(_{L}\)上方向相反,所以在RL上不产生直流控制电压。
2.当比较锯齿波的频率高于行同步脉冲的频率或比较锯齿波的相位超前于行同步脉冲相位时,行同步脉冲偏在比较锯齿波逆程的上段,对C\(_{1}\)充电的脉冲就大于对C2充电的脉冲(如图15②),i\(_{1}\)大于i2,C\(_{1}\)上储存的电荷多于C2上储存的电荷。当C\(_{1}\)、C2放电时,放电电流i\(_{1}\)′就大于i2′,在R\(_{L}\)上就产生正的直流控制电压。
3.若比较锯齿波频率低于行同步脉冲的频率或比较锯齿波相位滞后于行同步脉冲相位,这时行同步脉冲偏于比较锯齿波逆程的下段,给C\(_{1}\)充电的脉冲便小于给C2充电的脉冲如图15③,结果在R\(_{L}\)两端产生负的直流控制电压。将直流控制电压和频率差的关系画成曲线称为鉴频特性如图10①。
在实际的鉴相器中,适当的选择电路元件的参数,使行同步脉冲给C\(_{1}\)、C2充电很快,时间常数τ小于约为5μs的行同步脉冲宽度,τ=C\(_{1}\)RD或C\(_{2}\)RD(R\(_{D}\)是二极管导电时的内阻约几百欧)。由于这个时间常数τ远小于场同步脉冲的宽度,所以通过这里的场同步脉冲将被微分,因此鉴相器前面不需另设微分电路。在C1、C\(_{2}\)放电时,使放电时间常数τ′远大于充电时间常数τ,放电就慢得多。放电时间常数τ′=C1R\(_{1}\)或C2R\(_{2}\)。放电时在D1、D\(_{2}\)上产生的反向偏压,使二极管D1D\(_{2}\)截止。这时若有干扰脉冲加到鉴相器,只有幅度大于截止偏压的干扰,才能使D1、D\(_{2}\)导电,并影响控制电压,因而削弱了干扰的作用,可见这种鉴相器具有较好的抗干扰性能。
还要说明一点,为了使自动频率调整电路正常工作,鉴相器的鉴频特性必须和行振荡器的控制特性正确搭配。如具有图8b所示电压——频率控制特性的行振荡器,就必须与具有图10②那样特性的鉴频器相搭配。
比较锯齿波的形成


电视机常用图16所示电路来产生比较锯齿波。它是与行扫描电流同频同相并具有一定幅度的锯齿波电压。在实际电路中,总是由行输出级取出逆程脉冲,加到比较锯齿波形成电路以形成比较锯齿波。
逆程脉冲加到形成电路输入端,它通过C\(_{1}\)、R1给电容C\(_{2}\)充电,虽然R2分走一部分电流,在电容C\(_{2}\)上仍不断积累电荷,形成锯齿电压的上升部分,这时C1上也积累了电荷。当逆程脉冲结束休止期来到时,C\(_{2}\)上积累的电荷一路通过C1、R\(_{1}\)放电,当然C1也要放电,另一路通过R\(_{2}\)放电,形成锯齿电压的下降部分。在充电时,因逆程脉冲幅度很大,充电时间又短,所以锯齿波上升部分很直。放电时,放电电压低而放电时间又长,所以锯齿波下降部分弯曲。行输出器的逆程脉冲,周期性地加到形成电路输入端,于是在输出端就形成比较锯齿波。电容C1是隔直流电容,隔断鉴相器和行输出级间的直流电流通路,同时对逆程脉冲起耦合电容的作用,R\(_{2}\)是为了提供直流通路并为行振荡器供给偏置电压。形成电路上各点波形示于图
滤波器的作用

滤波器接在鉴相器的后面,原理电路如图17。它滤出直流控制电压,抑制鉴相器输出电压中的行频和场频纹波;抑制鉴相器受短暂干扰脉冲的作用而产生的波动电压,使其平稳地控制行振荡器工作,使同步不被干扰破坏。它实际上是个低通滤波器,对于直流而言,电路中C\(_{1}\)(0.1μ)、R2(680Ω)可以忽略,等效电路如图18。由于R\(_{1}\)(2.8K)、C2(5μ)时间常数很大(约十几毫秒),并且是通过一隔直流电阻R(5.6K)接到行振荡器,所以该电路具有比较好的保持直流成分的能力。
在鉴相器的输出电压中除直流外,还有行频、场频成分。因为鉴相器是在每个行周期,对比较锯齿波和行同步脉冲的频率(或相位),进行比较的,所以鉴相器输出端产生的,正是频率等于行频的周期性脉动电压。表示相位或频率差的直流却是这个周期性脉动电压的平均值。在鉴相器的输入同步信号中,除了行同步脉冲还有频率为50赫的场同步脉冲,这将在鉴相器的输出电压中引起场频纹波,对行振荡器产生干扰。而滤波器将抑制这些纹波。因为对场频(50赫)来说,电容C\(_{1}\)较小可看作开路,等效电路如图19,R2、C\(_{2}\)的串联阻抗这时小于R1,所以场频被抑制。然而对于更低的频率,电容C\(_{2}\)的阻抗变大,抑制能力减弱,这表示滤波器对慢变电压具有一定的反应能力。实际上,当比较锯齿波和行同步脉冲的频率或相位变化时,滤波器输出的直流电压中能反映出这种变化来。
对于行频(15625赫)而言,C\(_{2}\)可看作短路,其等效电路如图20。由于C1、R\(_{2}\)的并联阻抗远小于R1,所以行频成分将被大大抑制。
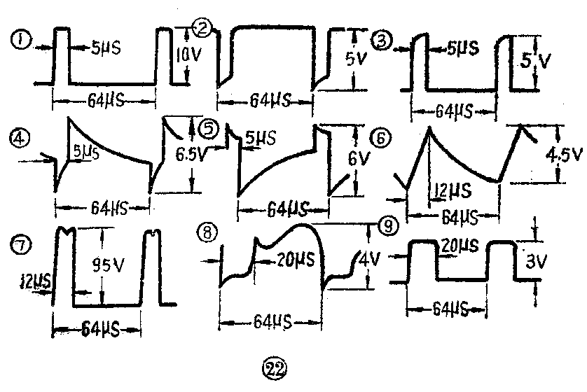
当短暂干扰脉冲作用到鉴相器上时,虽然如前所述,鉴相器有一定的抑制能力,但其输出端仍会产生一定的干扰。由于干扰成分的频率很高,它将由鉴相器后接的低通滤波器消除。滤波器的这种保持直流,抑制扰动的性能,常称为滤波器的“惯性”,所以带有这种滤波器的鉴相器又称“惯性抗干扰电路”。由于晶体管行振荡器输入阻抗较低,为了匹配,滤波器一般采用大容量电容和小阻值电阻组成的低阻抗RC电路。行自动频率调整电路及有关波形分别见图21和图22。


最后说一下衡量自动频率调整电路同步性能的指标。
同步保持范围:行同步脉冲和行扫描锯齿电流频率分别为f\(_{1}\)、f2(f\(_{2}\)实际上就是行振荡器的自由振荡频率),其差Δf=f1-f\(_{2}\)。能使电视机保持同步状态的最大的频率差±Δfm=±f\(_{H}\),fH称为同步保持范围。对乙级机规定为±400赫。
同步引入范围:行同步脉冲与行扫描锯齿电流的频率分别为f\(_{1}\)′、f2′,其差Δf′=f\(_{1}\)′-f2′,能使电视机由不同步状态,自动进入同步状态允许的最大频率差±Δf′\(_{m}\)=±fp,f\(_{p}\)称为同步引入范围。对乙级机规定为±200赫。(电视接收技术讲座编写组)

