行输出级的任务
电子束自左至右的运动叫作行扫描。行扫描输出级的任务归纳起来有两项。第一项,就是供给行偏转线圈一定幅度和线性良好的锯齿形电流,以保证电子束在显象管荧光屏上沿水平方向作满幅的扫描,并且扫描的速度是均匀的,即线性要好。扫描的频率和相位由行推动(激励)级送来的脉冲所控制。第二项,是向显象管高压阳极、聚焦极、加速极等供给电压;产生自动频率控制用的比较脉冲,行消隐脉冲;供给视放输出级用的直流电压和自动增益控制级用的负电压等等。
行输出级怎样完成这么多的任务呢?我们知道,行扫描频率(15625赫)比场扫描频率高312.5倍。这样高的行频使行偏转线圈呈现的感抗比其本身电阻要大很多。因此在行扫描正程时间内,行输出级的负载(行偏转线圈)主要表现为电感性的。而在行扫描逆程期间,由于行回扫时间很短(一般约12微秒),偏转线圈本身的分布电容对电路中的影响不可忽略。这时可把偏转线圈看成L、G并联的谐振回路。当理想的电感接通直流电源时,由于电感中的电流不能突变,只能随时间均匀的增长,这种线性增长的电流,就是我们所需要的正程行扫描电流。当开关按照行频的速度接通、断开电源时,在电感中就形成了锯齿形电流。在实际的行扫描电路中是把行输出级的晶体管c-e结作为开关的两端接入电路,把行振荡器输出的脉冲经行推动(激励)级放大后,加到行输出管的基极(b)上,按行频控制输出管的导通和截止,在行偏转线圈中便形成了锯齿形电流,完成第一项任务。在偏转线圈(L\(_{P}\))两端并联一个电容(C),当行输出管截止时,LP和C形成并联谐振,产生很高的谐振电压(称逆程电压),经行输出变压器升压和二极管整流后得到高、中电压等,以完成第二项任务。
行扫描电流和逆程电压产生的过程
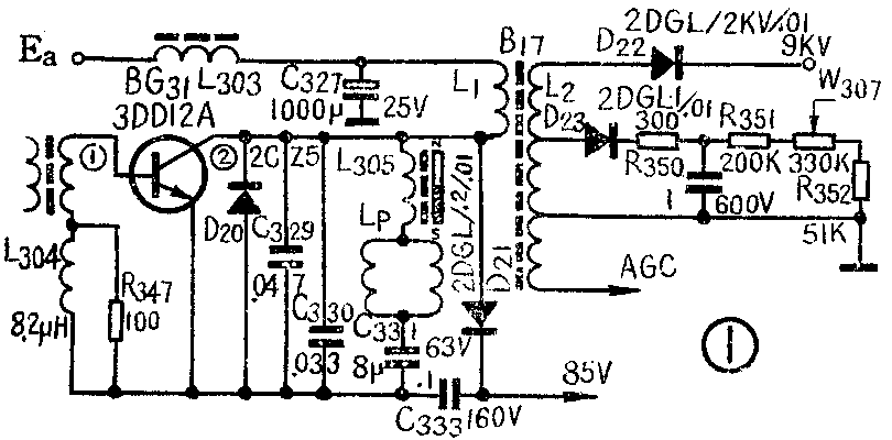
图1中所示的是一种实际行输出电路。其中BG\(_{31}\)为行输出管,D20为阻尼二极管,L\(_{P}\)为行偏转线圈,C320、C\(_{33}\)0为逆程谐振电容,L303、C\(_{327}\),为行输出级滤波电感和电容,L305为行线性校正电感,C\(_{331}\)为“S”形失真校正电容兼有隔直流作用,L1、L\(_{2}\)分别代表行输出变压器初、次级线圈,D21和C\(_{333}\)。对逆程脉冲电压作峰值整流供给视放级。为了分析方便,先将图1电路作必要的简化。电容C331容量比较大,对行频交流来说为通路,在整个工作过程它两端上的平均电压总是充电到电源电压,因此可以看作为直流电源。电容 C\(_{331}\)》C329+C\(_{33}\)0,在行扫描逆程期间并联谐振回路里,C331与C\(_{329}\)+C330是相串联的,容量大的C\(_{331}\)容抗小,对逆程的影响可以忽略。行输出变压器初级线圈L1,从交流工作状态来分析是与偏转线圈L\(_{P}\)并联的,一般L1》L\(_{P}\),对行输出电路工作并不起主要影响,主要是用以获得脉冲高压,大电感L1的分流作用小,可以忽略。

对上述次要的元件作了忽略,并以C代表C\(_{329}\)和C330,以C\(_{s}\)代表C331之后得到如图2所示的简化电路。图3是这一简化了的原理电路工作波形图。下面以时间分为几个阶段(不十分严格)来说明产生扫描电流和逆程电压的过程:


(1)在晶体管截止时,电容C\(_{s}\)上的电压Ucs被充电到电源电压E\(_{a}\)值。
在t\(_{1}\)至t2期间,由于输入了正极性脉冲,U\(_{b}\)>0,晶体管导通,相当开关K合上,Cs上的电压U\(_{cs}\)通过LP-K放电,形成输出管导通电流i\(_{c2}\),如图4。它流经偏转线圈LP时,因电感中的电流不能突变,只能形成从零逐渐增长的电流i\(_{LP}\)。当不考虑LP中的电阻和开关内阻(即晶体管饱和导通电阻)时,i\(_{LP}\)≈UcsL\(_{p}\)t。这一电流是随时间成线性增长的正向扫描电流,如图3中的ic2波形图所示。这里i\(_{c2}\)=iLP,当t接近t\(_{2}\)时,iLP达到最大值I\(_{cm}\)。

(2)在t\(_{2}\)至t3期间,当t=t\(_{2}\)时,输入到行输出管基极上的脉冲电压迅速下降,使Ub<0,晶体管截止,即开关K断开。L\(_{P}\)中电流不能突然消失(在电感LP中产生的感应电势,要维持原来电流的流动方向)。因晶体管已截止,这个电流只能给与L\(_{P}\)并联的电容C充电,形成了振荡电流iLP振,如图5。也就是说在偏转线圈L\(_{P}\)与电容c组成的并联谐振电路中产生了自由振荡。其振荡周期T=2π\(\sqrt{LpC}\)。当t=t3即振荡进行到+T时,电容c上的电压U\(_{c}\)达到最大值Ucm,而L\(_{P}\)中的电流由最大下降到零,电感线圈中的磁能转化为电容C上的电能。储存在LP中的能量越大,转化到电容C上的能量也越大,c上的充电电压就越高。实际电路中U\(_{cm}\)可达80~90伏。

(3)在t\(_{3}\)-t4期间,晶体管基极仍处在负极性脉冲控制下,即仍为U\(_{b}\)<0。因此晶体管还处于截止状态,振荡继续进行。但这时电容器c上的电能通过LP-C\(_{s}\)支路向电感释放,把电能转化为电感LP中的磁能,电流的流向与上面的相反,如图5虚线所示。i\(_{LP振}\)由零向负的方向变化,越变越负,到t=t4时,电容c上的电压U\(_{c}\)=0,iLP振变到负的最大值。此时振荡进行了\(\frac{1}{2}\)个周期,即1;2,将\(\frac{1}{2}\)称为逆程时间T\(_{逆}\),Uc称作逆程电压。
(4)当t=t\(_{4}\)以后由于晶体管仍处在截止状态,Lp中的负向电流对C反向充电,使C上的电压U\(_{c}\)变为上负下正,如图3中波形所示。如果无阻尼管,振荡将会继续下去。但是因为加入了阻尼二极管,当Uc变到约负0.7伏(即阻尼管启开电平)后阻尼管导通,破坏了原来的振荡。L\(_{p}\)中的电流流过Lp-U\(_{cs}\)-K阻支路,形成负向扫描电流i\(_{D}\),如图6所示。同样不计二极管电阻损耗时,负向扫描电流也是线性增长的,只不过由负最大值(-IDm)向零线性地变化;且负向最大值I\(_{Dm}\)幅值与正向最大值Icm是相等的。

(5)在t\(_{6}\)以后行输出晶体管又正向导通,形成正向扫描电流,又开始重复上述的所有过程。
流过偏转线圈的电流i\(_{LP}\)是由ic、i\(_{D}\)和iLp振组成的。逆程期间(t\(_{2}\)-t4)i\(_{LP}\)由正向最大值变到负向最大值,电子束在荧光屏上自右向左运动叫回扫。逆程结束后,iLP由负向最大向零线性地变化,再由零向正向最大值变化,使电子束由在向右运动,叫正扫。逆程中扫描电流是由L、C回路的自由振荡所形成。因此逆程时间的长短,取决于L、C回路的自由振荡频率。调节电容C的容量可改变振荡的周期,从而改变逆程时间。C称为逆程电容。由于行周期为64微秒,如逆程时间为12微秒,正扫时间则为52微秒。应当说明的是,当t=t\(_{5}\)时,Ub>0,晶体管反向导通。因为晶体管基极只要正偏置,不管集电极加什么极性电压都能导通,只不过电流方向不同。由于此时导通内阻大,加阻尼管与之并联,使导通时的电阻减小,提高了负向扫描电流的线性。所以阻尼管在这里只起辅助作用。
输出级的损耗
电路中如果没有损耗,能量只是在L\(_{P}\)C与电源中以无功功率的形式来回转换,不会消耗能量。即在t1至t\(_{3}\)期间,电源供出能量,t3至t\(_{6}\)期间电源吸收能量。但实际上电路中的损耗是不可避免的,电源必须不断地给电路补充所消耗的能量,以保证产生等幅的扫描电流,本级实际消耗有功功率约6瓦,不到无功功率的十分之一,电路工作效率是比较高的。虽然如此,本级平均电流在0.4至0.6安之间,仍然是整个电视机耗电量最大的部分。为了节约用电,减少本级损耗仍然是值得研究的问题。输出级的损耗有哪些呢?归纳起来有下列几项:
(甲)在逆程期间,L\(_{P}\)C回路谐振时,电磁能量转换过程中所产生的谐振损耗和晶体管由饱和到截止转换过程中引起的损耗,以及晶体管穿透电流引起的损耗。
(乙)在正程期间,有偏转线圈电阻损耗,晶体管和阻尼管导通电阻的损耗。
(丙)行输出变压器及接入高压、中压电路以及供视放电源的接入电路等所引起的损耗。值得注意的是,晶体管的损耗等于流过管子的电流和管压降的乘积,即P\(_{w}\)=Uce·i\(_{c}\)。在正程期间晶体管导通电流比较大,如果推动功率不足(管子截止和饱和不充分)时Uce大,使损耗增加,使行输出级损耗电流成倍增加,逆程电压低,甚至烧坏晶体管。行输出管能否被充分推动,往往是本级正常工作的关键。
对行输出管的要求
在选择行输出级用的晶体管时,应从下列几方面考虑:
(1)行输出晶体管的耐压和反向穿透电流应符合一定要求。逆程期间L\(_{p}\)中的电流对C充电形成逆程电压Uc,集电极最大电压U\(_{cm}\)可按下式计算:
U\(_{cm}\)=[\(\frac{π}{2}\)(T行;T\(_{逆}\)-1)+1]×E2
式中T\(_{行}\)为行扫描周期
T\(_{行}\)=64微秒;
T\(_{逆为行逆程时间}\)T逆=12微秒;
E\(_{a}\)为电源电压。
计算可得:U\(_{cm}\)≈8Ea
这样高的逆程电压加到输出晶体管的集电极上,如果管子耐压不够,会击穿损坏。因此,要求行输出晶体管的反向耐压,必须大于集电极的最大电压U\(_{cm}\)。对于23厘米电视机,当电源电压选择12伏时,一般选行输出管的反向耐压BVCBO≥150伏。
(2)对行输出管最大集电极电流的要求。i\(_{LP}\)的最大值Icm=\(\frac{E}{_{a}}\)Lp×T\(_{正}\);2,T正=T\(_{行}\)-T逆。当L\(_{P}\)为90微亨时,Icm=\(\frac{12}{90}\)×52;2≈3.5安。再留一定余量,选取I\(_{cm}\)≥4安的输出管。
(3)行输出管的饱和内阻(或饱和压降)要尽量小。因输出管饱和导通期间,如果饱和内阻大,也即管压降大,不但晶体管的功率损耗增加,而且会使扫描线性变坏。一般要求最大电流下的饱和内阻R\(_{ces}\)≤0.5欧(可查阅晶体管特性手册中的管压降Vces再换算出来)。
(4)行输出管工作在开关状态,要求开关特性要好。行输出管截止时电流由最大减小到零需要一段时间t\(_{co}\),称为下降时间,如图7。此时恰是逆程电压Uc上升期间,输出管的功率损耗最大。为了使逆程期间输出管迅速截止,缩短下降时间,减少截止过程中的损耗,须选用高频特性良好的晶体管。一般选特征频率f\(_{r}\)>1兆赫的管子就可以了。另一方面要求行推动级供给输出管足够的反向基极截止电流,使储存在输出管基区的载流子很快流完,以减少tco。

(5)选择耐二次击穿性能好的晶体管,对行扫描电路的可靠工作具有决定性作用。所谓二次击穿,简单说,就是同时出现过电压、过电流的击穿现象。单纯的过电压击穿叫做一次击穿。一次击穿管子不一定损坏,只要限制最大电流和功耗,当一次击穿消失后,晶体管仍能恢复工作。但在行输出电路中,因晶体管集电极的负载是偏转线圈或行输出变压器,晶体管一旦产生一次击穿,电流会迅速增大,使管子过流、过热烧毁,或一次击穿后出现负阻特性,导致电流猛增而烧毁,这就是二次击穿。因此要选抗二次击穿性能好的管子,如3DA5H。
另外行输出管的电流放大倍数(β值)的选择,一般要与行推动管统一考虑,互相搭配。如行输出管β=10(最大电流下测得),只要行推动管β较高,就能正常工作。
对阻尼管的要求与行输出管相似。
行输出变压器和三次调谐
显象管高压、加速极电压、聚焦极电压等都是由行输出变压器(简称高压包)升压再经整流后取得的。23厘米电视机的高压包是在U\(_{12}\)型锰锌铁氧体磁心(MXO-1000或2000)上,初级用φ0.64漆包线绕44匝,次级用φ0.07纱包线蜂房式绕线2800匝,在210匝抽一头作中压。这样高的初次级圈数比,使分布电容和漏感都很大,它必然反映到初级回路中去,影响到逆程电压的波形。高压包设计合理绕制较好时,逆程电压波形为基波和三次谐波叠加,称为三次调谐。若高压包制作不合理时,在光栅上出现几道明暗相间的竖条,这称作“振铃”现象。采取合理地布线和对高压包作适当屏蔽,可以减弱振铃现象。图8是行输出级的简化电路图。比图2增加了高压包分布电容和漏感的影响。C′和L′分别表示等效于初级回路中的高压包分布电容和漏感。高压包的绕制工艺,直接关系到分布电容和漏感的大小。平绕法绕制高压包时,漏感小分布电容大。蜂房绕法的高压包漏感大,分布电容小。绕紧时漏感小,分布电容大。尺寸大小和初次级耦合的松紧都影响漏感和分布电容的大小。合理地设计和绕制高压包,就在于适当控制它的分布电容C′和漏感L′的大小。一般使分布电容和逆程电容之比A=\(\frac{C′}{C}\)=0.36,使漏感和偏转线圈电感(包括校正电感)的比B=L′;Lp=0.73,这时可得到较好的三次谐波,振铃辐射最小。通过图9可以看出存在三次谐波有两个优点:首先是使初级逆程电压峰位降低近20%,从而降低了对行输出管耐压的要求,使输出管工作较安全。其次是三次调谐产生的脉冲高压的幅度高,使次级高压增加了约30%。缺点是高压脉冲波形顶部变窄,使脉冲峰值整流用的高压二极管的导通角变小,高压负载特性变差。


在实际电路中,三次调谐与线性校正电感L\(_{3}\)05,逆程电容C,偏转线圈LP等都有关。因高压包、偏转线圈绕成后改变不方便,所以改变的仅是逆程电容和校正电感的大小。只要适当搭配,可以获得较理想的三次调谐和较好的线性。
光栅的畸变和校正
因偏转线圈本身的电阻,以及晶体管、阻尼管导通内阻的存在,使得行扫描电流不是如前所说的理想线性,而是按指数关系变化,如图10所示。t\(_{1}\)至t2期间,输出管导通,形成正向扫描电流,在图11所示的简化电路中R\(_{1}\)表示晶体管导通内阻与偏转线圈电阻之和。电阻R1的存在,使正向扫描电流随时间增长的规律不是直线,而是按指数规律变化,即开始i\(_{C2}\)增长快,以后ic增长速度逐渐慢了下来,从而造成电子束扫描速度不均匀,使光栅右侧被压缩。t\(_{4}\)至t6期间,阻尼管导通,形成负向扫描电流。由于阻尼管导通内阻和偏转线圈电阻的存在,负向扫描电流也按指数规律变化,这样使得正程扫描电流为一条指数规律曲线。表现在光栅上是左侧被拉长,右侧被压缩,造成了非线性失真。其大小用非线性失真系数β表示(β的数量可用方格信号测得参看图12):
β≈\(\frac{2(b-a)}{b+a}\)×100%
这种非线性失真的校正措施是在偏转线圈支路中接一个行线性调整电感L\(_{3}\)05,其电感量随着流过它的电流大小和方向发生变化,从而改变了时间常数τ=L/R达到改变电流变化率的目的。L305的结构是在一个中央部分横截面很细的磁心上绕一个线包,在它旁边放置一永久磁铁,如图13。由于永久磁铁的存在,线圈中产生一个恒定磁通φm。当线圈中流入正向扫描电流时,总磁通φ=φm+φs比原来的磁通加大,而且随电流的增加而增加,但到一定数值后,磁通增长速度变慢直到饱和,不再增长,如图14的上面的曲线所示。磁通变化缓慢时,线圈的电感量也就因而变小。如图14的中间的曲线所示。电感量变小可使扫描速度加快,从而补偿了非线性失真,如图14下面的曲线。


当线圈中流入负电流时,L\(_{3}\)05中的总磁通φ=φm-φs很小,不会产生磁通饱和现象,所以对负向扫描电流影响不大。
校正效果从原理上讲,对右侧光栅被压缩的现象改善明显,实际上,由于支路总电感增加了,扫描电流的变化率,在整个正程中不同程度地被减小,使整个光栅被压缩,行幅减小。若将行线性校正电感的极性接反,将得到和上述相反的结果。
由于显象管的屏幕不是球面,而接近于平面,均等的偏转角所对应的屏幕上的偏转距离不相等,使光栅两侧被延伸所引起的光栅畸变称为“延伸畸变”,如图15。若扫描电流呈“S”形,扫描电流两端变化率减小,则能补偿这种延伸畸变。校正这种畸变的措施是在偏转线圈支路中串接一个容量较大的电容C\(_{s}\)(实际电路中的C331),这个电容称“S”形校正电容。如果C\(_{s}\)很大,在Cs充放电的过程中,C\(_{s}\)上的电压Ucs变化小,对扫描电流校正效果也小。若C\(_{s}\)较小,Ucs在充放电过程中变化大,对扫描电流校正效果就明显一些。实际电路中C\(_{331}\)一般取8~10微法。

在前面的分析中,曾将大电容C\(_{s}\)(C331)上面的电压U\(_{cs}\)看作恒定的。实际上Ucs是变化的。电容C\(_{s}\)上的电压的变化和对扫描电流的影响,可用图16曲线加以说明。在t2至t\(_{3}\)逆程期间(参看图5),C3放电、U\(_{cs}\)下降,如图16的下面的曲线。t3至t\(_{4}\)期间逆程电容C通过LP对C\(_{s}\)充电(参看图5中虚线所示),使Ucs增加。t\(_{4}\)至t8期间,阻尼管导通形成的负向扫描电流对C\(_{s}\)充电(参看如图6),使Ucs继续增加。由于t\(_{3}\)以后Ucs从较小的值慢慢增加,使负向扫描电流下端向上弯一点,t\(_{6}\)时iD=0,U\(_{cs}\)达到最大值。t6至t\(_{7}\)期间(参看图4)输出管导通,形成正向扫描电流iLP。i\(_{LP}\)增加的过程恰是CS放电、U\(_{cs}\)逐渐下隆的过程,使正向扫描电流顶部向下弯一点。这样在扫描整个过程,扫描电流稍带有“S”形,从而校正了延伸畸变。



