锯齿形与抛物线形电压的形成
看来,要在偏转线圈中形成直线性好的锯齿形电流,就必须在输出管基极加入抛物线形电流才行,而要在输出管基极形成抛物线形电流,就要求给基极加上抛物线形电压。从图4可以看出,抛物线波形只不过比锯齿波形稍稍向上翘了一些,因此在实际上总是先形成锯齿形电压,再进一步加工成抛物线形电压的。
怎样形成锯齿形电压呢?如图5甲,将一个电容C串接一个电阻与电源E相接,电容两端并接一个开关K。K闭合时,电容被短路,因此电容上电压为零。当K打开时,电源电压E通过R给C充电,则u\(_{c}\)随时间逐渐上升。如果这个过程一直继续下去,uc一直增长最后充到与电源电压E相等为止。但是在电容充满以前,到时间t\(_{1}\)将开关K闭合,电容C被短路放电,uc便很快地降到零。此后重复同样的过程,将开关不断地启闭,则电容不断地充放电,形成了图5乙所示的锯齿形电压。应该指出,电容充电的速度,即u\(_{c}\)增长的速度,是随着电容上所充电荷的增多,即uc的升高而愈来愈慢,直到逐渐充满则u\(_{c}\)不再变了,如图5乙上的虚线所示,这叫做指数性变化。因此这样得到的锯齿形电压实际上是非直线性的,只有在充电开始的一段时间uc才接近直线性的增长。可是这时u\(_{c}\)的幅度却较小,幅度愈大,直线性愈差。一般所应用的uc的幅度应在电源电压E的10%以下,这时的锯齿波形看不出明显的非直线性。

在电源电压E一定时,u\(_{c}\)增长的快慢取决于R与C的乘积,称为时间常数。τ=RC。只要选τ比开关时间大得多,就能得到直线性相当好的锯齿形电压。一般有这样的规律,形成锯齿形电压的幅度与电源电压之比约等于锯齿形电压正程与时间常数之比,在实际电路图3中,R317及C\(_{3}\)09是锯齿形电压形成电路,由BG22组成的间歇振荡器就是它的开关K。已知场扫描频率为50赫,扫描正程T\(_{1}\)为19毫秒,这里τ=RC=10KΩ×10μf=100毫秒,比T1大五倍,形成的锯齿形电压直线性不太好,需要采用校正电路。由间歇振荡器给出的锯齿电压的幅度由电位器W\(_{3}\)03调整,它与下级放大器的输入阻抗形成分压关系,因此调整它能调整加到下级输入端的锯齿电压幅度,也就调整了输出级的锯齿电流幅度。
形成锯齿形电压以后,再对它进一步加工就能形成抛物线形电压了。
上面讲的是用一个恒定的电源电压通过电阻给电容充电得到锯齿形电压的道理,如果用一个锯齿形电压做为电源再通过一个电阻给电容器充电,见图6甲,情况又如何呢?显然,由于充电电源电压本身就是随时间增长的,那么充电的电容器上的电压u\(_{c}\)的增长就必然愈来愈快,从而形成了抛物线形电压如图6乙。其实这和上面所讲的用锯齿形电压在电感中形成抛物线形电流的基本道理是一样的,只是一个是在电感中形成抛物线形电流,一个是在电容上形成抛物线形电压罢了。这种RC充放电电路又叫做积分电路。

场扫描的非直线性校正
上面已经明确提出,由于扼流圈的分流作用,输出管的基极要求加上抛物线形电压以形成抛物线形基极电流。那么是不是采用一个图6甲那样的电路来形成抛物线电压就能保证场扫描的直线性了呢?不一定,因为还有其它一些因素影响输出锯齿形电流的直线性,例如:
1.上面刚刚分析过,RC电路产生的锯齿形电压是指数性变化的,即对电容充电的速度是逐渐变缓的,这与输出级要求的逐渐上翘的抛物线形正好相反。从这一点出发也要求对RC充放电电路形成的锯齿形电压进一步加工,使其具有上翘的趋势,这与扼流圈分流作用提出的要求是一致的。
2.由锯齿形电压形成开始一直送到场扫描输出管的基极,其间必经过RC耦合电路见图3。耦合电容上的充放电也会使波形产生指数性的失真。假设RC耦合电路的输入端加的是直线性的锯齿形电压,由于电容C两端的充电电压愈来愈高,就使输出的波形逐渐变缓,这也提出了与上面相同的要求。从频率特性的角度来看,这是属于RC耦合电路的低频失真,与扼流圈耦合引起的低频失真性质相同。
3.晶体管并非是一个完全直线性的放大器件,特别是在大信号工作状态,它的非直线性表现得更为突出。做为场扫描输出级,它的集电极电流和电压以及基极电流和电压变化的幅度都很大,很容易进入非线性工作区域,造成输出锯齿形电流的非直线性失真。这种非直线性失真一般表现在输出锯齿形电流的上、下两端,与晶体管的特性有关,不是简单的指数性。
场扫描非直线性的校正也必须将上述三个因素考虑进去,为了减小这些失真可将锯齿形电压发生器的RC时间常数选得尽量大些,级间耦合电容容量选得大些,选择输出管的功耗(P\(_{cm}\))要富余些,最大容许的集电极电流(Icm)大些等等。另外增加末级工作点调整电位器,以便使工作点准确地调整在直线性好的工作区域。还要加接稳定工作点的温度补偿电阻,因为晶体管的工作点受温度影响漂移较大,温度补偿电阻具有负温度系数,即在温度升高时阻值降低,使工作点降低,用以补偿温度上升时工作点的漂高。在图3的实际电路中,RR\(_{3}\)01就起这样的作用。显然,温度补偿电阻应装在反应输出管温度变化灵敏的地方,一般是贴在输出管的外壳(集电极)附近。另外在输出管发射极加接电阻Re能提高输入阻抗,以改善基极输入特性的直线性,也能提高稳定性。但R\(_{e}\)越大降压越大,输出级工作效率就越低,所以一般只选几Ω,见图3中的R325。
上述这些办法只能在一定程度上减小非线性失真,更有效的办法是加接校正电路,以达到比较满意的扫描直线性。常见的校正电路有图7所示的几种。

图7甲是实现图6所示的形成抛物线形电压的实际电路。先由R\(_{1}\)、C1形成锯齿形电压,再由R\(_{2}\)、C2加工成抛物线形电压。但实际证明,因R\(_{1}\)、C1与R\(_{2}\)、C2的充放电彼此之间互有影响,这种电路的校正量不大,只能校正锯齿形电压本身的指数性。图3的实际电路中R\(_{32}\)0、W304与C\(_{311}\)就是将C309上形成的锯齿电压加工成抛物线形电压的电路,调节W\(_{3}\)04能调整抛物线性的程度,也就调整了场扫描的直线性。实践证明,它对调整光栅上部的直线性影响较大,所以叫做上线性调整。光栅上部的扫描直线性不好,就会出现图象上部的伸长或压缩。
比较有效的电路是图7乙,它将输出管集电极的锯齿形电流(近似发射极电流)在R\(_{e}\)上形成的锯齿电压通过RF给C\(_{2}\)充电,形成抛物线形电压,与C1上的锯齿形电压叠加在一起去推动输出管,因而使输出管集电极电流中增加了抛物线形分量,而这一分量再给电容C\(_{2}\)充电又进一步增加了推动输出管的抛物线形分量,从而再次增加了集电极电流中的抛物线分量。这是一个正反馈过程,只要适当调节RF的大小,即调节反馈电压的大小,就能形成所要求的输出管抛物线形集电极电流。要注意,由于是正反馈,R\(_{F}\)太小即反馈量太强时会影响电路的稳定而产生振荡。所以RF不能调得太小。
图7丙是用电流负反馈的办法校正非线性的电路,是在偏转线圈上串联一个小电阻R\(_{F}\),电阻上的电压正比于输出的偏转电流,将它反馈到推动级的发射极,构成负反馈环路。由于反馈电压与输出的锯齿形电流成正比,所以叫电流负反馈。我们知道,放大器采用负反馈能减小其非线性失真、展宽频带、提高稳定性,这是负反馈电路的一般特点,这些都有助于改善输出锯齿形电流的直线性。图3就采用了这种校正电路,R321是与偏转线圈串联的小电阻,输出的偏转电流通过它反馈到BG\(_{23}\)的发射极,但这种类型的校正电路,不足以校正直线性很差的波形,这就要求有较好直线性的激励波形,因此常与图7甲电路合用,如图3实际电路那样。
图7丁所示的是电压负反馈非线性校正电路,反馈电压取自偏转线圈上端,它正比于输出到偏转线圈两端的电压,叫做电压负反馈。不过这里还将反馈电压经过RC电路进一步加工后再反馈到推动级去,由于扫描正程时电容C上要充一部分电压(C′选得较大,其上的充电可不计),所以反馈到输入端的波形的弯曲方向正好与输入电压相反,如图中所注明的波形那样,其结果就形成了所需的抛物线形电压。此种电路还兼有负反馈电路的一般优点,是个值得采用的电路。在图3的实际电路中,由输出管BG\(_{24}\)的集电极经过R326与电位器W\(_{3}\)02到锯齿形电压形成电容C309的下端是一种比较简单的电压负反馈电路。调整电位器W\(_{3}\)02改变反馈电压,主要对光栅下部扫描线性影响较大,因此叫下线性调整。如果光栅下部扫描线性不好就会出现图象下部的伸长或压缩。调整电位器W305能改变BG\(_{24}\)的工作点对输出的锯齿形电流的始末端都有影响,因此应把工作点调整到最佳位置。
由于反馈电路比较复杂,前后互相牵扯较大,只能大致上估量各个元件的数值,恰当的数值必须通过实验确定。
此外,与偏转线圈并联的两个电阻R\(_{328}\)和R329是用来阻尼扫描逆程中可能产生的寄生振荡的,也改善了输出锯齿形电流的直线性。这种寄生振荡是由于偏转线圈在扫描正程中因偏转电流i\(_{k}\)达最大值而储存了磁场能量,它在逆程中不能很快地被消耗掉,从而造成电感中的电流与并联电容上电压的周期性变化所形成的。当并联了阻尼电阻就促成能量很快地消耗掉了。从场扫描输出管的集电极通过C316和R\(_{33}\)0(叫微分电路)以及二极管D7将场扫描逆程的正脉冲耦合到视频放大器末级,经放大倒极性后加到显象管阴极,以在逆程中关闭电子射线,免得光栅上出现回扫亮线。
间歇振荡器的原理
电视机的场扫描要求在无外来信号时仍然进行,外来信号只起同步的作用,因此场扫描电路中必需包括自激脉冲振荡器,用来产生场扫描频率的锯齿电压去推动场扫描输出级。常用的有间歇振荡器与多谐振荡器两种,都是用来起开关作用给RC充放电电路产生锯齿形电压的,图3的实际电路中采用间歇振荡器,下面来介绍它的原理。
图8示出了间歇振荡器的简化原理图及波形图。在一个晶体管的基极与集电极之间接上一个变压器,它们的对应端如图上黑点所示,形成正反馈,即经晶体管放大后的集电极电压,经变压器倒相后再以与基极上相同极性的电压加到基极再一次放大,如此循环不断就产生了振荡,我们分阶段说明它的工作。

1.脉冲前沿跳变过程:当电路接上电源E\(_{c}\)时,Ec通过R\(_{b}\)给晶体管形成基极电流,晶体管导通。根据晶体管的电流放大原理,ib引起较大地集电极电流i\(_{c}\),由于集电极电路串有变压器初级线圈,其上产生感应电压,下端为负,上端为正,造成集电极电压uc下降。这一下降的电压u\(_{c}\)感应到变压器次级线圈倒过极性,促使基极电压ub继续上升,基极电流i\(_{b}\)进一步增大。增大了的ib又引起i\(_{c}\)的进一步增加,于是形成正反馈过程,可简单表示为:-ub↑→i\(_{b}\)↑→ic↑→u\(_{c}\)↓→ub↑正反馈的过程很快,可以看做是产生了状态的跃变,跃变的结果使i\(_{c}\)增大到使晶体管进入饱和状态而失去放大能力,正反馈停止,此时ic、i\(_{b}\)、ub均达最大值,而u\(_{c}\)达最小值,如图8乙的波形所示。
2.脉冲平顶过程:晶体管达饱和后,i\(_{c}\)与ib均不再增长,而i\(_{b}\)开始通过变压器次级给Cb充电(跃变期间电容来不及充电),充电电流方向见图8甲上的箭头,随着C\(_{b}\)的充电,ib将逐渐减小,这一段时间i\(_{b}\)、ic、u\(_{c}\)、ub的变化都比较缓慢,形成了脉冲的平顶过程。
3.脉冲后沿跳变过程:当i\(_{b}\)减小到一定程度后,晶体管又从饱和状态退回到放大状态,正反馈的环路又接通了,于是又重复上述的跃变过程。不过此时是ib、i\(_{c}\)的减小过程,一直减小到ib与i\(_{c}\)均为零。uc减小到负值,u\(_{b}\)达到正值,晶体管就进入了截止状态。
应该指出的是:虽然i\(_{c}\)与ib均很快地降到零,u\(_{b}\)与uc却仍在继续变化,这是因为变压器初、次级电感中的电流均不能立刻降到零,而是转化成很高的反电压,这和谐振回路中磁能与电能的互相转换的道理相同。结果u\(_{b}\)会很高,而uc下降到很低的数值,会击穿晶体管。因此要在集电极绕组两端并联一个二极管,将这个峰压短路,以保护晶体管不致损坏。
4.休止期:晶体管截止后,C\(_{b}\)充电完毕,它上面的电荷又要通过Rb放掉,放电的方向如图8甲箭头所示。放电电流在R\(_{b}\)上形成的基极电压ub为负,正好保证了晶体管的截止,由于R\(_{b}\)Cb时间常数选得较大,放电过程很慢,整个电路处于相对静止的状态。这个状态持续的时间比脉冲时间长得多,称为休止期。由于R\(_{b}\)的另一端接在电源Ec上,经过一段较长的时间,C\(_{b}\)上的负电压随电荷逐渐放完而下降到Rb上的负电压不足以抵消E\(_{c}\)时,ub变正,晶体管出现i\(_{b}\),又引起ic的增加,于是又开始了脉冲前沿跳变过程。此后前述的所有过程不断重复下去。这样晶体管在一个很短的时间导通,在很大的一段时间截止,间歇地产生脉冲,就叫做间歇振荡器。
如果在晶体管集电极上通过一个电阻接上一个电容,就能产生周期性的锯齿形电压了(对比图5)。在图3中,R\(_{317}\)与C309就是形成锯齿形电压的电阻、电容,基极端接成可变电阻的4.7KΩ电位器(W\(_{3}\)01)是调整锯齿形电压频率的,相当于原理图中的Rb,因为它能改变基极电容的放电时间常数,也就改变了放电速度。显然,电阻愈大,频率低。电阻愈小,频率高。
间歇振荡器用的脉冲变压器一般选变压比在1~5的范围,要求不严,只要对应端接的正确,很容易产生振荡。图3中用的脉冲变压器采用MXO-2000E\(_{5}\)型磁心,用0.1mm高强度漆包线密绕750圈为初级绕组、次级绕组用0.2mm线绕150圈,变比为5。
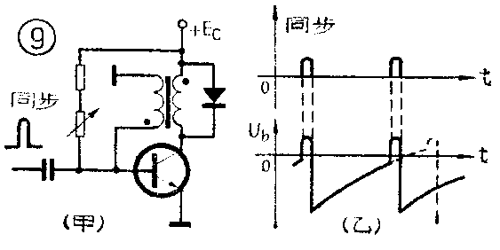
间歇振荡器的同步
如上所述,间歇振荡器都有一个自由振荡的周期,在周期末尾,由于电容放电,晶体管基极电压由负变正(对NPN管),开始导电,状态跳变立即发生,又开始了新的一个周期。如果在基极电压还未变到正值的时候,外加一个正脉冲电压,强迫晶体管提前导电,新的周期就提前开始,见图9。图中虚线表示自激振荡的基极波形,实线表示受外来同步脉冲同步后的基极波形。这时间歇振荡器的周期(或频率)就与外来同步脉冲的周期(或频率)完全相同了,这就叫做同步。同步是重显电视图象的必需条件。从图上还可看出只有间歇振荡器本身的频率稍低于同步脉冲的频率,才能实现同步。

在电视机中同步脉冲来自同步分离电路,在图3的实际电路中,场同步正脉冲通过R\(_{314}\)加到间歇振荡器的基极。
无输出变压器的场扫描输出电路
前面介绍了扼流圈式场扫描输出电路的工作情况。应该指出,对于屏幕较大的显象管,由于要求的偏转功率较大,为了提高效率都使用较高的电源电压。这时为了使场扫描输出级同偏转线圈阻抗相匹配,常常使用变压器输出式电路,它与扼流圈式电路的基本分析是相同的。
无论是扼流圈式或变压器式输出电路,都是工作在甲类功率放大的状态,所以效率低。再加上扼流圈或变压器的损耗,效率就更低。尤其是扼流圈或变压器都比较笨重,不太适合于固体电路。因此,和一般低频功率放大器一样,近年来发展出一些无扼流圈或变压器的场扫描输出电路。
图10是一种用于23厘米或31厘米黑白显象管的单端推挽无变压器式场扫描输出电路,其工作原理和一般低频功率放大无输出变压器输出电路相似,两个输出管工作于乙类,将一个锯齿电流分成上、下两半,由上、下两个输出管分别供给。由于偏转线圈两端的电压为锯齿脉冲形,上、下不对称,因此两只输出管的工作状态也是不对称的,一个管的功耗比另一个管的大许多,选管时必须注意这一点。在实际装置时两管的散热条件也必须考虑这种差别。整个电路的自激振荡状态,是靠由偏转线圈上端到同步脉冲输入端形成的大反馈环路,属于多谐振荡器的电路类型,其工作原理可参阅有关书籍,这里不多讲了。(电视接收技术讲座编写组)
