电子管小屏幕电视机如何合理选用电子管?我厂在试制南京牌703型23厘米电视机的过程中对这个问题作了一些考虑,介绍如下。
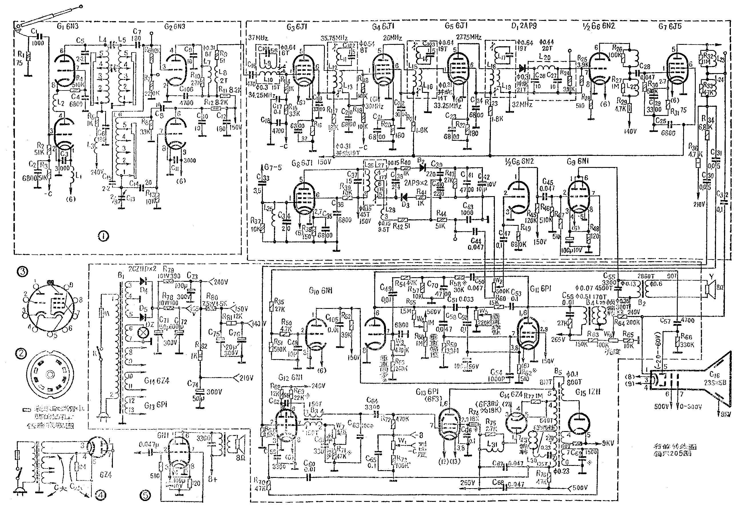
南京牌703型电视机全机由14只电子管组成,见图1。

行扫描管
由于23厘米显象管的高压较低,偏转体积较小,所需功率也就较小。在试制过程中,曾选择过6P1、6P14、6F3等小功率电子管作行扫描输出管。对于行输出电子管除要求达到一定的工作电流外,在行扫描逆程时还要求屏极能够承受较高的反峰电压。一般反峰电压可高达4~5千伏。我们对6P1作了反峰耐压试验,结果表明6P1内部屏极对其它各极耐压可高达7千伏以上。但是由于6P1是小型九脚管,管脚之间距离很近,屏极1、6两脚与2、5、7等脚之间会打火,插入管座时管座导电脚与管座中心隔离柱产生打火。6P1屏极、帘栅极和阴极各有两个引线脚,为了消除打火现象,将6P1管座中的2、6、8导电脚拿掉,再将管座重新铆合(图2)。焊接时管座中心隔离柱不要接地。采取这些措施后,解决了用6P1管作行输出管时出现打火的问题。用6P1管作行输出管时,供给阻尼管的直流正电压(B+)在265状以上。6P1帘栅电压为250状时,其阴极电流为60~65毫安(6P1阴极允许最大电流为,70毫安),此时行扫描的水平幅度和输出给显象管第三阳极的高压,均能达到要求。
6P14是小功率五极管,屏极引线脚是第7脚,相邻的6、8两脚是空脚,故不会出现打火现象,但输出功率稍低于6P1。实际使用中,当6P14管阴极超过其极限运用电流值(60毫安)、帘栅电压超过250伏时,光栅水平方向逐渐缩小,阴极电流逐渐上升,往往最后不能工作,效果不如6P1管。
6F3是复合管,其中一组是束射式四极管,最大阴极电流为75毫安。它的输出功率和过载能力均比6P1管及6P14管强。因为6F3的管脚排列无空脚,所以屏极6脚与5、7脚之间有时会跳火。为了解决这一问题,在上海电子管厂大力支持下,改进了6F3的结构,将屏极从管顶部引出,见图3。改进后的6F3运用情况良好,并进行了过载试验,当最大阴极电流超过80毫安时,水平方向光栅不产生收缩。此外,用6F3管作行输出管时,供给阻尼管的直流电压(B+)为 200伏。6F3管帘栅极电压150伏,阴极电流即可达65毫安。因此,整机的直流电压就可以降低,从而可以节省电源消耗功率。
阻尼管
阻尼管阴极工作在很高的脉冲电压状态。例如用35SX2B或47SX13B显象管的电子管电视机中,在行扫描逆程时,阻尼管阴极上脉冲电压峰值为4~6千伏以上。为了保证电视机正常工作,防止阻尼管的阴极与灯丝之间击穿,设计了专用的6Z19、6Z18高压二极管。这种管的阴极与灯丝之间衬垫较厚的绝缘层,故阴极体积较一般低压整流管大。为使阴极达到正常工作温度,灯丝电流较大。在用23SX5B小屏幕显象管的电视机中,行扫描逆程时阻尼管的阴极峰值电压约有3千伏。为了解决用普通低压整流管(如6Z4一类)作阻尼管的问题,可采取以下措施:在电源变压器中单独绕一组6Z4管灯丝供电绕组,此绕组与相邻绕组之间各垫三—四层聚脂薄膜,以增加绝缘强度。但仍发现有一部分6Z4在工作时产生阴极与灯丝间击穿的情况。通过试验,发现由于阴极与灯丝之间的极间电容(约10~20P)较小,而灯丝绕组与地之间分布电容较大(约200~300P),见图4。因此在行扫描逆程时,阴极对灯丝的电位差远大于绕组对地的电位差。为了减少阴极对灯丝的电位差,在阴极与灯丝之间并接一只1兆欧的保护电阻见图4,使工作时阴极与灯丝之间不致击穿。由于阻尼管平时工作电流一般在55~60毫安之间,所以6Z4等一类整流管的整流电流可以达到要求。

视频末极放大管
为了获得高质量的图象,要求视频放大器在很宽频率范围内产生的失真必须很小。当信号高频分量放大不足时,图象清晰度就差。采用23SX5B显象管时,为了保证放大器对高频分量有足够的放大率,末级视放管的屏极负荷电阻约3-5千欧,并应有足够的输出电压,需50伏(峰一峰)以上,其屏流约需15毫安左右。6J5是宽频带高频放大电子管,互导率为 9毫安/伏,用它作末级视频放大时,其频率特性、放大率均能满足要求,耗电比6P15/小。
音频功率放大管
小屏幕电视机为了缩小整机的体积,采用小型扬声器。它的推动功率约500毫瓦左右即可获得所需的音量。703型机中采用6Nl管作音频功率放大。为了避免6N1两三极部分杂散耦合产生自激,在两个极极之间串一510欧左右的电阻见图5。将6N1两极部分并联作音频功率放大时,最佳阻抗可选为5千欧,可用配合6P1电子管的输出变压器。如其次级阻抗与扬声器的阻抗不匹配,可按下式计算次级绕组匝数:
N\(_{1}\)=N2\(\sqrt{Z}\)\(_{2}\)/Z1
式中N\(_{2}\)为应绕制的圈数;N2为原变压器次级圈数;Z\(_{1}\)为扬声器阴抗;Z2为原变压器次级标称阻抗。
采用小型扬声器的另一优点是扬声器磁场对光栅影响较小,如用小型内磁式扬声器,可不加防磁罩。如用普通恒磁小型扬声器,只需在扬声器与显象管之间加一板,即可消除对光栅的影响。(郑诗卫)