大部分电子设备都是用交流市电作电源的。但市电电压常常因负载的变化而发生变动,因而使电子设备的工作受到严重的影响。例如在无线电通信和广播中,当电源电压降低时,发射机的输出功率和接收机的灵敏度都要降低,因此距离远的地方就可能收不到信号;在测量仪器中,电压的降低会使振荡频率变化、指示不准或误差加大;在自动控制方面,电压降低会造成控制失灵或误动等等。如果电源电压升高,则又会使电子管过热,寿命缩短,甚至有烧坏电子管或设备的危险。
采用自动稳压是保证电子设备的安全和正常工作的最好方法。而在稳压设备中,由于交流磁饱和稳压器有着构造简单、效率高、寿命长、工作可靠、不怕过载、不需维护等突出的优点,所以得到了广泛的应用。
先从磁饱和现象谈起
一个线圈通过电流时,周围的空间便有磁场产生。表示磁场的量有两个:一个叫磁场强度H,它只与线圈的圈数和电流的大小有关;另一个叫磁感应强度B,它除了与圈数和电流有关外,还与线圈的介质有关。当介质是空气时,B和H相等。但是,当介质是铁磁性材料(如铁、镍、钴等)时,则虽然在同一个线圈中通过同样大小的电流,但磁感应强度B的数值就远远大于磁场强度H。B比H增大的倍数,就是铁磁材料的导磁率μ。
在铁磁材料中,μ不是一个固定的数值,也就是说,磁感应强度B并不是简单地随着磁场强度H的增大而正比地增大,它们的关系可以用图1那样的一条曲线来表示,这条曲线称为磁化曲线。当线圈刚开始接通电流时,磁场强度H从零开始增长,这时磁感应强度B显著地加大。但是,到了曲线上的A点之后,B值就不再增大,磁化曲线变得逐渐平坦起来。这种随着H的增大而B值不再增大的现象,我们称为磁饱和现象。

最简单的磁饱和稳压器
图2是一个最简单的磁饱和稳压器电路。其中电感L\(_{1}\)是个未饱和的线圈,它的磁感应强度是随着线圈中电流的大小而变化的。当电流增加的时候,L1的磁感应强度也增加,因此在L\(_{1}\)上产生的电压降也随着增加;反之,当电流减小时,L1的磁感应强度减小,因此在L\(_{1}\)上产生的电压降也随着减小。L1上的电压降U\(_{1}\)与电流I的这种关系可以用图2中的直线U1来表示。

电感L\(_{2}\)是个饱和线圈(可以用减小铁心面积或加多线圈圈数的方法使它饱和)。当L2达到磁饱和以后,电流再增加时,它的磁感应强度却增加得很少,因此L\(_{2}\)上的电压降也增加得很少;当电流减小时,它的磁感应强度减小得很少,因此L2上的电压降也减小得很少。L\(_{2}\)上的电压降U2与电流I的这种关系可以用图2中的曲线U\(_{2}\)来表示。
因为L\(_{1}\)和L2是串联的,所以把U\(_{1}\)和U2这两条曲线逐点加起来就是电源电压U\(_{入}\)和电流I的关系曲线。有了这三条曲线,就可以清楚地说明磁饱和稳压器的稳压作用。当电源电压变化时,必然会引起L1和L\(_{2}\)个串联电路里的电流发生变化。由于L1和L\(_{2}\)的特性不同,所以同样的电流变化在L1和L\(_{2}\)上引起的电压变化并不相同。例如在稳压器的工作范围ab段内,当电源电压从U′入变化到U"\(_{入}\)时,电流则从I′变到I",这时L1上的电压降是从U\(_{1}\)′变到U1",而L\(_{2}\)上的电压降却是从U2′变到U\(_{2}\)"。显然,L2上的电压变化量ΔU\(_{2}\)和电源电压的变化量ΔU入比起来要小得多。可见由于磁饱和线圈L\(_{2}\)的作用,使L2两端的电压,即输出电压的变动大大减小,达到了稳压的作用。
上面这种只有两个电感的稳压器虽然可以稳压,但是从曲线可以看到,输出电压仍有一些变动。为了使输出电压更加稳定,可以在输出端加一个补偿线圈L\(_{3}\)。(见图3)。L3也是一个未饱和线圈,它和L\(_{1}\)绕在同一个铁心上,绕的方向与L1相反,圈数则比L\(_{1}\)要少。在连接的时候,应该使L2和L\(_{3}\)反相连接,使输出电压等于L2和L\(_{3}\)上电压的差值:U出=U\(_{2}\)-U3。

当电源电压变化时,在电感L\(_{1}\)上引起比较大的电压变化,而电感L2上的电压变化却较小。L\(_{2}\)上这部分较小的电压变化必然会使L3中的电流变化,因而也使L\(_{3}\)两端的电压发生变化。如果设法使L2上的电压变化量ΔU\(_{2}\)和L3上的电压变化量ΔU\(_{3}\)接近相等,那么输出电压的变化量ΔU出也必然因为等于ΔU\(_{2}\)和ΔU3的差值而大大减小。
用图3的曲线可以很好地说明加一补偿线圈以后对稳压性能的改善。曲线U\(_{2}\)表示饱和线圈L2上电压与电流的关系,直线U\(_{3}\)表示补偿线圈L3上电压与电流的关系。把这两条线逐点相减,使得到表示输出电压与电流关系的第三条曲线U\(_{出}\)。从图上可以看到,在不加补偿线圈时,输出电压的变化量应该是ΔU2;而在加上补偿线圈后,由于输出电压的曲线变得更加平坦,所以它的变化量ΔU\(_{出}\)就大大减小,电压的稳定性就大为改善了。
只有两个电感的稳压器,因为稳压性能不够好,所以很少应用。带补偿线圈的稳压器的稳压性能就比较好,在电源电压变化±20%时,输出电压的变动可稳定在2%左右。它的容量一般可达1、2千瓦。
但是这种稳压器也有比较严重的缺点。例如,它的效率比较低。我们知道,电器设备的效率就是输出功率和输入功率的比值。在上面介绍的几种稳压器里,因为要使线圈达到磁饱和,就必须有很大的磁化电流(也称为空载电流),所以稳压器的输出功率就必然要小于输入功率,使得效率大为降低,一般效率都在50%以下。此外,因为这种稳压器都是由大电感组成的,而电感里的电流与电压是不同相的,分析表明,这将使电源的总电流要相应地加大,结果总电流在线路里的损耗就要加大,这对提高市电的利用率也是不利的。虽然它有这些缺点,但因为这种稳压器的结构简单,所以在功率不大、要求不高的地方,还是用得较多的。
再加一个电容器
图4是一种利用电流谐振方法减少空载电流的磁饱和稳压器电路。图中的饱和线圈L\(_{2}\)和电容C组成一个谐振于电源频率的并联回路。

当L\(_{2}\)和C谱振时,回路内的谐振电流很大而取自电源的空载电流却很小。因此稳压器的效率较高。同时还因为在谐振时,并联回路呈现出电阻性,因此稳压器的性能也得到了改善。
同样,也可以在谐振式磁饱和稳压器的输出端加一个补偿线圈,以提高输出电压的稳定性。
谐振式磁饱和稳压器对谐振电容器C有很高的要求。因为电源频率很低,所以要使电路谐振于电源频率,谐振电容器必须有很大的电容量。这样,电容器的体积就要加大,成本就要提高。如果把饱和线圈L\(_{2}\)制成自耦变压器的形式,就可以使电容量适当地减小。同时还因为自耦变压器有升压作用,可以使输出电压提高到与额定输入电压相等。图5就是最常用的电流谐振式磁饱和稳压器的电路。

电流谐振式磁饱和稳压器因为有着优良的性能,所以应用最广泛。它的效率最高可达80%,电源电压变化±20%时,输出电压的变动可稳定在1%以内。它的容量一般从100瓦到几千瓦。
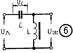
另一种谐振稳压器
除了电流谐振外,也可以用电压谱振的方法。图6就是电压谐振式的磁饱和稳压器电路,其中电感L是个饱和线圈,它和电容器C在电源频率附近谐振。

这一种稳压器,在实际制作时,常常把稳压器和变压器的功能结合在一起,而制成图7的形式。从图可以看到,它有一个不对称的铁心。变压器的初级绕组绕在左边较粗的铁心上,与电容器C谐振于电源频率附近。变压器的次级绕组绕在右边较细的铁心上。在电源电压很低时,这个较细的铁心就已经饱和。当电源电压升到工作范围内时,左边较粗的铁心也达到磁饱和,于是当电源电压发生变化时,在初级线圈上引起的电压变化就很小,而由此微小的电压变化,在饱和了的次级线圈上引起的电压变化就更加微小了。这样就达到了稳定电压的目的。初级绕组中并联的电阻R是为了在开断电源时,使电容器C可以通过它放电,以免烧坏电源开关的接点。


电压谐振式磁饱和稳压器因为受变压器和电容器体积的限制,功率容量不能做得很大,一般都在100瓦以下。它的输出电压稳定性比电流谐振式的要稍差些,一般在2%左右。但是它有一个很大的优点,就是稳压的范围特别宽,例如在电源电压从100伏直到250伏的变化范围内,都能保证输出电压的稳定。另外,又因为它能把稳压器和电源变压器的功能结合在一起,节省了设备,所以在小功率的电子设备和测量仪器中用得很多。
把质量再提高一步
磁饱和稳压器虽然能稳定电压,但是因为它的铁心运用在磁化曲线的饱和区内,所以当输入电流是正弦波时,磁通φ的波形却不是正弦波(图8)。从磁通的波形可以知道,其中含有丰富的三次谐波和五次谐波。这样就使得输出电压的波形有很大的失真。失真系数最高时可以达到25%。
有些电子设备对输入电压的波形有较高的要求,这时就可以在磁饱和稳压器的输出端加接滤波电路,如图9。图中的L\(_{3}\)、C3和L\(_{5}\)、C5分别对电源频率的三次谐波和五次谐波分量谐振,使输出端的谐波被短路。经过滤波以后,输出电压U′\(_{出}\)的失真系数可以降到5%以内。

谐振式的磁饱和稳压器因为与电源的频率有关,所以当电源频率变化时,谐振回路会失谐,以致影响稳压性能。一般在频率变化1%时,会引起输出电压约2%的变动。因此在要求较高的场合,还必须在稳压器上加装频率校正电路。图10是一种简单的校正电路,其中电感L′和电容C′是一个并联谐振回路,它的谐振频率不等于电源频率,而是相差一个数值。当电源的频率变化时,稳压器的输出电压U\(_{出}\)会发生变动,同样,这个谐振回路上的电正降也会发生变化。如果能够设计得使谐振回路上的电压变化量与稳压器输出电压U出的变化量相等而相位相反,那么输出电压U′\(_{出}\)就可以做到基本上不受电源频率的影响了。

结束语
交流磁饱和稳压器虽然有很多优点,但它还存在一定的缺点。除了前面已介绍过的波形失真和稳压性能受频率影响之外,漏磁很大也是一个难以克服的缺点。磁饱和稳压器散发的很强的漏磁会造成很大的磁干扰,使有些测量仪器和电子设备受到影响,带来测量误差和杂音等。因此在有些电子设备中还是不得不采用电子稳压设备。(方波 田进勤)