当咀嚼食物的时候,口内就分泌唾液表示“兴奋”。生理器官的这种反应,叫做无条件反射。如果每次在咀嚼食物之前都听见某一种声音,或受其它某一种外界刺激,那么久而久之,一听到这种声音或受到这种外界刺激时,即使没有咀嚼食物,口内也会分泌唾液。生理器官的这种反应,叫做条件反射。条件反射都是在无条件反射的基础上形成的,使动物能很好地适应经常变化的外部环境条件,引起动物在客观上合理的动作。如果机器能模拟动物的某件反射本能,很明显对生产自动化将带来巨大的变革。
这里介绍的机器狗是一种模拟动物条件反射的简单电子仪器,它能帮助我们了解一些用机器模仿大脑的简单原理,并且表演生动有趣。每当把“食物”(金属球)放进“小狗”咀里时,它会不例外地“亮”起眼睛并摇动尾巴,表示“兴奋”——无条件反射。如果先对机器狗发声,紧接着给以“食物”,并如此反复多次之后,就会看到从某一次起,这只狗在只听到声音而没有得到食物的情况下,也会摇起尾巴、亮起眼睛来,好像得到食物一样地兴奋,这说明条件反射已经形成。当然,如果你长期只用声音来“欺骗”它,那么它会逐渐“怀疑”起来,最后也“不理”这一套了(遗忘了条件反射)。
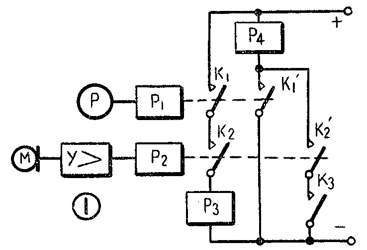
电路原理
机器狗的电路原理示于图1。 P为一金属球,代表喂狗的食物。M为微音器,接收声音信号。Y为放大器。P\(_{1}\)、P2、P\(_{3}\)都是继电器,P1是速动的,P\(_{2}\)是速吸迟放的,P3是迟吸迟放的。K\(_{1}\)、K'1,K\(_{2}\)、K'2及K\(_{3}\)分别为P1、P\(_{2}\)及P3所控制的常开接点。P\(_{4}\)为执行继电器,控制狗的动作。

由图可知,当没有任何信号作用时,执行继电器P\(_{4}\)不会动作。狗也就不起反应。当仅向狗发声时,K2和K'\(_{2}\)闭合,但因K1和K\(_{3}\)没有闭合,所以狗仍不起反应。当只喂“食物”时,K1和K'\(_{1}\)闭合,P4通过K'\(_{1}\)而被接通,从而使狗反应(无条件反射)。
现在先向狗发声,迟放继电器P\(_{2}\)动作,闭合K2和K'\(_{2}\),再立刻喂以“食物”,则继电器P1接通,闭合K\(_{1}\)和K'1。这时,继电器P\(_{3}\)经K1、K\(_{2}\)接通,但P3是长延时的迟吸迟放继电器,虽有电流通过,K\(_{3}\)并不立刻闭合。只有当先声音后食物的信号组合连续重复几次时,P3才使K\(_{3}\)闭合。K3闭合后,虽然只发出声音信号,即只对狗发声而不喂食物,但由于K\(_{3}\)的长延时释放和K'2的闭合,也能使执行继电器P\(_{4}\)通过K'2和K\(_{3}\)接通,从而狗也会起反应(形成条件反射)。机器狗保持条件反射的时间可达2~5分钟。之后K3弹开,再对狗发声,它就不会起反应了(“遗忘”了条件反射)。
从上述“训练”、“条件反射形成”及“遗忘条件反射”的过程中可看出,继电器P\(_{1}\)、P2和P\(_{3}\)的动作时序很重要。P1必须速吸速放。P\(_{2}\)必须在向狗发声时很快就能动作,而在发声以后仍能保持一段时间才释放,以便在训练时使P3有足够长时间通过电流,累积较多热量(P\(_{3}\)为热继电器),不必经过太多次数的训练就能形成条件反射,并且在形成条件反射后,每次发声停止,仍然能使狗保持短时间的兴奋。当然,P2的延迟释放时间不能太长,必须短于P\(_{3}\)的吸动迟延时间,否则一次“训练”即形成条件反射,与真实情况不符。

图2是机器狗的具体电路。电子管V\(_{1}\)、V2、V'\(_{2}\)和V3组成声电子继电器。V\(_{1}\)、V2作为音频放大器,用来放大从话筒输入的音频电流。V'\(_{2}\)组成一个哈特莱振荡器。产生振荡时,V'2的栅负偏压接近于截止偏压,V'\(_{2}\)的屏流极小。当有声音信号输入时,声音信号电流经V1、V\(_{2}\)放大后通过C5及L\(_{2}\)加于V'2栅极,使氖管N起燃。氖管起燃后,内阻急剧降低,几乎使V'\(_{2}\)的栅—阴极短路,从而使振荡停止,V'2的栅负偏压接近于零,屏流剧升,使P\(_{0}\)动作。据试验,屏流落差可达10~20毫安。V3组成一般的整流器。
P\(_{0}\)控制接点K0,K\(_{0}\)接通P2。P\(_{2}\)为一电阻丝式热延时继电器,它是由于电阻丝R8通过电流后的发热膨胀使中部弯曲(方法见后)才把K\(_{2}\)和K'2接通的。上面已谈到,对P\(_{2}\)的要求是速吸迟放。由于电阻丝受热膨胀较快,而冷缩较慢,所以基本上可达到要求。实验证明,声音信号需要持续一秒钟,P2才能动作,而P\(_{2}\)释放延迟时间可达2秒。
P\(_{3}\)为一长延时继电器,它的接点K3是由双金属片带动的。双金属片外面绕以电阻丝R\(_{1}\)0。当P3(即R\(_{1}\)0)通过电流时,双金属片受热弯曲,使K3接通。继电器P\(_{4}\)作成断续器,以便完成狗摇尾巴的动作。
制作、安装和调整
声电子继电器部分的制作比较简单,各元件的数据已列在图2中。扼流圈L\(_{2}\)是防止V'2的高频振荡被C\(_{5}\)分路而用的,可用直径0.2毫米的漆包线在1兆欧以上炭质电阻外面绕制100~200匝而成,线圈端线就焊在电阻引线上。栅漏电容C7的值应根据试验在2000微微法到0.01微法范围内选取,与作为栅漏电阻的氖管的性能有关。试验中如果发现氖管过一定时间便自动闪亮一下,可增大C\(_{7}\)一试,如果还有此现象,可改变同氖管串联的稳定电阻R7。增大R\(_{7}\)会使氖管的工作更稳定,但氖管的灵敏度则随之减低。根据实验,有时甚至可以不用R7。振荡频率与C\(_{6}\)有关,C6的数值以100微微法较好。继电器只要能8毫安起动、2毫安释放就行。或者,在截面积4×15毫米的铁心上用0.1毫米漆包线绕制3000匝自制。L\(_{1}\)用的是美通630S型短波本机振荡线圈。这个线圈最好加装屏蔽,以防干扰其它收音机收听。电源变压器T的数据:铁心用厚0.35~0.5毫米的硅钢片作成,叠厚45毫米;初级绕组用0.35毫米直径的漆包线绕473×2匝;次级高压绕组用0.224毫米直径的漆包线绕2150匝,在1075匝处抽头;5伏绕组用1.0毫米直径的漆包线绕22匝;12.6伏绕组用1.12毫米直径的漆包线绕54匝,在27匝处抽头。
这部分装好后,插上晶体话简,站在一米以外喊“喂”!氖灯应该燃亮,同时P\(_{0}\)应可靠地动作。

延时继电器P\(_{2}\)和P3装在同一底板上(图3)。图中虚线上部是P\(_{2}\),下部是P3。R\(_{8}\)是一根稍微拉紧了的电阻丝,长15~20厘米,直径约0.07毫米(45号线),可从旧的270欧线绕阴极电阻上拆用。图3中1为一铁片作成的接点架,它能绕轴2回转。弹簧3的张力应小于R8的冷态张力,使只当R\(_{8}\)通过电流变热松弛时弹簧3才使接点K2闭合。P\(_{2}\)装成后,电阻丝R8应尽量成直线,K\(_{2}\)和K'2簧片长一些、薄一些,效果会更好些。
P\(_{3}\)用一双金属片,外面套一个用500~800瓦的电炉丝(或类似电阻丝)绕成的加热线圈。这个线圈的圈数为5~6匝,直径约7毫米。加热线圈即电阻R10。双金属片可拆用日光灯起动开关(司塔脱)中的那个弯片。在固定P\(_{3}\)时,应注意不要让螺管式的R10与它里面的双金属片相碰。双金属片未固定的一端要焊一弹性较好的薄铜片(长约30毫米)作K\(_{3}\)接点之一。K3接点间距以1毫米为宜。R\(_{9}\)也是用同样电炉丝绕成的(约10匝),其作用是调节通过R10的电流,以获得需要的延时,具体数值可依试验确定。
狗体包括装有接点K\(_{1}\)和K'1的下颚,代表眼珠的灯泡S\(_{1}\)和S2,以及继电器P\(_{4}\)(断续器)和由它操纵的摇尾装置。K1的两个接点直接靠铁球接通,K'\(_{1}\)的上接点是一个簧片,靠铁球压力和下接点接通,所以K'1上接点和铁球接触的地方应加以绝缘,以免K'\(_{1}\)和K1短路。P\(_{4}\)是从12伏5安交流继电器拆出的铁心和线包,装置方法如图4所示。被P4吸动的衔铁块1由十余片硅钢片叠成(尺寸为10×10×5毫米),在它上面插入装有接触片的架子(架子与接触片间用套管2绝缘)。衔铁焊在围绕轴3转动的尾架4上。K\(_{4}\)的另一接触片5直接焊在狗体骨架是。衔铁1平常被弹簧6拉向一边,使K4常闭。当P\(_{4}\)工作时,衔铁即向P4的铁心摆去,由于此时K\(_{4}\)断开,继电器P4中电流中断,所以衔铁又摆回。这样断续动作,带动狗尾摇动。衔铁1吸向铁心7后,应与铁心间保持一段1~2毫米的间隙。这个间隙太大,衔铁可能摆不动,太小则衔铁可能颤动。作成后试验,如尾巴摆动过急,可加重衔铁1的重量或减小弹簧6的弹性。注意,接触片5不应太坚硬。用O.5毫米厚的铜片(宽3毫米长30毫米)作接触片5,衔铁摆幅能达12.5毫米左右。

从狗体接出的引线共四根。a线接到K\(_{2}\)的一个接点;b线接到电阻R10;C线是继电器P\(_{4}\)线圈的一根引出线,接到K2'的一个接点;d线接到K\(_{0}\)的一个接点或12.6伏绕组的一个接头上。S1、S\(_{2}\)用一般收音机中的指示灯即可。
狗体装成后,所有引线绞成一束,从下颚拉出(好似套绳),然后用外皮将狗体装饰一下。狗体以外的装置,可装在一个方匣内。方匣即作为台基,如图5所示。

表演时,先向狗发声(声音需延续约一秒钟),紧接着将金属球放入狗口内。然后取出金属球,并随即又向狗发声,再将金属球放入狗口内。这样重复6~7次,注意各动作之间不要停顿,就能完成“训练”过程,形成条件反射了。(田进勤)