一般无线电爱好者大都是按照书刊上介绍的线路图来收集零件和安装收音机。但是目前各国晶体管的编号很不统一,因此常常找不到线路图中所说的晶体管。另外,当某一晶体管收音机中有一个晶体管损坏时,也常常找不到相同编号的晶体管来更换。其实,像电子管一样,不同编号的晶体管也是可以相互代换的。下面把有关晶体管换用的几个关键问题介绍一下。
1.关于晶体管的编号。目前各国生产的晶体管的编号方法是不统一的。苏联面结合型晶体管的编号都带有俄文字母Π,如Π1、Π6、Π401等。同一种产品如果有某个重要参数的指标提高时,在后边再加上A、Б、B、Γ等俄文字母,如Π6B。美国晶体管的编号多以“2N”为字头,如2N107、2N136等。如果同一型号的产品有某一重要参数的指标提高一些时,就在编号后面附加A、B、C等拉丁字母。日本所生产的晶体管,编号以“2S”为字头,接着是A、B、C、D等拉丁字母。“A”表示PNP型高频放大用晶体管;“B”表示PNP型低频放大用晶体管;“C”表示NPN型高频放大用晶体管;“D”表示NPN型低频放大用晶体管。例如“2SB71”是PNP低频放大管;“2SA44”是PNP型高频放大管。在数字后面的拉丁字母,如“2SA119A”后边的A,是表示某个重要参数的指标高一些的晶体管。欧洲各国生产的晶体管没有统一的编号,如英国生产的晶体管就有“OC71”、“GEC103”、“V1015A”等编号。
表1示根据高频、低频和功率大小等标准进行分类的一些不同编号的晶体管。如果我们需要更换一个新晶体管时,可以从表1同类管子中挑选。

2.晶体管的换用。和电子管一样,两个相同编号的晶体管换用后,通常可以工作。但由于相同编号的各个晶体管的参数仍然有些差别,因此换了晶体管后,常常需要调整个别零件的数据和管子的工作点,使它达到较好的工作状态。例如,在图1的共发射极电路中,应当调节R\(_{b}\)的数值以改变偏流,使换上去的晶体管达到最佳工作状态。如果线路本身中已经采用了稳定工作点的措施,在换用晶体管后就可以不必调节偏流了。

在换用不同编号的晶体管时,应当掌握以下原则。
(1)换上去的晶体管,它的各项最大极限值参数,例如最大集电极电压、最大集电极功率损耗等,必须超过线路中所要求的数值。一般极限值参数较高的晶体管可以代换极限值参数较低的晶体管。例如原来线路中的集电极和发射极之间的最大电压为24伏,完全可以用最大电压为50伏的晶体管来代换。
(2)换上去的晶体管的各个参数,如电流放大系数α、β,集电极和发射极间的饱和电流I\(_{do}\),以及截止频率fα等参数,和原来的晶体管越接近越好。一般说来,性能高的晶体管可以代换性能差的晶体管,否则就会影响整个线路的工作。例如,α、β、f\(_{α}\)越大越好,Ido越小越好。但是如果换了电流放大系数过高的晶体管,可能会产生振荡,发出啸叫声。补救的办法是调节晶体管的正向偏流以减小增益,或者在发射极电路中串联一个电阻,增加电流反馈以减小增益。这个电阻一般可选在100Ω到200Ω之间,晶体管用在功率放大器中时,这个电阻通常可选在12到10Ω之间。在中放线路中,有时调节一下中和电容器(图2中放级中,由晶体管集电极谐振回路的上端接到该晶体管基极的电容器),也可以抑制振荡,而不致降低增益。

应当注意,晶体管手册中的参数数据是在一定条件下测量的。如果测量条件不一样,表现的参数水平也就不同。一般除大功率晶体管以外,测量时的工作电流和电压小的,测出的各个参数数值也较小。
(3)更换另一编号的晶体管后,要对整个收音机重新作一次调整。在低放线路中换用晶体管后,要调整一下偏流。如果线路中已采取了稳定工作点的措施时,一般可以不必调整。只有在换上去的晶体管的最佳工作点和被换掉的晶体管相差较大时,才需要调整偏流。在高频电路中更换晶体管后,应将高频半可变调谐元件作必要的调整。调整后如发生寄生振荡,应采取前节所说的那些措施。
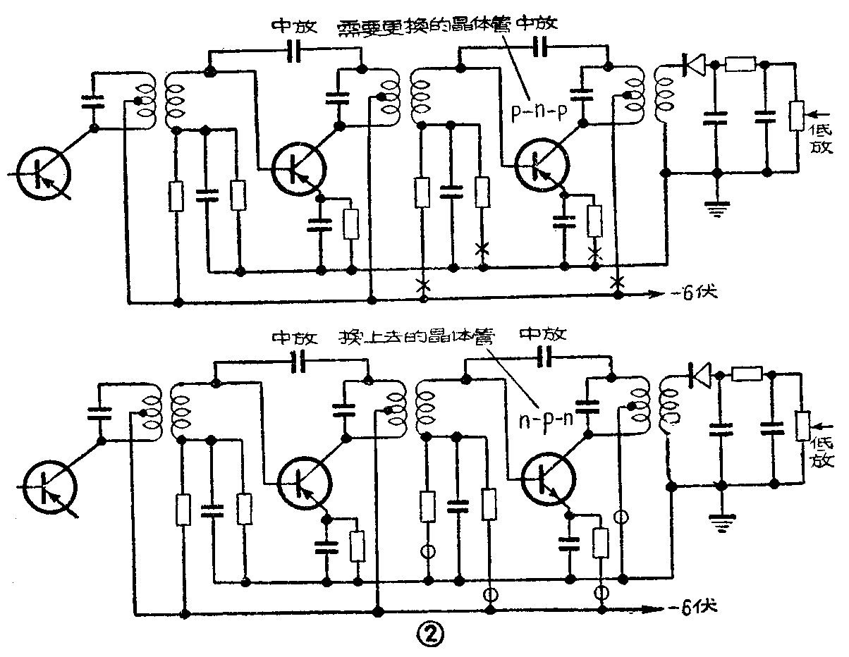
(4)在换用时,最好选用同一类型的晶体管。如原来是PNP型的,最好仍换用PNP型的,这样可以省去不少麻烦。如果一定要换用NPN型的,就需要在线路上作一些修改。由于这两种晶体管的极性刚好相反,在简单的线路中,可以把电池反接,线路中其它有极性的零件,如晶体二极管、电解电容器等,也得相应地反接,才能正常地工作。在复杂的线路中,如果其中的晶体管都是PNP型的,只有一个需要换上NPN型时,不能把电池反接,只要把图2,a线路中有“×”的接线换接一下,就可以换用NPN管了。换接后的线路如图2,b所示。符号“○”表示经过换接的地方。

(5)晶体管管脚的识别方法。有时找到一个晶体管,不知道三个管脚中那个脚是那个电极。最好是找到该管的特性表,根据表中说明来识别管脚。另外,根据现在的一般规律,晶体管的管脚排列大致可以归纳为图3所示的各种类型,识别管脚时可以参考。最后,也可以参看本刊1962年第4期第6页“用万用表判别晶体管的方法”一文所述方法来判别晶体管的电极。(厉文每)